1

Teltonika FM5300

Topic: Teltonika FM5300

Teltonika F.A.Q.

Топики открытые для обсуждения: | FM1100 >> | FM1110 >> | FM1125 >> | FM1200 >> | FM1202 >> | FM2200 >> | FM3101 >> | FM3200 >> | FM4200 >> | FM4300 >> | FM5300 >> | FM5500 >> | AT1000 >> | GH3000 >> | GH1202 >> |
___________________________________________________________

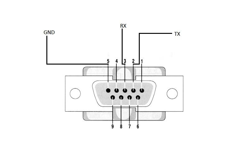
Срочно нужен протокол обмена данными для трекера Teltonika FM5300

2

Teltonika FM5300

Re: Teltonika FM5300

Кто-нибудь уже пробовал данное устройство? Какие можете дать отзывы, а то имеем планы в его использовании, но нужно понимать как там с качеством.

Орион Мониторинг
www.orionmonitoring.ru
3

Teltonika FM5300

(edited by venom4u 25/06/2012 04:15:55)

Re: Teltonika FM5300

как раз пробуем, стоит у пары клиентосов, пока нравится
качество аналогичное фм 4200

в планах: хотим попробовать поставить их с ДУТ-ами
кто-нить пробовал?

Вера Потапова,
ООО "ТрэйССС", г. Владивосток
http://traccce.ru
4

Teltonika FM5300

Re: Teltonika FM5300

А какое в нем отличие, к примеру, перед 4200??? Интересует всё, от наличия входов до стоимости

5

Teltonika FM5300

Re: Teltonika FM5300

graf1608
Глонасс

Eduard Vald / GoGPS Service
www.gogps.eu
eduard.vald@gogps.eu
6

Teltonika FM5300

(edited by venom4u 17/07/2012 08:59:18)

Re: Teltonika FM5300

graf1608,

Глонасс
4 цифровых входа;
4 аналоговых входа
2х RS232 интерфейса   -  порадовали smile

ну это из того, чем воспользовались уже ...

Вера Потапова,
ООО "ТрэйССС", г. Владивосток
http://traccce.ru
7

Teltonika FM5300

Re: Teltonika FM5300

Установили 20 штук на легковушки большая часть нормально работает но 3-4 прибора регулярно вылетают. по смс не конфигурируются после слета прошивки, смс не доходит. Приходиться выезжать и цепляться компом.

Wialon Host  - 120 руб за объект в месяц (WH + сим-карта без абон. платы + 50 мБ + 90 коп/смс)
8

Teltonika FM5300

Re: Teltonika FM5300

Попробуйте прошить приборы на прошивку версии 05.11. И не прошивайте на 05.10, эту прошивку признали нестабильно рабочей.

http://euromobile.ru Официальный дистрибьютор Teltonika на территории РФ и СНГ
Skype: gamov.euroml
9

Teltonika FM5300

Re: Teltonika FM5300

Dmitriy wrote:

Попробуйте прошить приборы на прошивку версии 05.11. И не прошивайте на 05.10, эту прошивку признали нестабильно рабочей.

Киньте прошивку если не трудно info@bashmonitor.ru

Wialon Host  - 120 руб за объект в месяц (WH + сим-карта без абон. платы + 50 мБ + 90 коп/смс)
10

Teltonika FM5300

Re: Teltonika FM5300

Dmitriy wrote:

Попробуйте прошить приборы на прошивку версии 05.11. И не прошивайте на 05.10, эту прошивку признали нестабильно рабочей.

можно мне тоже версию 05.11 если несложно?
vera@traccce.ru

Вера Потапова,
ООО "ТрэйССС", г. Владивосток
http://traccce.ru
11

Teltonika FM5300

Re: Teltonika FM5300

У кого есть мануал на 5300 с смс командами поделитесь

Wialon Host  - 120 руб за объект в месяц (WH + сим-карта без абон. платы + 50 мБ + 90 коп/смс)
12

Teltonika FM5300

Re: Teltonika FM5300

5300 по CAN шине кто-нибудь прицепился ?

13

Teltonika FM5300

Re: Teltonika FM5300

Vadim3105 wrote:

У кого есть мануал на 5300 с смс командами поделитесь

пробовали использовать команды от 4200/2200/1100?

14

Teltonika FM5300

(edited by kaprizov 07/08/2012 00:01:37)

Re: Teltonika FM5300

Dmitriy wrote:

Попробуйте прошить приборы на прошивку версии 05.11. И не прошивайте на 05.10, эту прошивку признали нестабильно рабочей.

можно мне тоже версию 05.11 ?
kaprizov"сабака"gmail.com

Заранее спасибо.

15

Teltonika FM5300

Re: Teltonika FM5300

venom4u)) гг +1 аватар порадовал)))

S&M Groups
16

Teltonika FM5300

Re: Teltonika FM5300

никто не поделится прошивкой для FM5300?
у меня сейчас 05.10
нужна последняя
на kaprizov"сабака"gmail.com

Заранее спасибо

17

Teltonika FM5300

(edited by atc-mon 08/08/2012 20:44:06)

Re: Teltonika FM5300

не вопрос, щас пришлю 5.11
но мне все же кажется она не последняя... но стабильная wink

Козлов Сергей
ООО "ГК"АТС-Мониторинг"
Регион: ПФО и не только...
http://www.atc52.ru
18

Teltonika FM5300

Re: Teltonika FM5300

Vadim3105 wrote:

У кого есть мануал на 5300 с смс командами поделитесь

если есть у кого, я б тоже не отказалась )))

Добавлено спустя    45 секунд:

babay wrote:

venom4u)) гг +1 аватар порадовал)))

спасибо ))))

Вера Потапова,
ООО "ТрэйССС", г. Владивосток
http://traccce.ru
19

Teltonika FM5300

Re: Teltonika FM5300

venom4u wrote:
Vadim3105 wrote:

У кого есть мануал на 5300 с смс командами поделитесь

если есть у кого, я б тоже не отказалась )))

Добавлено спустя    45 секунд:

babay wrote:

venom4u)) гг +1 аватар порадовал)))

спасибо ))))

как я понял команды там такие же как в FM4200

Козлов Сергей
ООО "ГК"АТС-Мониторинг"
Регион: ПФО и не только...
http://www.atc52.ru
20

Teltonika FM5300

Re: Teltonika FM5300

Коллеги, подскажите, у вас все команды от FM4200 подходят к FM5300? У меня не воспринимает команды, которые отвечают за настройку GPS, сообщает, что не поддерживает данный ID параметра. Если у кого-то всё-таки есть инструкция с описанием параметров СМС для FM5300, прошу выслать её.

Лавров Анатолий
ООО "АвтоВизор", г. Тверь
21

Teltonika FM5300

Re: Teltonika FM5300

Кинь мыло куда отправить

Wialon Host  - 120 руб за объект в месяц (WH + сим-карта без абон. платы + 50 мБ + 90 коп/смс)
22

Teltonika FM5300

Re: Teltonika FM5300

Нашел документацию, с описанием СМС команд 5300, она отличается от 4200

Лавров Анатолий
ООО "АвтоВизор", г. Тверь
23

Teltonika FM5300

Re: Teltonika FM5300

Ребят, проблема... из новых 53-их (12 штук) вышло вышло на связь ровно половина. настройки совершенно одинаковые, тестирую с одними антеннами ...  в чем может быть проблема?  кто-нибудь сталкивался с подобным?

Добавлено спустя    57 секунд:

zanix wrote:

Нашел документацию, с описанием СМС команд 5300, она отличается от 4200

описание на русском языке?
если нетрудно, поделитесь пожалуйста
vera@traccce.ru

Вера Потапова,
ООО "ТрэйССС", г. Владивосток
http://traccce.ru
24

Teltonika FM5300

Re: Teltonika FM5300

Документация на чисто английском smile Кстати, поставщик должен по вашему запросу, вам предоставить последнюю версию документации.
Вам всё ещё надо, чтобы я выслал?

Лавров Анатолий
ООО "АвтоВизор", г. Тверь
25

Teltonika FM5300

Re: Teltonika FM5300

Возможно скоро мы сделаем описание 5300 на русском...

http://euromobile.ru Официальный дистрибьютор Teltonika на территории РФ и СНГ
Skype: gamov.euroml
26

Teltonika FM5300

Re: Teltonika FM5300

Через пару недель мануал на русском будет готов.

http://euromobile.ru Официальный дистрибьютор Teltonika на территории РФ и СНГ
Skype: gamov.euroml
27

Teltonika FM5300

Re: Teltonika FM5300

Ждем с нетерпением

28

Teltonika FM5300

Re: Teltonika FM5300

Киньте настройку у кого 5300 нормально работает, весь мозг вынесла, час работает, три висит. Прибор живет своей жизнью.

Wialon Host  - 120 руб за объект в месяц (WH + сим-карта без абон. платы + 50 мБ + 90 коп/смс)
29

Teltonika FM5300

Re: Teltonika FM5300

Vadim3105, есть мнение, что надо обновить прошивку до самой последней, т.к. совсем недавно встречали партию аппаратов, с таким же поведением, хотя настройка была проведена типовая...

Лавров Анатолий
ООО "АвтоВизор", г. Тверь
30

Teltonika FM5300

Re: Teltonika FM5300

Прошивка 5.11 вроде как последняя

Wialon Host  - 120 руб за объект в месяц (WH + сим-карта без абон. платы + 50 мБ + 90 коп/смс)
31

Teltonika FM5300

Re: Teltonika FM5300

Ходят слухи, что Телтонику надо только то и делать, что обновлять до последней прошивки! smile

Ready! Stady! Go!
32

Teltonika FM5300

Re: Teltonika FM5300

Vadim3105

Vadim3105 wrote:

Прошивка 5.11 вроде как последняя

далеко не последняя...
5.15 могу скинуть

Роман, Навигационно-информационные системы Бурятии
33

Teltonika FM5300

Re: Teltonika FM5300

Скиньте, пожалуйста, 5.15 на почту. Спасибо.

34

Teltonika FM5300

Re: Teltonika FM5300

далеко не последняя...
5.15 могу скинуть

Залейте пожалуйста последнюю прошивку на почту hs@msk-gps.ru , Спасибо.

35

Teltonika FM5300

Re: Teltonika FM5300

Владислав
hmarserega
отправил

Роман, Навигационно-информационные системы Бурятии
36

Teltonika FM5300

Re: Teltonika FM5300

а можно и мне последнюю прошивку?
vera@traccce.ru

Вера Потапова,
ООО "ТрэйССС", г. Владивосток
http://traccce.ru
37

Teltonika FM5300

Re: Teltonika FM5300

Залил 5.15 стала работать стабильней, буду катать

Wialon Host  - 120 руб за объект в месяц (WH + сим-карта без абон. платы + 50 мБ + 90 коп/смс)
38

Teltonika FM5300

Re: Teltonika FM5300

Если не сложно - то и мне последнюю прошивку (5.15) на 1308666@mail.ru

39

Teltonika FM5300

Re: Teltonika FM5300

panascan wrote:

Если не сложно - то и мне последнюю прошивку (5.15) на 1308666@mail.ru

отправил

Wialon Host  - 120 руб за объект в месяц (WH + сим-карта без абон. платы + 50 мБ + 90 коп/смс)
40

Teltonika FM5300

Re: Teltonika FM5300

и я хочу последнюю прошивку для 5300
скиньте, пожалуйста, на kaprizov@gmail.com

Заранее спасибо.

41

Teltonika FM5300

(edited by StalkerSVR 14/09/2012 12:36:36)

Re: Teltonika FM5300

есть два таких устройства. подключил их к компу по USB, поставил дрова, скачал с сайта конфигуратор, но он при запуске ругается - configurator version does not correspondent to FM formware version. Software version like X.0.5.Y should be used to configure your device. В чем может быть проблема? как обновить прошивку, или где скачать новый конфигуратор?
скиньте плиз новую прошивку на это устройство на st4x4@yandex.ru

42

Teltonika FM5300

Re: Teltonika FM5300

http:/avl1.teltonika.lt/Downloads/FM53

отсель всё брали

43

Teltonika FM5300

Re: Teltonika FM5300

тоже оттуда брал - нет ни прошивки ни подходящего конфигуратора. лежит только конфигуратор 0.1.0.8

44

Teltonika FM5300

Re: Teltonika FM5300

Добрый вечер! Кто нибудь пробовал 5300 подключать по can-шине?

45

Teltonika FM5300

(edited by atc-mon 17/09/2012 22:17:22)

Re: Teltonika FM5300

StalkerSVR wrote:

тоже оттуда брал - нет ни прошивки ни подходящего конфигуратора. лежит только конфигуратор 0.1.0.8

Конфигуратор можно использовать с сайта телтоники... а вот прошивку нужно брать у диллеров,
ну или могу выслать кому надо пишите в личку... что тут почтами сорить wink

Козлов Сергей
ООО "ГК"АТС-Мониторинг"
Регион: ПФО и не только...
http://www.atc52.ru
46

Teltonika FM5300

Re: Teltonika FM5300

кто-нибудь конфигурировал fm5300 через gprs командами wialon? Посылаю #GET VERSION ему, а в ответ тишина... Может   что не так делаю?

47

Teltonika FM5300

Re: Teltonika FM5300

еще не понятна логика переключения в Static navigation. В основном профиле №3 я указал настройки для режима в движении, то есть когда на входе зажигания единица. А где указывать настройки для static mode?

48

Teltonika FM5300

Re: Teltonika FM5300

статик - это видимо как у всех, что бы он звезды не рисовал...
а для стоянки указывается параметры немного левее

Козлов Сергей
ООО "ГК"АТС-Мониторинг"
Регион: ПФО и не только...
http://www.atc52.ru
49

Teltonika FM5300

Re: Teltonika FM5300

pruwait wrote:

кто-нибудь конфигурировал fm5300 через gprs командами wialon? Посылаю #GET VERSION ему, а в ответ тишина... Может   что не так делаю?

C командами разобрался, все дело в логине/пароле для СМС

atc-mon wrote:

статик - это видимо как у всех, что бы он звезды не рисовал...
а для стоянки указывается параметры немного левее

Я попробовал указывать параметры для стоянки в первом профиле и переключение с третьего на первый привязал к появлению сигнала на первом входе (зажигание)
Все работает, но терминал не отправляет на сервер данные о состоянии зажигания, ведь в Priority можно указывать только один вариант одновременно: Low, High, Panic или переключение на профиль SW21...24

То есть у меня не получается настроить датчик зажигания в Wialon, не задействовав в Телтонике еще один цифровой вход.

Может, есть более элегантное решение?

50

Teltonika FM5300

Re: Teltonika FM5300

Скиньте, плиз, новую прошиву на 5300 и апдейтер  "y.samsonenko@lookout.com.ua"

51

Teltonika FM5300

Re: Teltonika FM5300

Спасибо, Владимир:)

52

Teltonika FM5300

Re: Teltonika FM5300

пожалуйста, поделитесь последней прошивкой и конфигуратором для неё! cnaptak@gmail.com

53

Teltonika FM5300

Re: Teltonika FM5300

Ловите.

С уважением, команда Overseer.
Киев, Черкассы, Винница.
http://overseer.ua
54

Teltonika FM5300

Re: Teltonika FM5300

Благодарю!

55

Teltonika FM5300

Re: Teltonika FM5300

Как и обещал, мы перевели мануал на FM5300 на русский язык. Пишите письма smile

http://euromobile.ru Официальный дистрибьютор Teltonika на территории РФ и СНГ
Skype: gamov.euroml
56

Teltonika FM5300

Re: Teltonika FM5300

Info@bashmonitor.ru Заранее спасибо

Wialon Host  - 120 руб за объект в месяц (WH + сим-карта без абон. платы + 50 мБ + 90 коп/смс)
57

Teltonika FM5300

Re: Teltonika FM5300

Доброе время суток!


Огромная просьба также по мануалу со списком смс команд и по стабильной прошивке! В руководстве не нашёл sad.

post007@inbox.ru

Заранее благодарен1

58

Teltonika FM5300

Re: Teltonika FM5300

Доброго времени суток.

Подскажите пожалуйста есть ли сертификат  соответствия на модуль глонасс на Телтонику 5300?

ООО "Геолид Северо-Запад"
59

Teltonika FM5300

Re: Teltonika FM5300

Добрый день. Можно и мне мануал на FM5300 на русском языкe. Очень надо.
radira@te.net.ua

60

Teltonika FM5300

Re: Teltonika FM5300

Киньте пожалуйста последнюю прошивку slava@tscontrol.ru

TSControl.
61

Teltonika FM5300

Re: Teltonika FM5300

TScontrol
У вас есть доступ на наше хранилище файлов, откуда вы всегда можете скачать последние протестированные прошивки ко всем моделям трекеров.

http://euromobile.ru Официальный дистрибьютор Teltonika на территории РФ и СНГ
Skype: gamov.euroml
62

Teltonika FM5300

Re: Teltonika FM5300

Dmitriy wrote:

TScontrol
У вас есть доступ на наше хранилище файлов, откуда вы всегда можете скачать последние протестированные прошивки ко всем моделям трекеров.

Упс, кстати да smile

Теперь другая проблема, конфигуратор не подходит, у вас нового нет, скачал последний с телтоники всеравно не хочет.

TSControl.
63

Teltonika FM5300

(edited by cloudhunter 26/11/2012 20:44:12)

Re: Teltonika FM5300

]Уважаемые софорумчане!

При коннекте с модулем (конфигуратор 0.0.5.8), прошивка 00.05.15. Внизу выдаёт сообщение
SimPin status no sim
Индикаторы мигают, на связь ни по смс ни в Виалоне не выходит.



Неужели модуль битый? (Симка в телефоне регистрируется и принимает звонки...)

Снимаю вопрос - замена сим-карты изменила статус. Учимся дальше.

П.С. 01.00.14 на-сегодня стОящая прошивка? Или 5.15 и ни гу-гу?

64

Teltonika FM5300

Re: Teltonika FM5300

cloudhunter wrote:

]
П.С. 01.00.14 на-сегодня стОящая прошивка? Или 5.15 и ни гу-гу?

Последняя релизная прошивка FM53010102. Конфигуратор под нее v1.1.1.7

[color=#808080]Добавлено спустя   2 минуты  30 секунд:

TScontrol wrote:
Dmitriy wrote:

TScontrol
У вас есть доступ на наше хранилище файлов, откуда вы всегда можете скачать последние протестированные прошивки ко всем моделям трекеров.

Упс, кстати да smile

Теперь другая проблема, конфигуратор не подходит, у вас нового нет, скачал последний с телтоники всеравно не хочет.

У нас в хранилище теперь, помимо инструкций, лежат архивы прошивка+конфигуратор. Дабы не возникало путаниц какой конфигуратор для какой прошивки использовать. В архиве всегда совместимые версии.

65

Teltonika FM5300

Re: Teltonika FM5300

У нас в хранилище теперь, помимо инструкций, лежат архивы прошивка+конфигуратор. Дабы не возникало путаниц какой конфигуратор для какой прошивки использовать. В архиве всегда совместимые версии.

Всё ок, Спасибо!

TSControl.
66

Teltonika FM5300

Re: Teltonika FM5300

Добрый день всем!
Собираюсь поставить своему клиенту 5300, работаю с ним впервые
Скиньте пожалуйста конфигуратор, стабильную прошивку и мануалы. Самому ничего не удалось найти
royman@list.ru

67

Teltonika FM5300

Re: Teltonika FM5300

был бы очень признателен за актуальную прошивку, конфигуратор и инструкции на русском - boguk2006@rambler.ru

68

Teltonika FM5300

Re: Teltonika FM5300

Привет! подскажите магическое число на 5300 терминал?

69

Teltonika FM5300

Re: Teltonika FM5300

mplus.Nazarov wrote:

Привет! подскажите магическое число на 5300 терминал?

Чем лучше сформулирован вопрос, тем понятнее будет ответ.

70

Teltonika FM5300

Re: Teltonika FM5300

Приветствую всех, буду благодарен за прошивку и конфигуратор.... спасибо  - navisystem@mail.ru

71

Teltonika FM5300

Re: Teltonika FM5300

Тоже впервые столкнулся с этим прибором, поделитесь пожалуйста инструкцией (рус), прошивкой и конфигуратором. Ivan-katsion@mail.ru Заранее спасибо!

72

Teltonika FM5300

Re: Teltonika FM5300

Коллеги, инфу по кану у кого получилось читать.

TSControl.
73

Teltonika FM5300

Re: Teltonika FM5300

Ivankv wrote:

Тоже впервые столкнулся с этим прибором, поделитесь пожалуйста инструкцией (рус), прошивкой и конфигуратором. Ivan-katsion@mail.ru Заранее спасибо!

отправил на почту

Добавлено спустя   1 минуту  18 секунд:

Rvatch wrote:

Приветствую всех, буду благодарен за прошивку и конфигуратор.... спасибо  - navisystem@mail.ru

отправил на почту

Добавлено спустя   3 минуты :

koJIo6ok wrote:

был бы очень признателен за актуальную прошивку, конфигуратор и инструкции на русском - boguk2006@rambler.ru

отправил на почту

Добавлено спустя   4 минуты  10 секунд:

royko666 wrote:

Добрый день всем!
Собираюсь поставить своему клиенту 5300, работаю с ним впервые
Скиньте пожалуйста конфигуратор, стабильную прошивку и мануалы. Самому ничего не удалось найти
royman@list.ru

отправил на почту

Wialon Host  - 120 руб за объект в месяц (WH + сим-карта без абон. платы + 50 мБ + 90 коп/смс)
74

Teltonika FM5300

Re: Teltonika FM5300

Доброе утро! Нормально прошивались все приборы - заливал новую прошивку, потом в конфигураторе настраивал. Последний после прошивки отключил/включил, индикатор мигает с большой скоростью, комп не видит прибор. В чем может быть дело и как это победить

вы тут немного подварите, а я дома проволокой намертво примотаю
+79634551777
75

Teltonika FM5300

Re: Teltonika FM5300

Извиняюсь за глупый вопрос - FM5300 соответствует 285 приказу?

Миночкин Дмитрий
ООО "Балтавтоматика"
www.baltgps.ru
76

Teltonika FM5300

Re: Teltonika FM5300

Дим, у нас есть письмо от Телтоники, что соответствует). RS485 обеспечивается конвертором, необходимое кол-во точек - спец. прошивкой. smile

http://euromobile.ru Официальный дистрибьютор Teltonika на территории РФ и СНГ
Skype: gamov.euroml
77

Teltonika FM5300

Re: Teltonika FM5300

Дим, спасибо.
А телтоника молодцы. Если к примеру на FM5300 понадобится bluetoth то с помощью спец прошивки этот вопрос наверняка легко решится.

Миночкин Дмитрий
ООО "Балтавтоматика"
www.baltgps.ru
78

Teltonika FM5300

Re: Teltonika FM5300

Интересно если ее ударить импульсом в 600 вольт, все еще будет соответствовать ?

ООО Сигард - производство навигационного оборудования
8 800 250 19 08
www.cguard.ru
79

Teltonika FM5300

Re: Teltonika FM5300

Добрый вечер. Вот такой прибор - нормальная прошивка, или есть новее?

Code Ver:00.05.15 Device IMEI:356307040866245 Device ID:000007 Bootloader Ver:05.16 Modem APP Ver:TM11Q_R_01.03.03.03_002 Hw:Int Bat + FASTRAX + MMA7455

Очень, очень странно работает прибор. Static отключен, но звезды рисует. Так же очень грубо рисует трек. Поставлено в настройке 10 градусов, а повороты отлавливает в одном из трех случаев sad

80

Teltonika FM5300

Re: Teltonika FM5300

Статик должен быть включен, что бы не рисовало звезды... По поводу трека конфиг бы глянуть

Eduard Vald / GoGPS Service
www.gogps.eu
eduard.vald@gogps.eu
81

Teltonika FM5300

Re: Teltonika FM5300

Добрый вечер.
Буду благодарен за самую свежую прошивку и конфигуратор к ней на почту kaprizov@ukr.net
Заранее спасибо.

82

Teltonika FM5300

Re: Teltonika FM5300

всем добрый день
большая просьба поделиться инструкцией (рус), прошивкой и конфигуратором
kaa284@gmail.com
заранее благодарю

83

Teltonika FM5300

(edited by vlad.sv 21/01/2013 15:04:24)

Re: Teltonika FM5300

Добрый день.
Пожалуйста, поделитесь кто-нибудь последней прошивкой и конфигуратором на почту vlad.umbrella@mail.ru
Заранее благодарен

84

Teltonika FM5300

(edited by Partyзан 21/01/2013 15:31:04)

Re: Teltonika FM5300

vlad.sv

отправил, качай.

85

Teltonika FM5300

Re: Teltonika FM5300

Partyзан wrote:

vlad.sv

отправил, качай.

Большое спасибо!

86

Teltonika FM5300

Re: Teltonika FM5300

Кто нибудь сталкивался с такой ситуацией, что данный БТ после разряда всех АКБ не выходит из спячки (т.е. смотрим на БТ а диоды не маргают)?
Помогает лишь отключение разъема.

Козлов Сергей
ООО "ГК"АТС-Мониторинг"
Регион: ПФО и не только...
http://www.atc52.ru
87

Teltonika FM5300

Re: Teltonika FM5300

Присоединяюсь к просьбе.

88

Teltonika FM5300

Re: Teltonika FM5300

Для каких целей то Вам нужны протоколы. Вряд ли кто Вам даст такое дело.

89

Teltonika FM5300

Re: Teltonika FM5300

Протокол Телтоники закрытый. Высылается только после подписания NDA. Обычно протокол нужен, чтобы прописать прибор в своем ПО. Но спрашивать это на форуме Гуртам как-то нелогично)

http://euromobile.ru Официальный дистрибьютор Teltonika на территории РФ и СНГ
Skype: gamov.euroml
90

Teltonika FM5300

Re: Teltonika FM5300

Понятно. Жаль. Просто я попросил добавить 5300 на сервисе бесплатном, а они сказали - давайте протокол - пропишем...

91

Teltonika FM5300

Re: Teltonika FM5300

Можно работать про протоколу 4200

http://euromobile.ru Официальный дистрибьютор Teltonika на территории РФ и СНГ
Skype: gamov.euroml
92

Teltonika FM5300

Re: Teltonika FM5300

Прибор переключить в 4200 или просто на сервере принимать как от 4200?

93

Teltonika FM5300

Re: Teltonika FM5300

5300 и 4200 работают по одному протоколу. На Про скопировали папку fm4200 -> fm5300 - и получили поддержку FM5300

С уважением, команда Overseer.
Киев, Черкассы, Винница.
http://overseer.ua
94

Teltonika FM5300

Re: Teltonika FM5300

Dmitriy wrote:

Как и обещал, мы перевели мануал на FM5300 на русский язык. Пишите письма smile

Будьте добры, monitoring@e-hs.ru

ООО "Е-хаус"
www.e-hs.ru
Московская область
95

Teltonika FM5300

Re: Teltonika FM5300

выслал

http://euromobile.ru Официальный дистрибьютор Teltonika на территории РФ и СНГ
Skype: gamov.euroml
96

Teltonika FM5300

Re: Teltonika FM5300

vnkorol@gmail.com пожалуста

97

Teltonika FM5300

Re: Teltonika FM5300

Столкнулись со следующей проблемой: Два прибора из одной партии Не стартуют, то есть не видят спутники. При подключении антенны GPS от прибора ST270 Ижевского радиозавода 5300 загорается как порох и начинает передавать точки на сервер. Кто то сталкивался с такой проблемой ?? Штатная антенна GPS должна работать ?

98

Teltonika FM5300

Re: Teltonika FM5300

NickMartin wrote:

При подключении антенны GPS от прибора ST270 Ижевского радиозавода 5300 загорается как порох и начинает передавать точки на сервер.

Можете уточнить что значит

NickMartin wrote:

загорается как порох и начинает передавать точки на сервер

????

99

Teltonika FM5300

Re: Teltonika FM5300

SibNaviCom wrote:
NickMartin wrote:

При подключении антенны GPS от прибора ST270 Ижевского радиозавода 5300 загорается как порох и начинает передавать точки на сервер.

Можете уточнить что значит

NickMartin wrote:

загорается как порох и начинает передавать точки на сервер

????

Начинает мигать индикатор Глонас (зелёная лампочка) и координаты приходят на сервер.

100

Teltonika FM5300

Re: Teltonika FM5300

интересное сравнение smile Извиняюсь за оффтоп. Другие антенны из других партий пробовали?

101

Teltonika FM5300

Re: Teltonika FM5300

У нас есть трекер производителя Ижевский радио-завод. Антенна Глонасс от данного трекера подходит по разъёму к Тельтонике 5300. При подключении антенны от ST270 (Ижевск) Тельтоника 5300 отлично работает, а со штатной антенной не "поджигается" - не стартует другими словами - не может найти спутники

Добавлено спустя   5 минут  37 секунд:

NickMartin wrote:
SibNaviCom wrote:
NickMartin wrote:

При подключении антенны GPS от прибора ST270 Ижевского радиозавода 5300 загорается как порох и начинает передавать точки на сервер.

Можете уточнить что значит

NickMartin wrote:

загорается как порох и начинает передавать точки на сервер

????

Начинает мигать индикатор Глонас (зелёная лампочка) и координаты приходят на сервер.

Будем просить поставщика об этой услуге - проверить Прибор с другими антеннами из других партий. Но сам факт что Тельтника работает от нештатой антенны находясь даже не на подокойнике нас поразил. "Подрывается" за 1,5 минуты и без перезагрузки. Это не реклама ИРЗ ))) Это факт !

102

Teltonika FM5300

Re: Teltonika FM5300

видимость хорошая?

103

Teltonika FM5300

Re: Teltonika FM5300

SibNaviCom wrote:

видимость хорошая?

Отличная видимость. Небо открыто с трёх сторон. НЕ работает со штатной антеной - Хоть плачь !!!

104

Teltonika FM5300

(edited by CnApTaK 11/02/2013 16:19:29)

Re: Teltonika FM5300

atc-mon wrote:

Кто нибудь сталкивался с такой ситуацией, что данный БТ после разряда всех АКБ не выходит из спячки (т.е. смотрим на БТ а диоды не маргают)?
Помогает лишь отключение разъема.

Аналогичная проблема. Написали в тех.поддержку. Ждем ответа. Очень неприятный баг.

Фирмварка FM53010007.e.CFW последняя или есть новее?
Поделитесь пожалуйста последней и конфигуратором к ней, а то FM53010007.e.CFW и 08-ой конфигуратор так глючат что уже сил нет.

105

Teltonika FM5300

Re: Teltonika FM5300

Приму в дар последнюю версию прошивки и конфигуратор для 5300.
kaprizov@ukr.net
Заранее спасибо.

106

Teltonika FM5300

Re: Teltonika FM5300

CnApTaK wrote:
atc-mon wrote:

Кто нибудь сталкивался с такой ситуацией, что данный БТ после разряда всех АКБ не выходит из спячки (т.е. смотрим на БТ а диоды не маргают)?
Помогает лишь отключение разъема.

Аналогичная проблема. Написали в тех.поддержку. Ждем ответа. Очень неприятный баг.

Фирмварка FM53010007.e.CFW последняя или есть новее?
Поделитесь пожалуйста последней и конфигуратором к ней, а то FM53010007.e.CFW и 08-ой конфигуратор так глючат что уже сил нет.

Добавлено спустя   1 минуту  14 секунд:

kaprizov wrote:

Приму в дар последнюю версию прошивки и конфигуратор для 5300.
kaprizov@ukr.net
Заранее спасибо.

107

Teltonika FM5300

Re: Teltonika FM5300

CnApTaK wrote:

Аналогичная проблема. Написали в тех.поддержку. Ждем ответа. Очень неприятный баг.

Фирмварка FM53010007.e.CFW последняя или есть новее?
Поделитесь пожалуйста последней и конфигуратором к ней, а то FM53010007.e.CFW и 08-ой конфигуратор так глючат что уже сил нет.

С прошивкой 1.1.2 такого вроде не замечалось, хотя были случаи полного разряда.

108

Teltonika FM5300

Re: Teltonika FM5300

5300 умеет частоту (Hz) контролировать? В документации ничего нет, если может, то нужна какая либо спец прошивка?

Миночкин Дмитрий
ООО "Балтавтоматика"
www.baltgps.ru
109

Teltonika FM5300

(edited by CnApTaK 13/02/2013 11:29:53)

Re: Teltonika FM5300

Bear_mur wrote:
CnApTaK wrote:

Аналогичная проблема. Написали в тех.поддержку. Ждем ответа. Очень неприятный баг.

Фирмварка FM53010007.e.CFW последняя или есть новее?
Поделитесь пожалуйста последней и конфигуратором к ней, а то FM53010007.e.CFW и 08-ой конфигуратор так глючат что уже сил нет.

С прошивкой 1.1.2 такого вроде не замечалось, хотя были случаи полного разряда.

а вообще такие случаи у вас встречались на более старых прошивках?
просто у нас такое встречается исключитиельно на авто клиента.. на столе эксперементами не удалось ни разу повторить проблему.
и тех. поддержка телтоники тоже ответила, что не смогли повторить ситуацию которую мы описали.

110

Teltonika FM5300

Re: Teltonika FM5300

daemon wrote:

5300 умеет частоту (Hz) контролировать? В документации ничего нет, если может, то нужна какая либо спец прошивка?

Ребят, подскажите, очень надо, Телтоника умеет частоту измерять? Как вариант - можно ли частотный ДУТ к FM5300 подключить?

Миночкин Дмитрий
ООО "Балтавтоматика"
www.baltgps.ru
111

Teltonika FM5300

Re: Teltonika FM5300

daemon
У меня аналогичный вопрос по FM1100

Avtonavix
Russia, Novosibirsk
avtonavix.ru
112

Teltonika FM5300

Re: Teltonika FM5300

к 1100 и 5300 подключали 20310 по напряжению, вход до 30v, работают нормально.

Евгений Максимов
+79169944009
www.geosmt.ru
www.en.geoservice24.ru
113

Teltonika FM5300

Re: Teltonika FM5300

geolead-msk wrote:

к 1100 и 5300 подключали 20310 по напряжению, вход до 30v, работают нормально.

по напряжению понятно, речь именно про частоту, Hz (Гц) которая.

Миночкин Дмитрий
ООО "Балтавтоматика"
www.baltgps.ru
114

Teltonika FM5300

Re: Teltonika FM5300

daemon wrote:
geolead-msk wrote:

к 1100 и 5300 подключали 20310 по напряжению, вход до 30v, работают нормально.

по напряжению понятно, речь именно про частоту, Hz (Гц) которая.

Телтоника не считает чистоту, только аналог или цифровик.

Wialon Host  - 120 руб за объект в месяц (WH + сим-карта без абон. платы + 50 мБ + 90 коп/смс)
115

Teltonika FM5300

Re: Teltonika FM5300

Vadim3105 wrote:

Телтоника не считает чистоту, только аналог или цифровик.

спасибо за ответ!

Миночкин Дмитрий
ООО "Балтавтоматика"
www.baltgps.ru
116

Teltonika FM5300

(edited by lightsaber 15/02/2013 10:52:19)

Re: Teltonika FM5300

daemon wrote:

Ребят, подскажите, очень надо, Телтоника умеет частоту измерять? Как вариант - можно ли частотный ДУТ к FM5300 подключить?

Конкретно частоту ни один прибор из линейки FMХХХХ мерить не умеет. Можно только посчитать количество импульсов за определенный заранее известный период. Но только если датчик выдает частоту не белее 200Гц и амплитуда сигналов не менее 1.5В.

З.Ы. Псоледняя прошивка для 5300: FM53010204. Конфигуратор для нее: 1.1.2.4

117

Teltonika FM5300

Re: Teltonika FM5300

lightsaber wrote:

Конкретно частоту ни один прибор из линейки FMХХХХ мерить не умеет. Можно только посчитать количество импульсов за определенный заранее известный период. Но только если датчик выдает частоту не белее 200Гц и амплитуда сигналов не менее 1.5В.

Подсчет количества импульсов не позволяет контролировать обороты двигателя, при привязки ко времени требуется или отправка сообщений через определенный промежуток времени (но тогда трек некорректный, со срезами), в противном случае отсылка происходит неравномерно, из-за чего обороты так же контролируются неверно.

Миночкин Дмитрий
ООО "Балтавтоматика"
www.baltgps.ru
118

Teltonika FM5300

Re: Teltonika FM5300

daemon wrote:

отправка сообщений через определенный промежуток времени (но тогда трек некорректный, со срезами), в противном случае отсылка происходит неравномерно,

Отправка сообщений, если ни один параметр не имеет приоритет отправки Hi, идет по send period. Запись точкек по углу (красивый трек) никак не связана с периодом отправки.

119

Teltonika FM5300

Re: Teltonika FM5300

lightsaber wrote:

Отправка сообщений, если ни один параметр не имеет приоритет отправки Hi, идет по send period. Запись точкек по углу (красивый трек) никак не связана с периодом отправки.

Ошибся. Не "отправка сообщений" а "фиксация сообщений (точек)".
В тоге получем точки (допустим) через 1 сек, 10 сек, 5 сек, 8 сек, и так далее, у каждой датчик зафиксировал определенное количество импульсов.  Теоретически, на сервере можно поделить количество импульсы на время, и посчитать количество импульсов в секунду, но, из-за малого количества импульсов, будет достаточно высокая погрешность.

Миночкин Дмитрий
ООО "Балтавтоматика"
www.baltgps.ru
120

Teltonika FM5300

Re: Teltonika FM5300

CnApTaK wrote:
Bear_mur wrote:
CnApTaK wrote:

Аналогичная проблема. Написали в тех.поддержку. Ждем ответа. Очень неприятный баг.

Фирмварка FM53010007.e.CFW последняя или есть новее?
Поделитесь пожалуйста последней и конфигуратором к ней, а то FM53010007.e.CFW и 08-ой конфигуратор так глючат что уже сил нет.

С прошивкой 1.1.2 такого вроде не замечалось, хотя были случаи полного разряда.

а вообще такие случаи у вас встречались на более старых прошивках?
просто у нас такое встречается исключитиельно на авто клиента.. на столе эксперементами не удалось ни разу повторить проблему.
и тех. поддержка телтоники тоже ответила, что не смогли повторить ситуацию которую мы описали.

А вот и вылезла такая же ситуация. Сглазил, блин. Сразу две на двух авто, с прошивкой 1.1.2
Буду менять на свежую, может уйдет баг. Также пока исправить не удалось.

121

Teltonika FM5300

Re: Teltonika FM5300

daemon wrote:

Теоретически, на сервере можно поделить количество импульсы на время, и посчитать количество импульсов в секунду, но, из-за малого количества импульсов, будет достаточно высокая погрешность.

Бесспорно. Именно так все и будет

122

Teltonika FM5300

Re: Teltonika FM5300

lightsaber wrote:

Бесспорно. Именно так все и будет

И мы плавно возвращаемся к тому, что требуется именно контроль частоты. Но в Телтонике его нет smile
Таким образом ждем модель FM5500 где производители, возможно, устранят это досадное недоразумение (пометка для производителей: - если рассчитывают на закупки smile)

Миночкин Дмитрий
ООО "Балтавтоматика"
www.baltgps.ru
123

Teltonika FM5300

Re: Teltonika FM5300

Было установлено 14 приборов fm5300 c сим картами мегафон (все они на одном лицевом счете), прошивка FM53010204, конфигурация на всех приборах одинаковая. Все приборы вышли на связь. Спустя сутки пропали со связи, кроме двух приборов, установлены на одинаковые маршрутные такси(ездят по одному маршруту). Симки прозванивались на них были деньги. Во время сервисного выезда проверены настройки симки, все в порядке. Вывести на связь 12 приборов удалось отправкой нескольких подряд смс delete_all_sms. Спустя 3 дня приборы опять пропали со связи.

124

Teltonika FM5300

Re: Teltonika FM5300

у нас была подобная проблема. Сначала блоки сильно флудили, но потом после отключения всех лишних датчиков вроде все стало работать норм. Изначально использовали симки мтс, все работало более менее (блоки пропадали со связи на час-два в местах где другие машины на связи с тем же мтс). Потом машины у клиента стали ездить в места где мтс нет, мы поменяли симки на мегафон, и тут началось!!!! тоже самое!!! деньги есть, настройки правильные. но 90% блоков не выходят, хотя все настроены по одному шаблону.
Оказалась проблема в симках. Вытащили, вставляем в телефон а они не могут зарегистрироваться в сети. Техподдержка мегафона сказала что иногда у них сгораю симки и это в порядке вещей. Теперь с мегафоном не работаем. Поменяли обратно на мтс и все блоки на связи. К тому же мегафон постоянно подключал нам на симки медийные услуги, и абонентская плата пару раз доходила до 700 рублей за машину.

http://glonass-center.net/
ГЛОНАСС ЦЕНТР г. Барнаул.
125

Teltonika FM5300

Re: Teltonika FM5300

АХТУНГ!

Начали активно устанавливать FM5300 и сразу пошли проблемы по DAF с подключением к бортовому компьютеру автомобиля. Сбой работы компьютера, сбой работы тахографа.
Сталкивался кто нибудь с данной проблемой?
Подскажите места подключения к CAN шине.
Подозрение на:
1) помехи в компьютере при физическом подключении к шине CAN
2) наводки glonass, gps антенн на кабель или какие либо электронные блоки автомобиля

Миночкин Дмитрий
ООО "Балтавтоматика"
www.baltgps.ru
126

Teltonika FM5300

Re: Teltonika FM5300

К бортовому компьютеру DAF подключали и много, но FM4200. До FM5300 дело не дошло. На ФТП Гуртама должно быть место подключения по CAN, но наверное тут в чем то другом дело.

Семь лет мак не родился и голода не знали!
С уважением
Игорь
127

Teltonika FM5300

Re: Teltonika FM5300

daemon wrote:

АХТУНГ!

Начали активно устанавливать FM5300 и сразу пошли проблемы по DAF с подключением к бортовому компьютеру автомобиля. Сбой работы компьютера, сбой работы тахографа.
Сталкивался кто нибудь с данной проблемой?
Подскажите места подключения к CAN шине.
Подозрение на:
1) помехи в компьютере при физическом подключении к шине CAN
2) наводки glonass, gps антенн на кабель или какие либо электронные блоки автомобиля

Если подключаетесь напрямую к CAN в режиме прослушки, советую ставить резисторы последовательно 2к2...

Eduard Vald / GoGPS Service
www.gogps.eu
eduard.vald@gogps.eu
128

Teltonika FM5300

Re: Teltonika FM5300

Кто знает как решить проблему не выхода на связь прибора после блокировки сим карты из-за отрицательного балланса?

Евгений Максимов
+79169944009
www.geosmt.ru
www.en.geoservice24.ru
129

Teltonika FM5300

Re: Teltonika FM5300

geolead-msk если то о чем я думаю, то через несколько часов блок должен сам перезагрузится или отправить ему cpureset. А так вообще наш оператор изменил настройки, и gprs появляется сразу после оплаты. Возможно я чего то не знаю, и на 5300 есть мне неизвестная ошибка, но на 4200 проблема была именно из-за оператора, которому нужно делать перезапуск симкарты что бы появился гпрс

Добавлено спустя   1 минуту  18 секунд:

GoGPS wrote:

Если подключаетесь напрямую к CAN в режиме прослушки, советую ставить резисторы последовательно 2к2...

Купил CAN кликов полсотни smile Цена вопроса 1 тысяча рублей, накинем ее клиентам, раз такие машины нежные покупают.

Миночкин Дмитрий
ООО "Балтавтоматика"
www.baltgps.ru
130

Teltonika FM5300

Re: Teltonika FM5300

Прибор - Code Ver:00.05.15 Device IMEI:ЗАТЁР Device ID:000007 Bootloader Ver:05.16 Modem APP Ver:TM11Q_R_01.03.03.03_002 Hw:Int Bat + FASTRAX + MMA7455

Подскажите, где номер прошивки и последняя ли это? Проявляется ряд досадных глюков sad

131

Teltonika FM5300

Re: Teltonika FM5300

lightsaber wrote:

...З.Ы. Псоледняя прошивка для 5300: FM53010204. Конфигуратор для нее: 1.1.2.4

Пришлите их пожалуйста если есть. Достались трекеры с этой версией прошивки - конфигурировать нечем, а откатываться на более раннюю версию прошивки не очень хочется.

132

Teltonika FM5300

Re: Teltonika FM5300

Поделитесь пожалуйста скриптом для FM5300 на виалон про 1006r2. Заранее благодарен.

133

Teltonika FM5300

Re: Teltonika FM5300

ksz
Лучше в суппорт Гуртама обратиться с этой просьбой. Чтоб уж наверняка был тот скрипт, который нужен...

Eduard Vald / GoGPS Service
www.gogps.eu
eduard.vald@gogps.eu
134

Teltonika FM5300

Re: Teltonika FM5300

daemon wrote:

geolead-msk если то о чем я думаю, то через несколько часов блок должен сам перезагрузится или отправить ему cpureset.

Дима спасибо, помогло

Евгений Максимов
+79169944009
www.geosmt.ru
www.en.geoservice24.ru
135

Teltonika FM5300

Re: Teltonika FM5300

daemon wrote:

Купил CAN кликов полсотни smile Цена вопроса 1 тысяча рублей, накинем ее клиентам, раз такие машины нежные покупают.

поделитесь инфой в личку пож-ста..

136

Teltonika FM5300

(edited by GoGPS 24/02/2013 23:11:30)

Re: Teltonika FM5300

alex_gps
Сашь, пиши мыло что интересует. Дам расклад.

Eduard Vald / GoGPS Service
www.gogps.eu
eduard.vald@gogps.eu
137

Teltonika FM5300

Re: Teltonika FM5300

Всем у кого были проблемы с 5300: Слетают настройки, не выходит на связь, теряет спутники.
Телтоника выпустила исправленную прошивку FM53010208. Конфигуратор для нее 1.1.2.11

138

Teltonika FM5300

Re: Teltonika FM5300

lightsaber wrote:

Всем у кого были проблемы с 5300: Слетают настройки, не выходит на связь, теряет спутники.
Телтоника выпустила исправленную прошивку FM53010208. Конфигуратор для нее 1.1.2.11

Подскажите, где брать прошивку и конфигуратор?

139

Teltonika FM5300

Re: Teltonika FM5300

ural
Пишите нам, всё вышлем.

http://euromobile.ru Официальный дистрибьютор Teltonika на территории РФ и СНГ
Skype: gamov.euroml
140

Teltonika FM5300

Re: Teltonika FM5300

Dmitriy wrote:

ural
Пишите нам, всё вышлем.

Если не сложно, на vnkorol@gmail.com

141

Teltonika FM5300

Re: Teltonika FM5300

Dmitriy wrote:

ural
Пишите нам, всё вышлем.

Тоже, если не сложно, на dimaperm@mail.ru

142

Teltonika FM5300

Re: Teltonika FM5300

Лежит все тут

Семь лет мак не родился и голода не знали!
С уважением
Игорь
143

Teltonika FM5300

Re: Teltonika FM5300

BlackJet wrote:

Лежит все тут

Там же только конфигуратор, а прошивки нет...

144

Teltonika FM5300

Re: Teltonika FM5300

Вышел обновленный мануал, V2.6, в которой исправены некоторые ошибки.

http://euromobile.ru Официальный дистрибьютор Teltonika на территории РФ и СНГ
Skype: gamov.euroml
145

Teltonika FM5300

Re: Teltonika FM5300

Зафиксировали сбой на 3х компьютерных машинах, при подключении FM5300. На 2х ДАФ и 1 Вольво.
Подскажите, кто уже подключал к компьютерным машинами ФМ5300 (CAN шина), наблюдался ли сбой: ошибки по тахографу, ошибки бортового компьютера, неправильная работа бортового оборудования автомобиля?

Миночкин Дмитрий
ООО "Балтавтоматика"
www.baltgps.ru
146

Teltonika FM5300

Re: Teltonika FM5300

daemon wrote:

Зафиксировали сбой на 3х компьютерных машинах, при подключении FM5300. На 2х ДАФ и 1 Вольво.
Подскажите, кто уже подключал к компьютерным машинами ФМ5300 (CAN шина), наблюдался ли сбой: ошибки по тахографу, ошибки бортового компьютера, неправильная работа бортового оборудования автомобиля?

Дмитрий, насколько я знаю, FM работает в Slave, т.е. сам ничего не отдает. Смотрите физическое подключение, может быть, не хватает терминального сопротивления, что влияет на систему в целом.

Счастье - это чувство перспективы. (с) Ю. Сенкевич
147

Teltonika FM5300

Re: Teltonika FM5300

radioservis wrote:

Дмитрий, насколько я знаю, FM работает в Slave, т.е. сам ничего не отдает. Смотрите физическое подключение, может быть, не хватает терминального сопротивления, что влияет на систему в целом.

Да я тоже был уверен, что телтоника ничего не посылает в шину, для 4200 это и было характерно, учитывая что без особых проблем установили на несколько сотен компьютерных машин.
Собственно в теории все примерно понятно, интересует проактические установки, потому что у нас на 6 установленных машин - 3 серьезных сбоя.

Добавлено спустя   2 минуты  3 секунды:
Соответственно буду признателен за конкретную информацию типа:
Поставили на Х машин, сбоев не было.
или
поставили на Х машин, было Y сбоев.
(при условии подключения блока к КАН шине, без использования каких либо КАН кликов)

Добавлено спустя   4 минуты  6 секунд:

radioservis wrote:

Смотрите физическое подключение,

больше всего подозрения на саму ФМ5300 телтонику, т.к. до этого на сотни машин успешно установлена 4200, а как только начали ставить 5300 сразу посыпались ошибки

Миночкин Дмитрий
ООО "Балтавтоматика"
www.baltgps.ru
148

Teltonika FM5300

Re: Teltonika FM5300

daemon wrote:
radioservis wrote:

Смотрите физическое подключение,

больше всего подозрения на саму ФМ5300 телтонику, т.к. до этого на сотни машин успешно установлена 4200, а как только начали ставить 5300 сразу посыпались ошибки

Попробуйте, ничего не меняя в подключении, переставить на машину 4200-й. Если проблема исчезнет, то скорее всего дело в конструктиве FM5300...

Счастье - это чувство перспективы. (с) Ю. Сенкевич
149

Teltonika FM5300

(edited by daemon 05/03/2013 11:03:04)

Re: Teltonika FM5300

radioservis wrote:

Попробуйте, ничего не меняя в подключении, переставить на машину 4200-й. Если проблема исчезнет, то скорее всего дело в конструктиве FM5300...

Такие игры на сегодняшний день уже неприемлимы. Т.к. сбой может через некоторое время появится. Опасаясь за репутацию (нас рекомендуют, а мы получается не справляемся, т.к. клиентам не нужны объяснения, им нужен нормальный сервис) поэтому вообще перестали ставить 5300 на fms машины.

По совету поставить 4200 фактически так и сделали на проблемных машинах, но в подлючением (на всякий случай) КАН кликов. Итого сегодня проблема с 5300 на 90% потверждена, но остается 10%, а снова проводить опыты желания нет.

Сейчас я лишь хочу выяснить ставили ли уже коллеги 5300 на fms машины если ставили то были ли подобные проблемы.
Неужели никто еще не устанавливал?!

Миночкин Дмитрий
ООО "Балтавтоматика"
www.baltgps.ru
150

Teltonika FM5300

Re: Teltonika FM5300

да уж, с 5300 походу не только у нас проблемы smile тоже откатились к 4200

151

Teltonika FM5300

Re: Teltonika FM5300

У нас на Актросе 2011 года возникли те же проблемы. При подключении СAN-crocodile 5300 Кан не видит. CAN в машине активирован...

http://euromobile.ru Официальный дистрибьютор Teltonika на территории РФ и СНГ
Skype: gamov.euroml
152

Teltonika FM5300

Re: Teltonika FM5300

На MAN TGA ничего не получилось. Ставили 5300 и СAN-crocodile. Будем пробовать 4200.

153

Teltonika FM5300

Re: Teltonika FM5300

Здравствуйте!
Мы рады Вам сообщить, что в результате полученной обратной связи и нашей совместной работы с заводом Teltonika решены проблемы с прошивкой Teltonika FM 5300.
Производителем выпущена новая прошивка, в которую они зашили внутрь конфигурацию МТС и Wialon.
Пароль – 123

А также наша компания предлагает приобрести трекеры:
Teltonika FM5300 по супер цене – 3 750 рублей!
Teltonika FM4200 по цене – 4 200 рублей!
Teltonika FM1100 по цене – 2 700 рублей!
Приборы в наличии на складе в Москве.
В стоимость входит полный комплект антенн и проводов!
Цена с НДС!
Гарантия от производителя!

Добавлено спустя    25 секунд:
вот такое вот письмо пришло, но что то чехарда не нравится

154

Teltonika FM5300

Re: Teltonika FM5300

Да, мне тоже сегодня такое пришло. А что не нравится? Телтоника открыла еще одного представителя в РФ (Москве). Какая чехорда не нравится?

155

Teltonika FM5300

Re: Teltonika FM5300

SibNaviCom
Мне вот это не нравится

Partyзан wrote:

Производителем выпущена новая прошивка, в которую они зашили внутрь конфигурацию МТС и Wialon.

)))

156

Teltonika FM5300

Re: Teltonika FM5300

Ну а что - сократили возможность - уменьшили стоимость. Не более того:)

157

Teltonika FM5300

(edited by keeper 06/03/2013 15:40:35)

Re: Teltonika FM5300

Главное, чтобы не появилось других, не задокументированных, возможностей.))

158

Teltonika FM5300

Re: Teltonika FM5300

например???

159

Teltonika FM5300

Re: Teltonika FM5300

Тоже было такое письмо, но что-то не увидел "Производителем выпущена новая прошивка, в которую они зашили внутрь конфигурацию МТС и Wialon."

Семь лет мак не родился и голода не знали!
С уважением
Игорь
160

Teltonika FM5300

Re: Teltonika FM5300

Коллеги, все совсем не так, как вы пишите). Не буду тут разводить очередную тему-спор (их и так хватает smile ), если кому-то интересно откуда это всё, звоните, расскажу.

http://euromobile.ru Официальный дистрибьютор Teltonika на территории РФ и СНГ
Skype: gamov.euroml
161

Teltonika FM5300

Re: Teltonika FM5300

ну в общих чертах расскажите, хоть в ЛС даже

162

Teltonika FM5300

Re: Teltonika FM5300

Пришлите пожалуйста конфиг для 5300, а то то ли я не разобрался с настройками в профилях, то ли хз че.. Ситуация такая - трекер какое то время работает, а через день-два (я подозреваю что после долгого отсутствия питания) не выходят на связь через GRPS, хотя до них дозваниваешься. Я думал может профили не так настроил - я в них отключил переключение по событиям, и 1 и 3 профиль настроил одинаково, на своего оператора  - код оператора 25001 вбил в оба профиля.Прошивка стоит 5.16 Мой email kkanalja@gmail.com

163

Teltonika FM5300

Re: Teltonika FM5300

daemon wrote:

Зафиксировали сбой на 3х компьютерных машинах, при подключении FM5300. На 2х ДАФ и 1 Вольво.
Подскажите, кто уже подключал к компьютерным машинами ФМ5300 (CAN шина), наблюдался ли сбой: ошибки по тахографу, ошибки бортового компьютера, неправильная работа бортового оборудования автомобиля?

ХЗ, у нас молотит 5300 нормально. Крокодилом зацепились?

Добавлено спустя   1 минуту  14 секунд:

Kanalja wrote:

Пришлите пожалуйста конфиг для 5300, а то то ли я не разобрался с настройками в профилях, то ли хз че.. Ситуация такая - трекер какое то время работает, а через день-два (я подозреваю что после долгого отсутствия питания) не выходят на связь через GRPS, хотя до них дозваниваешься. Я думал может профили не так настроил - я в них отключил переключение по событиям, и 1 и 3 профиль настроил одинаково, на своего оператора  - код оператора 25001 вбил в оба профиля.Прошивка стоит 5.16 Мой email kkanalja@gmail.com

в глобальных настройках настроен только на ГПС? Если по-другому, не работает толком, ну и похожие синдромы могут быть. Профили все 4 настроены?

Добавлено спустя   3 минуты  38 секунд:
Внимание вопрос: у меня 5300, в основном, за сутки отправляют примерно 3-4 тысячи сообщений, есть одна (установлена, правда на китайце шаурман), так вот она отправляет от 22000 до 34000 сообщений в сутки. Проигрыватель треков в шоке, как и я сам. В чем может быть дело, я так понимаю, надо на IO смотреть, гуру, подскажите))))

вы тут немного подварите, а я дома проволокой намертво примотаю
+79634551777
164

Teltonika FM5300

Re: Teltonika FM5300

Bear_mur wrote:

На MAN TGA ничего не получилось. Ставили 5300 и СAN-crocodile. Будем пробовать 4200.

CAN FMS адаптер, по-моему, на мане должен быть. Или без него встает тоже?

вы тут немного подварите, а я дома проволокой намертво примотаю
+79634551777
165

Teltonika FM5300

(edited by mykola 08/03/2013 01:37:08)

Re: Teltonika FM5300

Есть куда мануал отправить, а лучше выложить
Teltonika FM5300
KSM module (unique part ID 81.25816.7005).
Teltonika FM5300

вы тут немного подварите, а я дома проволокой намертво примотаю
+79634551777
166

Teltonika FM5300

Re: Teltonika FM5300

Kanalja
отправил

вы тут немного подварите, а я дома проволокой намертво примотаю
+79634551777
167

Teltonika FM5300

Re: Teltonika FM5300

Dmitriy wrote:

У нас на Актросе 2011 года возникли те же проблемы. При подключении СAN-crocodile 5300 Кан не видит. CAN в машине активирован...

Mercedes Benz Actros 1 VIN начинается на 950### - 954### требуется  PSM модуль.
Mercedes Benz Actros 2 VIN начинается на 930### - 934### не поддерживает дополнительное оборудование
может это?)

вы тут немного подварите, а я дома проволокой намертво примотаю
+79634551777
168

Teltonika FM5300

Re: Teltonika FM5300

mykola
В глобальных только GPS, все 4 профиля заполнены. Последняя прошивка. Прибор выходит на связь когда хочет, сливает точки (далеко не все поездки) и опять не в сети. Индикаторы мигают как надо, но симка "не в сети", на нее не дозвонишься. Хотя в программе конфигурации sim ok.

Прибор вышел из строя? Или есть шансы?

169

Teltonika FM5300

Re: Teltonika FM5300

ural wrote:

mykola
В глобальных только GPS, все 4 профиля заполнены. Последняя прошивка. Прибор выходит на связь когда хочет, сливает точки (далеко не все поездки) и опять не в сети. Индикаторы мигают как надо, но симка "не в сети", на нее не дозвонишься. Хотя в программе конфигурации sim ok.

Прибор вышел из строя? Или есть шансы?

давай свою прошивку скину, проверишь

вы тут немного подварите, а я дома проволокой намертво примотаю
+79634551777
170

Teltonika FM5300

(edited by ural 08/03/2013 15:23:46)

Re: Teltonika FM5300

mykola wrote:
ural wrote:

mykola
В глобальных только GPS, все 4 профиля заполнены. Последняя прошивка. Прибор выходит на связь когда хочет, сливает точки (далеко не все поездки) и опять не в сети. Индикаторы мигают как надо, но симка "не в сети", на нее не дозвонишься. Хотя в программе конфигурации sim ok.

Прибор вышел из строя? Или есть шансы?

давай свою прошивку скину, проверишь

Если не сложно - vnkorol@gmail.com
Если будешь высылать с exe файлами, то надо в архив парольный с шифрованием имен, а то гугл не пропустит sad

или можно на rn4abg@mail.ru

171

Teltonika FM5300

Re: Teltonika FM5300

ural wrote:

Если будешь высылать с exe файлами, то надо в архив парольный с шифрованием имен, а то гугл не пропустит sad
или можно на rn4abg@mail.ru

Не обязательно паролить. Можно просто менять расширение файла. Вроде так проходит.

KazInterSoft - www.soft.kz
172

Teltonika FM5300

Re: Teltonika FM5300

напомню про себя smile

173

Teltonika FM5300

Re: Teltonika FM5300

ural
отправил

вы тут немного подварите, а я дома проволокой намертво примотаю
+79634551777
174

Teltonika FM5300

Re: Teltonika FM5300

mykola
Не подошли настройки к моей прошивке sad

175

Teltonika FM5300

Re: Teltonika FM5300

прошивку отправил

вы тут немного подварите, а я дома проволокой намертво примотаю
+79634551777
176

Teltonika FM5300

(edited by ural 11/03/2013 19:13:16)

Re: Teltonika FM5300

Большое спасибо! завтра сутра зашью и проверю.

177

Teltonika FM5300

Re: Teltonika FM5300

Влил прошивку, влил настройки - симка так и не в сети sad

178

Teltonika FM5300

Re: Teltonika FM5300

2013-03-12 14:25:53,584 [1] INFO  Main - Starting: FM5XXX Configurator, Version: 0.1.0.8
2013-03-12 14:25:53,784 [1] DEBUG FM5XXXConfigurator.MainForm - Creating MainForm.
2013-03-12 14:25:54,355 [1] INFO  Protocol.SerialPort - Creating GpsSerialPort.
2013-03-12 14:25:54,395 [1] INFO  Protocol.SerialPort - GpsSerialPort created.
2013-03-12 14:25:55,237 [1] DEBUG FM5XXXConfigurator.MainForm - MainForm created.
2013-03-12 14:25:55,757 [1] DEBUG FM5XXXConfigurator.MainForm - Default profile loaded
2013-03-12 14:25:59,864 [5] DEBUG Protocol.SerialPort - Setting portname COM4
2013-03-12 14:25:59,889 [5] DEBUG Protocol.SerialPort - -->:.id

2013-03-12 14:25:59,892 [5] DEBUG Protocol.SerialPort - ***** WAITING FOR PING RESPONSE *****
2013-03-12 14:26:00,005 [5] DEBUG Protocol.SerialPort - ***** TryPingResponse() _buffer=ID:000007

2013-03-12 14:26:00,005 [5] DEBUG Protocol.SerialPort - ***** TryPingResponse() ping=True, processedTime.TotalMilliseconds=113.0065 *****
2013-03-12 14:26:00,006 [5] INFO  Protocol.SerialPort - Valid response from COM4
2013-03-12 14:26:00,007 [5] DEBUG Protocol.SerialPort - -->::CFG_Connect:

2013-03-12 14:26:00,187 [5] DEBUG Protocol.SerialPort - Setting portname COM4
2013-03-12 14:26:00,235 [8] DEBUG Protocol.SerialPort - -->:.id

2013-03-12 14:26:00,235 [8] DEBUG Protocol.SerialPort - ***** WAITING FOR PING RESPONSE *****
2013-03-12 14:26:00,335 [8] DEBUG Protocol.SerialPort - ***** TryPingResponse() _buffer=ID:000007

2013-03-12 14:26:00,335 [8] DEBUG Protocol.SerialPort - ***** TryPingResponse() ping=True, processedTime.TotalMilliseconds=100.0058 *****
2013-03-12 14:26:00,335 [8] INFO  Protocol.SerialPort - Valid response from COM4
2013-03-12 14:26:00,335 [8] DEBUG Protocol.SerialPort - -->::CFG_Connect:

2013-03-12 14:26:00,469 [8] DEBUG Protocol.SerialPort - -->:.get_hw

2013-03-12 14:26:03,197 [1] DEBUG Protocol.SerialPort - -->::simpin_stt:

2013-03-12 14:26:03,199 [1] DEBUG Protocol.SerialPort - -->:S:TSens_conect

2013-03-12 14:26:07,205 [1] DEBUG Protocol.SerialPort - -->::simpin_stt:

2013-03-12 14:26:07,206 [1] DEBUG Protocol.SerialPort - -->:S:TSens_conect

2013-03-12 14:26:11,216 [1] DEBUG Protocol.SerialPort - -->::simpin_stt:

2013-03-12 14:26:11,217 [1] DEBUG Protocol.SerialPort - -->:S:TSens_conect

2013-03-12 14:26:15,223 [1] DEBUG Protocol.SerialPort - -->::simpin_stt:

2013-03-12 14:26:15,224 [1] DEBUG Protocol.SerialPort - -->:S:TSens_conect

2013-03-12 14:26:19,232 [1] DEBUG Protocol.SerialPort - -->::simpin_stt:

2013-03-12 14:26:19,233 [1] DEBUG Protocol.SerialPort - -->:S:TSens_conect

2013-03-12 14:26:23,245 [1] DEBUG Protocol.SerialPort - -->::simpin_stt:

2013-03-12 14:26:23,247 [1] DEBUG Protocol.SerialPort - -->:S:TSens_conect

2013-03-12 14:26:27,253 [1] DEBUG Protocol.SerialPort - -->::simpin_stt:

2013-03-12 14:26:27,254 [1] DEBUG Protocol.SerialPort - -->:S:TSens_conect

2013-03-12 14:26:31,265 [1] DEBUG Protocol.SerialPort - -->::simpin_stt:

2013-03-12 14:26:31,266 [1] DEBUG Protocol.SerialPort - -->:S:TSens_conect

2013-03-12 14:26:35,270 [1] DEBUG Protocol.SerialPort - -->::simpin_stt:

2013-03-12 14:26:35,271 [1] DEBUG Protocol.SerialPort - -->:S:TSens_conect

2013-03-12 14:26:39,280 [1] DEBUG Protocol.SerialPort - -->::simpin_stt:

2013-03-12 14:26:39,281 [1] DEBUG Protocol.SerialPort - -->:S:TSens_conect

2013-03-12 14:26:43,292 [1] DEBUG Protocol.SerialPort - -->::simpin_stt:

2013-03-12 14:26:43,293 [1] DEBUG Protocol.SerialPort - -->:S:TSens_conect

2013-03-12 14:26:47,301 [1] DEBUG Protocol.SerialPort - -->::simpin_stt:

2013-03-12 14:26:47,302 [1] DEBUG Protocol.SerialPort - -->:S:TSens_conect

2013-03-12 14:26:51,307 [1] DEBUG Protocol.SerialPort - -->::simpin_stt:

2013-03-12 14:26:51,308 [1] DEBUG Protocol.SerialPort - -->:S:TSens_conect

2013-03-12 14:26:55,316 [1] DEBUG Protocol.SerialPort - -->::simpin_stt:

2013-03-12 14:26:55,317 [1] DEBUG Protocol.SerialPort - -->:S:TSens_conect

2013-03-12 14:26:59,326 [1] DEBUG Protocol.SerialPort - -->::simpin_stt:

2013-03-12 14:26:59,327 [1] DEBUG Protocol.SerialPort - -->:S:TSens_conect

2013-03-12 14:27:03,337 [1] DEBUG Protocol.SerialPort - -->::simpin_stt:

2013-03-12 14:27:03,338 [1] DEBUG Protocol.SerialPort - -->:S:TSens_conect

2013-03-12 14:27:07,344 [1] DEBUG Protocol.SerialPort - -->::simpin_stt:

2013-03-12 14:27:07,345 [1] DEBUG Protocol.SerialPort - -->:S:TSens_conect

2013-03-12 14:27:11,355 [1] DEBUG Protocol.SerialPort - -->::simpin_stt:

2013-03-12 14:27:11,356 [1] DEBUG Protocol.SerialPort - -->:S:TSens_conect

2013-03-12 14:27:15,360 [1] DEBUG Protocol.SerialPort - -->::simpin_stt:

2013-03-12 14:27:15,361 [1] DEBUG Protocol.SerialPort - -->:S:TSens_conect

2013-03-12 14:27:19,375 [1] DEBUG Protocol.SerialPort - -->::simpin_stt:

2013-03-12 14:27:19,376 [1] DEBUG Protocol.SerialPort - -->:S:TSens_conect

2013-03-12 14:27:23,380 [1] DEBUG Protocol.SerialPort - -->::simpin_stt:

2013-03-12 14:27:23,381 [1] DEBUG Protocol.SerialPort - -->:S:TSens_conect

2013-03-12 14:27:27,392 [1] DEBUG Protocol.SerialPort - -->::simpin_stt:

2013-03-12 14:27:27,393 [1] DEBUG Protocol.SerialPort - -->:S:TSens_conect

2013-03-12 14:27:31,398 [1] DEBUG Protocol.SerialPort - -->::simpin_stt:

2013-03-12 14:27:31,399 [1] DEBUG Protocol.SerialPort - -->:S:TSens_conect

[Footer]
179

Teltonika FM5300

Re: Teltonika FM5300

Если кому интересно, причина обнаружена. Прибор не работает с симками мегафона. С билайном всё ок.

180

Teltonika FM5300

Re: Teltonika FM5300

pwr_int=8.409, hdop=0.5, pwr_ext=1.166, battery_charge=0, I/O=0/0 Не подскажет кто-нибудь чем вызвано то что напряжение внешнего аккумулятора в сообщении от FM5300 равно 1.166 ?  Фактическое нормальное напряжение в районе 13в.

Семь лет мак не родился и голода не знали!
С уважением
Игорь
181

Teltonika FM5300

Re: Teltonika FM5300

BlackJet wrote:

pwr_int=8.409, hdop=0.5, pwr_ext=1.166, battery_charge=0, I/O=0/0 Не подскажет кто-нибудь чем вызвано то что напряжение внешнего аккумулятора в сообщении от FM5300 равно 1.166 ?  Фактическое нормальное напряжение в районе 13в.

Если мне ни с кем не изменяет память, то:
pwr_ext - внешние напряжение
pwr_int - внутреннее напряжение

Похоже у вас трекер не запитан и работает в данный момент от АКБ.

С уважением, команда Overseer.
Киев, Черкассы, Винница.
http://overseer.ua
182

Teltonika FM5300

Re: Teltonika FM5300

Фактически он запитан, пробовал и от внешнего акб и и настольного блока питания. Похоже что то на плате, напряжение то есть, то нет.

Семь лет мак не родился и голода не знали!
С уважением
Игорь
183

Teltonika FM5300

Re: Teltonika FM5300

BlackJet wrote:

pwr_int=8.409, hdop=0.5, pwr_ext=1.166, battery_charge=0, I/O=0/0 Не подскажет кто-нибудь чем вызвано то что напряжение внешнего аккумулятора в сообщении от FM5300 равно 1.166 ?  Фактическое нормальное напряжение в районе 13в.

Была такая ситуация при монтаже на IVECO и Mercedes Sprinter. При выключенном зажигании pwr_ext в норме, а при включенном - меньше 2 В. Но это ошиблись при подключении.

184

Teltonika FM5300

Re: Teltonika FM5300

Bear_mur
Настольный блок питания таким не страдает smile

Семь лет мак не родился и голода не знали!
С уважением
Игорь
185

Teltonika FM5300

Re: Teltonika FM5300

Вышла новая прошивка 1.2.9
FM53_010209.REV.01.e.CFW

186

Teltonika FM5300

Re: Teltonika FM5300

lightsaber wrote:

Вышла новая прошивка 1.2.9
FM53_010209.REV.01.e.CFW

Можно узнать в чём её отличие от 1.2.8 ?

187

Teltonika FM5300

Re: Teltonika FM5300

Вопрос по смс-ке getstatus.
Пришёл ответ типа Data Link: 0 GPRS: 0 Phone: 0 SIM: 0...
В мануале написано: GPRS - Indicate if GPRS is available at the moment
Что означает 0? Есть гпрс или нет?

188

Teltonika FM5300

Re: Teltonika FM5300

Прошу скинуть на почту или ссылку на скачку. Очень нужна.

189

Teltonika FM5300

Re: Teltonika FM5300

CnApTaK wrote:

Вопрос по смс-ке getstatus.
Пришёл ответ типа Data Link: 0 GPRS: 0 Phone: 0 SIM: 0...
В мануале написано: GPRS - Indicate if GPRS is available at the moment
Что означает 0? Есть гпрс или нет?

7.1. getstatus
Детали ответа:
Data Link Текущее состояние соединения прибора: 0 – не подключен, 1 – подключен
GPRS Статус GPRS сигнала (0 – невозможен, 1 – возможен)
Phone Voice Call status: 0 – готов, 1 – невозможен, 2 – неизвестен, 3 –
набор номера, 4 – звонок, 5 – режим ожидания
SIM SIM Status: 0-готова, 1-pin, 2-puk, 3-pin2, 4-puk2
OP Подключен к GSM оператору: номер оператора
Bat Уровень зарядки батареи [0-5]
Signal GSM уровень сигнала [0-5]
Service GSM (0 – невозможен, 1 – возможен)
NewSMS Количество новых сообщений
Roaming 0 – в домашней сети, 1 – в роуминговых сетях
SMSFull Состояние памяти SMS ящика. 0 – ok, 1 – SMS память полна

190

Teltonika FM5300

Re: Teltonika FM5300

graf1608 wrote:
CnApTaK wrote:

Вопрос по смс-ке getstatus.
Пришёл ответ типа Data Link: 0 GPRS: 0 Phone: 0 SIM: 0...
В мануале написано: GPRS - Indicate if GPRS is available at the moment
Что означает 0? Есть гпрс или нет?

7.1. getstatus
Детали ответа:
Data Link Текущее состояние соединения прибора: 0 – не подключен, 1 – подключен
GPRS Статус GPRS сигнала (0 – невозможен, 1 – возможен)
Phone Voice Call status: 0 – готов, 1 – невозможен, 2 – неизвестен, 3 –
набор номера, 4 – звонок, 5 – режим ожидания
SIM SIM Status: 0-готова, 1-pin, 2-puk, 3-pin2, 4-puk2
OP Подключен к GSM оператору: номер оператора
Bat Уровень зарядки батареи [0-5]
Signal GSM уровень сигнала [0-5]
Service GSM (0 – невозможен, 1 – возможен)
NewSMS Количество новых сообщений
Roaming 0 – в домашней сети, 1 – в роуминговых сетях
SMSFull Состояние памяти SMS ящика. 0 – ok, 1 – SMS память полна

спасибо! у вас еть инструкция на русском? не могли бы поделиться?

191

Teltonika FM5300

Re: Teltonika FM5300

CnApTaK wrote:

спасибо! у вас еть инструкция на русском? не могли бы поделиться?

Рус: http://teltonika.org.ua/sites/default/f … .2_rus.pdf
Инглишь: http://teltonika.org.ua/sites/default/f … l_v2.6.pdf

За рус. версию спасибо Евромобайлу.

С уважением, команда Overseer.
Киев, Черкассы, Винница.
http://overseer.ua
192

Teltonika FM5300

Re: Teltonika FM5300

overseer wrote:
CnApTaK wrote:

спасибо! у вас еть инструкция на русском? не могли бы поделиться?

Рус: http://teltonika.org.ua/sites/default/f … .2_rus.pdf
Инглишь: http://teltonika.org.ua/sites/default/f … l_v2.6.pdf

За рус. версию спасибо Евромобайлу.

Евромобайл лидер на рынке Украины по переводам мануалов телтоники на русский язык smile

193

Teltonika FM5300

Re: Teltonika FM5300

Всем привет, скиньте последнюю прошивку для Teltonika FM5300 или ссылку на скачку на почту: vm@trivi.ru

Литвиненко Олег
ООО "ТРИВИ"
www.trivi.ru
194

Teltonika FM5300

(edited by overseer 29/03/2013 10:46:16)

Re: Teltonika FM5300

graf1608 wrote:

Евромобайл лидер на рынке Украины по переводам мануалов телтоники на русский язык

Переводит Питерский офис. С Украины Евромобайл здесь как-то и не светится...

С уважением, команда Overseer.
Киев, Черкассы, Винница.
http://overseer.ua
195

Teltonika FM5300

Re: Teltonika FM5300

overseer
Спасибо) Только не московский, а Питерский. Головной офис находится в Санкт-Петербурге wink

http://euromobile.ru Официальный дистрибьютор Teltonika на территории РФ и СНГ
Skype: gamov.euroml
196

Teltonika FM5300

Re: Teltonika FM5300

Dmitriy wrote:

Только не московский, а Питерский.

Пардоньте! Исправился!

С уважением, команда Overseer.
Киев, Черкассы, Винница.
http://overseer.ua
197

Teltonika FM5300

(edited by rebus 30/03/2013 23:39:33)

Re: Teltonika FM5300

Где можно купить этот прибор в России? что бы не кинули ? и цена что бы по дешевле было )))

198

Teltonika FM5300

Re: Teltonika FM5300

rebus wrote:

Где можно купить этот прибор ?

Страну для начала укажите...

С уважением, команда Overseer.
Киев, Черкассы, Винница.
http://overseer.ua
199

Teltonika FM5300

Re: Teltonika FM5300

overseer wrote:
rebus wrote:

Где можно купить этот прибор ?

Страну для начала укажите...

Россия

200

Teltonika FM5300

Re: Teltonika FM5300

rebus
Пишите нам. dg@euroml.ru

http://euromobile.ru Официальный дистрибьютор Teltonika на территории РФ и СНГ
Skype: gamov.euroml
201

Teltonika FM5300

Re: Teltonika FM5300

Сегодня 13:12:44 @ Какие тахографы выбрать, чтобы не отказываться от Wialon
cGuard
Производитель оборудования
Откуда: Russia, Ulyanovsk
45 сообщений с 26/03/2012
Рейтинг: -10
Профиль  E-mail  ЛС  Вебсайт
Re: Какие тахографы выбрать, чтобы не отказываться от Wialon

Телтоника 5300 не соответствует 285му приказу

Offline
А нам говорили что соответствует и готовится сертификат!
Что верно? Спасибо

202

Teltonika FM5300

Re: Teltonika FM5300

Sergey3456 wrote:

Сегодня 13:12:44 @ Какие тахографы выбрать, чтобы не отказываться от Wialon
cGuard
Производитель оборудования
Откуда: Russia, Ulyanovsk
45 сообщений с 26/03/2012
Рейтинг: -10
Профиль  E-mail  ЛС  Вебсайт
Re: Какие тахографы выбрать, чтобы не отказываться от Wialon

Телтоника 5300 не соответствует 285му приказу

Offline
А нам говорили что соответствует и готовится сертификат!
Что верно? Спасибо

Они же специально для этого приказа выпустили 5500. Там и напряжение высокие выдерживает устройство - один супрессор на 6kW чего стоит, и по портам все впорядке.

А Teltonika5300 не соответствует по 3-м параметрам:
- 16 000 записей (по информации с сайта производителя) а нужно 20 000 для опасников и 150 000 для пассажироперевозок
- Отсутствует обязательный 485й интерфейс
- И не выдерживает скачек в 600 В

А по поводу говорили - тут дофига производителей говорят, что их устройства соответствуют - лишь бы покупали. Один дистрибьютор и нас просил написать что мы соответствуем - не стали, репутация дороже.

ООО Сигард - производство навигационного оборудования
8 800 250 19 08
www.cguard.ru
203

Teltonika FM5300

(edited by firt 02/04/2013 21:49:06)

Re: Teltonika FM5300

cGuard wrote:

А Teltonika5300 не соответствует по 3-м параметрам:
- 16 000 записей (по информации с сайта производителя) а нужно 20 000 для опасников и 150 000 для пассажироперевозок
- Отсутствует обязательный 485й интерфейс
- И не выдерживает скачек в 600 В

А по поводу говорили - тут дофига производителей говорят, что их устройства соответствуют - лишь бы покупали. Один дистрибьютор и нас просил написать что мы соответствуем - не стали, репутация дороже.

А которые приборы все же реально  соответствуют ?!?

В особенности по пункту "скачок на 600В" ?!?

204

Teltonika FM5300

Re: Teltonika FM5300

firt wrote:
cGuard wrote:

А Teltonika5300 не соответствует по 3-м параметрам:
- 16 000 записей (по информации с сайта производителя) а нужно 20 000 для опасников и 150 000 для пассажироперевозок
- Отсутствует обязательный 485й интерфейс
- И не выдерживает скачек в 600 В

А по поводу говорили - тут дофига производителей говорят, что их устройства соответствуют - лишь бы покупали. Один дистрибьютор и нас просил написать что мы соответствуем - не стали, репутация дороже.

А которые приборы все же реально  соответствуют ?!?

В особенности по пункту "скачок на 600В" ?!?

Насколько я разбирался, нашёл только Galileo и представителей М2М. У последних прям на сайте такие штампы что якобы соответствует) Вчера разговаривал с директором РНИЦ по Кемеровской области, он просто дал список заводов, которые подтвердили соответствие приказу. Всего их оказалось 6 из 25, насколько я знаю.

205

Teltonika FM5300

Re: Teltonika FM5300

firt wrote:
cGuard wrote:

А Teltonika5300 не соответствует по 3-м параметрам:
- 16 000 записей (по информации с сайта производителя) а нужно 20 000 для опасников и 150 000 для пассажироперевозок
- Отсутствует обязательный 485й интерфейс
- И не выдерживает скачек в 600 В

А по поводу говорили - тут дофига производителей говорят, что их устройства соответствуют - лишь бы покупали. Один дистрибьютор и нас просил написать что мы соответствуем - не стали, репутация дороже.

А которые приборы все же реально  соответствуют ?!?

В особенности по пункту "скачок на 600В" ?!?

Teltonika 5500, например.

ООО Сигард - производство навигационного оборудования
8 800 250 19 08
www.cguard.ru
206

Teltonika FM5300

Re: Teltonika FM5300

cGuard wrote:

Teltonika 5500, например.

Странно, но на сайте о нем ни слова!
Да и представители Телтоники буквально месяц назад о нем ни слова не сказали!

Вообще - что-то столько Телтоник развелось - финны какие-то проявились - тоже якобы Телтоника..

207

Teltonika FM5300

(edited by firt 03/04/2013 10:34:02)

Re: Teltonika FM5300

SSM-K wrote:

Насколько я разбирался, нашёл только Galileo и представителей М2М. У последних прям на сайте такие штампы что якобы соответствует) Вчера разговаривал с директором РНИЦ по Кемеровской области, он просто дал список заводов, которые подтвердили соответствие приказу. Всего их оказалось 6 из 25, насколько я знаю.

Что-то я смотрел параметры приборов М2М - там 150 000 записей в черном ящике и не пахнет!
А у Galileo - RS-485 порта не заявлено!
http://7gis.ru/production/gallileo-glonass.html
А!
Видимо эта версия прибора соответствует: http://7gis.ru/production/galileo-glonass-v5.0.html

Н-да, приборов разных куча и все по 285 приказу на свалку ?!?

208

Teltonika FM5300

Re: Teltonika FM5300

firt wrote:

А у Galileo - RS-485 порта не заявлено!
http://7gis.ru/production/gallileo-glonass.html

У этого прибора в описании ни слова про 285-ый приказ. Смотрите этот.

Александр Усов, г.Ангарск, Иркутская обл.
www.metreo.ru
209

Teltonika FM5300

Re: Teltonika FM5300

Сегодня разговаривал у нас с отделом ИТ администрации НСО.

Сказали что прошли Галилео 2.2.8, Галилео 5.0, Аруснави, ADM600, Naviset GT20, Сигнал 2117, Орбита 1 (СТАТТ 2G) и Орбита 2, ASC6, АТ10, Гранит 2.07 и Гранит 2.08

Не прошли Naviset GT10, CyberGLX 20 (точно не уверен), Гранит 4

Но это конкретно у нас и это предварительно, список будет пополняться и окончательно слово за Ространснадзором  по НСО, а это лишь рекомендации отдела ИТ администрации НСО

Avtonavix
Russia, Novosibirsk
avtonavix.ru
210

Teltonika FM5300

Re: Teltonika FM5300

Alexandr wrote:
firt wrote:

А у Galileo - RS-485 порта не заявлено!
http://7gis.ru/production/gallileo-glonass.html

У этого прибора в описании ни слова про 285-ый приказ. Смотрите этот.

Да, заметил..

Но читая 285 приказ - в особенности ссылки на внешние нормативные документы - закрадывается сомнения, являются ли указанные выше "камни преткновения" единственными?!
А что там у них и остальных по рабочим температурам ? Пыле-влагзащищенностям и пр ?!

211

Teltonika FM5300

Re: Teltonika FM5300

cGuard wrote:

Teltonika5300 не соответствует по 3-м параметрам:
- 16 000 записей (по информации с сайта производителя) а нужно 20 000 для опасников и 150 000 для пассажироперевозок
- Отсутствует обязательный 485й интерфейс
- И не выдерживает скачек в 600 В

-20000 записей
Поставщик FM5300 поясняет так:
-В приказе написано:
8. Абонентский терминал обеспечивает возможность использования интерфейсов RS-232, RS-485, CAN и USB обмена данными с внешними устройствами и имеет не менее двух дискретных и двух аналоговых входов.

Ключевая фраза - обеспечивает возможность использования. Терминалы без RS-485, но с RS-232 обеспечивают возможность использования интерфейсов RS-232, RS-485, CAN и USB с помощью соответствующих конверторов.
-скачок в 600в не выдержит ни один трекер

Лавров Анатолий
ООО "АвтоВизор", г. Тверь
212

Teltonika FM5300

(edited by firt 03/04/2013 11:11:04)

Re: Teltonika FM5300

DmitriyCh wrote:

Сегодня разговаривал у нас с отделом ИТ администрации НСО.

Сказали что прошли Галилео 2.2.8, Галилео 5.0, Аруснави, ADM600, Naviset GT20, Сигнал 2117, Орбита 1 (СТАТТ 2G) и Орбита 2, ASC6, АТ10, Гранит 2.07 и Гранит 2.08

Не прошли Naviset GT10, CyberGLX 20 (точно не уверен), Гранит 4

Но это конкретно у нас и это предварительно, список будет пополняться и окончательно слово за Ространснадзором  по НСО, а это лишь рекомендации отдела ИТ администрации НСО

Невнимательные они у вас товарищи smile

Галилео 2.2.8 - как я выше указал - точно не проходит...

Кстати, а в приказе 285 указано, что Роскомнадзор должен проверять приборы на соотвествие ?!

Вообще, на дворе уже 3 апреля - вроде требования  с 1го вступили в силу, а никаких вестей от госорганов нет ?!

Вообще, может я пропустил, но процедура "сертификации" на соответствие приборов по 285 приказу вообще не описана ?!

213

Teltonika FM5300

(edited by cGuard 30/04/2013 14:42:22)

Re: Teltonika FM5300

zanix wrote:
cGuard wrote:

Teltonika5300 не соответствует по 3-м параметрам:
- 16 000 записей (по информации с сайта производителя) а нужно 20 000 для опасников и 150 000 для пассажироперевозок
- Отсутствует обязательный 485й интерфейс
- И не выдерживает скачек в 600 В

-20000 записей
Поставщик FM5300 поясняет так:
-В приказе написано:
8. Абонентский терминал обеспечивает возможность использования интерфейсов RS-232, RS-485, CAN и USB обмена данными с внешними устройствами и имеет не менее двух дискретных и двух аналоговых входов.

Ключевая фраза - обеспечивает возможность использования. Терминалы без RS-485, но с RS-232 обеспечивают возможность использования интерфейсов RS-232, RS-485, CAN и USB с помощью соответствующих конверторов.
-скачок в 600в не выдержит ни один трекер

Давайте, как в школе, сделаем морфологический разбор: подлежащее (отвечает на вопрос кто/что?) "терминал", сказуемое (отвечает на вопрос что делает?) "оебспечивает". Если сказано что терминал (сам) "обеспечивает", причем тут дополнительные конвертеры и платы? Если бы плата входила в комплект поставки трекера и была неотъемлимой его частью - то тогда да, но я лично не видел ни одной платы подобного рода в живую.

И по поводу скачка в 600 В - наш трекер под 285й приказ выдержит wink

ООО Сигард - производство навигационного оборудования
8 800 250 19 08
www.cguard.ru
214

Teltonika FM5300

Re: Teltonika FM5300

Здравствуйте!
Существует вторая (расширенная ) версия Teltonika FM5300 в которой память увеличена до 150к ,есть возможность подключения 485 интерфейса и стоит дополнительный предохранитель от перенапряжения 600Вт. т.е многие производители в скором времени доработают оборудование до 285 приказа.

215

Teltonika FM5300

Re: Teltonika FM5300

Кто-нибудь решил проблему подключения к CAN у Teltonika FM5300 ? Нужно ставить, но после того что написали на форуме как-то не хочется портить репутацию.

Семь лет мак не родился и голода не знали!
С уважением
Игорь
216

Teltonika FM5300

Re: Teltonika FM5300

zanix wrote:
cGuard wrote:

Teltonika5300 не соответствует по 3-м параметрам:
- 16 000 записей (по информации с сайта производителя) а нужно 20 000 для опасников и 150 000 для пассажироперевозок
- Отсутствует обязательный 485й интерфейс
- И не выдерживает скачек в 600 В

-20000 записей
Поставщик FM5300 поясняет так:
-В приказе написано:
8. Абонентский терминал обеспечивает возможность использования интерфейсов RS-232, RS-485, CAN и USB обмена данными с внешними устройствами и имеет не менее двух дискретных и двух аналоговых входов.

Ключевая фраза - обеспечивает возможность использования. Терминалы без RS-485, но с RS-232 обеспечивают возможность использования интерфейсов RS-232, RS-485, CAN и USB с помощью соответствующих конверторов.
-скачок в 600в не выдержит ни один трекер

Если бы все было так просто, тогда можно было бы заявить, что все интерфейсы подключаются на 1 дискретный вход через конвертер, который передает туда данные азбукой Морзе. Формально - такой бред вполне можно сделать.
И подходил бы практически любой самый минимальный терминал. Так что не все так просто.

Про 600 В Вы не правы. Речь идет о кратковременном импульсе.

ГК «ТехноКом», г. Челябинск (СМТ «АвтоГРАФ™») - - - Самцов Константин Юрьевич - зам. директора по коммерческой деятельности
https://glonassgps.com *** https://www.tk-nav.ru | Раб. тел.: +7 (351) 211-30-40, 211-40-30
Просьба не писать вопросы через систему личных сообщений этого форума, так как я не присутствую здесь постоянно
Прошу использовать для связи с нами ресурсы и контакты из подписи
217

Teltonika FM5300

(edited by Cranz 17/04/2013 13:42:09)

Re: Teltonika FM5300

Всем доброго времени суток!
Интересно как работает eco driving у 5300 или точнее почему у нас не работает?
В профилях включил сенсор, выставил максимальные значения 0.1 м/с, закрепил правильно блок (2 и 15 градусов, проводами в перёд) и начал закладывать в повороты, ускоряться, тормозить резко... 3 дня машину мучил, но ни одного тревожного сообщения не получил. Прошивку использовал стандартную и Ver.01.02.09.
У кого то получилось контролировать с помощью 5300 агрессивную езду?

Сам спросил, сам отвечу... Всё получилось, для работы eco driving требуется включенный DIN1.

Added after    3 minuts  21 seconds:

BlackJet wrote:

Кто-нибудь решил проблему подключения к CAN у Teltonika FM5300 ? Нужно ставить, но после того что написали на форуме как-то не хочется портить репутацию.

Мы решили проблему заменой всех 5300 на 4200. Ставить пока не стоит, надо дождаться официального подтверждения, что проблема решена.

С уважением Мотин Сергей
ООО «Балтавтоматика» г. Калининград
support@baltgps.ru
+7 (4012) 50-82-40
218

Teltonika FM5300

Re: Teltonika FM5300

буду благодарен за самую свежую прошивку и конфигуратор для 5300 на мыло kaprizov@ukr.net
заранее спасибо

219

Teltonika FM5300

Re: Teltonika FM5300

kaprizov wrote:

буду благодарен за самую свежую прошивку и конфигуратор для 5300

Ловите.

С уважением, команда Overseer.
Киев, Черкассы, Винница.
http://overseer.ua
220

Teltonika FM5300

Re: Teltonika FM5300

Доброго времени суток форумчани! Такой вопрос, касательно FM 5300. Данный трекер не переходит автоматически в профиль, в котором настроен роуминг! Настроил 1 и 3 профиля, как роуминг, 2 и 4 как домашние! В чем собственно проблема - фура уехала в Россию с Казахстана, по стандарту, при поиске операторов, трекер должен переключаться автоматически, если не нашел оператора в сети! Но он автоматом не переключается! Ситуация такая, фура была в КЗ, загрузилась, было видно. Выехала в Омск. Как только пересекла границу сразу пропала. Пришлось принудительно его грузить в профиль с роумингом! Почему он автоматические не переключается?

Нужно работать не 12 часов, а головой!
221

Teltonika FM5300

Re: Teltonika FM5300

overseer wrote:
kaprizov wrote:

буду благодарен за самую свежую прошивку и конфигуратор для 5300

Ловите.

спасибо большое

222

Teltonika FM5300

Re: Teltonika FM5300

Добрий день. Прошу і мені скинути останню версію прошивки 5300. Наперед вдячний.

223

Teltonika FM5300

Re: Teltonika FM5300

Добрый день

Коллеги, помогите с проблемой подключения FM5300 к CAN, мы уже чего не перепробовали, и всё не читает ничего.

Пробовали подключить 5300 на DAF и MAN, на данный момент на этих машинах подключены FM4200 и работают исправно.
Подключаем темже методом что и FM4200, напрямую к проводам (без крокодила). Пробовали и с резисторами на 120 Ohm и без (на выходе к трэкеру тестер показывает сопротивление 47 Ohm - исходя из мануала, резисторы не требуются ). Тех поддержка тельтоники дала последнюю прошивку (12 версия), мы им даже выслали рабочий конфиг с 4200 чтоб они нам подогнали его под 5300, вроде нахимичили что-то и выслали назад. Пробовали и autoCAN, и manualCAN, и все скорости CAN, из всей партии 5 трэкеров испробовали, тоже самое, всё что трэкер пишет в логах это "0х          0" для всех CAN. Такое ощущение что он вообще ничего не принимает от CAN, но от чего бы это.

В одной фразе, 5300 с последней прошивкой, с конфигом от тех поддержки, подключеный через тотже кабель что и рабочий 4200, ничего с КАН не показывает, какие есть идеи?

224

Teltonika FM5300

Re: Teltonika FM5300

GlobalSoft wrote:

Добрый день

Коллеги, помогите с проблемой подключения FM5300 к CAN, мы уже чего не перепробовали, и всё не читает ничего.

Пробовали подключить 5300 на DAF и MAN, на данный момент на этих машинах подключены FM4200 и работают исправно.
Подключаем темже методом что и FM4200, напрямую к проводам (без крокодила). Пробовали и с резисторами на 120 Ohm и без (на выходе к трэкеру тестер показывает сопротивление 47 Ohm - исходя из мануала, резисторы не требуются ). Тех поддержка тельтоники дала последнюю прошивку (12 версия), мы им даже выслали рабочий конфиг с 4200 чтоб они нам подогнали его под 5300, вроде нахимичили что-то и выслали назад. Пробовали и autoCAN, и manualCAN, и все скорости CAN, из всей партии 5 трэкеров испробовали, тоже самое, всё что трэкер пишет в логах это "0х          0" для всех CAN. Такое ощущение что он вообще ничего не принимает от CAN, но от чего бы это.

В одной фразе, 5300 с последней прошивкой, с конфигом от тех поддержки, подключеный через тотже кабель что и рабочий 4200, ничего с КАН не показывает, какие есть идеи?

если не ошибаюсь данные по автокану приходят по другим айдишкам. в мануале они перечислены. мы тоже пытались подключать как фм42 с масками и т.п. но ничего не вышло. приходят только нули, но автокан работает без проблем

225

Teltonika FM5300

(edited by Kot1970 06/05/2013 03:35:27)

Re: Teltonika FM5300

пришлите новую прошивку под конфигуратор 1.1.2.11 и сам firmware update (magdis@rambler.ru) заранее благодарен!

226

Teltonika FM5300

Re: Teltonika FM5300

Dmitriy wrote:

ural
Пишите нам, всё вышлем.

magdis@rambler.ru (прошивку) плиз

227

Teltonika FM5300

Re: Teltonika FM5300

CnApTaK wrote:

если не ошибаюсь данные по автокану приходят по другим айдишкам. в мануале они перечислены. мы тоже пытались подключать как фм42 с масками и т.п. но ничего не вышло. приходят только нули, но автокан работает без проблем

Точно такая же ситуация. Работает только автокан. И с крокодилом и без.

228

Teltonika FM5300

Re: Teltonika FM5300

пришлите новую прошивку под конфигуратор 1.1.2.11 и сам firmware update (magdis@rambler.ru) заранее благодарен!

229

Teltonika FM5300

Re: Teltonika FM5300

Всем доброго дня, сегодня заказали пробную партию 5300, будем играться. В связи с этим просьба, вышлите на почту последнюю прошивку, конфигуратор и firmware update. Заранее благодарю
мыло: jazzonvip@gmail.com

230

Teltonika FM5300

Re: Teltonika FM5300

jazzon wrote:

jazzonvip@gmail.com

отправил на почту

Wialon Host  - 120 руб за объект в месяц (WH + сим-карта без абон. платы + 50 мБ + 90 коп/смс)
231

Teltonika FM5300

(edited by wviorel 09/05/2013 15:36:42)

Re: Teltonika FM5300

Всем доброго дня, тестировали фм5300 с прошивкои 01.02.12 (могу отправить) автоCAN работает. по TCP передает а по  UDP на Wialone не передает.

232

Teltonika FM5300

Re: Teltonika FM5300

CnApTaK wrote:

если не ошибаюсь данные по автокану приходят по другим айдишкам. в мануале они перечислены. мы тоже пытались подключать как фм42 с масками и т.п. но ничего не вышло. приходят только нули, но автокан работает без проблем

Спасибо CnApTaK, ваш ответ навёл нас на мысль прочитать трижды мануал, и мы нашли свою ошибку. Мы были подключены через USB к трэкеру, и всё пытались вытянуть из него CAN данные через маски. Через 1/2 кабель autoCAN вроде исправно работает.

233

Teltonika FM5300

Re: Teltonika FM5300

Добрый день друзья, купил телтонику 5300, что делать с ней незнаю, появились вопросы:
1) как подключить к компу и потестить, так сказать с чего мне начать
2) осенило ... что он просто передает .. а надо было купить еще и приемное устройство ? если да - то что покупать ?
icq 378 778 778

234

Teltonika FM5300

Re: Teltonika FM5300

oldzas wrote:

Добрый день друзья, купил телтонику 5300, что делать с ней незнаю, появились вопросы:
1) как подключить к компу и потестить, так сказать с чего мне начать
2) осенило ... что он просто передает .. а надо было купить еще и приемное устройство ? если да - то что покупать ?
icq 378 778 778

1) курить мануал
2) курить мануал

235

Teltonika FM5300

Re: Teltonika FM5300

Подскажите где скачать мануал. При покупке в коробке не было инструкции, а на сайте я не нашел.
Скажу большое спасибо если дадите ссылку.

236

Teltonika FM5300

Re: Teltonika FM5300

Вы точно купили, а не украли? Шучу.
У продавца не пытались попросить мануал или настроить на сервер прибор?

Ready! Stady! Go!
237

Teltonika FM5300

Re: Teltonika FM5300

Да, я купил через  интернет магазин, только что распаковал.
Сервер, в смысле железо, комп я не покупал, тестю на своем.
Сервер, в смысле программный - я не покупал, хочу писал сам.
Сейчас и возник вопрос обмена данными ... как их принять или точнее чем ?

238

Teltonika FM5300

Re: Teltonika FM5300

oldzas
Если Вам нужен протокол обмена, то обратитесь к производителю. Там насколько помню подписывается соглашение о неразглашении.

Avtonavix
Russia, Novosibirsk
avtonavix.ru
239

Teltonika FM5300

Re: Teltonika FM5300

я пока хочу в теории понять как принять данные, есть трекер, он передает данные.
Вопрос, а кто принимает и на пальцах, как ?

240

Teltonika FM5300

Re: Teltonika FM5300

oldzas заведите ее сначала на бесплатный сервер типа ORANGE - поиграйтесь там, а потом может идея написания софта отпадет.

ООО Сигард - производство навигационного оборудования
8 800 250 19 08
www.cguard.ru
241

Teltonika FM5300

Re: Teltonika FM5300

oldzas wrote:

я пока хочу в теории понять как принять данные, есть трекер, он передает данные.
Вопрос, а кто принимает и на пальцах, как ?

Протокол частному лицу никто не даст.
Для попробовать есть бесплатный сервер того же гуртама: http://gps-trace.com/?
Манула можно погладить по ссылке: http://rghost.ru/download/46039501/55b8 … 20v2.6.pdf

242

Teltonika FM5300

(edited by TK-SK 16/05/2013 21:08:38)

Re: Teltonika FM5300

lightsaber wrote:

Протокол частному лицу никто не даст.

Я тихо фигею... И это говорят на форуме, где все возмущаются, когда кто-то зажал протокол так, что виалоновец не может поюзать этот трекер...

Когда я попытался написать то, что виалоновцы написали в нескольких постах выше - меня начали клеймить, как врага народа и доказывать, что протокол я должен выложить на всех возможных ресурсах...

ГК «ТехноКом», г. Челябинск (СМТ «АвтоГРАФ™») - - - Самцов Константин Юрьевич - зам. директора по коммерческой деятельности
https://glonassgps.com *** https://www.tk-nav.ru | Раб. тел.: +7 (351) 211-30-40, 211-40-30
Просьба не писать вопросы через систему личных сообщений этого форума, так как я не присутствую здесь постоянно
Прошу использовать для связи с нами ресурсы и контакты из подписи
243

Teltonika FM5300

Re: Teltonika FM5300

TK-SK wrote:

Я тихо фигею... И это говорят на форуме, где все возмущаются, когда кто-то зажал протокол так, что виалоновец не может поюзать этот трекер...

Так зачем протокол если трекер уже поддерживается виалоном? Писать свой сервер ради одного трекера? Я конечно не берусь утверждать что производитель 100% не предоставит протокол частному лицу, но очень сильно в этом сомневаюсь.
Пожалуй закончим флудить не по теме.

244

Teltonika FM5300

Re: Teltonika FM5300

lightsaber wrote:

Так зачем протокол если трекер уже поддерживается виалоном? Писать свой сервер ради одного трекера? Я конечно не берусь утверждать что производитель 100% не предоставит протокол частному лицу, но очень сильно в этом сомневаюсь.Пожалуй закончим флудить не по теме.

Хм... а почему виалон должен иметь все протоколы, а другие - не обязательно. Если есть типа Виалон - все остальное лишнее ?
Если уж быть сторонниками открытости протоколов, то нужно и самим делиться, имхо. Иначе это как-то однобоко получается.
Флуд не флуд, а вопрос вполне нормальный.

ГК «ТехноКом», г. Челябинск (СМТ «АвтоГРАФ™») - - - Самцов Константин Юрьевич - зам. директора по коммерческой деятельности
https://glonassgps.com *** https://www.tk-nav.ru | Раб. тел.: +7 (351) 211-30-40, 211-40-30
Просьба не писать вопросы через систему личных сообщений этого форума, так как я не присутствую здесь постоянно
Прошу использовать для связи с нами ресурсы и контакты из подписи
245

Teltonika FM5300

Re: Teltonika FM5300

TK-SK
Есть политика компании-производителя. У Teltonika протокол закрытый и выдается только после обоснования его необходимости и подписания NDA. Мы как дистрибьютор этой компании, обязаны следовать данным правилам.

http://euromobile.ru Официальный дистрибьютор Teltonika на территории РФ и СНГ
Skype: gamov.euroml
246

Teltonika FM5300

Re: Teltonika FM5300

А... ну тогда конечно ))) Раз в Виалон получен протокол, для остальных - политика компании...
Я ж не против закрытых протоколов (наоборот) - просто я постоянно наблюдаю политику двойных стандартов у "виалонцев" (я не про Гуртам).

ГК «ТехноКом», г. Челябинск (СМТ «АвтоГРАФ™») - - - Самцов Константин Юрьевич - зам. директора по коммерческой деятельности
https://glonassgps.com *** https://www.tk-nav.ru | Раб. тел.: +7 (351) 211-30-40, 211-40-30
Просьба не писать вопросы через систему личных сообщений этого форума, так как я не присутствую здесь постоянно
Прошу использовать для связи с нами ресурсы и контакты из подписи
247

Teltonika FM5300

Re: Teltonika FM5300

Добрый день !
Подскажите как сделать чтобы конфигуратор был на русском языке ?

248

Teltonika FM5300

Re: Teltonika FM5300

Здравствуйте! Дорогие форумчане, скиньте кто может последнюю версию прошивки и конфигуратор для этого чуда инженерной мысли Teltonika FM5300. Бьюсь который день, а заставить его работать в Виалоне не могу. Прибор живет своей. непонятной жизнью. Заранее благодарен за содействие! Мыло elektrik221@yandex.ru

249

Teltonika FM5300

Re: Teltonika FM5300

Denis010203 wrote:

Здравствуйте! Дорогие форумчане, скиньте кто может последнюю версию прошивки и конфигуратор для этого чуда инженерной мысли Teltonika FM5300. Бьюсь который день, а заставить его работать в Виалоне не могу. Прибор живет своей. непонятной жизнью. Заранее благодарен за содействие! Мыло elektrik221@yandex.ru

скинул

Wialon Host  - 120 руб за объект в месяц (WH + сим-карта без абон. платы + 50 мБ + 90 коп/смс)
250

Teltonika FM5300

(edited by wviorel 14/06/2013 21:10:53)

Re: Teltonika FM5300

Всем доброго дня, тестируем FM5300 с прошивкои 01.02.14 ЗАВИСАЮТ при переходе на другои оператор (настроил переход профиля под оператор). CPURESET не помогает. Писал письмо супорту 14.06.2013 11:00 досихпор никто не ответил несмотря что это второи Тикет по поводу зависание (пригладивал конфиг и СМС дебаг). Тоесть получается до понедельника 17 и не ответят. С FM4200 проблем нету как устанавливал   так и забыл работает как часы.

251

Teltonika FM5300

Re: Teltonika FM5300

Доброе время суток. Взяли на тест fm53000. Огромная просьба, вышлите на почту последнюю прошивку, конфигуратор и firmware update. Заранее благодарю.
gts37@mail.ru

252

Teltonika FM5300

(edited by Support 20/06/2013 14:51:24)

Re: Teltonika FM5300

Привет всем! Такой вопрос, как отключить параметры дута на трекере, чтобы он не слал данные! То бишь param 201 и param 202 отключить! Что-то не могу разобраться! hmm Забыл написать, отключить через sms ибо машина в роуминге! hmm Какую sms послать?!

Нужно работать не 12 часов, а головой!
253

Teltonika FM5300

Re: Teltonika FM5300

Support wrote:

Привет всем! Такой вопрос, как отключить параметры дута на трекере, чтобы он не слал данные! То бишь param 201 и param 202 отключить! Что-то не могу разобраться! hmm Забыл написать, отключить через sms ибо машина в роуминге! hmm Какую sms послать?!

Просто приостановить обслуживание СИМ карты. Вернется из роуминга - возобновить.

254

Teltonika FM5300

Re: Teltonika FM5300

Bear_mur wrote:
Support wrote:

Привет всем! Такой вопрос, как отключить параметры дута на трекере, чтобы он не слал данные! То бишь param 201 и param 202 отключить! Что-то не могу разобраться! hmm Забыл написать, отключить через sms ибо машина в роуминге! hmm Какую sms послать?!

Просто приостановить обслуживание СИМ карты. Вернется из роуминга - возобновить.

Ну, если не считать этот вариант! В роуминге он постоянно, а ехать в другой город на его базу чтобы подключиться к нему через кабель не вариант! В тельтонике много sms команд, меня интересуют только 2, как закрыть порт на param201 и на param202 (сам дут и температуру), чтобы не присылал данные трекер! hmm

Нужно работать не 12 часов, а головой!
255

Teltonika FM5300

(edited by atlasm 21/06/2013 09:00:12)

Re: Teltonika FM5300

Support wrote:
Bear_mur wrote:
Support wrote:

Привет всем! Такой вопрос, как отключить параметры дута на трекере, чтобы он не слал данные! То бишь param 201 и param 202 отключить! Что-то не могу разобраться! hmm Забыл написать, отключить через sms ибо машина в роуминге! hmm Какую sms послать?!

Просто приостановить обслуживание СИМ карты. Вернется из роуминга - возобновить.

Ну, если не считать этот вариант! В роуминге он постоянно, а ехать в другой город на его базу чтобы подключиться к нему через кабель не вариант! В тельтонике много sms команд, меня интересуют только 2, как закрыть порт на param201 и на param202 (сам дут и температуру), чтобы не присылал данные трекер! hmm

Имя Пробел Пароль Пробел setparam Пробел НомерПараметра Пробел Значение(0/1)

256

Teltonika FM5300

Re: Teltonika FM5300

Вот как раз таки меня этот номер параметра и интересует! hmm

Нужно работать не 12 часов, а головой!
257

Teltonika FM5300

(edited by atlasm 21/06/2013 10:29:58)

Re: Teltonika FM5300

Support wrote:

Вот как раз таки меня этот номер параметра и интересует! hmm

в мануале поискать надо
или так и попробуй 201 и 202

258

Teltonika FM5300

Re: Teltonika FM5300

Отправлял и на 201 и 202! Безрезультатно!  hmm

Нужно работать не 12 часов, а головой!
259

Teltonika FM5300

Re: Teltonika FM5300

параметры 201 и 202 по конфигуратору соответственно 11 и 12, для них смс команды  41X и 42X
Т.е. чтобы закрыть эти параметры нужно отправить следующие команды:
setparam Y410 0
setparam Y420 0
где Y - номер профайла
Ну и не забудьте про логин и пароль, как написал atlasm.

С уважением, Вячеслав.
260

Teltonika FM5300

(edited by Recoom 25/06/2013 08:36:09)

Re: Teltonika FM5300

Приветствую! Какой sms-командой можно открыть PORT1 на FM 5300, чтобы отображал данные с DUT?

Счастье - есть многомерное, интегративно-ментальное образование, включающее интеллектуальную обще-аксиологическую оценку в форме удовлетворения!
261

Teltonika FM5300

Re: Teltonika FM5300

Доброго дня.
Подскажите, не выходит чтобы трекер присылал параметр ДУТ с PORT2..
То есть, должно приходить 4 параметры(как минимум 2):
Param201 – ДУТ PORT 1
Param202 – темп. ДУТ 1
Param203 – ДУТ PORT 2
Param204 – темп. ДУТ 2

Но в системе приходит только 201, 202, 204.
203 с данными от PORT 2 не приходит…
И к тому же параметр 201 присылает не значение N c ДУТа, а что-то не понятное в виде param201=1, param201=11, param201=2.
При отключении PORT 2 в Silent параметр 201 присылает нормальное значение N..

Как я понял когда только 1 ДУТ, то приходит значение в квантах, а когда включаю второй оно их суммирует и присылает какое-то значение в литрах(только я не трогал таблицу отвечающую за это преобразование)

262

Teltonika FM5300

Re: Teltonika FM5300

lexer wrote:

Доброго дня.
Подскажите, не выходит чтобы трекер присылал параметр ДУТ с PORT2..
То есть, должно приходить 4 параметры(как минимум 2):
Param201 – ДУТ PORT 1
Param202 – темп. ДУТ 1
Param203 – ДУТ PORT 2
Param204 – темп. ДУТ 2

Но в системе приходит только 201, 202, 204.
203 с данными от PORT 2 не приходит…
И к тому же параметр 201 присылает не значение N c ДУТа, а что-то не понятное в виде param201=1, param201=11, param201=2.
При отключении PORT 2 в Silent параметр 201 присылает нормальное значение N..

Как я понял когда только 1 ДУТ, то приходит значение в квантах, а когда включаю второй оно их суммирует и присылает какое-то значение в литрах(только я не трогал таблицу отвечающую за это преобразование)

1) В глобальных настройках для COM 2 лезем в Advanced LLS Sutup и прописываем в любой строчке отрицательное значение полинома.
2) Радуемся.

263

Teltonika FM5300

(edited by lexer 01/07/2013 10:38:15)

Re: Teltonika FM5300

lightsaber wrote:
lexer wrote:

Доброго дня.
Подскажите, не выходит чтобы трекер присылал параметр ДУТ с PORT2..
То есть, должно приходить 4 параметры(как минимум 2):
Param201 – ДУТ PORT 1
Param202 – темп. ДУТ 1
Param203 – ДУТ PORT 2
Param204 – темп. ДУТ 2

Но в системе приходит только 201, 202, 204.
203 с данными от PORT 2 не приходит…
И к тому же параметр 201 присылает не значение N c ДУТа, а что-то не понятное в виде param201=1, param201=11, param201=2.
При отключении PORT 2 в Silent параметр 201 присылает нормальное значение N..

Как я понял когда только 1 ДУТ, то приходит значение в квантах, а когда включаю второй оно их суммирует и присылает какое-то значение в литрах(только я не трогал таблицу отвечающую за это преобразование)

1) В глобальных настройках для COM 2 лезем в Advanced LLS Sutup и прописываем в любой строчке отрицательное значение полинома.
2) Радуемся.

Спасибо, уже разобрался smile
Я просто во второй строчке (а1) вместо 1,00000 прописал 0,00000 - так правильно?

Единственное, как я понял эти полиномы в конфиг файле не сохраняются.. Их нужно при каждой конфигурации отдельно каждому устройству прописывать, что не есть очень удобно при конфигурации больших количеств..)

И еще такой вопрос, по смс полиномы можно настроить?

264

Teltonika FM5300

Re: Teltonika FM5300

не получается прошить трекер. подсоединил трекер к компьютеру через usb. должны ли индикаторы мигать? помогите советом. в этом новичек.)

265

Teltonika FM5300

Re: Teltonika FM5300

inter wrote:

не получается прошить трекер. подсоединил трекер к компьютеру через usb. должны ли индикаторы мигать? помогите советом. в этом новичек.)

Нужно питание на трекер подать.

266

Teltonika FM5300

Re: Teltonika FM5300

Bear_mur wrote:
inter wrote:

не получается прошить трекер. подсоединил трекер к компьютеру через usb. должны ли индикаторы мигать? помогите советом. в этом новичек.)

Нужно питание на трекер подать.

спасибо большое за совет

Добавлено спустя   8 минут  38 секунд:
посоветуйте, что лучше использовать для питания при прошивке трекера?

267

Teltonika FM5300

Re: Teltonika FM5300

inter
Блок питаня, на выходе у которого будет от 8 до 24 вольт постоянного тока.

http://euromobile.ru Официальный дистрибьютор Teltonika на территории РФ и СНГ
Skype: gamov.euroml
268

Teltonika FM5300

Re: Teltonika FM5300

пришлите пожалуйста рабочий конфиг файл для 5300 если можете. для проверки

269

Teltonika FM5300

Re: Teltonika FM5300

inter wrote:

пришлите пожалуйста рабочий конфиг файл для 5300 если можете. для проверки

почту напиши

270

Teltonika FM5300

Re: Teltonika FM5300

Bear_mur wrote:
inter wrote:

пришлите пожалуйста рабочий конфиг файл для 5300 если можете. для проверки

почту напиши

Если не трудно и мне пришли olser69@mail.ru

Added after    1 minuts  5 seconds:
И мне конфиг если не трудно: olser69@mail.ru

271

Teltonika FM5300

Re: Teltonika FM5300

Добрый день всем.
Скажите, какая последняя стабильная прошивка доступна для этого трекера? Если можно скиньте на мыло - m.kirigetov@konkord.biz.

272

Teltonika FM5300

Re: Teltonika FM5300

Смотрите почту.

С уважением, команда Overseer.
Киев, Черкассы, Винница.
http://overseer.ua
273

Teltonika FM5300

(edited by ekazaku 08/07/2013 12:10:13)

Re: Teltonika FM5300

добрый день, скиньте пожалуйста рабочую прошивку для 5300.
Спасибо.
ekazaku88@gmail.com

274

Teltonika FM5300

Re: Teltonika FM5300

Добрый день всем !
Очень нужна рабочая прошивка, прошивальщик и конфигуратор для 5300. Несколько дней не могу подружить трекер и виалон.
rayak@list.ru

Спасибо

275

Teltonika FM5300

Re: Teltonika FM5300

как установить трекер на chevrolet lacetti? кто нибудь сталкивался с такой машиной? интересует назначение каждого порта 2х10. особенно топливный датчик. если можете, опишите кратко.

276

Teltonika FM5300

Re: Teltonika FM5300

Доброго времени)
Поделитесь списком id параметров для управления с помощью смс (setpatram #id), если у кого есть..
Знаю, что id совпадают с 4200, но интересует возможность менять настройки из пункта в конфигураторе Global parameters.

Добавлено спустя   4 минуты  24 секунды:

inter wrote:

как установить трекер на chevrolet lacetti? кто нибудь сталкивался с такой машиной? интересует назначение каждого порта 2х10. особенно топливный датчик. если можете, опишите кратко.

http://autosiga.ru/elektroprovodka/chev … a-provodov

277

Teltonika FM5300

Re: Teltonika FM5300

В User Manual они перечислены на странице 46-47. Могу выслать его Вам на почту. Пишите мне запрос на vadim@teksus.ru

lexer wrote:

Доброго времени)
Поделитесь списком id параметров для управления с помощью смс (setpatram #id), если у кого есть..
Знаю, что id совпадают с 4200, но интересует возможность менять настройки из пункта в конфигураторе Global parameters.

Добавлено спустя   4 минуты  24 секунды:

inter wrote:

как установить трекер на chevrolet lacetti? кто нибудь сталкивался с такой машиной? интересует назначение каждого порта 2х10. особенно топливный датчик. если можете, опишите кратко.

http://autosiga.ru/elektroprovodka/chev … a-provodov

С уважением, Вадим Погорелый.
www.treksystems.ru
vadim@m2m-trade.ru
278

Teltonika FM5300

Re: Teltonika FM5300

Да, действительно.. ослеп - не замечал)

Кстати, полиномы по смс не поменять..жаль...очень нужная функция была бы..

279

Teltonika FM5300

Re: Teltonika FM5300

lexer wrote:

Доброго времени)
Поделитесь списком id параметров для управления с помощью смс (setpatram #id), если у кого есть..
Знаю, что id совпадают с 4200, но интересует возможность менять настройки из пункта в конфигураторе Global parameters.

Добавлено спустя   4 минуты  24 секунды:

inter wrote:

как установить трекер на chevrolet lacetti? кто нибудь сталкивался с такой машиной? интересует назначение каждого порта 2х10. особенно топливный датчик. если можете, опишите кратко.

http://autosiga.ru/elektroprovodka/chev … a-provodov

спасибо

280

Teltonika FM5300

Re: Teltonika FM5300

Здравствуйте, Уважаемые.
Может кто нибудь поделиться последней прошивкой и конфигуратором для нее. А то терминал путно не хочет работать.
nmurin@altsoft.biz
Заранее благодарен.

281

Teltonika FM5300

Re: Teltonika FM5300

Всем привет! Такой вопрос, Fm5300 начали теряться - порой стал пропадать сигнал! Уже 3-ая Fm начала барахлить! В чем может быть проблема? Больше полу года на автотранспорте стоят Fm5300 и нормально стали работать, а в за последние 2-а дня стал пропадать периодически сигнал! hmm

Счастье - есть многомерное, интегративно-ментальное образование, включающее интеллектуальную обще-аксиологическую оценку в форме удовлетворения!
282

Teltonika FM5300

Re: Teltonika FM5300

Recoom
Причина не может быть в водителях?)

http://euromobile.ru Официальный дистрибьютор Teltonika на территории РФ и СНГ
Skype: gamov.euroml
283

Teltonika FM5300

Re: Teltonika FM5300

Не-а! Водители те же, раньше нормально работало все, а сейчас все летят подряд hmm

Счастье - есть многомерное, интегративно-ментальное образование, включающее интеллектуальную обще-аксиологическую оценку в форме удовлетворения!
284

Teltonika FM5300

Re: Teltonika FM5300

возникла проблема при изменении настроек через смс-команды. хотел изменить период отправки данных на сервер 60 сек в итоге прибор ответил что изменил значение на 0. так и с другими значениями. кто нибудь сталкивался с таким?

285

Teltonika FM5300

(edited by vpogorely 25/07/2013 05:54:31)

Re: Teltonika FM5300

Recoom wrote:

Всем привет! Такой вопрос, Fm5300 начали теряться - порой стал пропадать сигнал! Уже 3-ая Fm начала барахлить! В чем может быть проблема? Больше полу года на автотранспорте стоят Fm5300 и нормально стали работать, а в за последние 2-а дня стал пропадать периодически сигнал! hmm

Активируй HDOP и PDOP - по этим данным будет понятно, если антенну прикрывают.

Added after     30 seconds:

inter wrote:

возникла проблема при изменении настроек через смс-команды. хотел изменить период отправки данных на сервер 60 сек в итоге прибор ответил что изменил значение на 0. так и с другими значениями. кто нибудь сталкивался с таким?

Какую конкретно команду отправляли?

С уважением, Вадим Погорелый.
www.treksystems.ru
vadim@m2m-trade.ru
286

Teltonika FM5300

Re: Teltonika FM5300

vpogorely wrote:
Recoom wrote:

Всем привет! Такой вопрос, Fm5300 начали теряться - порой стал пропадать сигнал! Уже 3-ая Fm начала барахлить! В чем может быть проблема? Больше полу года на автотранспорте стоят Fm5300 и нормально стали работать, а в за последние 2-а дня стал пропадать периодически сигнал! hmm

Активируй HDOP и PDOP - по этим данным будет понятно, если антенну прикрывают.

Added after     30 seconds:

inter wrote:

возникла проблема при изменении настроек через смс-команды. хотел изменить период отправки данных на сервер 60 сек в итоге прибор ответил что изменил значение на 0. так и с другими значениями. кто нибудь сталкивался с таким?

Какую конкретно команду отправляли?

setparam 1554 60

Добавлено спустя   1 минуту  46 секунд:
посоветуйте, если можете, оптимальные настройки. чтобы минимизировать мобильный трафик, но чтобы в городских улицах линия была нормальной.

287

Teltonika FM5300

Re: Teltonika FM5300

inter wrote:
vpogorely wrote:
Recoom wrote:

Всем привет! Такой вопрос, Fm5300 начали теряться - порой стал пропадать сигнал! Уже 3-ая Fm начала барахлить! В чем может быть проблема? Больше полу года на автотранспорте стоят Fm5300 и нормально стали работать, а в за последние 2-а дня стал пропадать периодически сигнал! hmm

Активируй HDOP и PDOP - по этим данным будет понятно, если антенну прикрывают.

Added after     30 seconds:

inter wrote:

возникла проблема при изменении настроек через смс-команды. хотел изменить период отправки данных на сервер 60 сек в итоге прибор ответил что изменил значение на 0. так и с другими значениями. кто нибудь сталкивался с таким?

Какую конкретно команду отправляли?

setparam 1554 60

Добавлено спустя   1 минуту  46 секунд:
посоветуйте, если можете, оптимальные настройки. чтобы минимизировать мобильный трафик, но чтобы в городских улицах линия была нормальной.

Команда неправильная.

Время сбора точек мы ставим - 151 секунда, 150 метров и 10 градусов. количество сообщений в пакете - 2.

команды для первого профиля:

setparam 1011 151
...1012 150
...1013 10
...1014 2

Если третий профайл, то соответственно, только с 3:
...3011 151
...3012 150 и т.д.

С уважением, Вадим Погорелый.
www.treksystems.ru
vadim@m2m-trade.ru
288

Teltonika FM5300

Re: Teltonika FM5300

спасибо

289

Teltonika FM5300

Re: Teltonika FM5300

если вам не трудно, не могли бы вы прислать список ID параметров для 5300, а то в мануале v.2.9 не нашел.

290

Teltonika FM5300

(edited by vpogorely 25/07/2013 08:17:27)

Re: Teltonika FM5300

inter wrote:

если вам не трудно, не могли бы вы прислать список ID параметров для 5300, а то в мануале v.2.9 не нашел.

Смотрите, кажется, на 36-й странице.

С уважением, Вадим Погорелый.
www.treksystems.ru
vadim@m2m-trade.ru
291

Teltonika FM5300

Re: Teltonika FM5300

vpogorely wrote:
inter wrote:

если вам не трудно, не могли бы вы прислать список ID параметров для 5300, а то в мануале v.2.9 не нашел.

Смотрите, кажется, на 36-й странице.

все нашел. невнимательно просмотрел инструкцию  sad

292

Teltonika FM5300

Re: Teltonika FM5300

Поделитесь новой прошивкой и конфигурацией на мыло из профиля, пожалуйста

293

Teltonika FM5300

Re: Teltonika FM5300

Доброго времени суток, начали сталкиваться с проблемой:
Из более чем 100 установленных приборов, некоторые начинают жить своей жизнью - перестают присылать данные по топливу с цифрового ДУТ (param210 и 203). Самое интересное, что это ни с чем не связано - просто берут и перестают слать эти 2 параметра, а остальное в нормальном режиме присылают. И дело не в профиле, как был первый так и есть. Что может быть? Прошивка?

294

Teltonika FM5300

Re: Teltonika FM5300

здравствуйте. хочу подключить FM5300 к CAN шине. но не знаю как настроить трекер в конфигураторе. помогите разобраться с параметром output data mask

295

Teltonika FM5300

Re: Teltonika FM5300

lexer wrote:

Доброго времени суток, начали сталкиваться с проблемой:
Из более чем 100 установленных приборов, некоторые начинают жить своей жизнью - перестают присылать данные по топливу с цифрового ДУТ (param210 и 203). Самое интересное, что это ни с чем не связано - просто берут и перестают слать эти 2 параметра, а остальное в нормальном режиме присылают. И дело не в профиле, как был первый так и есть. Что может быть? Прошивка?

Прошивка. Свяжитесь с нами - и мы поможем. vadim@teksus.ru

Added after    1 minuts  27 seconds:

inter wrote:

здравствуйте. хочу подключить FM5300 к CAN шине. но не знаю как настроить трекер в конфигураторе. помогите разобраться с параметром output data mask

Какой автомобиль?

С уважением, Вадим Погорелый.
www.treksystems.ru
vadim@m2m-trade.ru
296

Teltonika FM5300

Re: Teltonika FM5300

inter wrote:

здравствуйте. хочу подключить FM5300 к CAN шине. но не знаю как настроить трекер в конфигураторе. помогите разобраться с параметром output data mask

наверное самый простой вариант это AutoCan, у нас только он сработал, и легче и быстрее чем с масками, да и не видел у нас трэкер CAN в другом режиме, ставим на DAF, MAN и некоторые Actros

297

Teltonika FM5300

Re: Teltonika FM5300

GlobalSoft

vpogorely wrote:
lexer wrote:

Доброго времени суток, начали сталкиваться с проблемой:
Из более чем 100 установленных приборов, некоторые начинают жить своей жизнью - перестают присылать данные по топливу с цифрового ДУТ (param210 и 203). Самое интересное, что это ни с чем не связано - просто берут и перестают слать эти 2 параметра, а остальное в нормальном режиме присылают. И дело не в профиле, как был первый так и есть. Что может быть? Прошивка?

Прошивка. Свяжитесь с нами - и мы поможем. vadim@teksus.ru

Added after    1 minuts  27 seconds:

inter wrote:

здравствуйте. хочу подключить FM5300 к CAN шине. но не знаю как настроить трекер в конфигураторе. помогите разобраться с параметром output data mask

Какой автомобиль?

грузовик MAN

GlobalSoft wrote:
inter wrote:

здравствуйте. хочу подключить FM5300 к CAN шине. но не знаю как настроить трекер в конфигураторе. помогите разобраться с параметром output data mask

наверное самый простой вариант это AutoCan, у нас только он сработал, и легче и быстрее чем с масками, да и не видел у нас трэкер CAN в другом режиме, ставим на DAF, MAN и некоторые Actros

можете прислать рабочую конфигурацию? genakim90@gmail.com

298

Teltonika FM5300

Re: Teltonika FM5300

Не могу заставить 5300 стабильно работать. Выходит на связь минут на 15 и потом отключается часа на полтора. В чем может быть дело? Подскажите кто знает, пожалуйста.

299

Teltonika FM5300

Re: Teltonika FM5300

Denis010203 wrote:

Не могу заставить 5300 стабильно работать. Выходит на связь минут на 15 и потом отключается часа на полтора. В чем может быть дело? Подскажите кто знает, пожалуйста.

Конфигурацию чем настраивали (.xml) сбросьте на support@teksus.ru - посмотрим. Так сказать сложно...

С уважением, Вадим Погорелый.
www.treksystems.ru
vadim@m2m-trade.ru
300

Teltonika FM5300

Re: Teltonika FM5300

vpogorely wrote:
Denis010203 wrote:

Не могу заставить 5300 стабильно работать. Выходит на связь минут на 15 и потом отключается часа на полтора. В чем может быть дело? Подскажите кто знает, пожалуйста.

Конфигурацию чем настраивали (.xml) сбросьте на support@teksus.ru - посмотрим. Так сказать сложно...

Настраивал конфигуратором, FM5XXX_Configurator_20130207_v1.1.2.11. Конфигурацию сбросил.

301

Teltonika FM5300

Re: Teltonika FM5300

Пришлите пожалуйста актуальную версию прошивки для FM5300 купили несколько штук у всех разные версии и 0511.e и 1.2.4 sad совсем запутался. не могу заставить работать стабильно под МТС

302

Teltonika FM5300

Re: Teltonika FM5300

RomanEg wrote:

Пришлите пожалуйста актуальную версию прошивки для FM5300 купили несколько штук у всех разные версии и 0511.e и 1.2.4 sad совсем запутался. не могу заставить работать стабильно под МТС

У меня естть 100% рабочая прошивка,с ней все проблемы по зависнию FM5300 решились.И если редко прибор пропадает СМС работают.Давайте вашу личку ,кину+Русский мануал.

Добавлено спустя   1 минуту  22 секунды:

Bender0711 wrote:
RomanEg wrote:

Пришлите пожалуйста актуальную версию прошивки для FM5300 купили несколько штук у всех разные версии и 0511.e и 1.2.4 sad совсем запутался. не могу заставить работать стабильно под МТС

У меня естть 100% рабочая прошивка,с ней все проблемы по зависнию FM5300 решились.И если редко прибор пропадает СМС работают.Давайте вашу личку ,кину+Русский мануал.

Проверил на ней более 30 приборов за 2 месяца,вылетело пару.вернул к жизни через СМС.

303

Teltonika FM5300

Re: Teltonika FM5300

Bender0711 wrote:
RomanEg wrote:

Пришлите пожалуйста актуальную версию прошивки для FM5300 купили несколько штук у всех разные версии и 0511.e и 1.2.4 sad совсем запутался. не могу заставить работать стабильно под МТС

У меня естть 100% рабочая прошивка,с ней все проблемы по зависнию FM5300 решились.И если редко прибор пропадает СМС работают.Давайте вашу личку ,кину+Русский мануал.

Добавлено спустя   1 минуту  22 секунды:

Bender0711 wrote:
RomanEg wrote:

Пришлите пожалуйста актуальную версию прошивки для FM5300 купили несколько штук у всех разные версии и 0511.e и 1.2.4 sad совсем запутался. не могу заставить работать стабильно под МТС

У меня естть 100% рабочая прошивка,с ней все проблемы по зависнию FM5300 решились.И если редко прибор пропадает СМС работают.Давайте вашу личку ,кину+Русский мануал.

Проверил на ней более 30 приборов за 2 месяца,вылетело пару.вернул к жизни через СМС.

мне пожалуйста тоже пришлите genakim90@gmail.com

304

Teltonika FM5300

Re: Teltonika FM5300

inter wrote:

мне пожалуйста тоже пришлите genakim90@gmail.com

Прислал!

305

Teltonika FM5300

Re: Teltonika FM5300

А мне тоже скиньте прошивку пожалуйста!

abilitytechnic@gmail.com

306

Teltonika FM5300

Re: Teltonika FM5300

AbilityTechnic wrote:

А мне тоже скиньте прошивку пожалуйста!

abilitytechnic@gmail.com

ок

307

Teltonika FM5300

Re: Teltonika FM5300

Добрый день коллеги

Кто сталкивался с такой интересной ситуацией?

До подключения 5300 к Актросу, машина тратила примерно 33л/100км, после подключения, тратит 35л/100к, хозяин подсчитал по идентичному маршруту, одинаковая загруженность и километраж. Шофёр сам солярку оплачивает, вроде нету ему смысла химичить, да и машина вроде не была истощена, ездит как и ездил, но кто его знает...

Теоретически возможно что к actros надо применить регулирующий коефициент чтения кан? (автокан)
Практически, была ли у вас такая ситуация?

308

Teltonika FM5300

Re: Teltonika FM5300

Вопрос: Вы это написали в обоих случаях реальный расход или расход, который показывает CAN?

309

Teltonika FM5300

Re: Teltonika FM5300

keeper wrote:

Вопрос: Вы это написали в обоих случаях реальный расход или расход, который показывает CAN?

33 это цифра по измерениям хозяина в бывших поездках (считая с борт компьютера), после того как поставили 5300, цифра 35л/100км выходит с CAN (шофёр к сожалению сбросил данные с борт компа перед тем как мы успели подойти)

ждём машину из 2го рейса, что потестить, проверить линейкой в баке и тд

310

Teltonika FM5300

Re: Teltonika FM5300

Так расход по кану зачастую выше (на проценты, но все же) реального, так что ничего тут удивительного.

311

Teltonika FM5300

Re: Teltonika FM5300

keeper wrote:

Так расход по кану зачастую выше (на проценты, но все же) реального, так что ничего тут удивительного.

Интересное мнение, у нас кан обычно выдаёт практически такой же расход как и по линейки в баке (это на DAF), ну или ниже если водитель шаманит. Можно поподробнее про эту идею, ссылку или что нибудь для информации? Вы именно про Actros или такое на всех машинах?

312

Teltonika FM5300

Re: Teltonika FM5300

Ну практически все (у меня) DAFы завышают в кане расход. Линейка на баке это как то не очень измерительный инструмент. У меня есть машины, у которых подключен и CAN и стоят ДУТы. Практически у всех машин идет завышение расхода по CAN. Несущественное , но оно есть. На уже не сильно свежих авто CAN может врать очень серьезно. Если отклбчена мочевина то вообще "бабушка надвое сказала". НО: Актросов с CAN у меня нет, т.к. я CAN тогда поискал и безрезультатно. И плюнул на это дело, ДУТы поставил.

313

Teltonika FM5300

Re: Teltonika FM5300

keeper wrote:

Ну практически все (у меня) DAFы завышают в кане расход. Линейка на баке это как то не очень измерительный инструмент. У меня есть машины, у которых подключен и CAN и стоят ДУТы. Практически у всех машин идет завышение расхода по CAN. Несущественное , но оно есть. На уже не сильно свежих авто CAN может врать очень серьезно. Если отклбчена мочевина то вообще "бабушка надвое сказала". НО: Актросов с CAN у меня нет, т.к. я CAN тогда поискал и безрезультатно. И плюнул на это дело, ДУТы поставил.

Мы ДУТ-ам не очень верим так как их обмануть/саботировать слишком легко, всегда на КАН (ДАРТ) полагались и вроде было всё гладко. Вы реальный расход именно ДУТ-ами меряете, или есть и другой проверенный способ помимо линейки

314

Teltonika FM5300

Re: Teltonika FM5300

GlobalSoft
Так ясный пень гладко, если Вы с линейками на баке сравниваете.
Ставите ДУТ (проливаете хорошенько бак), подключаете CAN. Запечатываете бак, отправляете машину в небольшой круг. Проверяете.
Показания же в машине изменить вообще как два пальца байта переслать : берете и перекалибровываете тахограф - меняется общий пробег, при этом,т.к. на него делится расход, то, естественно меняется и расход на 100 км.

CAN это, конечно, хорошо. Дешево и нажористо. Но ДУТ это более полная и точная картина (если все правильно установлено).
PS Форсунки поменяли - кан уже не поможет.

315

Teltonika FM5300

Re: Teltonika FM5300

keeper wrote:

GlobalSoft
Так ясный пень гладко, если Вы с линейками на баке сравниваете.
Ставите ДУТ (проливаете хорошенько бак), подключаете CAN. Запечатываете бак, отправляете машину в небольшой круг. Проверяете.
Показания же в машине изменить вообще как два пальца байта переслать : берете и перекалибровываете тахограф - меняется общий пробег, при этом,т.к. на него делится расход, то, естественно меняется и расход на 100 км.

CAN это, конечно, хорошо. Дешево и нажористо. Но ДУТ это более полная и точная картина (если все правильно установлено).
PS Форсунки поменяли - кан уже не поможет.

Дам пару деталей, чтоб не удаляться от начальной темы

На машине 1 бак.
С CAN берём ДАРТ
С CAN также берём значение встроенного ДУТ-а, ну или напрямую подключаем.
Пробег берётся с одометра трэкера, только в случае глушилки берём с CAN, а раз заглушил, так плати шофёр по нашим правилам.

При комбинации ДАРТ+одометр данные на 100 км трудно сменить не подняв тревогу.
Теоретически всё должно быть гладко, и на DAF всё вполне гладко.

Про форсунки это стильно, но такое дело дойдёт только через санкции хозяина, а там с нами переговоры итд.

316

Teltonika FM5300

(edited by keeper 19/08/2013 17:16:25)

Re: Teltonika FM5300

GlobalSoft
Про форсунки это к тому, что CAN может врать очень сильно.
Я так и не понял: вы данные по топливу и пробегу берете из машины или из навигации?  Как я понял вы берете данные о среднем расходе с компа авто. Если я переставлю колеса на машине на другой размер,изменю коэффициент в тахографе и многое многое другое то эти данные не будут сходится даже рядом.
Если Вы берете данные по СРЕДНЕМУ расходу из машины то он может запросто отличаться от того,что в навигации.
Давайте вернемся к началу: что Вам не нравится в том,что Вы подключили 5300? Никакого влияния на работу автомобиля он оказать не может.

317

Teltonika FM5300

Re: Teltonika FM5300

Bender0711 wrote:
AbilityTechnic wrote:

А мне тоже скиньте прошивку пожалуйста!

abilitytechnic@gmail.com

ок

Большое спасибо за помощь с прошивкой romaneg@gmail.com

318

Teltonika FM5300

Re: Teltonika FM5300

Доброго времени суток!

Подскажите встречался ли кто-нибудь с проблемой что 5300 не видит второй цифровой Дут при одновременном их использовании. При одновременном включении портов на LLS высылаются параметры param201, param202,param204 а param203 отсутствует. При отключении с первого порта LLS то данный параметр(param203) появляется. А при повторном включении  первого порта на LLS пропадает.
Если кто знает путь решения, то буду очень признателен за помощь.
Так же буду признателен за отправку последней прошивки на 5300. - support.spb@geolead.ru

ООО "Геолид Северо-Запад"
319

Teltonika FM5300

Re: Teltonika FM5300

RomanEg wrote:
Bender0711 wrote:
AbilityTechnic wrote:

А мне тоже скиньте прошивку пожалуйста!

abilitytechnic@gmail.com

ок

Большое спасибо за помощь с прошивкой romaneg@gmail.com

Вам пришел файл или нет,а то через пару дней почта прислала ошибку?

Добавлено спустя   6 минут  45 секунд:

Sergalys wrote:

Доброго времени суток!

Подскажите встречался ли кто-нибудь с проблемой что 5300 не видит второй цифровой Дут при одновременном их использовании. При одновременном включении портов на LLS высылаются параметры param201, param202,param204 а param203 отсутствует. При отключении с первого порта LLS то данный параметр(param203) появляется. А при повторном включении  первого порта на LLS пропадает.
Если кто знает путь решения, то буду очень признателен за помощь.
Так же буду признателен за отправку последней прошивки на 5300. - support.spb@geolead.ru

Попробуйте отключить в настройках IO Fuel temperature!

320

Teltonika FM5300

Re: Teltonika FM5300

Если отключаю этот пункт для обоих портов, на всех профилях прибор все равно шлет их в сообщениях.

ООО "Геолид Северо-Запад"
321

Teltonika FM5300

Re: Teltonika FM5300

Sergalys wrote:

Если отключаю этот пункт для обоих портов, на всех профилях прибор все равно шлет их в сообщениях.

возможно что то не так в глобальных параметрах.скинул вам прошивку и русский мануал ,попробуйте с этим.У меня получалось по инструкции.

322

Teltonika FM5300

Re: Teltonika FM5300

продублируйте пожалуйста на sergalys@yandex.ru

ООО "Геолид Северо-Запад"
323

Teltonika FM5300

Re: Teltonika FM5300

после перепрошивки заработал 1 прибор, а 4 шт так и продолжают тупить.

ООО "Геолид Северо-Запад"
324

Teltonika FM5300

Re: Teltonika FM5300

Sergalys wrote:

после перепрошивки заработал 1 прибор, а 4 шт так и продолжают тупить.

попробуйте сохранить с него профиль и залить в другие приборы.и проверьте get actual profile,везде одинаковый?
ещё на некоторых приборах при подключении цифрового дут менял местами провода RS485 ,особенно на галилео.

325

Teltonika FM5300

Re: Teltonika FM5300

его профиль и загружал в другие приборы.  5300 тупит даже без подключенных к ней ДУТов. она не шлет этот параметр даже просто с нулевыми значениями.

ООО "Геолид Северо-Запад"
326

Teltonika FM5300

Re: Teltonika FM5300

Sergalys wrote:

его профиль и загружал в другие приборы.  5300 тупит даже без подключенных к ней ДУТов. она не шлет этот параметр даже просто с нулевыми значениями.

странно .когда шился прибор на него достаточно подавалось напряжение?
Ну попробуйте написать о проблеме сюда helpdesk@teltonika.pro

327

Teltonika FM5300

Re: Teltonika FM5300

Bender0711 wrote:
Sergalys wrote:

его профиль и загружал в другие приборы.  5300 тупит даже без подключенных к ней ДУТов. она не шлет этот параметр даже просто с нулевыми значениями.

странно .когда шился прибор на него достаточно подавалось напряжение?
Ну попробуйте написать о проблеме сюда helpdesk@teltonika.pro

Ну как ?нашли причину проблемы?

328

Teltonika FM5300

Re: Teltonika FM5300

Добрый день!

Пока нет.

ООО "Геолид Северо-Запад"
329

Teltonika FM5300

Re: Teltonika FM5300

Доброго времени суток!
Кто нибудь может прошивку последнюю, с прошивальщиком и конфигуратором дать.
k-trade@yandex.ru

330

Teltonika FM5300

Re: Teltonika FM5300

Bender0711 wrote:
RomanEg wrote:
Bender0711 wrote:

ок

Большое спасибо за помощь с прошивкой romaneg@gmail.com

Вам пришел файл или нет,а то через пару дней почта прислала ошибку?

Нет от вас письмо не пришло sad можно попробовать на redhummer@mail.ru
Мне прислали прошивку FM53010214.Rev.03.e.CFW после прошивки конфигуратор стал спрашивать ПИН, установленный ранее не подходит sad осталась одна попытка может быть есть пин по умолчанию? и что делать если пин так и не подойдет?

331

Teltonika FM5300

Re: Teltonika FM5300

RomanEg wrote:
Bender0711 wrote:
RomanEg wrote:

Большое спасибо за помощь с прошивкой romaneg@gmail.com

Вам пришел файл или нет,а то через пару дней почта прислала ошибку?

Нет от вас письмо не пришло sad можно попробовать на redhummer@mail.ru
Мне прислали прошивку FM53010214.Rev.03.e.CFW после прошивки конфигуратор стал спрашивать ПИН, установленный ранее не подходит sad осталась одна попытка может быть есть пин по умолчанию? и что делать если пин так и не подойдет?

отправил
А если прибор заблокировался,то Ваш менеджер пишет письмо с кодом ошибки которая высветица после блокировки трекера,непосредственно вашему поставщику и он даст инфу как его вылечить.

332

Teltonika FM5300

Re: Teltonika FM5300

Bender0711 wrote:
RomanEg wrote:
Bender0711 wrote:

Вам пришел файл или нет,а то через пару дней почта прислала ошибку?

Нет от вас письмо не пришло sad можно попробовать на redhummer@mail.ru
Мне прислали прошивку FM53010214.Rev.03.e.CFW после прошивки конфигуратор стал спрашивать ПИН, установленный ранее не подходит sad осталась одна попытка может быть есть пин по умолчанию? и что делать если пин так и не подойдет?

отправил
А если прибор заблокировался,то Ваш менеджер пишет письмо с кодом ошибки которая высветица после блокировки трекера,непосредственно вашему поставщику и он даст инфу как его вылечить.

Давайс благополучно заблокировался sad видимо перед перепрошивкой лучше отключать проверку пинкода.

333

Teltonika FM5300

Re: Teltonika FM5300

Sergalys wrote:

Доброго времени суток!

Подскажите встречался ли кто-нибудь с проблемой что 5300 не видит второй цифровой Дут при одновременном их использовании. При одновременном включении портов на LLS высылаются параметры param201, param202,param204 а param203 отсутствует. При отключении с первого порта LLS то данный параметр(param203) появляется. А при повторном включении  первого порта на LLS пропадает.
Если кто знает путь решения, то буду очень признателен за помощь.
Так же буду признателен за отправку последней прошивки на 5300. - support.spb@geolead.ru

Доброго дня.
Тоже столкнулись с такой же проблемкой. Прошивка 01.05.05.

Есть еще вопрос, может кто сталкивался - может ли ФМ53 при подключении к CAN через бесконтактный считыватель (например, Quasar CAN-Click) давать какую-нибудь "наводку" на саму CAN-шину и вызывать ошибки в бортовом компьютере?

334

Teltonika FM5300

Re: Teltonika FM5300

По поводу одновременного подключения двух ДУТ LLS (рекомендация производителя):
По умолчанию, когда активированы оба ДУТа, их значения суммируются. Результат суммирования будет правильным, если установщик ввел полиномы в конфигурации.
Но можно сделать, чтобы при подключении двух ДУТов, значения не суммировались, а присылались в отдельных IO элементах. Для этого нужно отправить на прибор 2 СМС:

p2p p2p setparam 143 -6000.0
p2p p2p cpureset

335

Teltonika FM5300

Re: Teltonika FM5300

За что отвечает 143 параметр?

336

Teltonika FM5300

Re: Teltonika FM5300

vasya_pupkin wrote:
Sergalys wrote:

Доброго времени суток!

Подскажите встречался ли кто-нибудь с проблемой что 5300 не видит второй цифровой Дут при одновременном их использовании. При одновременном включении портов на LLS высылаются параметры param201, param202,param204 а param203 отсутствует. При отключении с первого порта LLS то данный параметр(param203) появляется. А при повторном включении  первого порта на LLS пропадает.
Если кто знает путь решения, то буду очень признателен за помощь.
Так же буду признателен за отправку последней прошивки на 5300. - support.spb@geolead.ru

Доброго дня.
Тоже столкнулись с такой же проблемкой. Прошивка 01.05.05.

Есть еще вопрос, может кто сталкивался - может ли ФМ53 при подключении к CAN через бесконтактный считыватель (например, Quasar CAN-Click) давать какую-нибудь "наводку" на саму CAN-шину и вызывать ошибки в бортовом компьютере?

на совсем новых вольво 2013 года может.как мне объясняли в вольво центре,что были такие случаи ,там вроде как всякие датчики опрашивают друг друга и при малейшем скачке или нехватки контакта или информации возникают ошибки.хотя сам производитель бесконтактного считывателя отрицает эту возможность.

337

Teltonika FM5300

(edited by vasya_pupkin 03/09/2013 19:09:41)

Re: Teltonika FM5300

физически CAN-шина представляет собой 2 провода, в которых одинаковое напряжение 2,5В при логической "1". При логическом "0", на CAN-H напряжение поднимается до 5В, а на CAN-L опускается до 0В. Если нет электрического контакта с проводниками шины, то как можно существенно поднять напряжение (или опустить) в шине через бесконтактный считыватель длиной 4см (изолированная площадка)? При том, что по схеме - "площадки" - это, по сути, приемные антенны.

338

Teltonika FM5300

Re: Teltonika FM5300

vasya_pupkin wrote:

физически CAN-шина представляет собой 2 провода, в которых одинаковое напряжение 2,5В при логической "1". При логическом "0", на CAN-H напряжение поднимается до 5В, а на CAN-L опускается до 0В. Если нет электрического контакта с проводниками шины, то как можно существенно поднять напряжение (или опустить) в шине через бесконтактный считыватель длиной 4см (изолированная площадка)? При том, что по схеме - "площадки" - это, по сути, приемные антенны.

Полностью с вами согласен.Но как я описывал выше в вольво центре запретили ставить считыватель,иначе они снимают гарантию.

339

Teltonika FM5300

Re: Teltonika FM5300

SanderAMC wrote:

За что отвечает 143 параметр?

как я понял - это параметр из таблицы полиномов. Т.е. необходимо ввести отрицательное значение в таблицу полиномов, чтобы прибор обнаружил ошибку и перестал суммировать данные с обоих ДУТов и начал отправлять раздельные данные по каждому ДУТу. По-моему такой алгоритм.

340

Teltonika FM5300

Re: Teltonika FM5300

vasya_pupkin wrote:
SanderAMC wrote:

За что отвечает 143 параметр?

как я понял - это параметр из таблицы полиномов. Т.е. необходимо ввести отрицательное значение в таблицу полиномов, чтобы прибор обнаружил ошибку и перестал суммировать данные с обоих ДУТов и начал отправлять раздельные данные по каждому ДУТу. По-моему такой алгоритм.

А как себя будет вести прибор после перепрошивки?Иногда  профиль слетает когда шьёшь.
И еще вопрос через конфигуратор это должно настраиваться или только смс?
А на некоторых приборах сразу работает без смс,в IO включаем и в глобальных и всё.

341

Teltonika FM5300

(edited by TScontrol 04/09/2013 09:41:54)

Re: Teltonika FM5300

Bender0711 wrote:

Полностью с вами согласен.Но как я описывал выше в вольво центре запретили ставить считыватель,иначе они снимают гарантию.

Подскажите где такой центр находится? А они еще не просят выключать мобильные телефоны и другие электронные приборы во время движения автомобиля?
Вы их можете попросить официальное письмо об отказе состряпать?

TSControl.
342

Teltonika FM5300

Re: Teltonika FM5300

TScontrol wrote:
Bender0711 wrote:

Полностью с вами согласен.Но как я описывал выше в вольво центре запретили ставить считыватель,иначе они снимают гарантию.

Подскажите где такой центр находится? А они еще не просят выключать мобильные телефоны и другие электронные приборы во время движения автомобиля?
Вы их можете попросить официальное письмо об отказе состряпать?

В Белгороде Вольво центр..Клиент купил еще одну машину и мы хотели через Галилео и  бесконтактный считыватель подключиться к can .И чтоб не снялась гарантия  поехали устанавливать оборудование в центр,нам отказали.Мы установили только трекер.но клиент хочет топливо,и в центре разрешили сверлить баки, установили 2 дут цифровых.И на этом вопрос закрыли.

343

Teltonika FM5300

Re: Teltonika FM5300

Интересный ВольвоЦентр)) Баки сверлить можно, а пластмасску к проводу прислонить нельзя))

http://euromobile.ru Официальный дистрибьютор Teltonika на территории РФ и СНГ
Skype: gamov.euroml
344

Teltonika FM5300

Re: Teltonika FM5300

Однако факт остаётся фактом.

345

Teltonika FM5300

Re: Teltonika FM5300

Bender0711 wrote:
vasya_pupkin wrote:
SanderAMC wrote:

За что отвечает 143 параметр?

как я понял - это параметр из таблицы полиномов. Т.е. необходимо ввести отрицательное значение в таблицу полиномов, чтобы прибор обнаружил ошибку и перестал суммировать данные с обоих ДУТов и начал отправлять раздельные данные по каждому ДУТу. По-моему такой алгоритм.

А как себя будет вести прибор после перепрошивки?Иногда  профиль слетает когда шьёшь.
И еще вопрос через конфигуратор это должно настраиваться или только смс?
А на некоторых приборах сразу работает без смс,в IO включаем и в глобальных и всё.

Думаю, нужно одной из переменных а0...а5 в таблице полиномов присвоить значение -6000, этим будет вызвана ошибка и прибор не будет считать топливо самостоятельно.
Как вариант, на рабочий прибор отправить эти 2 смс команды, а потом конфигуратором посмотреть какой параметр изменился.

346

Teltonika FM5300

Re: Teltonika FM5300

У меня возникла такая проблема: трекер не шлет инфу на сервер... вообще никакую и даже не пытается, по смс отвечает, как положено с координатами реальными. Вот я предпологаю моеж мне прошить его.

Господа, поделитесь прошивкой. пожалуйста.
crazeant@mail.ru

347

Teltonika FM5300

Re: Teltonika FM5300

может дело не в прошивке, а прибор не выходит в gprs?

348

Teltonika FM5300

Re: Teltonika FM5300

Поделитесь последней прошивочкой! Сделайте милость! Спасибо smile

349

Teltonika FM5300

Re: Teltonika FM5300

CnApTaK, е-мэйл в лс скиньте

350

Teltonika FM5300

Re: Teltonika FM5300

День добрый!
Есть вопросы касательно  FM5300:
1. Хотел бы уточнить, какая сейчас прошивка актуальная на FM5300.
2. Возникают проблемы с оборудованием, на некоторых моделях периодически приходят данные за будущей год.
Появляются пакеты за 2017,2019,2023 год. Возможно данная проблема уже известна, и есть какое то решение по ней.
В общей сложности имеется около 90 трекеров, примерно раз, два в месяц приходят  пакеты с кривыми данными. Такие данные шлют 6 трекеров,  остальные же трекеры работают без проблем. Трекеры все с одной партии, настройки идентичные на всех.

351

Teltonika FM5300

(edited by lexer 12/09/2013 10:04:36)

Re: Teltonika FM5300

CrAzE wrote:

У меня возникла такая проблема: трекер не шлет инфу на сервер... вообще никакую и даже не пытается, по смс отвечает, как положено с координатами реальными. Вот я предпологаю моеж мне прошить его.

Господа, поделитесь прошивкой. пожалуйста.
crazeant@mail.ru

У меня такая же проблема, только с 5500.
Что у вас он отвечает на смс  log pass banlist и getstatus?

Мне присылает, что код используемого оператора забанен - предполагаю что именно из-за этого он и не выходит на связь...

Кто что может посоветовать?

352

Teltonika FM5300

Re: Teltonika FM5300

andr3008 wrote:

День добрый!
Есть вопросы касательно  FM5300:
1. Хотел бы уточнить, какая сейчас прошивка актуальная на FM5300.
2. Возникают проблемы с оборудованием, на некоторых моделях периодически приходят данные за будущей год.
Появляются пакеты за 2017,2019,2023 год. Возможно данная проблема уже известна, и есть какое то решение по ней.
В общей сложности имеется около 90 трекеров, примерно раз, два в месяц приходят  пакеты с кривыми данными. Такие данные шлют 6 трекеров,  остальные же трекеры работают без проблем. Трекеры все с одной партии, настройки идентичные на всех.

попробуйте сюда постучать: http://euromobile.ru

г. Ульяновск
ГК "NDS"
+79603727071
www.glonassuln.ru
353

Teltonika FM5300

Re: Teltonika FM5300

lexer wrote:
CrAzE wrote:

У меня возникла такая проблема: трекер не шлет инфу на сервер... вообще никакую и даже не пытается, по смс отвечает, как положено с координатами реальными. Вот я предпологаю моеж мне прошить его.

Господа, поделитесь прошивкой. пожалуйста.
crazeant@mail.ru

У меня такая же проблема, только с 5500.
Что у вас он отвечает на смс  log pass banlist и getstatus?

Мне присылает, что код используемого оператора забанен - предполагаю что именно из-за этого он и не выходит на связь...

Кто что может посоветовать?

Тогда вопрос: "как он Вам отвечает, если код оператора забанен?"
В первую очередь нужно посмотреть есть ли GPRS (команда getstatus).
Проверить в рабочем профиле "GPRS Week Time".
Лучше скиньте рабочую конфигурацию или ответы на смс-команды, а лучше лог с прибора, а то это все будет походить на "гадание на кофейной гущи".

Добавлено спустя   2 минуты  21 секунду:

andr3008 wrote:

День добрый!
Есть вопросы касательно  FM5300:
1. Хотел бы уточнить, какая сейчас прошивка актуальная на FM5300.
2. Возникают проблемы с оборудованием, на некоторых моделях периодически приходят данные за будущей год.
Появляются пакеты за 2017,2019,2023 год. Возможно данная проблема уже известна, и есть какое то решение по ней.
В общей сложности имеется около 90 трекеров, примерно раз, два в месяц приходят  пакеты с кривыми данными. Такие данные шлют 6 трекеров,  остальные же трекеры работают без проблем. Трекеры все с одной партии, настройки идентичные на всех.

Добрый день.
1. у нас есть 01.05.05
2. такого не встречал

354

Teltonika FM5300

(edited by lexer 13/09/2013 09:28:10)

Re: Teltonika FM5300

vasya_pupkin wrote:

Тогда вопрос: "как он Вам отвечает, если код оператора забанен?"
В первую очередь нужно посмотреть есть ли GPRS (команда getstatus).
Проверить в рабочем профиле "GPRS Week Time".
Лучше скиньте рабочую конфигурацию или ответы на смс-команды, а лучше лог с прибора, а то это все будет походить на "гадание на кофейной гущи".

Без понятия как он отвечает...)
Если не забанен, тогда что это за смс banlist ?
в getstatus gprs - 0, хотя на карточке GPRS активен, трафик есть (уточняли у оператора).
Лог сбросить не могу - прибор находиться у клиента в другом конце страны...

В конфиге gprs активен, апн есть..
GPRS Week Time в порядке во всех профилях..

конфиг

355

Teltonika FM5300

Re: Teltonika FM5300

У вас во всех профилях прописан один и тот же оператор (да и настройки одинаковые)! И в ГлобалПараметерс установлено переключение профилей при смене оператора. В мануале есть указание, что если ОператорЛист пустой во всех профилях, то прибор после включения остается в 3-м профиле и ЗАКРЫВАЕТ GPRS-сессию. Возможно, когда во всех профилях указан один и тот же оператор - это равносильно тому, что если бы Вы не указали операторов вообще. Скорее всего, прибор работает в профиле 3 с закрытой сессией.
Для корректной работы в домашней сети - настройте профиль 1 под домашнюю сеть.

356

Teltonika FM5300

Re: Teltonika FM5300

vasya_pupkin wrote:

Возможно, когда во всех профилях указан один и тот же оператор - это равносильно тому, что если бы Вы не указали операторов вообще.

Интересная версия.У меня тоже прописан во всех профилях один оператор,но таких проблем не возникало.

Добавлено спустя   8 минут  25 секунд:

Bender0711 wrote:
vasya_pupkin wrote:

Возможно, когда во всех профилях указан один и тот же оператор - это равносильно тому, что если бы Вы не указали операторов вообще.

Интересная версия.У меня тоже прописан во всех профилях один оператор,но таких проблем не возникало.

Извиняюсь,не обратил внимание,у меня смена профиля стоит на событие IO.

357

Teltonika FM5300

(edited by lexer 13/09/2013 12:21:58)

Re: Teltonika FM5300

vasya_pupkin wrote:

У вас во всех профилях прописан один и тот же оператор (да и настройки одинаковые)! И в ГлобалПараметерс установлено переключение профилей при смене оператора. В мануале есть указание, что если ОператорЛист пустой во всех профилях, то прибор после включения остается в 3-м профиле и ЗАКРЫВАЕТ GPRS-сессию. Возможно, когда во всех профилях указан один и тот же оператор - это равносильно тому, что если бы Вы не указали операторов вообще. Скорее всего, прибор работает в профиле 3 с закрытой сессией.
Для корректной работы в домашней сети - настройте профиль 1 под домашнюю сеть.

Нет, прибор сейчас перешел в 1й профиль.  И в принципе я его переводил смс в другой профиль, но в связи с отсутствием подключения он все равно уходит в первый.
И дело не в этом 100% - все приборы так настраивал всегда, как 4200 и тд и никогда подобного не встречал.

358

Teltonika FM5300

Re: Teltonika FM5300

lexer wrote:

Нет, прибор сейчас перешел в 1й профиль.  И в принципе я его переводил смс в другой профиль, но в связи с отсутствием подключения он все равно уходит в первый.
И дело не в этом 100% - все приборы так настраивал всегда, как 4200 и тд и никогда подобного не встречал.

На каком вы профиле обычно работаете?
Попробуйте послать смс чтоб переключение профилей происходило при событии IO,и установите переход на нужный вам профиль например при замыкании датчика зажигания,или тому подобный подсоединенный вход.после настройки желательно cpureset послать.

359

Teltonika FM5300

Re: Teltonika FM5300

Bender0711 wrote:
lexer wrote:

Нет, прибор сейчас перешел в 1й профиль.  И в принципе я его переводил смс в другой профиль, но в связи с отсутствием подключения он все равно уходит в первый.
И дело не в этом 100% - все приборы так настраивал всегда, как 4200 и тд и никогда подобного не встречал.

На каком вы профиле обычно работаете?
Попробуйте послать смс чтоб переключение профилей происходило при событии IO,и установите переход на нужный вам профиль например при замыкании датчика зажигания,или тому подобный подсоединенный вход.после настройки желательно cpureset послать.

По умолчанию 3 профиль стандартный - в нем прибор и работает.
Попробуемс, но не думаю.

Меня в любом случае интересует что за смс banlist...

360

Teltonika FM5300

Re: Teltonika FM5300

lexer wrote:

Меня в любом случае интересует что за смс banlist...

Попробуйте написать сюда helpdesk@teltonika.pro что значит banlist.
Должны помочь

361

Teltonika FM5300

Re: Teltonika FM5300

lexer wrote:
Bender0711 wrote:
lexer wrote:

Нет, прибор сейчас перешел в 1й профиль.  И в принципе я его переводил смс в другой профиль, но в связи с отсутствием подключения он все равно уходит в первый.
И дело не в этом 100% - все приборы так настраивал всегда, как 4200 и тд и никогда подобного не встречал.

На каком вы профиле обычно работаете?
Попробуйте послать смс чтоб переключение профилей происходило при событии IO,и установите переход на нужный вам профиль например при замыкании датчика зажигания,или тому подобный подсоединенный вход.после настройки желательно cpureset послать.

По умолчанию 3 профиль стандартный - в нем прибор и работает.
Попробуемс, но не думаю.

Меня в любом случае интересует что за смс banlist...

3-профиль - не "стандартный", а "стартовый". После старта, при обнаружении домашней сети (настроенной на профиль 1), прибор должен переключиться в 1-й профиль. Если он не переключается из 3-го, то скорее всего происходит то, о чем я писал выше. Не зря же Телтоника делает несколько рабочих профилей.
Попробуйте перенастроить прибор и перезагрузить его.

362

Teltonika FM5300

Re: Teltonika FM5300

У меня прибор показывает что он в одном городе,а машина уже за 150 км от этого места.Причём сообщения абсолютно нормальные,никакого подвоха.Есть версии в чём дело?На смс не отвечает.

363

Teltonika FM5300

Re: Teltonika FM5300

Bender0711 wrote:

У меня прибор показывает что он в одном городе,а машина уже за 150 км от этого места.Причём сообщения абсолютно нормальные,никакого подвоха.Есть версии в чём дело?На смс не отвечает.

Может завис...проверьте меняется ли широта и долгота, если нет, то завис

364

Teltonika FM5300

Re: Teltonika FM5300

graf1608 wrote:
Bender0711 wrote:

У меня прибор показывает что он в одном городе,а машина уже за 150 км от этого места.Причём сообщения абсолютно нормальные,никакого подвоха.Есть версии в чём дело?На смс не отвечает.

Может завис...проверьте меняется ли широта и долгота, если нет, то завис

Широта и долгота не меняются,меняется высота и кол-во спутников.
Прибор появился через два дня.после перезагрузки через смс ответил только часов через 6.

365

Teltonika FM5300

Re: Teltonika FM5300

подскажите пожалуйста за что отвечает param24 ?

366

Teltonika FM5300

Re: Teltonika FM5300

Bender0711 wrote:

подскажите пожалуйста за что отвечает param24 ?

RTFM
http://teltonika.org.ua/sites/default/f … l_v2.6.pdf
Страница 36

С уважением, команда Overseer.
Киев, Черкассы, Винница.
http://overseer.ua
367

Teltonika FM5300

Re: Teltonika FM5300

У меня похожая проблема, Телтоника 5300 постоянно шлет одну и ту же координату, видимо зависла sad
никогда не шил Телтонику, потому как все и так нормально работало, а сейчас видимо придется.
Чем и как шить Телтонику 5300 и какая прошивка на данный момент если не актуальная, то самая рабочая ?

помогите пожалуйста...
sivels@yandex.ru

368

Teltonika FM5300

Re: Teltonika FM5300

послал удаленно команду RESET GPS и RESET CPU вроде полегчало, впрос на долго ли...
как бороться с такими зависаниями, может отключить Глонас и оставить только Навстар ?

369

Teltonika FM5300

Re: Teltonika FM5300

Bender0711
Пришли пожалуйста прошивку Fateu@mail.ru

370

Teltonika FM5300

Re: Teltonika FM5300

Всем у кого "зависают" координаты. Выключите "Static Navigation Setting" в "Gloibal Parameters". СМС команда:
sn 0
Если не помогает обновляйте прошивку.

371

Teltonika FM5300

Re: Teltonika FM5300

Подскажите, пожалуйста, существует ли версия прошивки новее 1.2.9 ?
Второй вопрос больше для ветки с CAN, но все же: никто не сталкивался с проблемами чтения FMS по CAN шине? Сканер CAN в конфигураторе работает?

372

Teltonika FM5300

(edited by DR.MASKOVCEV 10/10/2013 18:55:58)

Re: Teltonika FM5300

Внешний спутниковый модем SM-1 как подключить по 232 интерфейсу к FM5300 чтобы передавались пакеты на сервер ??

373

Teltonika FM5300

Re: Teltonika FM5300

DR.MASKOVCEV wrote:

Внешний спутниковый модем SM-1 как подключить по 232 интерфейсу к FM5300 чтобы передавались пакеты на сервер ??

Теоретически NMEA данные можно получить по кабелю Port3, идущему в комплекте с трекером. Завтра уточню у производителя.

С уважением, Вадим Погорелый.
www.treksystems.ru
vadim@m2m-trade.ru
374

Teltonika FM5300

Re: Teltonika FM5300

vpogorely wrote:
DR.MASKOVCEV wrote:

Внешний спутниковый модем SM-1 как подключить по 232 интерфейсу к FM5300 чтобы передавались пакеты на сервер ??

Теоретически NMEA данные можно получить по кабелю Port3, идущему в комплекте с трекером. Завтра уточню у производителя.

там скорее надо будет поддерживать непосредственно сам спутниковый модем в прошивке трекера. сколько на это потребуется времени ?

375

Teltonika FM5300

Re: Teltonika FM5300

Заказ спец. прошивки - это вопрос не только времени, а в первую очередь, цены. Сделаете производителю предложение, от которого они не смогут отказаться.

376

Teltonika FM5300

Re: Teltonika FM5300

DR.MASKOVCEV
Обратитесь к нам. Мы как раз прикручиваем спутниковый модем.

http://euromobile.ru Официальный дистрибьютор Teltonika на территории РФ и СНГ
Skype: gamov.euroml
377

Teltonika FM5300

Re: Teltonika FM5300

Какую модель прикручиваете?

378

Teltonika FM5300

(edited by lexer 16/10/2013 10:56:57)

Re: Teltonika FM5300

Добрый день, кому не жалко, поделитесь примером рабочего конфига под роуминг.
Цель - в роуминге, если в стране нет партнеров у оператора то чтобы просто собирал точки в память, а если есть то передавало из памяти по 25 точек за раз.
то есть я так понимаю, что нужно настроить 3 профиля: Допустим 1й - домашняя сеть(прописываю код домашней сети), 2й - роуминг в странах где есть партнеры(прописываю коды операторов партнеров), 3й - просто сбор точек в память( в поле код оператора оставляю 0). И по возможности чтобы не держал постоянно открытую сессию.

Просто на данный момент примерно так и настроено, но он почему-то начал передавать точки с первого профиля, хотя там прописан только код домашней сети... возможно ли такое?
_______

Если все же не жалко какой-то конфиг для примера, то сбросьте плиз на roman.grytsenko@uonline.com.ua
подойдет конфиг для 4200 и 5500 - разберусь. да и для 1100 тоже, главное хоть какой-то пример.

Заранее благодарен

379

Teltonika FM5300

Re: Teltonika FM5300

здравствуйте всем. нужна ваша помощь по настройке устройства. стоит задача настроить его так, чтобы во время езды оно отправляло данные раз в минуту. а во время стоянки раз в пять минут. понял что нужно по разному настроить профили, но как, не понял). помогите, если можете отправьте конфиг на genakim90@gmail.com.
спасибо!

380

Teltonika FM5300

Re: Teltonika FM5300

inter wrote:

здравствуйте всем. нужна ваша помощь по настройке устройства. стоит задача настроить его так, чтобы во время езды оно отправляло данные раз в минуту. а во время стоянки раз в пять минут. понял что нужно по разному настроить профили, но как, не понял). помогите, если можете отправьте конфиг на genakim90@gmail.com.
спасибо!

написал на почту.

381

Teltonika FM5300

Re: Teltonika FM5300

Доброго времени суток! Коллеги, поделитесь пожалуйста последней прошивкой для 5300! Нууууу ооочень надо! Почта makschyev@mail.ru 
Заранее спасибо!!!

http://glonass-center.net/
ГЛОНАСС ЦЕНТР г. Барнаул.
382

Teltonika FM5300

Re: Teltonika FM5300

glcenter wrote:

Доброго времени суток! Коллеги, поделитесь пожалуйста последней прошивкой для 5300! Нууууу ооочень надо! Почта makschyev@mail.ru 
Заранее спасибо!!!

проверяйте почту

Добавлено спустя   1 минуту  18 секунд:

lexer wrote:

Добрый день, кому не жалко, поделитесь примером рабочего конфига под роуминг.
Цель - в роуминге, если в стране нет партнеров у оператора то чтобы просто собирал точки в память, а если есть то передавало из памяти по 25 точек за раз.
то есть я так понимаю, что нужно настроить 3 профиля: Допустим 1й - домашняя сеть(прописываю код домашней сети), 2й - роуминг в странах где есть партнеры(прописываю коды операторов партнеров), 3й - просто сбор точек в память( в поле код оператора оставляю 0). И по возможности чтобы не держал постоянно открытую сессию.

Просто на данный момент примерно так и настроено, но он почему-то начал передавать точки с первого профиля, хотя там прописан только код домашней сети... возможно ли такое?
_______

Если все же не жалко какой-то конфиг для примера, то сбросьте плиз на roman.grytsenko@uonline.com.ua
подойдет конфиг для 4200 и 5500 - разберусь. да и для 1100 тоже, главное хоть какой-то пример.

Заранее благодарен

Что, ни у кого нет? sad

383

Teltonika FM5300

Re: Teltonika FM5300

Dmitriy wrote:

DR.MASKOVCEV
Обратитесь к нам. Мы как раз прикручиваем спутниковый модем.

какой модем ? к чему ? и когда ?

384

Teltonika FM5300

Re: Teltonika FM5300

Всем доброе время суток! Проведите ликбез...на teltonika конфигураторы под каждую серию приборов отдельные?
Был бы очень признателен, если бы сбросили на почту ssm-kuzbass@yandex.ru всё что может быть полезным с teltonika
Заранее спасибо!

385

Teltonika FM5300

Re: Teltonika FM5300

SSM-K wrote:

Всем доброе время суток! Проведите ликбез...на teltonika конфигураторы под каждую серию приборов отдельные?
Был бы очень признателен, если бы сбросили на почту ssm-kuzbass@yandex.ru всё что может быть полезным с teltonika
Заранее спасибо!

Часто в зависимости от версии прошивки нужен соответствующий конфигуратор.
Проверьте почту.

386

Teltonika FM5300

Re: Teltonika FM5300

lexer wrote:
SSM-K wrote:

Всем доброе время суток! Проведите ликбез...на teltonika конфигураторы под каждую серию приборов отдельные?
Был бы очень признателен, если бы сбросили на почту ssm-kuzbass@yandex.ru всё что может быть полезным с teltonika
Заранее спасибо!

Часто в зависимости от версии прошивки нужен соответствующий конфигуратор.
Проверьте почту.

Получил! Спасибо Вам человеческое!

387

Teltonika FM5300

(edited by gpsfreetrack 25/10/2013 16:18:00)

Re: Teltonika FM5300

TScontrol wrote:

У нас в хранилище теперь, помимо инструкций, лежат архивы прошивка+конфигуратор. Дабы не возникало путаниц какой конфигуратор для какой прошивки использовать. В архиве всегда совместимые версии.

Всё ок, Спасибо!

А где можно найти архивы прошивка+конфигуратор. Дабы не возникало путаниц???? потому что все время путаешься чтоб все было нормально, т.к. иногда из-за несоответствия бывают прострелы или другие проблемы((( Если можно скинуть на  мейл office@freetrack.com.ua Большое спс

388

Teltonika FM5300

Re: Teltonika FM5300

gpsfreetrack wrote:
TScontrol wrote:

У нас в хранилище теперь, помимо инструкций, лежат архивы прошивка+конфигуратор. Дабы не возникало путаниц какой конфигуратор для какой прошивки использовать. В архиве всегда совместимые версии.

Всё ок, Спасибо!

А где можно найти архивы прошивка+конфигуратор. Дабы не возникало путаниц???? потому что все время путаешься чтоб все было нормально, т.к. иногда из-за несоответствия бывают прострелы или другие проблемы((( Если можно скинуть на  мейл office@freetrack.com.ua Большое спс

Посмотрите здесь http://avl1.teltonika.lt/downloads/

389

Teltonika FM5300

Re: Teltonika FM5300

Помогите по ПО разобраться, конфиг-р освоили, с прошивкой тоже ничего сложного, а вот с программкой Terminal для просмотра текущих сообщений - проблемки.
Сегодня подключались - слал данные LLS, прошло пару часов - пишет про режим модема. Какие настройки должны быть или как отсеять лишнюю информацию помимо LLS?

390

Teltonika FM5300

Re: Teltonika FM5300

здравствуйте. помогите!) устанавливаем 5300 на машины. но есть вероятность, что водители откручивают антенны. можете подсказать как вы боритесь с такой ситуацией. боксы какие нибудь либо пломба?

391

Teltonika FM5300

Re: Teltonika FM5300

inter wrote:

здравствуйте. помогите!) устанавливаем 5300 на машины. но есть вероятность, что водители откручивают антенны. можете подсказать как вы боритесь с такой ситуацией. боксы какие нибудь либо пломба?

А почему думаете что водители их откручивают? Мы в защитный корпус опломбированный ставим контроллер со всеми проводами.
Пломбы тоже можно сделать - мотаете изолентой разъёмы и клеете маленькую наклейку-логотип компании на верхнем стыке слоёв изоленты. Т.е. чтобы убрать изоленту - прийдётся оторвать наклейку. Но бокс надёжней...тем более за металлический 200руб отдать совсем не жалко

392

Teltonika FM5300

Re: Teltonika FM5300

Но бокс надёжней...тем более за металлический 200руб отдать совсем не жалко

А ссылочку на то где преобрести можно?

393

Teltonika FM5300

Re: Teltonika FM5300

Malefis wrote:

Но бокс надёжней...тем более за металлический 200руб отдать совсем не жалко

А ссылочку на то где преобрести можно?

Алвима называется контора, в Новосибирске, продают и готовые боксы и по схеме также делают. При заказе от 100шт, насколько я помню по Вашей схеме 200р/шт получится
http://alvima.ru/prais.html
У них на сайте всё сыро, скажите прям что хотите металлические диэлектрические боксы.

394

Teltonika FM5300

Re: Teltonika FM5300

Переустановил Windows,подключаю FM5300 нет драйвера ,автоматически не находит.Есть у кого дрова???
Заранее благодарен!!!

395

Teltonika FM5300

Re: Teltonika FM5300

Bender0711 wrote:

Переустановил Windows,подключаю FM5300 нет драйвера ,автоматически не находит.Есть у кого дрова???
Заранее благодарен!!!

Отправил в почту.

396

Teltonika FM5300

Re: Teltonika FM5300

Bear_mur wrote:
Bender0711 wrote:

Переустановил Windows,подключаю FM5300 нет драйвера ,автоматически не находит.Есть у кого дрова???
Заранее благодарен!!!

Отправил в почту.

не пришло ничего nazarenko@evminform.ru
сожмите в zip и измените формат на зип.Иначе иногда не пропускает.Спасибо.

397

Teltonika FM5300

Re: Teltonika FM5300

Поделитесь пожалуйста последней версией прошивки с конфигуратором! Бесконечная благодарность уже мчится к вам smile

398

Teltonika FM5300

Re: Teltonika FM5300

Господа, подскажите где скачать формуляр паспорта на 5300, потеряли свой, надо клиенту выдать.

399

Teltonika FM5300

Re: Teltonika FM5300

Здесь есть и конфигуратор последней версии(1.6.0.0) и драйвер(vcpdriver).

С уважением, Вячеслав.
400

Teltonika FM5300

Re: Teltonika FM5300

Ключевое слово с моём вопросе было "прошивка". Конфигуратор без прошивки вообще никому не нужен, ибо у них должна быть совместимость, а она есть далеко не у каждой версии.

401

Teltonika FM5300

Re: Teltonika FM5300

У кого приобрели - у того и запросите - предоставят безпроблемно

402

Teltonika FM5300

(edited by CnApTaK 19/11/2013 16:51:56)

Re: Teltonika FM5300

Беспроблемно только долго. На этом формуе есть ребята более отзывчивые и не такие медлительные как производитель и его отдел поддержки. Если мне понадобиться совет, у кого спрашивать прошивку, я обращусь к вам за этим советом. А пока вопрос был иной.

403

Teltonika FM5300

(edited by SibNaviCom 19/11/2013 16:53:34)

Re: Teltonika FM5300

Дерзковато:) Да и ладно:) +1

404

Teltonika FM5300

Re: Teltonika FM5300

TK-SK wrote:

Если бы все было так просто, тогда можно было бы заявить, что все интерфейсы подключаются на 1 дискретный вход через конвертер, который передает туда данные азбукой Морзе.

+1 К карме

WialonEast
Манаев Денис
wialoneast.ru     ceo@wialon.asia
+79084444444
405

Teltonika FM5300

Re: Teltonika FM5300

Denis wrote:
TK-SK wrote:

Если бы все было так просто, тогда можно было бы заявить, что все интерфейсы подключаются на 1 дискретный вход через конвертер, который передает туда данные азбукой Морзе.

+1 К карме

._ --. ._ )))

406

Teltonika FM5300

Re: Teltonika FM5300

CnApTaK wrote:

Поделитесь пожалуйста последней версией прошивки с конфигуратором! Бесконечная благодарность уже мчится к вам smile

см. почту

407

Teltonika FM5300

(edited by alex_gps 11/12/2013 22:22:11)

Re: Teltonika FM5300

кто помнит FM4200 + ES2
param201=128 (это код обрыва или нет связи с дутом)
param201=249 ???
param201=250 ???

408

Teltonika FM5300

Re: Teltonika FM5300

alex_gps wrote:

кто помнит FM4200 + ES2
param201=128 (это код обрыва или нет связи с дутом)
param201=249 ???
param201=250 ???

ID 201 - LLS fuel temperature - температура топлива

С уважением, команда Overseer.
Киев, Черкассы, Винница.
http://overseer.ua
409

Teltonika FM5300

Re: Teltonika FM5300

overseer wrote:
alex_gps wrote:

кто помнит FM4200 + ES2
param201=128 (это код обрыва или нет связи с дутом)
param201=249 ???
param201=250 ???

ID 201 - LLS fuel temperature - температура топлива

нашел на форуме что там же идут коды ошибок дута....и коды ошибок и отрицательная тем-ра совпадает, нужно таблицу перетарировки создавать именно что бы отрицательная тем-ра топлива правильно показывалась
206 - -(минус) 50
256 - 0

410

Teltonika FM5300

Re: Teltonika FM5300

Ставим fm5300, поставщики скинули firmware 01.05.05. Все вроде хорошо было, на одной из машин зависают координаты, т.е. все хорошо работает, рисует ровный трек,не звездит, пропусков нет, потом машина стоит на месте, шлет сообщения с одними и теми же координатами, хотя фактически уже давно находится в другом месте, спутники захвачены. Сталкивался кто-нибудь? Что это может быть? Заранее спасибо, буду признателен, если поделитесь более свежей прошивкой и удачной конфигурацией. smarts.vrn@gmail.com

411

Teltonika FM5300

Re: Teltonika FM5300

TAY36 wrote:

Ставим fm5300, поставщики скинули firmware 01.05.05. Все вроде хорошо было, на одной из машин зависают координаты, т.е. все хорошо работает, рисует ровный трек,не звездит, пропусков нет, потом машина стоит на месте, шлет сообщения с одними и теми же координатами, хотя фактически уже давно находится в другом месте, спутники захвачены. Сталкивался кто-нибудь? Что это может быть? Заранее спасибо, буду признателен, если поделитесь более свежей прошивкой и удачной конфигурацией. smarts.vrn@gmail.com

StaticNavigation скорей всего включен, надо отключить. Прошивку с конфиг-м в понедельник только скинуть смогу

412

Teltonika FM5300

Re: Teltonika FM5300

Спасибо большое! Будем очень ждать! Сейчас попробую удаленно отключить. Шлю на трекер sn 0. Должно помочь?

413

Teltonika FM5300

(edited by SSM-K 14/12/2013 09:13:57)

Re: Teltonika FM5300

TAY36 wrote:

Спасибо большое! Будем очень ждать! Сейчас попробую удаленно отключить. Шлю на трекер sn 0. Должно помочь?

Теоретически должно. И ребут сделайте после, желательно.
На приборе должно быть включено - настройка через СМС
Письмо с файлом не доходит, скачайте по ссылке http://yadi.sk/d/RUoOTpI-EHnHC

414

Teltonika FM5300

Re: Teltonika FM5300

На приборе все включено, номер, логи,пароль забиты. Выключили статическую навигацию, сделали перезагрузку, пока вроде все работает. Огромное спасибо, рейтинг плюсую. Только в архиве не увидел прошивку и конфиг для 5300. pirogov_anton@mail.ru

415

Teltonika FM5300

Re: Teltonika FM5300

TAY36 wrote:

На приборе все включено, номер, логи,пароль забиты. Выключили статическую навигацию, сделали перезагрузку, пока вроде все работает. Огромное спасибо, рейтинг плюсую. Только в архиве не увидел прошивку и конфиг для 5300. pirogov_anton@mail.ru

Извиняюсь, на FM5500 кидал последнюю версию... 5300 уже давно не обновляли, свежих нет к сожалению.
Рад что помог.

416

Teltonika FM5300

Re: Teltonika FM5300

хм... что-то лыжи не едут... От одной из машин, к слову которая исправно работала продолжительное время, сообщения стали приходить редко, зависает на месте. Машина уже стоит, скорость висит одна и та же. Ответ на смс пришел только через день. Что это может быть? Позиция определена 20 часов назад.

417

Teltonika FM5300

Re: Teltonika FM5300

TAY36 wrote:

хм... что-то лыжи не едут... От одной из машин, к слову которая исправно работала продолжительное время, сообщения стали приходить редко, зависает на месте. Машина уже стоит, скорость висит одна и та же. Ответ на смс пришел только через день. Что это может быть? Позиция определена 20 часов назад.

Попробуй отключи статическую навигацию,и перезагрузи. setparam 107 0

418

Teltonika FM5300

Re: Teltonika FM5300

Сейчас послал смс sn 0. Ответа не последовало. Уже начинаю грешить на качество или на вандализм.

419

Teltonika FM5300

Re: Teltonika FM5300

TAY36 wrote:

Сейчас послал смс sn 0. Ответа не последовало. Уже начинаю грешить на качество или на вандализм.

А при чём здесь SN 0????

420

Teltonika FM5300

(edited by TAY36 14/01/2014 12:34:48)

Re: Teltonika FM5300

Команда sn 0 отключает статическую навигацию. Также, как это делает и setparam с параметром 107 и значением 0. Меня беспокоит то, что он даже на гетинфо отвечает не сразу. Сейчас вообще не отвечает. Звоню на симку - абонент недоступен. Машинка от нас находится не близко. Один раз все же ответил на getinfo

INI: 2013/11/21 5:4 RTC: 2014/1/13 7:52 RST:5087 ERR 4581 SR 219979 BR 0 CF 0 FG 0 FL 0 UT 0 P 3 0;0;0;1;- SMS 0 NOGPS 0:39 GPS 3 SAT 19 RS 3 DF 8142

Кто, что скажет?

421

Teltonika FM5300

Re: Teltonika FM5300

Здраваствуйте. Какая самая свежая (стабильная)  прошивка на 5300 если не сложно скиньте прошивку и updater на safelife@mail.ru

422

Teltonika FM5300

Re: Teltonika FM5300

TAY36 wrote:

Команда sn 0 отключает статическую навигацию. Также, как это делает и setparam с параметром 107 и значением 0. Меня беспокоит то, что он даже на гетинфо отвечает не сразу. Сейчас вообще не отвечает. Звоню на симку - абонент недоступен. Машинка от нас находится не близко. Один раз все же ответил на getinfo

INI: 2013/11/21 5:4 RTC: 2014/1/13 7:52 RST:5087 ERR 4581 SR 219979 BR 0 CF 0 FG 0 FL 0 UT 0 P 3 0;0;0;1;- SMS 0 NOGPS 0:39 GPS 3 SAT 19 RS 3 DF 8142

Кто, что скажет?

Много ошибок и перезагрузок. Для детального ответа необходим лог прибора.
Прибор "в домашней" или "в роуминге"? Такое впечатление, что прибор не может зарегистрироваться в сети оператора.
Может есть хотя бы конфиг прибора?

423

Teltonika FM5300

Re: Teltonika FM5300

В роуминге находился, через некоторое время все нормализовалось. Но появилась еще одна машинка с подобной проблемой. По области все отлично, часто посылает сообщения на сервер. Сейчас выехала за пределы области, шлет раз в 30 мин, раз в 4 часа, иногда вообще отключена от сервера. Что удаленно можно сделать?

424

Teltonika FM5300

Re: Teltonika FM5300

TAY36 wrote:

В роуминге находился, через некоторое время все нормализовалось. Но появилась еще одна машинка с подобной проблемой. По области все отлично, часто посылает сообщения на сервер. Сейчас выехала за пределы области, шлет раз в 30 мин, раз в 4 часа, иногда вообще отключена от сервера. Что удаленно можно сделать?

Нужно проверить через команду getinfo в каком профиле находится трекер. Команду надо отправить в то время, когда появляется проблема.

С уважением, Вадим Погорелый.
www.treksystems.ru
vadim@m2m-trade.ru
425

Teltonika FM5300

Re: Teltonika FM5300

Спасибо. 13 часов уже трекер не подключен к серверу, находится в Волгоградской области, симка МТС. Грешу на связь. Все 3 профиля настроены одинаково, переключение отключено. Если есть у кого адекватный конфиг, скиньте пожалуйста pirogov_anton@mail.ru

426

Teltonika FM5300

(edited by TAY36 06/02/2014 12:26:27)

Re: Teltonika FM5300

Ответ трекера INI:2014/2/3 12:16 RTC:2014/2/6 5:4 RST:1781 ERR:1631 SR:6030 BR:0 CF:0 FG:0 FL:0 UT:0 P:3;0;0;0;1;0 SMS:2 NOGPS:0:0 GPS:3 SAT:19 RS:5 RF:2938

От другого с подобной проблемой:

Data Link: 0 GPRS: 1 Phone: 0 SIM: 0 OP: 25001 Signal: 3 NewSMS: 0 Roaming: 0 SMSFull: 0 LAC: 2701 Cell ID: 1126
13:20:10   
INI:2014/1/16 13:48 RTC:2014/2/6 8:17 RST:883 ERR:426 SR:13320 BR:0 CF:0 FG:0 FL:0 UT:0 SMS:1 NOGPS:0:7 GPS:3 SAT:14 RS:5 MD:1 RF:1

Если есть возможность, просмотрите конфиг и подскажите как и что нужно исправить и возможно ли это сделать удаленно.
http://yadi.sk/d/PhnJuEeXHQF66 Конфиг

427

Teltonika FM5300

Re: Teltonika FM5300

Будьте добры, поделитесь последней версией прошивки вместе с подходящим для неё конфигуратором! Спасибо.

428

Teltonika FM5300

(edited by TAY36 06/02/2014 12:41:54)

Re: Teltonika FM5300

CnApTaK wrote:

Будьте добры, поделитесь последней версией прошивки вместе с подходящим для неё конфигуратором! Спасибо.

Отправил в ЛС ссылку на имеющийся.

С пропажей машин проблему не решили. Очень жду помощи.

429

Teltonika FM5300

Re: Teltonika FM5300

TAY36 wrote:
CnApTaK wrote:

Будьте добры, поделитесь последней версией прошивки вместе с подходящим для неё конфигуратором! Спасибо.

Отправил в ЛС ссылку на имеющийся.

С пропажей машин проблему не решили. Очень жду помощи.

Благодарность!
Что за пропажа?
Судя по RST:1781 ERR:1631 у вас проблемы с устройством или с его подключением (питанием например).
Судя по P:3 он в третьем профиле. В котором у вас отличаются настройки от первых двух. Например прописан оператор 25001. Может он не видит оператора?

430

Teltonika FM5300

Re: Teltonika FM5300

Так, по питанию перебоев быть не должно, когда на связь выходит видно, что напряжение в норме. Действительно в 3 профиле прописан оператор 25001. Разве не так должно быть? Чуть выше я скинул конфиг, если не затруднит, подскажите что не так и как удаленно исправить. Заранее спасибо.

431

Teltonika FM5300

Re: Teltonika FM5300

Можно мне тоже последнюю прошивку с последним конфигуратором?
aorlovskiy@ermasoft.ru

432

Teltonika FM5300

Re: Teltonika FM5300

добрый день коллеги!
При программировании прибора совершили косяк, не забили в прошивку прибора авторизованный номер для управления параметров через смс.Нужно пару приборов перенастроить IP адрес и порт в 1 и 3 профилях.В виалоне про забил команды по перепрограммированию через GPRS канал но треугольник активности GPRS напротив объекта не активируется вообще, прибор видно в системе, соединение есть с сервером, а вот автивности нет, как например в галилео.Помогите кто чем сможет.

433

Teltonika FM5300

Re: Teltonika FM5300

смсками настройте и не мучайтесь с пзкы настройкой

434

Teltonika FM5300

Re: Teltonika FM5300

При программировании прибора совершили косяк, не забили в прошивку прибора авторизованный номер для управления параметров через смс.  53 вообще не реагирует на смс вот в чем проблема, другие то без проблем перестроил, где был забит номер авторизованный, и авторизовать не получается

435

Teltonika FM5300

Re: Teltonika FM5300

если не вбили номер - значит возможно с любого номера настраивать. Логин и пароль помните?

436

Teltonika FM5300

Re: Teltonika FM5300

нет ни того ни другого(в смысле не программировали), я помню была такая ситуация давненько, там в настройках конфига если галка не стоит , то через смс врообще не конфигурится, если я помню, по моему так, прибор принимает команды но не реагирует и логин и пароль есть, другие без проблем подобные программнул

437

Teltonika FM5300

Re: Teltonika FM5300

если логина и пароля нет. то ставьте два пробела перед командой и будет все ОК

438

Teltonika FM5300

Re: Teltonika FM5300

Спасибо за совет - попробую

439

Teltonika FM5300

Re: Teltonika FM5300

как настроете - ставьте логин, потом пароль и потом если надо авторизованный номер добавляйте

440

Teltonika FM5300

Re: Teltonika FM5300

Спасибо коллега, помогло с 2 пробелами по смс переконфигурить

441

Teltonika FM5300

Re: Teltonika FM5300

Данная тема обсуждается здесь. Тема будет закрыта.

Виталий Дмитренко
Gurtam
442

Teltonika FM5300

(edited by TAY36 13/02/2014 10:38:20)

Re: Teltonika FM5300

Проблема с пропажей решена(косяки оператора). AlexanderO, выслал в ЛС

443

Teltonika FM5300

(edited by ZxR 14/02/2014 12:31:24)

Re: Teltonika FM5300

Можно и мне последнюю прошивку ?
z.grigorev@ttrackgps.com

444

Teltonika FM5300

Re: Teltonika FM5300

Добрый день всем!
Тоже возникла проблема с "затыканием" блока. Объект висит на одном месте 20 часов. На смс отвечает. Во вкладке "мониторинг" я вижу, что терминал подключается к серверу. Техподдержка говорит, что объект присылает данные с одним и тем же временем. Хотя в ответ на смс запрос блок выдает другие координаты и текущее время... Сталкивался ли кто-нибудь с такой проблемой??.

P.S. Блок не перезапускал пока. Кстати, вопрос - при выполнении команды cpureset происходит ли стирание записей во флеш памяти?

445

Teltonika FM5300

Re: Teltonika FM5300

woollen wrote:

Добрый день всем!
Тоже возникла проблема с "затыканием" блока. Объект висит на одном месте 20 часов. На смс отвечает. Во вкладке "мониторинг" я вижу, что терминал подключается к серверу. Техподдержка говорит, что объект присылает данные с одним и тем же временем. Хотя в ответ на смс запрос блок выдает другие координаты и текущее время... Сталкивался ли кто-нибудь с такой проблемой??.

P.S. Блок не перезапускал пока. Кстати, вопрос - при выполнении команды cpureset происходит ли стирание записей во флеш памяти?

У нас на 1100 было не некоторых подобные зависания. Перезагрузка помогала. Но у нас и координаты не обновлялись совсем. По идее данные не должны удалиться, они же в энергонезависимой памяти.

http://glonass-center.net/
ГЛОНАСС ЦЕНТР г. Барнаул.
446

Teltonika FM5300

Re: Teltonika FM5300

В общем, перезагрузка помогла частично. Блок выплюнул пару сообщений и снова завис. Пока не удалил все записи в буфере. После этого  сообщения идут нормально, но появилась другая проблема. Перестал отвечать на смс и не видит топливо. Ни фига не понимаю(((.

447

Teltonika FM5300

Re: Teltonika FM5300

woollen wrote:

В общем, перезагрузка помогла частично. Блок выплюнул пару сообщений и снова завис. Пока не удалил все записи в буфере. После этого  сообщения идут нормально, но появилась другая проблема. Перестал отвечать на смс и не видит топливо. Ни фига не понимаю(((.

может быть перешел в другой профиль, в котором не открыты аналоговые входы. Попробуйте перевести в другой профиль. вместо логина и пароля поставьте 2 пробела.

http://glonass-center.net/
ГЛОНАСС ЦЕНТР г. Барнаул.
448

Teltonika FM5300

Re: Teltonika FM5300

еще вспомнил (уже больше года не работаем с тельтоникой)))) есть параметр static navigation mode, попробуйте его в disable перевести!

http://glonass-center.net/
ГЛОНАСС ЦЕНТР г. Барнаул.
449

Teltonika FM5300

Re: Teltonika FM5300

Вроде бы начал отвечать на смс. Сейчас попробую профиль поменять, но, я так понимаю, если бы аналоговые входы не были бы открыты, то и в теле сообщения их бы не было. А они есть, только вместо нормального вольтажа, там 0,17 вольта, как будто нет питания на датчиках....

450

Teltonika FM5300

Re: Teltonika FM5300

Мне в ответ на команду getgps прислал ответ: WARNING! GPS data not available. Clock not synchronized
Что бы это могло значить? Перезагрузить не удается,  getio отвечает

вы тут немного подварите, а я дома проволокой намертво примотаю
+79634551777
451

Teltonika FM5300

Re: Teltonika FM5300

mykola wrote:

Мне в ответ на команду getgps прислал ответ: WARNING! GPS data not available. Clock not synchronized
Что бы это могло значить? Перезагрузить не удается,  getio отвечает

Нет даных GPS, часы не синхронизированы. Поймает спутники и выйдет на связь.

http://glonass-center.net/
ГЛОНАСС ЦЕНТР г. Барнаул.
452

Teltonika FM5300

Re: Teltonika FM5300

glcenter wrote:
mykola wrote:

Мне в ответ на команду getgps прислал ответ: WARNING! GPS data not available. Clock not synchronized
Что бы это могло значить? Перезагрузить не удается,  getio отвечает

Нет даных GPS, часы не синхронизированы. Поймает спутники и выйдет на связь.

часа 3 уже ловит спутники, очень странно это

вы тут немного подварите, а я дома проволокой намертво примотаю
+79634551777
453

Teltonika FM5300

Re: Teltonika FM5300

getweektime прислал ответ, я ему включил третий профиль, все равно нифига, cpureset сделал и стер все записи. Какая-то фигня с прибором, явно

вы тут немного подварите, а я дома проволокой намертво примотаю
+79634551777
454

Teltonika FM5300

Re: Teltonika FM5300

данные будет отправлять только когда увидит спутники. В некоторых блоках есть настройка по игнорированию сего момента

455

Teltonika FM5300

Re: Teltonika FM5300

mykola wrote:
glcenter wrote:
mykola wrote:

Мне в ответ на команду getgps прислал ответ: WARNING! GPS data not available. Clock not synchronized
Что бы это могло значить? Перезагрузить не удается,  getio отвечает

Нет даных GPS, часы не синхронизированы. Поймает спутники и выйдет на связь.

часа 3 уже ловит спутники, очень странно это

Объект случайно не в боксе стоит?

http://glonass-center.net/
ГЛОНАСС ЦЕНТР г. Барнаул.
456

Teltonika FM5300

Re: Teltonika FM5300

mykola wrote:
glcenter wrote:
mykola wrote:

Мне в ответ на команду getgps прислал ответ: WARNING! GPS data not available. Clock not synchronized
Что бы это могло значить? Перезагрузить не удается,  getio отвечает

Нет даных GPS, часы не синхронизированы. Поймает спутники и выйдет на связь.

часа 3 уже ловит спутники, очень странно это

у нас такое было, когда GPS антенну оторвали) пришлось ехать и заменить

457

Teltonika FM5300

Re: Teltonika FM5300

glcenter wrote:

Объект случайно не в боксе стоит?

На улице

вы тут немного подварите, а я дома проволокой намертво примотаю
+79634551777
458

Teltonika FM5300

Re: Teltonika FM5300

inter wrote:

у нас такое было, когда GPS антенну оторвали) пришлось ехать и заменить

Возможно такое, т.к. param69 не отправляет вообще. Завтра поеду и посмотрю

вы тут немного подварите, а я дома проволокой намертво примотаю
+79634551777
459

Teltonika FM5300

Re: Teltonika FM5300

можно ли через смс заставить 5300 работать, например, по 3 профилю?

460

Teltonika FM5300

Re: Teltonika FM5300

inter wrote:

можно ли через смс заставить 5300 работать, например, по 3 профилю?

Да, можно.ь Есть соответствующая СМС команда:
loadprofile#
Пример:
login pass loadprofile3

С уважением, Вячеслав.
461

Teltonika FM5300

Re: Teltonika FM5300

argon wrote:
inter wrote:

можно ли через смс заставить 5300 работать, например, по 3 профилю?

Да, можно.ь Есть соответствующая СМС команда:
loadprofile#
Пример:
login pass loadprofile3

спасибо

462

Teltonika FM5300

Re: Teltonika FM5300

возникла проблема. имеется прибор 5300, он работал нормально. но в один момент перестал отправлять данные. проверял через команды getgps, getstatus, ответы приходят. проверил настройки, 1-й профиль почти все параметры изменились по на дефолтные. переключил трекер на 3 профиль все равно не работает. решил настроить 1-й, переключил на него. в итоге все равно не приходят данные. в чем может быть проблема? и возможно ли настроить удаленно?

463

Teltonika FM5300

Re: Teltonika FM5300

удаленно = только смсками. проверьте код оператора. это первым делом

464

Teltonika FM5300

Re: Teltonika FM5300

inter wrote:

возникла проблема. имеется прибор 5300, он работал нормально. но в один момент перестал отправлять данные. проверял через команды getgps, getstatus, ответы приходят. проверил настройки, 1-й профиль почти все параметры изменились по на дефолтные. переключил трекер на 3 профиль все равно не работает. решил настроить 1-й, переключил на него. в итоге все равно не приходят данные. в чем может быть проблема? и возможно ли настроить удаленно?

Мне удалось реанимировать только после того, как стер все сообщения в буфере.
deleterecords

465

Teltonika FM5300

Re: Teltonika FM5300

спасибо за ответы) но все равно не получилось. просто странно, что координаты он дает (ответ по смс), ошибок нет, код оператора тоже проверил, перенастроил все 4 профиля через смс))) жалко

466

Teltonika FM5300

Re: Teltonika FM5300

Здравствуйте, какая прошивка на данный момент актуальна и без глюков?

467

Teltonika FM5300

Re: Teltonika FM5300

PavV wrote:

Здравствуйте, какая прошивка на данный момент актуальна и без глюков?

Сейчас  работаем с 01.06.02 вроде даже статическая навигация работает корректно(пока  не было зависания на месте),да и ДУТ через цифровой порт работает без осечек(только глюк с передачей температуры цифрового ДУТ ,так и не решился)

468

Teltonika FM5300

Re: Teltonika FM5300

Добрый день! Посоветуйте, пожалуйста, аналог 5300 по цене и качеству. Необходима возможность работы с двумя аналоговыми ДУТ. Спасибо.

469

Teltonika FM5300

Re: Teltonika FM5300

TAY36 wrote:

Добрый день! Посоветуйте, пожалуйста, аналог 5300 по цене и качеству. Необходима возможность работы с двумя аналоговыми ДУТ. Спасибо.

Gallileo lite.И проблем не будешь знать!

470

Teltonika FM5300

Re: Teltonika FM5300

Галилео лайт это GPS трекер, сейчас все хотят глонасс. Другие модели дороже 5300. С галилео работали, понравилось, но цена выше...

471

Teltonika FM5300

Re: Teltonika FM5300

TAY36 wrote:

Добрый день! Посоветуйте, пожалуйста, аналог 5300 по цене и качеству. Необходима возможность работы с двумя аналоговыми ДУТ. Спасибо.

День добрый! Используем FM5500, намного лучше 5300, 2 сим карты, RS 485 и самое главное что очень было необходимо  ЗАЩИТА по питанию до 60 вольт. Цена немного выше но соотношения цены и качества на высоте!

472

Teltonika FM5300

Re: Teltonika FM5300

Хотелось бы не дороже или не намного дороже, желательно дешевле, по качеству соответствующие, адекватная работа с 2мя аналоговыми ДУТ, желательно батарея, глонасс. Сморим в сторону галилео и руптела, но галилео на базе gps и без батареи, дороже. С руптелой не работали.

473

Teltonika FM5300

Re: Teltonika FM5300

TAY36 wrote:

Хотелось бы не дороже или не намного дороже, желательно дешевле, по качеству соответствующие, адекватная работа с 2мя аналоговыми ДУТ, желательно батарея, глонасс. Сморим в сторону галилео и руптела, но галилео на базе gps и без батареи, дороже. С руптелой не работали.

Обратитесь к нам, мы поможем.

http://euromobile.ru Официальный дистрибьютор Teltonika на территории РФ и СНГ
Skype: gamov.euroml
474

Teltonika FM5300

Re: Teltonika FM5300

У терминалов FM5300 и FM1100 появилась возможность удалённо записывать лог прибора. Инструкции высылаем по запросу в нашу тех.поддержку.

http://euromobile.ru Официальный дистрибьютор Teltonika на территории РФ и СНГ
Skype: gamov.euroml
475

Teltonika FM5300

Re: Teltonika FM5300

Добрый день всем!
Задолбала меня одна фмка 5300. Постоянно слетает настройка диапазона аналоговых входов. Командой меняю. Работает неделю-две и снова слетает. Есть ли способ лечения какой, кто-нибудь сталкивался?

476

Teltonika FM5300

Re: Teltonika FM5300

inter wrote:

у нас такое было, когда GPS антенну оторвали) пришлось ехать и заменить

Такая же картина - выломали разъем из прибора. Припаяли на место - всё ок!

вы тут немного подварите, а я дома проволокой намертво примотаю
+79634551777
477

Teltonika FM5300

Re: Teltonika FM5300

woollen wrote:

Добрый день всем!
Задолбала меня одна фмка 5300. Постоянно слетает настройка диапазона аналоговых входов. Командой меняю. Работает неделю-две и снова слетает. Есть ли способ лечения какой, кто-нибудь сталкивался?

Обновить прошивку пробовали?

С уважением, Вадим Погорелый.
www.treksystems.ru
vadim@m2m-trade.ru
478

Teltonika FM5300

Re: Teltonika FM5300

Bender0711 wrote:
PavV wrote:

Здравствуйте, какая прошивка на данный момент актуальна и без глюков?

Сейчас  работаем с 01.06.02 вроде даже статическая навигация работает корректно(пока  не было зависания на месте),да и ДУТ через цифровой порт работает без осечек(только глюк с передачей температуры цифрового ДУТ ,так и не решился)

Будьте добры, поделитесь

479

Teltonika FM5300

Re: Teltonika FM5300

inter wrote:

спасибо за ответы) но все равно не получилось. просто странно, что координаты он дает (ответ по смс), ошибок нет, код оператора тоже проверил, перенастроил все 4 профиля через смс))) жалко

Статическая навигация ?
Хотя думаю Вы не раз бутали терминал и врядли дело в ней

480

Teltonika FM5300

Re: Teltonika FM5300

здравствуйте! посоветуйте оптимальные настройки для автобусов. чтобы корректно отображались остановки.

481

Teltonika FM5300

Re: Teltonika FM5300

ZxR почту куда кидать?

482

Teltonika FM5300

Re: Teltonika FM5300

Bender0711 wrote:

ZxR почту куда кидать?

z.grigorev@ttrackgps.com - сюда, спасибо

483

Teltonika FM5300

Re: Teltonika FM5300

Доброго времени суток! Прибор перестал видеть спутники. Какие возможные варианты? Что можно посмотреть?

  • Teltonika FM5300
484

Teltonika FM5300

Re: Teltonika FM5300

планомерная потеря спутников. Смотрите антенну, место ее установки

485

Teltonika FM5300

Re: Teltonika FM5300

Сегодня все отлично, спутники видит. Вероятнее всего, не видел спутники из-за того, что стоял в боксе. Такой вопрос: Возможно ли удаленно определить: не видит спутники или открутили/повредили антенну? Если не затруднит, скиньте, пожалуйста последнюю прошивку, работающую адекватно со статической навигацией. pirogov_anton@mail.ru Заранее спасибо!

486

Teltonika FM5300

Re: Teltonika FM5300

TAY36 wrote:

Сегодня все отлично, спутники видит. Вероятнее всего, не видел спутники из-за того, что стоял в боксе. Такой вопрос: Возможно ли удаленно определить: не видит спутники или открутили/повредили антенну? Если не затруднит, скиньте, пожалуйста последнюю прошивку, работающую адекватно со статической навигацией. pirogov_anton@mail.ru Заранее спасибо!

удаленно можно проверить командой getgps

487

Teltonika FM5300

Re: Teltonika FM5300

vpogorely wrote:
woollen wrote:

Добрый день всем!
Задолбала меня одна фмка 5300. Постоянно слетает настройка диапазона аналоговых входов. Командой меняю. Работает неделю-две и снова слетает. Есть ли способ лечения какой, кто-нибудь сталкивался?

Обновить прошивку пробовали?


Пока не пробовал. Но уже подумываю об этом.

488

Teltonika FM5300

Re: Teltonika FM5300

Поделитесь свежей версией прошивки на support@ttrackgps.com
Спасибо

489

Teltonika FM5300

Re: Teltonika FM5300

ZxR wrote:

z.grigorev@ttrackgps.com - сюда, спасибо

Кинул!Отпишитесь получили или нет!

490

Teltonika FM5300

(edited by Evgeniy Kotikov 25/03/2014 09:58:05)

Re: Teltonika FM5300

Здравствуйте. Прошу помочь разобраться в настройках терминала FM5300. Большинство параметров освоил. Разъясните пожалуйста что означает(максимально простым языком)каждый из параметров и чем руководствоваться при выборе значения для каждого из параметров. Список параметров:
Active datalink timeout
Network Ping timeout
Server Response Timeout

491

Teltonika FM5300

Re: Teltonika FM5300

Evgeniy Kotikov wrote:

Здравствуйте. Прошу помочь разобраться в настройках терминала FM5300. Большинство параметров освоил. Разъясните пожалуйста что означает(максимально простым языком)каждый из параметров и чем руководствоваться при выборе значения для каждого из параметров. Список параметров:
Active datalink timeout
Network Ping timeout
Server Response Timeout


Active datalink timeout - После подключения к серверу и передачи всех данных из флешки, трекер будет ждать этот период до того как отключиться от него. Если в течении этого периода произойдет еще одна запись (координаты или состояние IO) то трекер передаст их и снова начнет обратный отсчет этого периода.

Network Ping timeout - Пинг сервера. Нужен для того чтоб оператор не рвал соединение когда долго нет передачи на сервер.

Server Response Timeout - Ну тут и так все понятно. Время ожидания ответа от сервера. Если сервер трекеру не отвечает в течение этого периода то трекер будет делать повторную попытку соединения.

492

Teltonika FM5300

Re: Teltonika FM5300

Подскажите, задача фиксировать остановку объекта.
Один из вариантов, это контроль параметра I\O Speed - событие High or Low при значении 0 свыше Х времени.
Неудобство, что нужно включать дополнительный I\O  соответственно лишний трафик (критично для роуминга)

Есть ли еще варианты детектирования полной остановки объекта?

Миночкин Дмитрий
ООО "Балтавтоматика"
www.baltgps.ru
493

Teltonika FM5300

Re: Teltonika FM5300

daemon wrote:

Подскажите, задача фиксировать остановку объекта.
Один из вариантов, это контроль параметра I\O Speed - событие High or Low при значении 0 свыше Х времени.
Неудобство, что нужно включать дополнительный I\O  соответственно лишний трафик (критично для роуминга)

Есть ли еще варианты детектирования полной остановки объекта?

Где вы хотите фиксировать?
Зачем дополнительный параметр, если скорость итак передаётся на сервер?

494

Teltonika FM5300

Re: Teltonika FM5300

CnApTaK
при сработках по углу, времени и расстоянию нельзя гарантированно обнаружить остановку объекта, т.к. в момент остановки точка может не поставиться. Соответственно нельзя точно сказать, останавливался объект на светофоре к примеру или проехал на низкой скорости мимо. Поэтому требуется, что бы трекер гарантированно фиксировал точку (координату) при остановке объекта.

Не знаю, как это можно сделать еще, без включения дополнительного I\O Speed

Миночкин Дмитрий
ООО "Балтавтоматика"
www.baltgps.ru
495

Teltonika FM5300

Re: Teltonika FM5300

Похоже, что других вариантов, кроме использования параметра Speed, нет....

Миночкин Дмитрий
ООО "Балтавтоматика"
www.baltgps.ru
496

Teltonika FM5300

(edited by vpogorely 08/04/2014 11:30:12)

Re: Teltonika FM5300

Есть вариант!

Включаешь I/O Movement, выставляешь приоритет high.
Параметры - 0,0, "on entrance".
Average constant делаешь по количеству секунд, после которого необходимо поставить точку. Допустим надо 20 секунд - это 20 000 миллисекунд. В FM5300 одна Averaging constant равна 20 миллисекунд, соответственно для 20 секунд в параметре Averaging constant надо поставить 1000. Все. При этих параметрах в случае остановки автомобиля более чем на 20 секунд трекер FM5300 будет фиксировать точку и передавать ее на сервер вне очереди.

В роуминге трафик сильно не увеличится, так как параметр I/O Movement однобайтовый (имеет значения 0 или 1).

daemon wrote:

CnApTaK
при сработках по углу, времени и расстоянию нельзя гарантированно обнаружить остановку объекта, т.к. в момент остановки точка может не поставиться. Соответственно нельзя точно сказать, останавливался объект на светофоре к примеру или проехал на низкой скорости мимо. Поэтому требуется, что бы трекер гарантированно фиксировал точку (координату) при остановке объекта.

Не знаю, как это можно сделать еще, без включения дополнительного I\O Speed

С уважением, Вадим Погорелый.
www.treksystems.ru
vadim@m2m-trade.ru
497

Teltonika FM5300

Re: Teltonika FM5300

Вадим, да, тестируем и через этот параметр сейчас, замучили бедного установщика уже ездить туда-сюда smile

И кстати размер параметра movement не 1 байт, а 2 почему то.

Миночкин Дмитрий
ООО "Балтавтоматика"
www.baltgps.ru
498

Teltonika FM5300

Re: Teltonika FM5300

Соответственно 1 байт экономия. Мало. Или 33%, так лучше.

Миночкин Дмитрий
ООО "Балтавтоматика"
www.baltgps.ru
499

Teltonika FM5300

Re: Teltonika FM5300

daemon wrote:

Вадим, да, тестируем и через этот параметр сейчас, замучили бедного установщика уже ездить туда-сюда smile

И кстати размер параметра movement не 1 байт, а 2 почему то.

А смсками?

С уважением, Вадим Погорелый.
www.treksystems.ru
vadim@m2m-trade.ru
500

Teltonika FM5300

Re: Teltonika FM5300

vpogorely wrote:

А смсками?

Программа для удаленной перенастройки есть, и про СМС тоже вкурсе.
Гоняем что бы трек посмотреть, сработки и тп.

Кстати по параметру movement непонятно, он неверные данные показывает

Миночкин Дмитрий
ООО "Балтавтоматика"
www.baltgps.ru
501

Teltonika FM5300

Re: Teltonika FM5300

movement  не подходит. Этот параметр основан на акселерометре, соответственно бывают случаи, что при движении с одинаковой скоростью, детектор движения = 0.

Миночкин Дмитрий
ООО "Балтавтоматика"
www.baltgps.ru
502

Teltonika FM5300

Re: Teltonika FM5300

Приветствую всех. Напишу в тему по 53000 Телтонике, так как столкнулись при ее установке.
Ситуация такая. Автомобиль новый ГАЗ у которого начинка по Евро4. Ставим прибор, ставим ДУТ Epsilon. Подключаем плюс на постоянное питание с колодки предохранителей, зажигание тоже оттуда же, масса под болт на шасси. Настраиваем ДУТ, заливаем конфу. Включаем.
Телтоника шлет в данных ДУТ 65535, т.е. как бы обрыв. Питание ДУТ параллельно прибору, т.е. масса по минусу соединена с прибором, но на всякий случай и запараллелили 4 контакт RJ45 тоже с массой. Вытаскиваем RJ45 из прибора, втыкаем в переходник, который через МОХА идет на комп. ДУТ все нормально показывает. Попробовали поменять прошивку с 1.6.0.2 на 1.6.0.4, Проблема не исчезла.
Приехали в офис, все собрали по новой, но запитали просто от 12В аккумулятора. Все заработало, данные с ДУТ посылаются. На следующий день поехали опять монтировать, уже на другой автомобиль ГАЗ (тоже новый). Ситуация повторилась как в предыдущий день.
Уже стало понятно что не в приборе дело, но не поймем в чем проблема. В прошлом году при установке на новые ГАЗ горели ДУТ, когда их устанавливали непосредственно на бак и подключали питание.

Может кто сталкивался с таким??

503

Teltonika FM5300

Re: Teltonika FM5300

Проверьте скорость обмена данными  в глобальных параметрах на приборе,и скорость в настройках ДУТ.

504

Teltonika FM5300

Re: Teltonika FM5300

Одинаковая стоит. 19200. Я же говорю, в офисе собираем с питанием от батарейки, все работает. Похоже что-то в машине самой, у ГАЗ регулярные проблемы. То приборы палят когда в ГАЗ-сервисе начинают копаться в бортовой электрике.
Либо где то проходит какое то напряжение на бак, хотя в этом случае бы и компьютером ДУТ не виделся. Просто в случае монтажа на машине появляется дополнительная масса, которая проходит с места крепления головки ДУТ через корпус автомобиля, а так все идентично. Ну единственное что еще в офисе запитываем от 12в аккумулятора, а на а/м 24в на борту.

505

Teltonika FM5300

Re: Teltonika FM5300

pmaks wrote:

В прошлом году при установке на новые ГАЗ горели ДУТ, когда их устанавливали непосредственно на бак и подключали питание.

прочитал по диагонали, нужно разбираться, навскидку могу посоветовать разобраться с массой (минусом) и размыкателем массы. Есть подозрения что у вас ДУТ является проводником между АКБ и кузовом. 
Попробуйте новую версию Эпсилона, там гальваническая развязка. Если проблема (проблемы) исчезнут, значит точно что то перемудрили (вы или газ) с минусовым проводом.

Миночкин Дмитрий
ООО "Балтавтоматика"
www.baltgps.ru
506

Teltonika FM5300

Re: Teltonika FM5300

Здравствуйте! Кто знает из-за чего мог загореться термина fm 5300 в машине? предохранитель стоит как и всегда на 1А.

507

Teltonika FM5300

Re: Teltonika FM5300

загореться???

508

Teltonika FM5300

Re: Teltonika FM5300

Мог загореться от загоревшегося автомобиля, на который был установлен... -)

Сергей Чубаров.
Директор ООО "Ратеос".
www.rateos.ru   rateos@rateos.ru
+7 (499) 731-4390, 731-9716
509

Teltonika FM5300

Re: Teltonika FM5300

Доброе время суток, поделитесь последней версией прошивки вместе с подходящим для неё конфигуратором ! Спасибо.
seodpg@gmail.com

510

Teltonika FM5300

Re: Teltonika FM5300

daemon wrote:

Есть подозрения что у вас ДУТ является проводником между АКБ и кузовом. 
Попробуйте новую версию Эпсилона, там гальваническая развязка. Если проблема (проблемы) исчезнут, значит точно что то перемудрили (вы или газ) с минусовым проводом.

Ну как раз было подозрение, что бак был изолирован от шасси автомобиля, так как а/м был новенький и между баком и крепежными хомутами были резинки, и сам он на резинках лежал, Такое ощущение что возможно со штатного топливного датчика на бак прошивал "+" и он коротил через корпус ДУТ на массу, соответственно голова горела.

511

Teltonika FM5300

Re: Teltonika FM5300

Скиньте, если не сложно последний конфигуратор и прошивку к нему smarts.vrn@gmail.com .  Заранее спасибо.

Интересно насчет загоревшегося трекера, чем закончилось?

512

Teltonika FM5300

Re: Teltonika FM5300

Прибор перестал слать данные.Что значит строчка?;
Data Limit Hit. GPRS not allowed

513

Teltonika FM5300

Re: Teltonika FM5300

по каким то причинам интернет у вас стал не разрешен. Копайтесь в своих настройках, как конфигурировали.

514

Teltonika FM5300

Re: Teltonika FM5300

SibNaviCom wrote:

по каким то причинам интернет у вас стал не разрешен. Копайтесь в своих настройках, как конфигурировали.

Заливаю профиль один во все приборы.А этот не перестал слать.

515

Teltonika FM5300

Re: Teltonika FM5300

если уверены что все и везде одинаково - смотрите на симку

516

Teltonika FM5300

Re: Teltonika FM5300

SibNaviCom wrote:

если уверены что все и везде одинаково - смотрите на симку

Если бы всё так просто))это я первым делом проверил.

517

Teltonika FM5300

Re: Teltonika FM5300

значит одно осталось - сбросьте по дефолту и заново залейте. Нет возможности подключиться - через смски

518

Teltonika FM5300

Re: Teltonika FM5300

Добрый день, коллеги!
У нас тоже несколько приборов перестали выходить на связь, при этом индикация нормальной работы (led моргает 1 раз в 3 сек)...
Замена СИМ-карты, сброс, перепрошивка, замена антенны, проверка активного профиля - ничего не помогает...
Как диагностировать в FM5300 причину сбоя?

Роман, Навигационно-информационные системы Бурятии
519

Teltonika FM5300

Re: Teltonika FM5300

Keen wrote:

Добрый день, коллеги!
У нас тоже несколько приборов перестали выходить на связь, при этом индикация нормальной работы (led моргает 1 раз в 3 сек)...
Замена СИМ-карты, сброс, перепрошивка, замена антенны, проверка активного профиля - ничего не помогает...
Как диагностировать в FM5300 причину сбоя?

Подключиться к трекеру, лежащему перед окном с помощью программы Terminal и посмотреть логи. Если логи эти запишете и нам отправите - назовем причину.

С уважением, Вадим Погорелый.
www.treksystems.ru
vadim@m2m-trade.ru
520

Teltonika FM5300

Re: Teltonika FM5300

vpogorely написал в личку

Роман, Навигационно-информационные системы Бурятии
521

Teltonika FM5300

(edited by Bear_mur 16/05/2014 08:27:50)

Re: Teltonika FM5300

Добрый день
вчера столкнулись со следующей проблемой, телтоника 5300 +  ДУТ Epsilon, прошивали прибор аналогично всем другим на которых установлен дут, тарировку сделали,записали все данные, автомобиль ман, в целом ничего необычного при установке не было,все как всегда, после тарировки подключили дут к терминалу, но почему то данные от дута не проходят, уже и прошивать прибор пробовали и другой ставили,в чем причина понять пока не можем, + и - вроде как идет к дуту, проверяли от телтоники от кабеля,если к примеру сейчас подключиться к дуту через moxa он показывает шкалу, вроде как дут исправен, но все таки парамент 201 не шлет а на данный момент пишет -4

522

Teltonika FM5300

Re: Teltonika FM5300

может с подключением какая то беда,не подскажите по проводам как правильно подключить к телтонике, руководство смотрели) хотя вроде все подключали ранее и работало

523

Teltonika FM5300

Re: Teltonika FM5300

Здравствуйте!
Кто-нибудь сталкивался с проблемой на данном устройстве - как слет рабочей конфигурации? Сегодня привезли от клиента один прибор, который не подавал признаков жизни. После просмотра сообщений, увидел, что параметров которые были выставлены в профилях просто нет и сообщения формируются каждые 10 минут, независимо от стоянки или поездки авто.
Когда подключился конфигуратором, то предположения подтвердились - всех настроек не было.

Что может быть причиной этому? Может проблема в прошивке прибора? Сейчас на нем установлена версия FM53010500.Rev.03.e

И еще можете провести ликбез, пожалуйста, по отправке сообщений на трекер, чтобы хоть как-то диагностировать прибор?

В настройках прибора, я задал только свой телефон в формате 38050ххххххх,
а логин и пароль, например: root

Пишу смс на телефоне: "root root getstatus" (без кавычек), отправляю на номер симки трекера и ничего не получаю в ответ. Сим карту проверял через свой телефон на отправку СМС - услуга работает. Что я делаю не так?

524

Teltonika FM5300

(edited by Bender0711 20/05/2014 07:57:47)

Re: Teltonika FM5300

zedger wrote:

Здравствуйте!
Кто-нибудь сталкивался с проблемой на данном устройстве - как слет рабочей конфигурации?

Да попадаются такие индивид умы,проанализируйте отчёт,у меня причина была (на 3-х приборах),после отключения массы авто,напряжение падало не до  нуля , а до 8 вольт.После такого разового отключения массы прибор работает на АКБ(встроенном),после отключается и воля чистый профиль.Заставил водителя чинить проводку,т.к. это не соответствие состояния ТС.После замерял "цешкой"напряжение в норме,заливал профиль и всё ,про этот прибор забыл)).Может и Вам поможет ,удачи!!

525

Teltonika FM5300

Re: Teltonika FM5300

Кто нибудь сталкивался с прибором где не верно ввели код,и он заблокировался????unlock code.
Как добиться правды,Телтоника отправляет к нашему дилеру,а он к телтонике.Замкнутый круг.Что делать?

526

Teltonika FM5300

Re: Teltonika FM5300

Bender0711 Напишите нам

http://euromobile.ru Официальный дистрибьютор Teltonika на территории РФ и СНГ
Skype: gamov.euroml
527

Teltonika FM5300

Re: Teltonika FM5300

Добрый час,кто нибудь подключал датчик оборотов двигателя??
Подскажите пожалуйста.

528

Teltonika FM5300

Re: Teltonika FM5300

Здравствуйте всем! Надеюсь не все в отпуске?) Возникла проблема. Автомобиль движется (все нормально трек красивый, четкий и тд), потом останавливается на несколько минут(вроде все нормально) и через 3 минуты оказывается за 30-40 км от места остановки а время между ними 3 минуты. Параметр Min period настроен на 5 мин

529

Teltonika FM5300

Re: Teltonika FM5300

за три минуты на 30-40 км? В час 600-800км? На чем стоит трекер то?:) Доступ дайте, посмотрим

530

Teltonika FM5300

Re: Teltonika FM5300

Здравствуйте! проблема оказалась банальной - проделки водителя. Подскажите как можно удаленно настроить параметр Sleep timeout? Как я понял это параметр определяющий через какое количество минут входить в спящий режим?

531

Teltonika FM5300

Re: Teltonika FM5300

inter, можно подробнее про "проделки"? Ни разу не встречал, чтобы рисовался якобы нормальный трек, а реально устройство за десятки км было. Никакие известные мне манипуляции не позволяют этого добиться.
Ложные выбросы - да, отсутствие координат - да. Но ровный трек...

532

Teltonika FM5300

Re: Teltonika FM5300

Коллеги
С 53-ей работаем редко
Посоветуйте оптимальные по трэку и трафику настройки

533

Teltonika FM5300

Re: Teltonika FM5300

SanderAMC wrote:

inter, можно подробнее про "проделки"? Ни разу не встречал, чтобы рисовался якобы нормальный трек, а реально устройство за десятки км было. Никакие известные мне манипуляции не позволяют этого добиться.
Ложные выбросы - да, отсутствие координат - да. Но ровный трек...

навредили GPS антенне. согнули, надавили и тд. то есть антенна работала, только нестабильно.

534

Teltonika FM5300

Re: Teltonika FM5300

Со всеми СИМ картами ведет себя одинаково.

[2014.08.09 13:36:53]-[MODEM.STATUS]->Modem is Initializing

[2014.08.09 13:36:53]-[GPRS.CHK]->Repeating Task after delay...

[2014.08.09 13:36:54]-[APP.SND.D]->124 seconds before periodic data Send

[2014.08.09 13:36:56]-[T]->State ->Stop. S:0km/h, Ign:OFF.

[2014.08.09 13:37:02]-[BAT.PWR.M]->FAST CHARGE(13907)

[2014.08.09 13:37:02]-[SCHEDULER]->GC is scheduled after: 4950 sec

[2014.08.09 13:37:04]-[INIT.M]->Modem Seems To Be Dead
RX:1, TX:0, CTS:1, RTS:0ON:1, OFF:1, RESET:0

[2014.08.09 13:37:04]-[INIT.M]->Cycle: 3 of 3

[2014.08.09 13:37:04]-[INIT.M]->Restarting Modem...

Умер модем?

535

Teltonika FM5300

Re: Teltonika FM5300

Здравствуйте! подскажите пожалуйста номер параметра Sleep timeout

536

Teltonika FM5300

Re: Teltonika FM5300

pruwait wrote:

Со всеми СИМ картами ведет себя одинаково.

[2014.08.09 13:36:53]-[MODEM.STATUS]->Modem is Initializing

[2014.08.09 13:36:53]-[GPRS.CHK]->Repeating Task after delay...

[2014.08.09 13:36:54]-[APP.SND.D]->124 seconds before periodic data Send

[2014.08.09 13:36:56]-[T]->State ->Stop. S:0km/h, Ign:OFF.

[2014.08.09 13:37:02]-[BAT.PWR.M]->FAST CHARGE(13907)


[2014.08.09 13:37:02]-[SCHEDULER]->GC is scheduled after: 4950 sec

[2014.08.09 13:37:04]-[INIT.M]->Modem Seems To Be Dead
RX:1, TX:0, CTS:1, RTS:0ON:1, OFF:1, RESET:0

[2014.08.09 13:37:04]-[INIT.M]->Cycle: 3 of 3

[2014.08.09 13:37:04]-[INIT.M]->Restarting Modem...

Умер модем?

Скорее слетела его прошивка.

537

Teltonika FM5300

Re: Teltonika FM5300

Здравствуйте! имеется вопрос. имеет ли значение как расположить трекер  в автомобиле? просто возникли вопросы по прорисовке углов.

538

Teltonika FM5300

Re: Teltonika FM5300

сам трекер пофиг как. главное антенну как в инструкции - это влияет на прорисовку по углу

539

Teltonika FM5300

Re: Teltonika FM5300

SibNaviCom wrote:

.

спасибо за ответ

540

Teltonika FM5300

Re: Teltonika FM5300

Принес клиент FM5300
Надо зацепить на виалон.
Начались танцы с бубном.
APN - прописал, Сервер прописал, порт указал 20445 (согласно описание Гуртам).
Симка МТС, 25001 указал.
Интервалы отправки данных тоже указал в пределах 30 секунд.
IO - все выключено.
прошивка 01.01.02
Антенны подключены, GPS антенна на улице, не в помещении.
Но не выходит на связь, хоть волком вой...

Подскажите в какую сторону копать ?

541

Teltonika FM5300

Re: Teltonika FM5300

гипертерминалом подключись - в начале строки пишется актуальное время и дата. Значит ловит спутники. Такое встречалось с 1100 - делал тикет, говорили что все в порядке. Прошло полчаса и появился - грешил в сторону сервака, поскольку если на id.wialon.net - подключается моментально

542

Teltonika FM5300

Re: Teltonika FM5300

SibNaviCom  Пытался Гипером подцепиться... Полная тишина, ничего не выгружает...

543

Teltonika FM5300

Re: Teltonika FM5300

тады че то с трекером.

544

Teltonika FM5300

Re: Teltonika FM5300

SibNaviCom
Глюкнул СОМ-порт.
Данные валятся... Почему-то спутники не ловит. (антенну проверяли, с другими терминалами отлично ловит).
Могу выложить кусок лога с гипертерминала...

545

Teltonika FM5300

Re: Teltonika FM5300

скидывай

546

Teltonika FM5300

Re: Teltonika FM5300

Здравствуйте! подскажите что может быть не так. Настроил Sleep mode.
Sleep mode - enable
Sleep timeout - 5
Min. period - 0
Send Period - 60
бывает так что трекер пропадает на минут 5-10. ну и естественно кривой трек.

547

Teltonika FM5300

Re: Teltonika FM5300

Добрый день!
Подскажите как завести прибор 5300 на Wialon.
Второй день мучаюсь.
Ни на телеметрии ни на m2m платформе ни фига не работает.

i3m161@gmail.com

ГК «СИСТЕМА ИЗМЕРЕНИЙ»
89094233334
tahograf161@gmail.com
i@sysmet.ru
548

Teltonika FM5300

Re: Teltonika FM5300

Скиньте конфигурационный файл.

Владимир Тихончук
Gurtam
549

Teltonika FM5300

Re: Teltonika FM5300

Здравствуйте! подскажите какой командой(вернее какой параметр) можно через смс активировать на FM5300 цифровой выход 1? просто решили попробовать функцию контроля стиля вождения, но не можем найти именно этот парамерт

550

Teltonika FM5300

Re: Teltonika FM5300

Несколько 5300 перестали выходить на связь. Питание есть, светодиоды моргают. Подключаем к компу - не определяется устройство. На разных пробовали, не подключается. Исправный подключаем, конфигуратор видит его.

551

Teltonika FM5300

Re: Teltonika FM5300

Добрый день!

У меня возникло два вопроса:

1. Есть какая-нибудь программа-эмулятор протокола Teltonika FM5300?

2. Я системный программист и пишу сервер по приёму данных с этого устройства. В версии User Manual DRAFT v.0.1 описан бинарный протокол TCP/UDP (AVL data packet), однако в версии документации User Manual v.2.6 уже нет этих пунктов. Посмотрел в истории изменений - в версии документации 1.1 удалены пункты 9 и 10, описывающие протокол.
Подскажите, где мне найти описание протокола свежее и можно ли пользоваться документацией User Manual DRAFT v.0.1?

552

Teltonika FM5300

Re: Teltonika FM5300

vbodrov Протокол Teltonika выдается только после подписания NDA. Вы можете направить нам запрос, мы вам ответим.

http://euromobile.ru Официальный дистрибьютор Teltonika на территории РФ и СНГ
Skype: gamov.euroml
553

Teltonika FM5300

Re: Teltonika FM5300

Dmitriy wrote:

vbodrov Протокол Teltonika выдается только после подписания NDA. Вы можете направить нам запрос, мы вам ответим.

А протокол, который описан в User Manual DRAFT v.0.1 неактуален или что с ним?

И второй вопрос - после подписания NDA можно будет получить эмулятор устройства? Он вообще есть? Или работать только с реальным устройством?

554

Teltonika FM5300

Re: Teltonika FM5300

Добрый день!

У  меня возникла проблема с терминалом ФМ5300, постоянно пропадает порт ДУТа и с помощью смс команды не получается вернуть порт ДУТа обратно, мне кажется новый конфигуратор и конфигурация к нему поможет решить эту проблему, если поможет вышлите пожалуйста новые версии конфигурации или прошивки мне на почту tairdrim@gmail.com или toir@uznewmax.com или если вы можете предложить другие способы устранение этой проблемы буду очень вам благодарен!

555

Teltonika FM5300

Re: Teltonika FM5300

Добрый день.
Скиньте актуальную версию прошивки и конфиг.
Заранее спасибо.
maxgandreevich@gmail.com

556

Teltonika FM5300

Re: Teltonika FM5300

Добрый день.
Если не трудно, скиньте и мне, пожалуйста,  актуальную версию прошивки и конфигуратора.
Заранее спасибо.
kaprizovATgmail.com

557

Teltonika FM5300

Re: Teltonika FM5300

Всем привет!
Ребята, будьте добры, пришлите и мне прошивку.

0redline0@gmail.com

558

Teltonika FM5300

Re: Teltonika FM5300

На склад нашей компании поступила новая партия FM5300. Главное отличие от предыдущей модификации - защита по питанию до 80 вольт, реализованная так же, как на FM1100.

http://euromobile.ru Официальный дистрибьютор Teltonika на территории РФ и СНГ
Skype: gamov.euroml
559

Teltonika FM5300

Re: Teltonika FM5300

В FM5300 добавлена поддержка работы с модулем LV-CAN. Возможность появляется после обновления прошивки.
Напомню, что LV-can - аналог CAN-log, только чуть дешевле.

http://euromobile.ru Официальный дистрибьютор Teltonika на территории РФ и СНГ
Skype: gamov.euroml
560

Teltonika FM5300

Re: Teltonika FM5300

Добрый час!Есть большая проблема прибор не шлёт данные на сервер!
В логе есть ошибка Data Limit Hit. GPRS not allowed
Лог во вложении.Обратите внимание на дату ,она прыгает в будущее),но так бывает не всегда.
Чистил сообщения ,менял оператора ,шил ничего не помогает.Таких приборов уже штук 6, 2 из них вылечились сами собой каждый день мучал на столе.
Помогите срочно.
P.S. тех поддержка молча закрывает инцидент(санкции по ходу;))

Post's attachments

Attachment icon Лог 5300Data Limit Hit. GPRS not allowed.txt 40.85 kb, 1139 downloads since 2014-12-17 

561

Teltonika FM5300

Re: Teltonika FM5300

поддержка чья?

562

Teltonika FM5300

Re: Teltonika FM5300

Bender0711
Превышен лимит по трафику.
Проверьте во вкладке GPRS:
Max upload in home
и
Max upload in roaming.
А лучше все настройки, чтобы не платить за трафик слишком много.

http://euromobile.ru Официальный дистрибьютор Teltonika на территории РФ и СНГ
Skype: gamov.euroml
563

Teltonika FM5300

Re: Teltonika FM5300

Bender0711 wrote:

Добрый час!Есть большая проблема прибор не шлёт данные на сервер!
В логе есть ошибка Data Limit Hit. GPRS not allowed

Проблема с СИМ, для нее установлен предел трафика в месяц. Решайте либо через л.кабинет, либо через т/п ОПСОСа.
Было такое, в пакете из 200 новых сим оказалась одна с предустановленным пределом, на Билайн Jasper. Подняли на уши Билайн, исправили косяк.

564

Teltonika FM5300

Re: Teltonika FM5300

http://helpdesk.teltonika.pro/

SibNaviCom wrote:

поддержка чья?

Раньше здесь самая адекватная была !

565

Teltonika FM5300

Re: Teltonika FM5300

не в этом дело 3 оператора пробовал,и СИМ 100%работают на других приборах

SanderAMC wrote:
Bender0711 wrote:

Добрый час!Есть большая проблема прибор не шлёт данные на сервер!
В логе есть ошибка Data Limit Hit. GPRS not allowed

Проблема с СИМ, для нее установлен предел трафика в месяц. Решайте либо через л.кабинет, либо через т/п ОПСОСа.
Было такое, в пакете из 200 новых сим оказалась одна с предустановленным пределом, на Билайн Jasper. Подняли на уши Билайн, исправили косяк.

566

Teltonika FM5300

Re: Teltonika FM5300

не помогло,все настройки на  максимум,не шлёт(

Dmitriy wrote:

Bender0711
Превышен лимит по трафику.
Проверьте во вкладке GPRS:
Max upload in home
и
Max upload in roaming.
А лучше все настройки, чтобы не платить за трафик слишком много.

567

Teltonika FM5300

Re: Teltonika FM5300

Bender0711 Попробуйте тогда через нашу тех.поддержку:
http://www.euromobile.ru/tech/

http://euromobile.ru Официальный дистрибьютор Teltonika на территории РФ и СНГ
Skype: gamov.euroml
568

Teltonika FM5300

Re: Teltonika FM5300

Проблема с телтоникой фм5300, точнее с gps антеннами. С завода идут бракованые. 70 ом. Сопративление постоянному току. И с такими антеннами плохой прием, в движении пропадают спутники. Меняшь антенны- все ок. Может было у кого?

569

Teltonika FM5300

Re: Teltonika FM5300

vova_chk Первый раз слышим о таких проблемах. Напишите в ЛС пожалуйста серийные номера приборов.

http://euromobile.ru Официальный дистрибьютор Teltonika на территории РФ и СНГ
Skype: gamov.euroml
570

Teltonika FM5300

Re: Teltonika FM5300

Dmitriy wrote:

vova_chk Первый раз слышим о таких проблемах. Напишите в ЛС пожалуйста серийные номера приборов.

Приборы из последние партии 5300 и 1100. У них странное сопротивление постоянному току 72 Ома.

571

Teltonika FM5300

Re: Teltonika FM5300

Dmitriy wrote:

В FM5300 добавлена поддержка работы с модулем LV-CAN. Возможность появляется после обновления прошивки.
Напомню, что LV-can - аналог CAN-log, только чуть дешевле.

А параметров как и в 1100? 6 штук?

572

Teltonika FM5300

Re: Teltonika FM5300

Реализована поддержка отправки конфигурации по TCP на приборы Teltonika FM5300, FM4200, FM4100

Процесс конфигурирования по TCP всключает ряд этапов:
1) сервер (Wialon) отправляет бинарное СМС на прибор.
2) прибор устанавливает соединение с сервером (Wialon) для получения конфигурации.
3) сервер (Wialon) отправляет конфигурацию на прибор.
4) прибор закрывает соединение.

В Wialon пользователь должен создать SMS команду Upload configuration (upload_cfg) и загрузить файл конфигурации при создании или отправке команды.

Файл конфигурации должен иметь формат, описанный в Инструкцию по отправке конфигурации на прибор по TCP/IP, размещенной на странице прибора на сайте gurtam.com:

http://gurtam.com/ru/gps_tracking/gps_h … ?id=260225

Инструкция:

http://extapi.wialon.com/hw/cfg/teltoni … ia_tcp.pdf

573

Teltonika FM5300

Re: Teltonika FM5300

Всем доброго времени суток!
Найдется у кого-нибудь свежая прошивка с конфигуратором?

Везде все просто.
574

Teltonika FM5300

Re: Teltonika FM5300

Здравствуйте всем! есть ли возможность у 5300 как то оповещать о том что основное питание отключено? есть машины в которых отключают "массу" хотелось бы мониторить

575

Teltonika FM5300

Re: Teltonika FM5300

inter Терминал передает вольтаж внешнего питания. По нему и можно определять.

http://euromobile.ru Официальный дистрибьютор Teltonika на территории РФ и СНГ
Skype: gamov.euroml
576

Teltonika FM5300

Re: Teltonika FM5300

vova_chk wrote:
Dmitriy wrote:

В FM5300 добавлена поддержка работы с модулем LV-CAN. Возможность появляется после обновления прошивки.
Напомню, что LV-can - аналог CAN-log, только чуть дешевле.

А параметров как и в 1100? 6 штук?

А что по поводу параметром для канлога?

577

Teltonika FM5300

Re: Teltonika FM5300

vova_chk Да, 6 параметров:
-Пробег
-Расход топлива
-Уровень топлива
-Обороты двигателя
-Скорость
-Положение педали газа

http://euromobile.ru Официальный дистрибьютор Teltonika на территории РФ и СНГ
Skype: gamov.euroml
578

Teltonika FM5300

Re: Teltonika FM5300

подкажите SMS-команду запретить GPRS с симки билайн (абоненты хотят не оплачивать 1 квартал)

579

Teltonika FM5300

(edited by u_sup 29/12/2014 13:12:41)

Re: Teltonika FM5300

autokirov@gmail.com wrote:

подкажите SMS-команду запретить GPRS с симки билайн (абоненты хотят не оплачивать 1 квартал)

Чтобы напрямую отправить команду о блокировании сим-карты/GPRS необходим физический доступ к этой самой симке
Также есть несколько вариантов блокирования сим-карты:
  1. Зайти в личный кабинет и там заблокировать сим-карту или выключить услугу GPRS
  2. Позвонить 0611 (номер оператора билайн) и представившись оператору (назвать данные лица на которого зарегистрированы сим-карты) озвучить просьбу о блокировании необходимого номера
  3. Также можно отправить на блок команду о разрешении/запрете активации контента
Пример:

логин пароль setparam 3240 1

Где 3240 это ID (параметр, который необходимо изменить. 3 в ID - номер профиля к которому нужно обратиться для смены самого параметра. Какой профиль стоит у вас по умолчанию Вы должны сами знать! 1 это присвоенное значение параметра (могут быть и символы - курите мануал). Какой профиль стоит у вас по умолчанию Вы должны сами знать
В случае, если логин/пароль на устройстве не установлены, то в начале команды пишите ровно ДВА пробела

Пример

Отключаем GPRS в третьем профиле

  setparam 3240 0

меняем APN на первом профиле

  setparam 1242 internet.beeline.ru 

Если что-то не понятно, пишите в лс или на почту. Также могу мануалами поделиться, если горит.
С наступающим!

Везде все просто.
580

Teltonika FM5300

Re: Teltonika FM5300

Dmitriy wrote:

vova_chk Да, 6 параметров:
-Пробег
-Расход топлива
-Уровень топлива
-Обороты двигателя
-Скорость
-Положение педали газа

спасибо. Жаль, что никак в полном канлоге

581

Teltonika FM5300

(edited by russian88fox 16/01/2015 15:10:39)

Re: Teltonika FM5300

День добрый, форумчане ^ ^

Поделитесь, кто может последней прошивкой, инструкцией на Русском языке и USB-драйвер  для данного девайса.

Ответ желательно в ЛС, заранее спасибо.

Делясь опытом, мы часто лишь одалживаем грабли.
582

Teltonika FM5300

Re: Teltonika FM5300

Здравствуйте! Поделитесь новой прошивкой пожалуйста))

583

Teltonika FM5300

Re: Teltonika FM5300

Повторю свой пост, который писал более полугода назад, насчет 1100. Он ровно также актуален и для 5300.

Коллеги, честно говоря накипело. Решил высказаться. Половина этой темы забита постами -скиньте свкежую прошивку, конфигурацию и так далее. Такое ощущение, что у технических специалистов компаний-интеграторов - есть такое хобби - перепрошивать телтонику 1100.
Зачем вам  это нужно? Все приборы, которые попадают в руки интеграторам - работают нормально с прошивкой, которая установлена изначально. Более того, у каждого из дистрибьюторов Телтоники в России (а они все давно известны) есть служба тех. поддержки, которые всегда готовы помочь с приборами, которые продают. Если вы приобретаете приборы там, где не могут предоставить нормальную тех. поддержку, стоит задуматься о смене поставщика (не стоит это читать как "покупайте в ЕвроМобайле",я имею в виду и известных партнеров-конкурентов, которые думаю меня поддержат).  По поводу прошивок, вы можете обращаться в нашу компанию, по одному разу мы оказываем поддержку даже не нашим постоянным клиентам.
Давайте в этой теме обсуждать работу приборов FM1100, а не просить скинуть прошивки.

http://euromobile.ru Официальный дистрибьютор Teltonika на территории РФ и СНГ
Skype: gamov.euroml
584

Teltonika FM5300

Re: Teltonika FM5300

повтор актуален как нельзя кстати:)

585

Teltonika FM5300

Re: Teltonika FM5300

Не нашёл в мануалах ответа на свой вопрос, а пока дождёшься ответа от производителя - рак на горе свистнет, поэтому задам вопрос здесь.
Работает ли FM53 одновременно с данными из Manual CAN и Auto CAN? То есть, если я в Manual CAN пропишу параметр Distance,а в Auto CAN пропишу параметр Speed, передаст ли усторйство оба этих параметра на сервер?

586

Teltonika FM5300

(edited by inter 05/02/2015 09:49:55)

Re: Teltonika FM5300

Здравствуйте! Проблема с трекром - не определяет симкарту. Прошивается компьютер его видит. Симкарту проверял на телефоне все работает. Эту проблему самостоятельно возможно решить? В конфигураторе пишет SimPin Status - init....

587

Teltonika FM5300

Re: Teltonika FM5300

inter wrote:

Здравствуйте! Проблема с трекром - не определяет симкарту. Прошивается компьютер его видит. Симкарту проверял на телефоне все работает. Эту проблему самостоятельно возможно решить? В конфигураторе пишет SimPin Status - init....

Слетела прошивка модема.

588

Teltonika FM5300

Re: Teltonika FM5300

vova_chk wrote:
inter wrote:

Здравствуйте! Проблема с трекром - не определяет симкарту. Прошивается компьютер его видит. Симкарту проверял на телефоне все работает. Эту проблему самостоятельно возможно решить? В конфигураторе пишет SimPin Status - init....

Слетела прошивка модема.

Спасибо за ответ. А это как нибудь можно вылечить? самостоятельно?

589

Teltonika FM5300

Re: Teltonika FM5300

inter wrote:
vova_chk wrote:
inter wrote:

Здравствуйте! Проблема с трекром - не определяет симкарту. Прошивается компьютер его видит. Симкарту проверял на телефоне все работает. Эту проблему самостоятельно возможно решить? В конфигураторе пишет SimPin Status - init....

Слетела прошивка модема.

Спасибо за ответ. А это как нибудь можно вылечить? самостоятельно?

Обратитесь к Вашему дилеру.

590

Teltonika FM5300

Re: Teltonika FM5300

Здравствуйте! Впервые с таким сталкиваемся. Устройство установлено на MANы, первоначально все работало хорошо, но со временем треки стали очень некрасивыми. При отправке на устройство команды getinfo, RST показывает более 1000 и ERR около 500. Если кто сталкивался - это проблемы с прошивкой или неправильной установкой??
спасибо заранее за ответы

591

Teltonika FM5300

Re: Teltonika FM5300

Dmitriy wrote:

Реализована поддержка отправки конфигурации по TCP на приборы Teltonika FM5300, FM4200, FM4100

А по подробнее можно - как это правильно реализовать?
вот например - прибор 5300 очередной раз стал глючить - потерял дут и и имеет одни и те же координаты...
Объясняется данная проблема - слетели настройки COM -
да смсками - удается победить... - уходит около 20 смс... (и по профилям и глобальные)
как правильно это сделать через TCP-IP?

ну файл конфигурации я допустим сформировал...
а что дальше?
как его прикрепить в виалон?
какую команду нужно отправить на прибор что бы он стал считывать конфиг?
нужно ли чистить профайлы командой resetallprof?
в общем по подробнее пожалуйста..
С какой версии прошивки данная фича работает?

592

Teltonika FM5300

(edited by 24Glonass 11/03/2015 06:08:43)

Re: Teltonika FM5300

Сняли один терминал 5300, на диагностику, перестал выходить на связь. Настройки все обнулились, прошил, настроил. Заработало. В очередной раз поразился "ходу конем" с разъемом GSM антенны. Это же надо было туда "папу" поставить под только свои антенны... жутко неудобно!

И кто может последнюю прошивку на 5300 закинуть? А то вижу что новые конфигураторы перестали понимать свои терминалы. Закиньте пожалуйста на

pokupka@myfly.biz

593

Teltonika FM5300

Re: Teltonika FM5300

24Glonass wrote:

Сняли один терминал 5300, на диагностику, перестал выходить на связь. Настройки все обнулились, прошил, настроил. Заработало. В очередной раз поразился "ходу конем" с разъемом GSM антенны. Это же надо было туда "папу" поставить под только свои антенны... жутко неудобно!

И кто может последнюю прошивку на 5300 закинуть? А то вижу что новые конфигураторы перестали понимать свои терминалы. Закиньте пожалуйста на

pokupka@myfly.biz


2-3 мм у "папки" антенны откусываете и с натягом накручиваете(те папа-папа), работаю без проблем.

на почте.

594

Teltonika FM5300

Re: Teltonika FM5300

Получил, спасибо!

595

Teltonika FM5300

Re: Teltonika FM5300

Появился еще вопрос, секция зажигание, выбираем external voltage и ест два селектора high и low,  установил высокое 13000, а низкое 12999, чтобы сформировать зажигание после 13 вольт в бортсети. Правильно ли у понял данную настройку?

596

Teltonika FM5300

Re: Teltonika FM5300

24Glonass wrote:

Появился еще вопрос, секция зажигание, выбираем external voltage и ест два селектора high и low,  установил высокое 13000, а низкое 12999, чтобы сформировать зажигание после 13 вольт в бортсети. Правильно ли у понял данную настройку?

Нет. Эти 2 параметра задают рамки, в которых значение напряжение будет равно включенному зажиганию. Все выходящее за этот диапазон, как ниже так и выше, не будет считать за включенное зажигание.

Выдержка из документации:
"Example:
High Level: 15000
Low Level: 13000
If External Voltage 14V, then ignition is ON.
If External Voltage 12V, then ignition is OFF.
If External Voltage 16V, then ignition is OFF."

597

Teltonika FM5300

Re: Teltonika FM5300

Спасибо! Вовремя подсказали smile Исправлю.

598

Teltonika FM5300

Re: Teltonika FM5300

А как из конфигуратора определить работоспособность антенн, соединение и т.д., что-то типа терминала есть в нем? Потыкал вкладки не нашел.

599

Teltonika FM5300

Re: Teltonika FM5300

24Glonass wrote:

А как из конфигуратора определить работоспособность антенн, соединение и т.д., что-то типа терминала есть в нем? Потыкал вкладки не нашел.

В удобоваримом формате такой функции нет, из конфигуратора можно легко определять работоспособность сим карты (поле SimPin Status). Так же им можно определить работоспособность/неисправность GSM модема всех тельтоник. Если заведомо рабочую сим карту, с включенным GPRS  (можно с голосовыми вызовами) вставить в прибор, и он не сможет её определить (бесконечное "init...."), то данный прибор должен отправляться в ремонт поставщику. Как выяснилось, случаи неисправности GSM модема не редкость для 1100 и 5300.

Работоспособность входов/портов/антенн проверяем непосредственно на сервере мониторинга при заведении объекта. Мануал предлагает использовать  Terminal или Hercules для чтения лога работы прибора, но опыта работы с ними не имею.

600

Teltonika FM5300

(edited by PavV 13/03/2015 11:17:37)

Re: Teltonika FM5300

Привет народ. Достала проблема со сбросом настроек COM-порта, отсюда соответственно отваливается ДУТ. Была сначала прошивка FM53010602, отписались производителю прислал FM53010609, типа все будет ОК, продержалось подольше, но в итоге всеравно слетают эти долбанные настройки ком-порта. Кто и какой пользуетесь стабильной прошивкой именно при работе с ДУТ долгое время. Упарила уже эта проблема. Производитель как всегда втупую присылает новую прошивку и говорит вот эта точно стабильная.

601

Teltonika FM5300

Re: Teltonika FM5300

PavV wrote:

Привет народ. Достала проблема со сбросом настроек COM-порта, отсюда соответственно отваливается ДУТ. Была сначала прошивка FM53010602, отписались производителю прислал FM53010609, типа все будет ОК, продержалось подольше, но в итоге всеравно слетают эти долбанные настройки ком-порта. Кто и какой пользуетесь стабильной прошивкой именно при работе с ДУТ долгое время. Упарила уже эта проблема. Производитель как всегда втупую присылает новую прошивку и говорит вот эта точно стабильная.

Проблема эта возникает не из-за прошивки, а предположительно  из-за неисправности COM-порта/неисправности цифрового ДУТ. Поймали однажды момент, когда из-за подключения криво работающего ДУТ физически стали пропадать передаваемые параметры в пакете. Связано это с установлением на заводские значения практически всех параметров из вкладки Global Parameters. И в подавляющем количестве случаем было это в той фирме, где очень большой % отказа  из-за вмешательств в работу системы. Адекватным решением является вбить в файлик параметры из Global Parameters со значениями, которые вы настроили и отправлять их через смс.

602

Teltonika FM5300

Re: Teltonika FM5300

привет всем вы бы не могли  бы мне помочь с подключения фм 5300 с дут-е технотон rs 232

603

Teltonika FM5300

Re: Teltonika FM5300

заранее спасибо

604

Teltonika FM5300

Re: Teltonika FM5300

Qwerty-rhfrty wrote:

Проблема эта возникает не из-за прошивки, а предположительно  из-за неисправности COM-порта/неисправности цифрового ДУТ. Поймали однажды момент, когда из-за подключения криво работающего ДУТ физически стали пропадать передаваемые параметры в пакете. Связано это с установлением на заводские значения практически всех параметров из вкладки Global Parameters. И в подавляющем количестве случаем было это в той фирме, где очень большой % отказа  из-за вмешательств в работу системы. Адекватным решением является вбить в файлик параметры из Global Parameters со значениями, которые вы настроили и отправлять их через смс.

Ну не, не соглашусь, настройки слетели даже на оборудование которое напичкано электроникой. У нас сброс происходит имеено режима работы LLS на Silent mode. СМС это конечно хорошо, но вот не буду я же целыми днями мониторить слетели настройки или нет, особенно с большим парком машин. Дело тут именно в прошивке, и мне особо без разницы слетают они по поводу кривого монтажа, вмешательства, настройки должны сохранятся.

605

Teltonika FM5300

(edited by Qwerty-rhfrty 13/03/2015 16:39:28)

Re: Teltonika FM5300

PavV wrote:

Дело тут именно в прошивке, и мне особо без разницы слетают они по поводу кривого монтажа, вмешательства, настройки должны сохранятся.

Описанные Вами 2 совершенно разные ситуации и к ним должны применяться совершенно разные методы воздействия. В одном случае вина установщика, в другом - саботаж со стороны клиента.

Опять же, если постоянно слетает одна и та же единичная настройка, есть повод задуматься, а не помогают ли ей слететь? В случае, описанным мною, кроме режима работа устанавливаются по-умолчанию так же скорость передачи данных и прописанные полиномы.

606

Teltonika FM5300

Re: Teltonika FM5300

Qwerty-rhfrty
Прошу не выкладывать в общий доступ ссылки на наш FTP-сервер, предназначенный исключительно для наших партнеров. Прошивки выдаются после обращения в службу тех.поддержки. Это сделано для того, чтобы только компетентные люди могли перепрошивать приборы, а также для сбора статистики о причинах перепрошивки. Надеюсь на понимание.

http://euromobile.ru Официальный дистрибьютор Teltonika на территории РФ и СНГ
Skype: gamov.euroml
607

Teltonika FM5300

Re: Teltonika FM5300

Ссылка убрана.

Попрошу тогда дать комментарий компании (можно в ЛС) по данному вопросу: является ли обновление прошивки на приборах компании Teltonika желательным при выходе новых версий или нет? Означает ли это, что выложенные версии прошивок не проверяются технической поддержкой и пользователи, которые имеют к ней доступ, используют их на свой страх и риск?

608

Teltonika FM5300

Re: Teltonika FM5300

Qwerty-rhfrty
Отвечу здесь.
1. Нет, не является. Кроме отдельных случаев, о которых мы предупреждаем.
2. Прошивки, которые мы выкладываем на нашем сервере, проверяются, достаточно тщательно. Именно поэтому периодически у клиентов есть более новые прошивки чем те, которые выложены на сервере.

http://euromobile.ru Официальный дистрибьютор Teltonika на территории РФ и СНГ
Skype: gamov.euroml
609

Teltonika FM5300

Re: Teltonika FM5300

Qwerty-rhfrty wrote:
PavV wrote:

Дело тут именно в прошивке, и мне особо без разницы слетают они по поводу кривого монтажа, вмешательства, настройки должны сохранятся.

Описанные Вами 2 совершенно разные ситуации и к ним должны применяться совершенно разные методы воздействия. В одном случае вина установщика, в другом - саботаж со стороны клиента.

Опять же, если постоянно слетает одна и та же единичная настройка, есть повод задуматься, а не помогают ли ей слететь? В случае, описанным мною, кроме режима работа устанавливаются по-умолчанию так же скорость передачи данных и прописанные полиномы.


Конечно, есть повод задуматься... Мы перепрошили трекер прошивкой 1.7.20  по рекомендации поставщика и сброс настроек не прекратился. Бывает эпизодически.
Сбрасывается скорость передачи COM  и, кажется, LLS mode. Если это вредительство - намекните,как водитель может это делать, не трогая разъемы и контакты трекера,  ДУТ ? Замечено, что перед этим техника стояла пару дней с отключенной "массой", но при этом оставалось питание на входе 3,5 - 4,5 в. Кстати, такое отключение массы бывает каждый день, в отличие от потери настроек
Кстати, сброс COM происходил на нескольких не связанных между собой машинах.

"Если вы не можете объяснить это своей бабушке, вы сами этого не понимаете."  А.Эйнштейн
610

Teltonika FM5300

Re: Teltonika FM5300

SAT wrote:

и сброс настроек не прекратился. Бывает эпизодически.
Сбрасывается скорость передачи COM  и, кажется, LLS mode. Если это вредительство - намекните,как водитель может это делать, не трогая разъемы и контакты трекера,  ДУТ ? Замечено, что перед этим техника стояла пару дней с отключенной "массой", но при этом оставалось питание на входе 3,5 - 4,5 в. Кстати, такое отключение массы бывает каждый день, в отличие от потери настроек
Кстати, сброс COM происходил на нескольких не связанных между собой машинах.

ровно та-же петрушка второй год, неоднократно запрашивали свежие прошивки, 2 года назад профили портились, последний год LLS портится, отвратительное качество прошивок

611

Teltonika FM5300

(edited by SAT 21/05/2015 13:19:17)

Re: Teltonika FM5300

autokirov@gmail.com wrote:
SAT wrote:

и сброс настроек не прекратился. Бывает эпизодически.
Сбрасывается скорость передачи COM  и, кажется, LLS mode. Если это вредительство - намекните,как водитель может это делать, не .

ровно та-же петрушка второй год, неоднократно запрашивали свежие прошивки, 2 года назад профили портились, последний год LLS портится, отвратительное качество прошивок

Только что подсказали - включить в Global parameters -Backup mode. Пользовательские настройки станут настройками по умолчанию.

Думаю, даже если и сбросы продолжатся  - по уведомлению об отсутствии параметра можно будет делать cpureset

"Если вы не можете объяснить это своей бабушке, вы сами этого не понимаете."  А.Эйнштейн
612

Teltonika FM5300

Re: Teltonika FM5300

Всем добрый день.

Подскажите у кого в России в наличии и можно купить GSM антенны для Telltonika FM5300?
Если у кого есть напишите мне на почту пожалуйста.

Бейфус Алексей
ГК "Современные технологии"
Саратовская область г.Энгельс
http://navexp.ru
613

Teltonika FM5300

Re: Teltonika FM5300

евромобайл

614

Teltonika FM5300

Re: Teltonika FM5300

Beifuss wrote:

Всем добрый день.

Подскажите у кого в России в наличии и можно купить GSM антенны для Telltonika FM5300?
Если у кого есть напишите мне на почту пожалуйста.

Отличие от других GSM антенн только типом разъема "папа\мама". Если есть возможность самим перепаять разъем на другой антенне - стоимость разъема несуществена

"Если вы не можете объяснить это своей бабушке, вы сами этого не понимаете."  А.Эйнштейн
615

Teltonika FM5300

Re: Teltonika FM5300

SAT Не совсем папа-мама. Используются реверcные разъемы SMA.

http://euromobile.ru Официальный дистрибьютор Teltonika на территории РФ и СНГ
Skype: gamov.euroml
616

Teltonika FM5300

Re: Teltonika FM5300

Отправьте пожалуйста последнею прошивку и конфигуратор.

617

Teltonika FM5300

Re: Teltonika FM5300

SAT wrote:

Только что подсказали - включить в Global parameters -Backup mode. Пользовательские настройки станут настройками по умолчанию.
Думаю, даже если и сбросы продолжатся  - по уведомлению об отсутствии параметра можно будет делать cpureset

это где же такая настройка в Global parameters -Backup mode?
Да и команда Cpureset, всего лишь перезагружает ФМ, не трогая никаких настроек.

ПС, а слеты настроек COM все также продолжаются....

618

Teltonika FM5300

(edited by alig517 31/05/2015 13:01:43)

Re: Teltonika FM5300

вопрос по 5300. есть настройка для перезагрузки модема по расписанию? раз в час или ... при других условиях, но чтоб автоматом перегружался.  Есть проблема. Ситуация следующая: симка в сети, передача данных есть, все нормально, потом прибор попадает в зону базовой станции где нет гпрс, на пару минут, сеть при этом не пропадает, но передачи данных нет и после этого прибор уже не передает, коннекта с гпрс нет. Это длится до тех пор пока не передернешь или питание или командой cpureset. прошивка 5.16

619

Teltonika FM5300

(edited by SAT 15/06/2015 10:25:26)

Re: Teltonika FM5300

alig517 wrote:

вопрос по 5300. есть настройка для перезагрузки модема по расписанию? раз в час или ... при других условиях, но чтоб автоматом перегружался.  Есть проблема. Ситуация следующая: симка в сети, передача данных есть, все нормально, потом прибор попадает в зону базовой станции где нет гпрс, на пару минут, сеть при этом не пропадает, но передачи данных нет и после этого прибор уже не передает, коннекта с гпрс нет. Это длится до тех пор пока не передернешь или питание или командой cpureset. прошивка 5.16


Согласно описанию по работе с профилями оборудования, если ни в одном профиле не введен код домашней сети, то,  настройки берутся из 3 профиля и поиск GSM-оператора происходит каждые 15 мин.  Сессии будут переустанавливаться каждые 15 мин. Как-то так... )

"Если вы не можете объяснить это своей бабушке, вы сами этого не понимаете."  А.Эйнштейн
620

Teltonika FM5300

(edited by SAT 15/06/2015 10:35:56)

Re: Teltonika FM5300

PavV wrote:
SAT wrote:

Только что подсказали - включить в Global parameters -Backup mode. Пользовательские настройки станут настройками по умолчанию.
Думаю, даже если и сбросы продолжатся  - по уведомлению об отсутствии параметра можно будет делать cpureset

это где же такая настройка в Global parameters -Backup mode?
Да и команда Cpureset, всего лишь перезагружает ФМ, не трогая никаких настроек.

ПС, а слеты настроек COM все также продолжаются....



См. скриншот. Прилагаю
ПС Если пользовательские настройки станут настройками по умолчанию - именно они и будут восстанавливаться по cpureset

  • Teltonika FM5300
"Если вы не можете объяснить это своей бабушке, вы сами этого не понимаете."  А.Эйнштейн
621

Teltonika FM5300

Re: Teltonika FM5300

SAT wrote:

Согласно описанию по работе с профилями оборудования, если ни в одном профиле не введен код домашней сети, то,  настройки берутся из 3 профиля и поиск GSM-оператора происходит каждые 15 мин.  Сессии будут переустанавливаться каждые 15 мин. Как-то так... )

инструкцию читал, о сессиях в курсе. Оказалось что это глобальная проблема из-за оператора моб связи, долго рассказывать, та и не нужно наверно. Итог, прибор не причем. спасибо!!!

622

Teltonika FM5300

Re: Teltonika FM5300

alig517 wrote:
SAT wrote:

Согласно описанию по работе с профилями оборудования, если ни в одном профиле не введен код домашней сети, то,  настройки берутся из 3 профиля и поиск GSM-оператора происходит каждые 15 мин.  Сессии будут переустанавливаться каждые 15 мин. Как-то так... )

инструкцию читал, о сессиях в курсе. Оказалось что это глобальная проблема из-за оператора моб связи, долго рассказывать, та и не нужно наверно. Итог, прибор не причем. спасибо!!!


Не Билайн, часом? Были прецеденты в р-не Крымска с сотами которые воспринимались как неродные )

"Если вы не можете объяснить это своей бабушке, вы сами этого не понимаете."  А.Эйнштейн
623

Teltonika FM5300

Re: Teltonika FM5300

Dmitriy wrote:

SAT Не совсем папа-мама. Используются реверcные разъемы SMA.

Тогда уж так:

"Существуют также разъемы SMA с обратной полярностью (инверсные SMA-разъемы). Они называются RP-SMA (Reverse polarity SMA)."

http://zyxel.ru/kb/1984  , например

"Если вы не можете объяснить это своей бабушке, вы сами этого не понимаете."  А.Эйнштейн
624

Teltonika FM5300

Re: Teltonika FM5300

Все прошивки перепробовал,часто слетают дуты,даже в офисе трекер лежал,и у того отвалились!Это особенность кривого трекера 5300

Qwerty-rhfrty wrote:
PavV wrote:

Дело тут именно в прошивке, и мне особо без разницы слетают они по поводу кривого монтажа, вмешательства, настройки должны сохранятся.

Описанные Вами 2 совершенно разные ситуации и к ним должны применяться совершенно разные методы воздействия. В одном случае вина установщика, в другом - саботаж со стороны клиента.

Опять же, если постоянно слетает одна и та же единичная настройка, есть повод задуматься, а не помогают ли ей слететь? В случае, описанным мною, кроме режима работа устанавливаются по-умолчанию так же скорость передачи данных и прописанные полиномы.

625

Teltonika FM5300

Re: Teltonika FM5300

хз как говориться....если только предположить....чисто теоретически....настройки хранятся в памяти трекера... а память бывает энергозависимой (и значит встроенная батарейка сдохла....это не про акб) или энергонезависимая (ну тут дело в самой памяти)...

626

Teltonika FM5300

(edited by Bender0711 19/06/2015 09:54:45)

Re: Teltonika FM5300

главное грамотная тех поддержка,а тут кроме обновите прошивку  ничего дельного!

qwerty16 wrote:

хз как говориться....если только предположить....чисто теоретически....настройки хранятся в памяти трекера... а память бывает энергозависимой (и значит встроенная батарейка сдохла....это не про акб) или энергонезависимая (ну тут дело в самой памяти)...

627

Teltonika FM5300

Re: Teltonika FM5300

Bender0711 Это вы про какую тех.поддержку, если не секрет?

http://euromobile.ru Официальный дистрибьютор Teltonika на территории РФ и СНГ
Skype: gamov.euroml
628

Teltonika FM5300

Re: Teltonika FM5300

Dmitriy wrote:

Bender0711 Это вы про какую тех.поддержку, если не секрет?

По проблеме отваливающихся ДУТов,проблема открыта по сей день!Или кто то может похвастаться обратным?

629

Teltonika FM5300

Re: Teltonika FM5300

Bender0711 Проблема по отваливающимся дутам решена более года назад.

http://euromobile.ru Официальный дистрибьютор Teltonika на территории РФ и СНГ
Skype: gamov.euroml
630

Teltonika FM5300

Re: Teltonika FM5300

Если не секрет,каким образом,я думаю ребята на сайте будут рады видеть решение!

Dmitriy wrote:

Bender0711 Проблема по отваливающимся дутам решена более года назад.

631

Teltonika FM5300

Re: Teltonika FM5300

autokirov@gmail.com wrote:

ровно та-же петрушка второй год, неоднократно запрашивали свежие прошивки, 2 года назад профили портились, последний год LLS портится, отвратительное качество прошивок

Профиль слетает,при остаточном напряжении около 8В,т.е. ТС отключает массу,но проводка пробивает и остаётся 8В,после  садитсяАКБ трекера,при следующем включении профиль чистый,номеров нет в списке удалённо не настроить.Трясти клиента пусть приводит проводку ТС в соответствие,потом ехать заливать профиль!

632

Teltonika FM5300

Re: Teltonika FM5300

Dmitriy wrote:

Bender0711 Проблема по отваливающимся дутам решена более года назад.

оппа,  рецепт в студию! Очень хочеться избавиться от наболевшей проблемы.

633

Teltonika FM5300

Re: Teltonika FM5300

В новых прошивках данной проблемы уже нет. Если трекер приобретался у нас, мы можем удаленно перепрошить его после запроса в наш саппорт.

Также можно отключить полиномы, но тогда на сервер будет приходить именно то, что передает датчик. То есть, например, если датчика 2, то суммировать нужно будет в софте.
Команды:
  setparam 121 0
  setparam 143 -6000.0
  cpureset

http://euromobile.ru Официальный дистрибьютор Teltonika на территории РФ и СНГ
Skype: gamov.euroml
634

Teltonika FM5300

Re: Teltonika FM5300

Dmitriy wrote:

Также можно отключить полиномы

Их всегда отключали!И всё равно отвал был.

Dmitriy wrote:

В новых прошивках данной проблемы уже нет

А номер прошивки если не секрет!

635

Teltonika FM5300

Re: Teltonika FM5300

Bender0711 wrote:

Bender0711

Dmitriy wrote:

Dmitriy

Правдоподобна версия "Bender0711" от 19/06/2015 11:06:41.
Похожие проблемы видели с WondeProud - в ситуации, когда  при отключении массы оставалось остаточное напряжение в 5-8 вольт. Разряд встроенной батареи приводил к сбросу настроек. Примечательно, что при качественном отключении мвссы подобный эффект не наблюдался.

"Если вы не можете объяснить это своей бабушке, вы сами этого не понимаете."  А.Эйнштейн
636

Teltonika FM5300

(edited by PavV 23/06/2015 06:27:48)

Re: Teltonika FM5300

Bender0711 wrote:

А номер прошивки если не секрет!

видимо большой секрет, одна демагогия о решении.... да мы..., да у нас....

SAT wrote:

Похожие проблемы видели с WondeProud - в ситуации, когда  при отключении массы оставалось остаточное напряжение в 5-8 вольт. Разряд встроенной батареи приводил к сбросу настроек. Примечательно, что при качественном отключении мвссы подобный эффект не наблюдался.

Мне собственно без разницы причины, а вот последствия уже проблема производителя, и именно софта. Не мониторить же мне теперь ежедневно питание каждого авто...

637

Teltonika FM5300

Re: Teltonika FM5300

PavV wrote:

Мне собственно без разницы причины, а вот последствия уже проблема производителя, и именно софта. Не мониторить же мне теперь ежедневно питание каждого авто...

тут не поспоришь,мы же не бетта приборы тестим,а берём готовый трекер,для того он и форум чтоб решать недоработки!

638

Teltonika FM5300

Re: Teltonika FM5300

SAT wrote:

Только что подсказали - включить в Global parameters -Backup mode

Как это удалённо включить???В мануале нет!

639

Teltonika FM5300

(edited by SAT 08/07/2015 12:26:48)

Re: Teltonika FM5300

Bender0711 wrote:
SAT wrote:

Только что подсказали - включить в Global parameters -Backup mode

Как это удалённо включить???В мануале нет!


FM5300 User Manual  V3.37

стр. 55
Table 26 Global parameters values
...
Backup Mode  125  0/1 (0 – disable, 1 – enable)  0

на стр 33. - упоминание об этом режиме )

"Если вы не можете объяснить это своей бабушке, вы сами этого не понимаете."  А.Эйнштейн
640

Teltonika FM5300

Re: Teltonika FM5300

У меня сегодня телтоники 5300 несколько из ремонта, пытаюсь настроить хоть 1. Прошивки на них 1.7.8, конфигуратор настраивает, на сервер не отправляют, лога нет никакого. Прошиваю 1.6.6 - примерно такая же фигня, еще одна версия вроде 1.7.21, в общем, только с бубном не плясал, не могу добиться появления лога, обычно же пишут ссссссссс или тип таво. В чем секрет, кто в курсе

вы тут немного подварите, а я дома проволокой намертво примотаю
+79634551777
641

Teltonika FM5300

Re: Teltonika FM5300

mykola

Скачайте у продавца и запустите Terminal от Teltonika, подключитесь к трекеру по usb. Увидите поток сообщений от 5300 - помогает в диагностике. Скажем,если нет GPS - будет мелькать sat::0 или sat:2, там же можно увидеть подключение по GPRS  и пр. и пр.

"Если вы не можете объяснить это своей бабушке, вы сами этого не понимаете."  А.Эйнштейн
642

Teltonika FM5300

Re: Teltonika FM5300

доброго дня надо конфигуратор для FM 5300

643

Teltonika FM5300

Re: Teltonika FM5300

http://avl1.teltonika.lt/Downloads/

644

Teltonika FM5300

(edited by 43avto 09/09/2015 01:04:32)

Re: Teltonika FM5300

Уважаемые коллеги! Посоветуйте пожалуйста, возможно ли как-то сделать чтобы FM5300 высылал СМС при входе/выходе из геозоны и при превышении скорости?

И еще момент  - при входе/выходе из геозоны возможно ли создание события для управления любым другим выходом, помимо DOUT1 ?

645

Teltonika FM5300

Re: Teltonika FM5300

43avto wrote:

Уважаемые коллеги! Посоветуйте пожалуйста, возможно ли как-то сделать чтобы FM5300 высылал СМС при входе/выходе из геозоны и при превышении скорости?
И еще момент  - при входе/выходе из геозоны возможно ли создание события для управления любым другим выходом, помимо DOUT1 ?

проще это через  wialоn реализовать !

646

Teltonika FM5300

(edited by 43avto 10/09/2015 00:49:02)

Re: Teltonika FM5300

Понимаю что проще, но надо бы как-то организовать средствами самого трекера.
Заказчик сильно расстраивается, что приобрев более дорогую модель Телтоники не имеет возможности получать привычные СМС прямо с сим карты...
Кроме того, действия FM5300 по активации-деактивации выходов по Геозонам будут привязаны к Wialon, а в случае отсутствии связи необходимые события могут и не произойти - это совсем не гут!

647

Teltonika FM5300

Re: Teltonika FM5300

А реально организовать отправку данных на 2 сервера?

648

Teltonika FM5300

Re: Teltonika FM5300

Bender0711 реально на одном из серверов поставить ретранслятор на другой

http://gurtam.com/ru/gps_tracking/gps_h … l?id=12152

Viktor Yarovenko
Business Analyst
Wialon
649

Teltonika FM5300

Re: Teltonika FM5300

43avto wrote:

Понимаю что проще, но надо бы как-то организовать средствами самого трекера.
Заказчик сильно расстраивается, что приобрев более дорогую модель Телтоники не имеет возможности получать привычные СМС прямо с сим карты...
Кроме того, действия FM5300 по активации-деактивации выходов по Геозонам будут привязаны к Wialon, а в случае отсутствии связи необходимые события могут и не произойти - это совсем не гут!

если еще актуален вопрос: в случае отсутствия связи, привычное смс к заказчику тоже не дойдет.
А после выгрузки данных из черного ящика  в Виалон также можно увидеть все события.

Viktor Yarovenko
Business Analyst
Wialon
650

Teltonika FM5300

Re: Teltonika FM5300

yavi wrote:

Bender0711 реально на одном из серверов поставить ретранслятор на другой

http://gurtam.com/ru/gps_tracking/gps_h … l?id=12152

да не хотят куда нужно ретранслятор принимать!в том то и дело!

651

Teltonika FM5300

(edited by 43avto 29/09/2015 14:17:39)

Re: Teltonika FM5300

yavi wrote:

если еще актуален вопрос: в случае отсутствия связи, привычное смс к заказчику тоже не дойдет.
А после выгрузки данных из черного ящика  в Виалон также можно увидеть все события.

Отлично это понимаю, но сам трекер отработает событие вследствие, т.е. например при выходе из зоны активирует выход... При отсутствии связи команда с сервера не пройдёт, соответственно логика может не сработать

652

Teltonika FM5300

Re: Teltonika FM5300

43avto
Предположим, водитель едет внутри геозоны. В один прекрасный момент передача данных отваливается. Координаты определяются по GPS и записываются в память устройства (черный ящик).
Водитель выезжает за пределы геозоны -- связи все еще нет.
Водитель возвращается в геозону -- связи все еще нет.

Как только появляется связь, все данные из черного ящика выгружаются на сервер Wialon. Сервер анализирует все полученные сообщения и сразу высылает нужные уведомления адресату.
*единственная ремарка, в настройках уведомления должна стоять галочка "генерировать уведомления для всех сообщений"
http://docs.gurtam.com/ru/hosting/user/notify/params

Но если принципиально именно отправка уведомлений от прибора, то это только к производителю Teltonika...

Viktor Yarovenko
Business Analyst
Wialon
653

Teltonika FM5300

Re: Teltonika FM5300

Всем здрасте, пришлите пож.   Updater и  новую прошивку на FM5300
конфигуратор подошел  версии FM5XXX_Configurator_20130207_v1.1.2.11
почта Altairagro@mail.ru

Если имеется рабочий конфиг. за него тоже оч. буду благодарен

Спасибо за помощь

654

Teltonika FM5300

Re: Teltonika FM5300

Здравствуйте, поделитесь пожалуйста прошивкой 5300, заранее СПАСИБО.
d.tsaryov@gmail.com

655

Teltonika FM5300

(edited by oootm51 25/11/2015 16:14:29)

Re: Teltonika FM5300

Здравствуйте! Пожалуйста, киньте последнюю рабочую прошивку FM5300. oootm51@gmail.com
и если не сложно напишите реальный пример смс. ни как не  получается получить ответ от терминалов(дозвон по номеру идет).

656

Teltonika FM5300

(edited by Bender0711 26/11/2015 11:17:03)

Re: Teltonika FM5300

oootm51 wrote:

и если не сложно напишите реальный пример смс. ни как не  получается получить ответ от терминалов(дозвон по номеру идет).

в конфигураторе должно быть включено СМС, и доверенные номера! пример   "логин пароль cpureset"

657

Teltonika FM5300

(edited by woollen 26/11/2015 11:06:52)

Re: Teltonika FM5300

Чтобы управлять командами по СМС, включать СМС в конфигураторе НЕ НУЖНО. СМС включается, если нужно, чтобы данные шли по СМС, если нет GPRS.
Логин и пароль надо знать. И еще момент, если в списке авторизованных номеров записан хоть один номер, то смс будут приниматься только от него.
Если нет номеров, то, по идее, должен с любого номера принимать.
И еще, не на все команды есть ответ. На cpureset, в частности, ответа нет.
Я бы отправил   "логин пароль getinfo"

Если логин и пароль не прописаны, то вместо них два пробела и тело команды.

658

Teltonika FM5300

(edited by Bender0711 26/11/2015 11:34:45)

Re: Teltonika FM5300

woollen wrote:

Чтобы управлять командами по СМС, включать СМС в конфигураторе НЕ НУЖНО. СМС включается, если нужно, чтобы данные шли по СМС, если нет GPRS.

проверял ,если СМС disable,  даже если номера вбиты. СМС не принимает,и не отвечает!

woollen wrote:

Если нет номеров, то, по идее, должен с любого номера принимать.

нет не работает!

woollen wrote:

Если логин и пароль не прописаны, то вместо них два пробела и тело команды.

тоже не работает!

659

Teltonika FM5300

Re: Teltonika FM5300

Bender0711 wrote:
woollen wrote:

Чтобы управлять командами по СМС, включать СМС в конфигураторе НЕ НУЖНО. СМС включается, если нужно, чтобы данные шли по СМС, если нет GPRS.

проверял ,если СМС disable,  даже если номера вбиты. СМС не принимает,и не отвечает!

woollen wrote:

Если нет номеров, то, по идее, должен с любого номера принимать.

нет не работает!

woollen wrote:

Если логин и пароль не прописаны, то вместо них два пробела и тело команды.

тоже не работает!

Отлично, у меня все работает.

660

Teltonika FM5300

(edited by SAT 26/11/2015 11:53:07)

Re: Teltonika FM5300

woollen wrote:
Bender0711 wrote:
woollen wrote:

Чтобы управлять командами по СМС, включать СМС в конфигураторе НЕ НУЖНО. СМС включается, если нужно, чтобы данные шли по СМС, если нет GPRS.

проверял ,если СМС disable,  даже если номера вбиты. СМС не принимает,и не отвечает!

woollen wrote:

Если нет номеров, то, по идее, должен с любого номера принимать.

нет не работает!

woollen wrote:

Если логин и пароль не прописаны, то вместо них два пробела и тело команды.

тоже не работает!

Отлично, у меня все работает.


Подтверждаю - 2 пробела имя команды параметры - рабочая комбинация,которая описана в мануале и  проверялась неоднократно.
Два пробела в качестве пароля задаются в свойствах объекта и при отправке команды через СМС подставляются автоматически.
Другое дело, что в случае неожиданного переключения профиля могут быть проблемы, если с логином паролем в разных профилях чехарда.

"Если вы не можете объяснить это своей бабушке, вы сами этого не понимаете."  А.Эйнштейн
661

Teltonika FM5300

Re: Teltonika FM5300

woollen wrote:

Отлично, у меня все работает.

давайте я сотру настройки в заводские и дам Вам номер,а Вы мне направите прибор на сервер!?Ну или параметр какойнибудь настроите,или запросите ИМЕЙ,и пришлёте его мне !

662

Teltonika FM5300

Re: Teltonika FM5300

SAT wrote:

Подтверждаю - 2 пробела имя команды параметры - рабочая комбинация,которая описана в мануале и  проверялась неоднократно.

Enable  всё равно в СМС должен стоять!

663

Teltonika FM5300

(edited by woollen 26/11/2015 12:05:27)

Re: Teltonika FM5300

Bender0711 wrote:
woollen wrote:

Отлично, у меня все работает.

давайте я сотру настройки в заводские и дам Вам номер,а Вы мне направите прибор на сервер!?Ну или параметр какойнибудь настроите,или запросите ИМЕЙ,и пришлёте его мне !

Я спорить даже не буду. У Вас не работает, Вы и разбирайтесь. У меня все работает, при этом СМС Disable, как и должно быть.
Единственное, что я не проверял сам на 53, так это отправка  смс с любого номера при отсутствии авторизованных номеров. Я номера свои прописываю, с них управляю по смс. СМС Disable при этом.

664

Teltonika FM5300

(edited by SAT 26/11/2015 12:11:29)

Re: Teltonika FM5300

Bender0711 wrote:
SAT wrote:

Подтверждаю - 2 пробела имя команды параметры - рабочая комбинация,которая описана в мануале и  проверялась неоднократно.

Enable  всё равно в СМС должен стоять!


Извините за длинную вставку из "FM5300 User Manual V3.37"

Ниже ясно сказано, что Enable необходимо только для регулярной отправки СМС

"SMS data sending Settings enables or disables periodic data and event SMS sending to
server
"
Ниже полный кусок руководства

7.3.1.2.3 SMS
Essential fields in ‘SMS’ part is ‘Login’ and ‘Password’ (Figure 25). This login and password is
used with every SMS sent to FM5300. If login and password are not set, every SMS sent to
FM5300 device has to include two spaces before command (<space><space><command>).
36
Command structure: <login><space><password><space><command>.
Examples:
1. SMS login and password are set – “asd 123 getgps”
2. SMS login and password are not set – “ getgps”
Phone numbers have to be written in international standard, without using “+”
or “00” signs in prefix. If no numbers are entered in configuration then
commands SMS are allowed to be sent from all GSM numbers.
Figure 25 GSM->SMS Settings Configuration (1)
SMS data sending Settings enables or disables periodic data and event SMS sending to
server (Figure 26). Configuration is divided into 3 main parts:
1. Enable/Disable functionality;
2. SMS Week Time button (can be pressed only if functionality is Enabled);
3. Server Phone Number (has to be written in first position of Authorized phone
numbers);

"Если вы не можете объяснить это своей бабушке, вы сами этого не понимаете."  А.Эйнштейн
665

Teltonika FM5300

(edited by SAT 26/11/2015 12:10:21)

Re: Teltonika FM5300

woollen wrote:
Bender0711 wrote:
woollen wrote:

Отлично, у меня все работает.

давайте я сотру настройки в заводские и дам Вам номер,а Вы мне направите прибор на сервер!?Ну или параметр какойнибудь настроите,или запросите ИМЕЙ,и пришлёте его мне !

Я спорить даже не буду. У Вас не работает, Вы и разбирайтесь. У меня все работает, при этом СМС Disable, как и должно быть.
Единственное, что я не проверял сам на 53, так это отправка  смс с любого номера при отсутствии авторизованных номеров. Я номера свои прописываю, с них управляю по смс. СМС Disable при этом.


Отправку  SMS без установки логин/пароль при отсутствии авторизованных номеров использовал неоднократно. Отлично работает )

"Если вы не можете объяснить это своей бабушке, вы сами этого не понимаете."  А.Эйнштейн
666

Teltonika FM5300

Re: Teltonika FM5300

SAT wrote:
woollen wrote:
Bender0711 wrote:

давайте я сотру настройки в заводские и дам Вам номер,а Вы мне направите прибор на сервер!?Ну или параметр какойнибудь настроите,или запросите ИМЕЙ,и пришлёте его мне !

Я спорить даже не буду. У Вас не работает, Вы и разбирайтесь. У меня все работает, при этом СМС Disable, как и должно быть.
Единственное, что я не проверял сам на 53, так это отправка  смс с любого номера при отсутствии авторизованных номеров. Я номера свои прописываю, с них управляю по смс. СМС Disable при этом.


Отправку  SMS без установки логин/пароль при отсутствии авторизованных номеров использовал неоднократно. Отлично работает )

Я в общем-то и не сомневался)))

667

Teltonika FM5300

(edited by oootm51 30/11/2015 14:14:51)

Re: Teltonika FM5300

Всем спасибо! заработало СМС, "пробелпробелкоманда". Возникла проблема с некоторыми терминалами из 30-ти, 8 не выходят на связь. настройки у всех одинаковые! Находятся в зоне действия сети. На запрос "getstatus" ответ: Data Link:0 GPRS:0 Pxone:0 sim:0 OP:25002 Signal:4 NewSMS:0 Roaming:0 SMSFull:0 LAC:5102 Cell ID:15859
не подскажете как востановить GPRS????

668

Teltonika FM5300

Re: Teltonika FM5300

oootm51 wrote:

Всем спасибо! заработало СМС, "пробелпробелкоманда". Возникла проблема с некоторыми терминалами из 30-ти, 8 не выходят на связь. настройки у всех одинаковые! Находятся в зоне действия сети. На запрос "getstatus" ответ: Data Link:0 GPRS:0 Pxone:0 sim:0 OP:25002 Signal:4 NewSMS:0 Roaming:0 SMSFull:0 LAC:5102 Cell ID:15859
не подскажете как востановить GPRS????

Настройки может и одинаковые...должны быть, но я бы проверил: включен ли GPRS, вбит ли код оператора связи. Для начала.
Если сим-карта на связи, то надо в любом случае проверять настройки.

669

Teltonika FM5300

Re: Teltonika FM5300

woollen wrote:
oootm51 wrote:

Всем спасибо! заработало СМС, "пробелпробелкоманда". Возникла проблема с некоторыми терминалами из 30-ти, 8 не выходят на связь. настройки у всех одинаковые! Находятся в зоне действия сети. На запрос "getstatus" ответ: Data Link:0 GPRS:0 Pxone:0 sim:0 OP:25002 Signal:4 NewSMS:0 Roaming:0 SMSFull:0 LAC:5102 Cell ID:15859
не подскажете как востановить GPRS????

Настройки может и одинаковые...должны быть, но я бы проверил: включен ли GPRS, вбит ли код оператора связи. Для начала.
Если сим-карта на связи, то надо в любом случае проверять настройки.

сим-карта на связи. как проверить удаленно GPRS? код оператора точно был вбит (если только Слетел?). техника разбросана по области на 200-300км.

670

Teltonika FM5300

Re: Teltonika FM5300

woollen wrote:

Я спорить даже не буду. У Вас не работает, Вы и разбирайтесь. У меня все работает, при этом СМС Disable, как и должно быть.
Единственное, что я не проверял сам на 53, так это отправка  смс с любого номера при отсутствии авторизованных номеров. Я номера свои прописываю, с них управляю по смс. СМС Disable при этом.

Кто бы сомневался!Это форум,я к  примеру с калькулятора 5300 настраиваю!но доказывать Вам не буду,может у вас другая модель калькулятора!

671

Teltonika FM5300

Re: Teltonika FM5300

oootm51 wrote:

сим-карта на связи. как проверить удаленно GPRS? код оператора точно был вбит (если только Слетел?). техника разбросана по области на 200-300км.

Смсками проверить параметры - включен ли GPRS и введен ли код оператора. Навскидку номера параметров не помню. Мануал надо глянуть. У меня были случаи, когда некоторые параметры слетали, правда не связанные с настройками передачи данных.

672

Teltonika FM5300

Re: Teltonika FM5300

woollen wrote:
oootm51 wrote:

сим-карта на связи. как проверить удаленно GPRS? код оператора точно был вбит (если только Слетел?). техника разбросана по области на 200-300км.

Смсками проверить параметры - включен ли GPRS и введен ли код оператора. Навскидку номера параметров не помню. Мануал надо глянуть. У меня были случаи, когда некоторые параметры слетали, правда не связанные с настройками передачи данных.

d
в этом то и проблема нет GPRS связи. вот и вопрос как настроить удаленно???

673

Teltonika FM5300

Re: Teltonika FM5300

oootm51 wrote:

в этом то и проблема нет GPRS связи. вот и вопрос как настроить удаленно???

Настроить не по GPRS, а по смс. Если смс тоже не работает, тогда удаленно никак.

674

Teltonika FM5300

Re: Teltonika FM5300

woollen wrote:
oootm51 wrote:

Всем спасибо! заработало СМС, "пробелпробелкоманда". Возникла проблема с некоторыми терминалами из 30-ти, 8 не выходят на связь. настройки у всех одинаковые! Находятся в зоне действия сети. На запрос "getstatus" ответ: Data Link:0 GPRS:0 Pxone:0 sim:0 OP:25002 Signal:4 NewSMS:0 Roaming:0 SMSFull:0 LAC:5102 Cell ID:15859
не подскажете как востановить GPRS????

Настройки может и одинаковые...должны быть, но я бы проверил: включен ли GPRS, вбит ли код оператора связи. Для начала.
Если сим-карта на связи, то надо в любом случае проверять настройки.

Настроены одинаково все профили?  Активный профиль один и тот же? Проверьте через getinfo

"Если вы не можете объяснить это своей бабушке, вы сами этого не понимаете."  А.Эйнштейн
675

Teltonika FM5300

(edited by jak2525 03/12/2015 15:13:12)

Re: Teltonika FM5300

Здравствуйте!
Столкнулся с такой проблемой - терминал 5300 никак не хочет слать данные на сервер.
Настройки во всех 4-х профилях одинаковые, версия прошивки - 01.02.09.
Делал сброс, настраивал через СМС - та же ситуация.

Что делаю не так, подскажите пожалуйста?

  • Teltonika FM5300
676

Teltonika FM5300

Re: Teltonika FM5300

Выложите лог сюда минут 5, посмотрим. Лог можно снять программой terminal

677

Teltonika FM5300

Re: Teltonika FM5300

jak2525 wrote:

Здравствуйте!
Столкнулся с такой проблемой - терминал 5300 никак не хочет слать данные на сервер.
Настройки во всех 4-х профилях одинаковые, версия прошивки - 01.02.09.
Делал сброс, настраивал через СМС - та же ситуация.

Что делаю не так, подскажите пожалуйста?

порт вроде бы 20445 - должен быть

"Если вы не можете объяснить это своей бабушке, вы сами этого не понимаете."  А.Эйнштейн
678

Teltonika FM5300

(edited by jak2525 04/12/2015 13:53:21)

Re: Teltonika FM5300

PavV
COM-адаптера нету под рукой, по usb - лог пустой, может еще какие-то настройки нужно сделать?

679

Teltonika FM5300

(edited by SAT 04/12/2015 21:33:40)

Re: Teltonika FM5300

jak2525 wrote:

PavV
COM-адаптера нету под рукой, по usb - лог пустой, может еще какие-то настройки нужно сделать?


log пустой - через usb при подключении через  программу Terminal от  Teltonika?  Если нет - скачайте
Конфигуратором выгрузите настройки в файл, выложите здесь. Там же базовых настроек не меньше десятка.

"Если вы не можете объяснить это своей бабушке, вы сами этого не понимаете."  А.Эйнштейн
680

Teltonika FM5300

(edited by jak2525 07/12/2015 15:44:04)

Re: Teltonika FM5300

SAT wrote:

log пустой - через usb при подключении через  программу Terminal от  Teltonika?

Через Terminal1_9_b лог пустой, или это не то? Настройки из конфигуратора прикрепил.

Вообще прибор немного расшевелил - т.к. он у меня тестируется в офисе, то решил выставить в настройках в Data Acquisition:
Min Period - 30 сек
Send Period - 30 сек
Теперь шлет данные судя по логам каждые 5 минут. Вроде ж должен слать чаще? Как можно ускорить этот процесс? Хотя бы до минуты.

И если с передачей данных кое-как разобрался, теперь возник другой вопрос - как настроить терминал, чтобы видел импульсы со счетчика DFM 90AP?
Подключаю счетчик к  DIN3, активирую этот вход и fuel counter - импульсов нету.
Активирую дополнительно DIN4 - тоже по нулям...
В счетчик дую, если что)

И еще такой вопрос - так нужно во всех 4-х профилях дублировать настройки или нет? Если учесть, что "изменение профилей по событию" выключено и симка в роуминге не работает.

Post's attachments

Attachment icon fm5300.xml 192.41 kb, 818 downloads since 2015-12-07 

681

Teltonika FM5300

Re: Teltonika FM5300

jak2525 wrote:
SAT wrote:

log пустой - через usb при подключении через  программу Terminal от  Teltonika?

Через Terminal1_9_b лог пустой, или это не то? Настройки из конфигуратора прикрепил.

Вообще прибор немного расшевелил - т.к. он у меня тестируется в офисе, то решил выставить в настройках в Data Acquisition:
Min Period - 30 сек
Send Period - 30 сек
Теперь шлет данные судя по логам каждые 5 минут. Вроде ж должен слать чаще? Как можно ускорить этот процесс? Хотя бы до минуты.

И если с передачей данных кое-как разобрался, теперь возник другой вопрос - как настроить терминал, чтобы видел импульсы со счетчика DFM 90AP?
Подключаю счетчик к  DIN3, активирую этот вход и fuel counter - импульсов нету.
Активирую дополнительно DIN4 - тоже по нулям...
В счетчик дую, если что)

И еще такой вопрос - так нужно во всех 4-х профилях дублировать настройки или нет? Если учесть, что "изменение профилей по событию" выключено и симка в роуминге не работает.


1) >> Через Terminal1_9_b лог пустой, или это не то?
Это-то. Если трекер уже передает - в Terminal log должен быть. Либо не к тому COM приконектились либо в правом нихнем углу не включено DTR и RTS.
2) >> Вообще прибор немного расшевелил - т.к. он у меня тестируется в офисе, то решил выставить в настройках в Data Acquisition:

если уже что-то передает - то порт правильный, хотя и не стандартный. Вы его меняли?
3) >> Min Period - 30 сек
Поставьте Min Distance -100м , Min Angle 10-20  градусов.

4) >> Send Period - 30 сек
Поставьте уж заодно и Min Saved records -- 1. Не экономьте на мелочах при тестировании хотя бы.

5) >>И еще такой вопрос - так нужно во всех 4-х профилях дублировать настройки или нет?
Если код оператора не задан ни в одном профиле (у Вас кажется не задан) - работает profile 3 , иначе - согласно мануалу на трекер, там глава этому посвящена.
Бывают "залипухи", когда профайл не переключается с 1 на 3 профиль при изменении настроек сети.  Тогда команду  loadprofile с номером профайла разово.
Зарядите трекер и прокатите его до получения вменяемого трека. Тогда уже имеет смысл  говорить о дальнейших настройках.

"Если вы не можете объяснить это своей бабушке, вы сами этого не понимаете."  А.Эйнштейн
682

Teltonika FM5300

Re: Teltonika FM5300

SAT wrote:

Поставьте уж заодно и Min Saved records -- 1. Не экономьте на мелочах при тестировании хотя бы.

Вот это нужно сделать, тогда будет чаще данные отправлять. Сейчас стоит 10. Это означает, что отправка будет тогда, когда наберется 10 сообщений.
0,5*10 получаем 5 минут время отправки.

683

Teltonika FM5300

Re: Teltonika FM5300

SAT wrote:

в правом нихнем углу не включено DTR и RTS.

Да, были отключены.

SAT wrote:

то порт правильный, хотя и не стандартный. Вы его меняли?

Менял.

SAT wrote:

Зарядите трекер и прокатите его до получения вменяемого трека.

Поставил на авто, в итоге часть трека не показал - прострел на карте. Хотя по логам данные слал, каждые 30сек.

  • Teltonika FM5300
Post's attachments

Attachment icon log 5300.log 235.12 kb, 1039 downloads since 2015-12-08 

684

Teltonika FM5300

(edited by SAT 08/12/2015 14:52:22)

Re: Teltonika FM5300

jak2525 wrote:
SAT wrote:

в правом нихнем углу не включено DTR и RTS.

Да, были отключены.

SAT wrote:

то порт правильный, хотя и не стандартный. Вы его меняли?

Менял.

SAT wrote:

Зарядите трекер и прокатите его до получения вменяемого трека.

Поставил на авто, в итоге часть трека не показал - прострел на карте. Хотя по логам данные слал, каждые 30сек.

У Вас Wialon Pro? Порт менять в сервере - Ваше право, но смысла большого нет,  на мой взгляд.

Часть трека не показал - слишком общо. По моему опыту - это проблемы GPS (видимые как 0 спутников в сообщениях или отсутствие сообщений ), связанные с антенной, антенным разъемом, основным питанием, прошивкой - если прошивка давняя.

Соответственно подключайте другую антенну, проверяйте наличие сообщений (в разделе "Сообщения")с нулевым количеством спутников перед потерей данных, проконтролируйте стабильность бортового питания, поменяйте прошивку на более свежую,  загрузите стандартные настройки конфигуратором и измените необходимые параметры под себя,убедитесь в НЕпереключении профилей на ходу,  отключите всякую интеллектуальность  вроде Static Navigation и пр, поставьте передачу данных почаще...

В общем,  далее - обычная работа интегратора )

"Если вы не можете объяснить это своей бабушке, вы сами этого не понимаете."  А.Эйнштейн
685

Teltonika FM5300

(edited by qwerty16 08/12/2015 19:23:33)

Re: Teltonika FM5300

.....с этой моделью мы поприкалывались в начале...нет жсм сигнала устойчивого ....а там цуко СМА разьем мама на антенне вместо привычного папы....но разобрались....зачем надо было маму ставить....не поняли....

686

Teltonika FM5300

Re: Teltonika FM5300

Новее прошивки не нашел на ftp телтоники, может кто-то поделится?
Отключил Static Navigation и заодно Trip во всех профилях,  покатался 100км с трекером в авто - трек адекватный показал.

Остался открытым вопрос со счетчиком  DFM 90AP
Подключаю счетчик к  DIN3, активирую этот вход и fuel counter - импульсов не вижу...

P.S. - еще одна проблема обнаружилась - после двух-трех подключений к прибору через конфигуратор(версия 1.1.2.11) слетают настройки.

687

Teltonika FM5300

Re: Teltonika FM5300

jak2525 wrote:

P.S. - еще одна проблема обнаружилась - после двух-трех подключений к прибору через конфигуратор(версия 1.1.2.11) слетают настройки.

проверь напряжение при отключенной массе!при 8В слетают настройки!
Кидай в ЛС почту !

688

Teltonika FM5300

Re: Teltonika FM5300

Bender0711 wrote:

при 8В слетают настройки!

Они слетают в любом случае или только когда терминал подключен к ПК?

В моем варианте прибор был запитан от блока питания на 12в, лежал на столе...

689

Teltonika FM5300

(edited by SAT 15/12/2015 12:09:24)

Re: Teltonika FM5300

jak2525 wrote:
Bender0711 wrote:

при 8В слетают настройки!

Они слетают в любом случае или только когда терминал подключен к ПК?

В моем варианте прибор был запитан от блока питания на 12в, лежал на столе...

Данную "фичу" встречали на трекерах не только Телтоники. Это происходило иногда при НЕ отключенной массе, когда АКБ постепенно плавно длительно разряжался в течение длительного времени. На рабочем столе настройки сбрасывались командой  cpureset  или перепрошивкой   ). Естественно, бортовое питание было заметно ниже 10 вольт

"Если вы не можете объяснить это своей бабушке, вы сами этого не понимаете."  А.Эйнштейн
690

Teltonika FM5300

(edited by jak2525 15/12/2015 15:44:34)

Re: Teltonika FM5300

SAT wrote:

Данную "фичу" встречали на трекерах не только Телтоники.

Работал с locarus, bitrek(украинский аналог телтоники), omnicomm optim и fas - подобных "слетов" ни разу не встречал - ни при настройке/изучении, ни при эксплуатации на реальных ТС. Понимаю, что выборка небольшая, но все таки)

Прошил версию 01.07.21, пока настройки не слетают, связь стабильно держит, но импульсов с расходомера не вижу в упор.

691

Teltonika FM5300

(edited by SAT 15/12/2015 15:50:11)

Re: Teltonika FM5300

jak2525 wrote:

...подобных "слетов" ни разу не встречал ...

WondeProud, например, торгуемый в России и не только под разными местными" брендами". Здесь было еще забавнее - восстанавливались настройки на локализованного продавца (он же оператор).

"Если вы не можете объяснить это своей бабушке, вы сами этого не понимаете."  А.Эйнштейн
692

Teltonika FM5300

Re: Teltonika FM5300

.....на 5300 слетают настройки, смс по команде флеш настройки отсылаю -трекер коннектится один раз и все...настройки опять слетели...трекеру кирдык?

693

Teltonika FM5300

(edited by SAT 07/02/2016 13:56:47)

Re: Teltonika FM5300

qwerty16 wrote:

.....на 5300 слетают настройки, смс по команде флеш настройки отсылаю -трекер коннектится один раз и все...настройки опять слетели...трекеру кирдык?

flash  и задумана, как разовая передача  с учетом указанных параметров.

Используйте setparam для параметров 240...250 и далее для настройки нужного профиля.
Настройки слетают постоянно, после восстановления  через setparam или после прошивки конфигуратором?

"Если вы не можете объяснить это своей бабушке, вы сами этого не понимаете."  А.Эйнштейн
694

Teltonika FM5300

Re: Teltonika FM5300

.....трекер на столе. Просит конфигуратор Х.1.6.Y...скиньте на почту trekaza@ya.ru у кого есть оный..Да пребудет с Вами сила...

695

Teltonika FM5300

(edited by SAT 07/02/2016 20:10:51)

Re: Teltonika FM5300

qwerty16 wrote:

.....трекер на столе. Просит конфигуратор Х.1.6.Y...скиньте на почту trekaza@ya.ru у кого есть оный..Да пребудет с Вами сила...

Это- текущая версия от Евромобайла Там же и прошивка

Post's attachments

Attachment icon FM5300.zip 1.8 mb, 646 downloads since 2016-02-07 

"Если вы не можете объяснить это своей бабушке, вы сами этого не понимаете."  А.Эйнштейн
696

Teltonika FM5300

Re: Teltonika FM5300

Спасибо Всем откликнувшимся...настроил, мигает на окне...потестю уже завтра....

697

Teltonika FM5300

(edited by micklecat 15/02/2016 08:37:06)

Re: Teltonika FM5300

Уважаемые форумчане, подскажите пожалуйста особенности поведения 5300 в режиме deep sleep, т.к. не всё понятно из мануала. Мне нужно, чтобы устройство в режиме deep sleep:

а) просыпалось само по себе, по таймеру, один раз в час,
б) включало GPS и GPRS,
в) определяло координаты машины и отсылало их на сервер,
г) отвечало на смс, если они были посланы ему, пока оно спало,
д) засыпало опять на час.

Насколько я понял из инструкции, такого 5300 делать не может. Девайс спит и просыпается лишь по паническим входам. Я прав или нет?
Благодарю за толковые ответы.

698

Teltonika FM5300

Re: Teltonika FM5300

Конфигуратором 1.1.17.17  делаю настройки, трекер не выходит на связь с сервером вообще. Беру другой конфигуратор 1.1.2.4 Делаю настройки, трекер выходит на связь, замечательно рисует трек, но при определенных обстоятельствах сбрасывается в default. Режима Backup Settings в этом конфигураторе нет. Не поделится ли кто прошивкой и конфигуратором отличным от  1.1.17.17 но с режимом Backup Settings на почту blackjet2003@mail.ru Подобная проблема уже была, правда с трекерами FM1100, пришлось переходить не на самую свежую версию конфигуратора и прошивки.

Семь лет мак не родился и голода не знали!
С уважением
Игорь
699

Teltonika FM5300

Re: Teltonika FM5300

Приветствую всех.....что ни Телтоника то новый конфигуратор требует....у кого есть Х.1.2.Y? выручайте...

...скиньте на почту trekaza@ya.ru у кого есть оный.

700

Teltonika FM5300

Re: Teltonika FM5300

...вспомнил про апдейт...SAT....еще раз плюсану ....

701

Teltonika FM5300

Re: Teltonika FM5300

из 2 фм5300 один заработал....подскажите, зеркальные настройки...а на связь второй не выходит. Мигает, смс flush  отвечает на телефон а на оранже не отображается...у кого нибудь апдейтер ниже 1,1,0,12 есть?

....мигает правильно, настройки рабочие, на смс отвечает и местоположение выдает а на сервер данные не шлет, .в чем подвох?

702

Teltonika FM5300

(edited by SAT 29/02/2016 11:48:09)

Re: Teltonika FM5300

qwerty16 wrote:

из 2 фм5300 один заработал....подскажите, зеркальные настройки...а на связь второй не выходит. Мигает, смс flush  отвечает на телефон а на оранже не отображается...у кого нибудь апдейтер ниже 1,1,0,12 есть?

....мигает правильно, настройки рабочие, на смс отвечает и местоположение выдает а на сервер данные не шлет, .в чем подвох?


Я правильно понимаю,что вы из рабочего трекера сохранили настройки в файл, а затем из файла загрузили в проблемный трекер и сохранили?
И ID в оранже корректно прописан?

"Если вы не можете объяснить это своей бабушке, вы сами этого не понимаете."  А.Эйнштейн
703

Teltonika FM5300

Re: Teltonika FM5300

...все именно так.

704

Teltonika FM5300

Re: Teltonika FM5300

...скидывал на заводские и потом прописал на рекомендованные настройки...антенны, симки менял.

705

Teltonika FM5300

Re: Teltonika FM5300

... как шевельнуть или проверить отправку по  жпрс данных?  На галилео есть вкладка диагностика, а в телтонике есть возможность проверить работу трекера?

706

Teltonika FM5300

(edited by SAT 29/02/2016 13:23:11)

Re: Teltonika FM5300

qwerty16 wrote:

...скидывал на заводские и потом прописал на рекомендованные настройки...антенны, симки менял.

Я имел ввиду перенос настроек из рабочего трекера через файл в нерабочий без учета рекомендованных параметров.
Из часто обсуждаемого здесь - проверьте наличие галочек в "Расписание  GPRS".  Они, бывает, сбрасываются
Проверьте текущий рабочий профайл через конфигуратор или getinfo. Отключите deep sleep, поставьте ...014 в 1, ...015 в 30, передачу координат 1 раз в 30 секунд.

Подключитесь через Terminal от Teltonika - в бегущих сообщения м.б. полезная информация о проблеме

PS Команда  flush  и есть шевеление GPRS

"Если вы не можете объяснить это своей бабушке, вы сами этого не понимаете."  А.Эйнштейн
707

Teltonika FM5300

Re: Teltonika FM5300

Если после команды flush данные на сервер идут, то надо расписание смотреть.
И еще getstatus послать. Если GPRS 0, мне кажется, что проблема в сим-карте.

708

Teltonika FM5300

(edited by qwerty16 29/02/2016 14:00:53)

Re: Teltonika FM5300

woollen wrote:

Если после команды flush данные на сервер идут, то надо расписание смотреть.
И еще getstatus послать. Если GPRS 0, мне кажется, что проблема в сим-карте.

...GPRS 0 , но карта живая, т.к. в другом трекере работает.

...на сервер данные не идут...а ответное смс на телефон есть.

709

Teltonika FM5300

Re: Teltonika FM5300

SAT wrote:
qwerty16 wrote:

...скидывал на заводские и потом прописал на рекомендованные настройки...антенны, симки менял.

Я имел ввиду перенос настроек из рабочего трекера через файл в нерабочий без учета рекомендованных параметров.
Из часто обсуждаемого здесь - проверьте наличие галочек в "Расписание  GPRS".  Они, бывает, сбрасываются
Проверьте текущий рабочий профайл через конфигуратор или getinfo. Отключите deep sleep, поставьте ...014 в 1, ...015 в 30, передачу координат 1 раз в 30 секунд.

Подключитесь через Terminal от Teltonika - в бегущих сообщения м.б. полезная информация о проблеме

PS Команда  flush  и есть шевеление GPRS

....что за терминал...дайте ссылку.

710

Teltonika FM5300

(edited by SAT 29/02/2016 14:18:12)

Re: Teltonika FM5300

qwerty16 wrote:
SAT wrote:
qwerty16 wrote:

...скидывал на заводские и потом прописал на рекомендованные настройки...антенны, симки менял.

Я имел ввиду перенос настроек из рабочего трекера через файл в нерабочий без учета рекомендованных параметров.
Из часто обсуждаемого здесь - проверьте наличие галочек в "Расписание  GPRS".  Они, бывает, сбрасываются
Проверьте текущий рабочий профайл через конфигуратор или getinfo. Отключите deep sleep, поставьте ...014 в 1, ...015 в 30, передачу координат 1 раз в 30 секунд.

Подключитесь через Terminal от Teltonika - в бегущих сообщения м.б. полезная информация о проблеме

PS Команда  flush  и есть шевеление GPRS

....что за терминал...дайте ссылку.

http://teltonika.lt/downloads/   далее  software далее Terminal.zip  или  Terminal.rar

Коммуникационная программа для "общения" с трекерами

PS Внизу справа кликнуть по DTR RTS. Ну и кнопка "Connect"-разумеется

"Если вы не можете объяснить это своей бабушке, вы сами этого не понимаете."  А.Эйнштейн
711

Teltonika FM5300

(edited by qwerty16 29/02/2016 15:50:08)

Re: Teltonika FM5300

Логи неработающего трекера 5300

Post's attachments

Attachment icon 20160229153403.log 30.63 kb, 897 downloads since 2016-02-29 

712

Teltonika FM5300

Re: Teltonika FM5300

С другого компа отправил, там клава не работает....кто спец, посмотрите логи....

713

Teltonika FM5300

(edited by SAT 29/02/2016 16:58:03)

Re: Teltonika FM5300

qwerty16 wrote:

С другого компа отправил, там клава не работает....кто спец, посмотрите логи....

>>  Data Limit Hit. GPRS not allowed
т.е. не разрешен GPRS

обратите внимание на прилагаемые скрины настроек, отвечающих за GPRS

  • Teltonika FM5300
  • Teltonika FM5300
  • Teltonika FM5300
"Если вы не можете объяснить это своей бабушке, вы сами этого не понимаете."  А.Эйнштейн
714

Teltonika FM5300

Re: Teltonika FM5300

...настройка именно такая....наверное жпрсу кирдык.

715

Teltonika FM5300

(edited by SAT 29/02/2016 17:01:32)

Re: Teltonika FM5300

qwerty16 wrote:

...настройка именно такая....наверное жпрсу кирдык.

попробуйте еще очистить буфер сообщений 
login pswd deleterecords  - мне пару раз помогало. Тем более что в той же строке и  Data Limit hit - думается это о заполнении/переполнении буфера

"Если вы не можете объяснить это своей бабушке, вы сами этого не понимаете."  А.Эйнштейн
716

Teltonika FM5300

Re: Teltonika FM5300

Может попробовать на сим-карте GPRS отключить и заново включить?

717

Teltonika FM5300

Re: Teltonika FM5300

woollen wrote:

Может попробовать на сим-карте GPRS отключить и заново включить?

карту работающую вставлял, не помогло.

718

Teltonika FM5300

Re: Teltonika FM5300

SAT wrote:
qwerty16 wrote:

...настройка именно такая....наверное жпрсу кирдык.

попробуйте еще очистить буфер сообщений 
login pswd deleterecords  - мне пару раз помогало. Тем более что в той же строке и  Data Limit hit - думается это о заполнении/переполнении буфера

ал рекордс делейт ...не помогло.

719

Teltonika FM5300

Re: Teltonika FM5300

SAT wrote:

попробуйте еще очистить буфер сообщений 
login pswd deleterecords  - мне пару раз помогало. Тем более что в той же строке и  Data Limit hit - думается это о заполнении/переполнении буфера

Не поможет. Это не буфер, а превышение аплоада за текущий месяц.

720

Teltonika FM5300

Re: Teltonika FM5300

qwerty16 wrote:

л рекордс делейт ...не помогло.

И не должно было помочь. У вас превышен лимит отправленных данных за текущий месяц. Есть 2 варианта решения проблемы:
1) подождать до завтра, счётчик отправленных данных сбросится после 23:59.59 по GMT+0
2) Прямо сейчас отправить команду resetlimits

721

Teltonika FM5300

Re: Teltonika FM5300

дата лимитс ресетед

722

Teltonika FM5300

Re: Teltonika FM5300

вышел на связь!!!!
где эти лимиты программируются?

723

Teltonika FM5300

(edited by SAT 29/02/2016 22:34:39)

Re: Teltonika FM5300

lightsaber wrote:
SAT wrote:

попробуйте еще очистить буфер сообщений 
login pswd deleterecords  - мне пару раз помогало. Тем более что в той же строке и  Data Limit hit - думается это о заполнении/переполнении буфера

Не поможет. Это не буфер, а превышение аплоада за текущий месяц.

что такое "аплоад" в данном контексте? У FM5300 с таким понятием не сталкивался. Или СИМ свой лимит выбрало?

Нашел!...)   
FM5300 User Manual
V3.28
6.3.1.2.2  Data limits functionality
Data limit can be configured for Home (“Max Upload in Home”) and Roaming (“Max
Upload in Roaming”) Separately. Currently Min Settings for Home and Roaming are 10MB. User
can choose to get SMS notification if Data limit has been reached. SMS is send only one time.
User can get current status of datalimits using SMS: ‘getlimits’.
User can reset data limits using SMS: ‘resetlimits’.


lightsaber''у - в карму! )

  • Teltonika FM5300
"Если вы не можете объяснить это своей бабушке, вы сами этого не понимаете."  А.Эйнштейн
724

Teltonika FM5300

Re: Teltonika FM5300

...SAT, клава накрылась .)))  я это то же понял...но трекер валялся месяца три неподключенным, и когда он такой лимит истратил, если я его 2 дня мурыжил? главное, если послезавтра бы настраивал, то и ничего и не знал бы.

725

Teltonika FM5300

Re: Teltonika FM5300

qwerty16 wrote:

...SAT, клава накрылась .)))  я это то же понял...но трекер валялся месяца три неподключенным, и когда он такой лимит истратил, если я его 2 дня мурыжил? главное, если послезавтра бы настраивал, то и ничего и не знал бы.

Я тоже с этим не сталкивался. Гипотетически возможно при плохой приемопередаче (или UDP), когда трекер передал, а сервер не принял.
Или служебный трафик при постоянном возобновлении коннекта, или... как-то так.
А какой лимит в трекере установлен сейчас? Интересно было бы глянуть

"Если вы не можете объяснить это своей бабушке, вы сами этого не понимаете."  А.Эйнштейн
726

Teltonika FM5300

Re: Teltonika FM5300

...дык рекомендованные настройки...20 мб в месяц...ну 30 край обычный расход.. (расход руб/на стоимость мегабайта).

727

Teltonika FM5300

Re: Teltonika FM5300

qwerty16 wrote:

...дык рекомендованные настройки...20 мб в месяц...ну 30 край обычный расход.. (расход руб/на стоимость мегабайта).

можно глянуть детализацию по СИМ... Вдруг что выплывет

"Если вы не можете объяснить это своей бабушке, вы сами этого не понимаете."  А.Эйнштейн
728

Teltonika FM5300

Re: Teltonika FM5300

вытащу в марте....сейчас заказывать надо....самому интересно....но 100 мб за 2 дня....нереально...скорее глюк....да и счет всего на 12 р понизился и это с учетом смс...

729

Teltonika FM5300

(edited by woollen 29/02/2016 23:37:18)

Re: Teltonika FM5300

Ради интереса запросил лимит у одного из блоков. Ответ - 100 Мб.
Непонятно, как он может быть превышен???

730

Teltonika FM5300

(edited by SAT 01/03/2016 01:08:45)

Re: Teltonika FM5300

woollen wrote:

Ради интереса запросил лимит у одного из блоков. Ответ - 100 Мб.
Непонятно, как он может быть превышен???

Вообще говоря, несложно при ошибке программирования событий.
Скажем, включаете аналоговый параметр - хоть скорость, хоть ДУТ , например.
Срабатывание устанавливаете Event on Change
сколько-то сообщений в секунду - обеспечены
А если еще и CAN включить - длина сообщения может быть до 200 байт.
Килобайт - от 1 секунды - до нескольких  секунд
Несколько суток - и готово )
В посте же выше речь шла о 20 мБ

PS И еще вопрос, какая длина TCP пакета у трекера, передающего 1 вашу координату с ее атрибутами -128 байт или 1кБ  )

"Если вы не можете объяснить это своей бабушке, вы сами этого не понимаете."  А.Эйнштейн
731

Teltonika FM5300

Re: Teltonika FM5300

....мне кажется это баги ПО телтоники....выше писали например  о слетавших настройках при снижении напряжения питания.. фм 1111 на машине простоявшей 2 месяца и разрядивший АКБ (сигналка) то же не вышел на связь по причине слета настроек...

732

Teltonika FM5300

(edited by SAT 01/03/2016 10:58:56)

Re: Teltonika FM5300

qwerty16 wrote:

....мне кажется это баги ПО телтоники....выше писали например  о слетавших настройках при снижении напряжения питания.. фм 1111 на машине простоявшей 2 месяца и разрядивший АКБ (сигналка) то же не вышел на связь по причине слета настроек...

С багами Телтоники по питанию сталкивался. Не в защиту производителя, но - происходит это при "неправильной" стоянке, где бортовое питание не соответствует требованиям. В конце концов, если рабочее напряжение определено от 10 в до 30 в - сброс настроек при 7-8 в как-то если не простительны, то ...простительны  .)   Тем более, что при обесточивании все работает корректно.
Некорректное восстановление работоспособности при загрузке рекомендованных параметров - это косяк, но косяк  именно некоторых версий конфигуратора, а не железа. Решается созданием и хранением своих эталонных файлов конфигурации. Мы храним такие файлы для любого крупного клиента, т.к. настройки меняются от организации к организации - по потребностям.
К тому же появившийся Backup mode, позволяющий сделать Ваши настройки настройками по умолчанию этот глюк нивелирует.

В вашем же случае ОЧЕНЬ интересно посмотреть детализацию оператора связи.
Интересно, как именно сбрасываются месячные лимиты трафика  в трекере. Не факт, что по  первым числам, учитывая многообразие тарифов у операторов и условий оплаты. Надо бы почитать где-то... ))

"Если вы не можете объяснить это своей бабушке, вы сами этого не понимаете."  А.Эйнштейн
733

Teltonika FM5300

Re: Teltonika FM5300

.....на симке нет лимита...сьел за 2 дня копейки трафика....лежал 3 месяца, я его при подключении сразу на стандартные настройки конфигуратором настроил....это на старых настройках возможно был настроен лимит (уже не проверить)...но 3 месяца....причем второй из этой же кучи (один клиент)  как ни в чем не бывало сразу законнектился.

734

Teltonika FM5300

Re: Teltonika FM5300

qwerty16 wrote:

...сьел за 2 дня копейки трафика....

Если Вы проверили это по детализации оператора за февраль-март - значит сбой настроек (

"Если вы не можете объяснить это своей бабушке, вы сами этого не понимаете."  А.Эйнштейн
735

Teltonika FM5300

Re: Teltonika FM5300

qwerty16 wrote:

.....на симке нет лимита...сьел за 2 дня копейки трафика....лежал 3 месяца, я его при подключении сразу на стандартные настройки конфигуратором настроил....это на старых настройках возможно был настроен лимит (уже не проверить)...но 3 месяца....причем второй из этой же кучи (один клиент)  как ни в чем не бывало сразу законнектился.

Кстати, В процитированном выше отрыве не говорится о том, что это ограничение на месяц.
Речь идет о возобновлении передачи - "Low priority records sending will recover on month 1 day. "
Я не такой уж знаток English... но нигде нет упоминания что через месяц счетчики сбрасываются в 0 автоматически в ЛЮБОМ случае.
Они сбрасываются через месяц при превышении лимита. Следовательно, трафик у Вас мог копиться хоть полгода

"Если вы не можете объяснить это своей бабушке, вы сами этого не понимаете."  А.Эйнштейн
736

Teltonika FM5300

Re: Teltonika FM5300

....дык в 723 посту картинка...это лимит разве не на месяц?

737

Teltonika FM5300

Re: Teltonika FM5300

qwerty16 wrote:

....дык в 723 посту картинка...это лимит разве не на месяц?

Картинка моя, resetlimits предложили выше. На картинке написано "Max Upload in Home" и "Max Upload in Roaming"/
Но нигде не указано, что эта квота на какой-либо временной интервал. А указание на месяц появляется лишь при описании поведения трекера по превышению этой квоты.  Да и фраза "Low priority records sending will recover on month 1 day. "  для меня не однозначна. То ли через месяц, то ли 1 день в месяц... Мой бедный английский ...)

"Если вы не можете объяснить это своей бабушке, вы сами этого не понимаете."  А.Эйнштейн
738

Teltonika FM5300

Re: Teltonika FM5300

"В первый день, по истечении месяца, после блокировки".
А квота общая накопительная, период накопления не определен.

739

Teltonika FM5300

Re: Teltonika FM5300

100 мб устанавливается рекомендованной настройкой...это квота на пол года в среднем.

740

Teltonika FM5300

Re: Teltonika FM5300

qwerty16 wrote:

100 мб устанавливается рекомендованной настройкой...это квота на пол года в среднем.

Почему на полгода? У нас при существующих настройках трекеров с использованием ДУТ при круглосуточной работе получается 30-50 мБ в месяц на единицу техники

"Если вы не можете объяснить это своей бабушке, вы сами этого не понимаете."  А.Эйнштейн
741

Teltonika FM5300

Re: Teltonika FM5300

...у меня на легковой глобалсат 128,  10 р в месяц расход.

742

Teltonika FM5300

Re: Teltonika FM5300

lightsaber wrote:

И не должно было помочь. У вас превышен лимит отправленных данных за текущий месяц. Есть 2 варианта решения проблемы:
1) подождать до завтра, счётчик отправленных данных сбросится после 23:59.59 по GMT+0
2) Прямо сейчас отправить команду resetlimits

Если судить по этой реплике, то лимит действует на месяц.
Тогда сброс происходит в первый день месяца.

743

Teltonika FM5300

Re: Teltonika FM5300

qwerty16 wrote:

...у меня на легковой глобалсат 128,  10 р в месяц расход.

Думается, у на настройки отличаются  )
При использовании ДУТ данные желательно получать почаще.  И 3-х сменная работа к тому же

"Если вы не можете объяснить это своей бабушке, вы сами этого не понимаете."  А.Эйнштейн
744

Teltonika FM5300

Re: Teltonika FM5300

woollen wrote:
lightsaber wrote:

И не должно было помочь. У вас превышен лимит отправленных данных за текущий месяц. Есть 2 варианта решения проблемы:
1) подождать до завтра, счётчик отправленных данных сбросится после 23:59.59 по GMT+0
2) Прямо сейчас отправить команду resetlimits

Если судить по этой реплике, то лимит действует на месяц.
Тогда сброс происходит в первый день месяца.

И большое спасибо автору реплики!

Но хотелось бы более детальной информации в мануале

"Если вы не можете объяснить это своей бабушке, вы сами этого не понимаете."  А.Эйнштейн
745

Teltonika FM5300

Re: Teltonika FM5300

...да уж, 1 смска и точка 2х дневному мазохизму.

746

Teltonika FM5300

(edited by SAT 01/03/2016 22:24:31)

Re: Teltonika FM5300

woollen wrote:
lightsaber wrote:

И не должно было помочь. У вас превышен лимит отправленных данных за текущий месяц. Есть 2 варианта решения проблемы:
1) подождать до завтра, счётчик отправленных данных сбросится после 23:59.59 по GMT+0
2) Прямо сейчас отправить команду resetlimits

Если судить по этой реплике, то лимит действует на месяц.
Тогда сброс происходит в первый день месяца.

Хотелось бы уточнить...
Сегодня первый день месяца - 1 марта
Сейчас проверил порядка 20 трекеров 5300
штук шесть  - upload в ответ на getlimits -более 100 мБ.
Вот, например:

Current Mode in Home
Home Uploaded: 102.616196 MB [107600878 bytes] Limit: 1
0000 MB
Roaming Uploaded: 0.000000 MB [0 bytes] Limit: 1000 MB

Трафик по данным Билайн с начала месяца -0.978 мБ
за  февраль - 29.385 мБ,
за январь - 31.046 мБ.

Как-то не вяжется с ежемесячными счетчиками и обнулениями

Или дело в том, что у меня  трекер по умолчанию  3 профайл загружает, в котором сеть Билайн и прописана.?
Все равно в начале месяца сброс upload'а должен был произойти

"Если вы не можете объяснить это своей бабушке, вы сами этого не понимаете."  А.Эйнштейн
747

Teltonika FM5300

Re: Teltonika FM5300

Я думаю, что работает так.  Счетчик обнуляется в первый день месяца, если лимит превышен. У тебя он не превышен. Лимит 10000 МБ.
Поэтому сегодня и не обнуляется, наверно

748

Teltonika FM5300

(edited by SAT 01/03/2016 23:06:39)

Re: Teltonika FM5300

woollen wrote:

Я думаю, что работает так.  Счетчик обнуляется в первый день месяца, если лимит превышен. У тебя он не превышен. Лимит 10000 МБ.
Поэтому сегодня и не обнуляется, наверно

Нелогично, в этом случае параметр теряет смысл - бабахнуть может в произвольный момент (без ежемесячной отправки команды сброса). Должна быть активация/деактивация проверки квоты. Возможно, это значение  "none" в поле № телефона для СМС уведомления о превышении

"Если вы не можете объяснить это своей бабушке, вы сами этого не понимаете."  А.Эйнштейн
749

Teltonika FM5300

Re: Teltonika FM5300

Да я согласен, конечно, но другого объяснения, почему не сбрасывается, пока не придумал))
В общем, информации недостаточно, вот и гадаем.

750

Teltonika FM5300

Re: Teltonika FM5300

....лимит 100 мб в месяц это просто фишка защиты денег если трекер глюкнется и начнет жрать трафик.

751

Teltonika FM5300

(edited by SAT 02/03/2016 09:21:40)

Re: Teltonika FM5300

qwerty16 wrote:

....лимит 100 мб в месяц это просто фишка защиты денег если трекер глюкнется и начнет жрать трафик.

Я выше привел пример 6 своих трекеров которые не сбросили (не обнулили) 1-го числа счетчики трафика,  Следовательно установленная на них квота сработает не в пределах месяца, а когда угодно - что является нонсенсом. И причем трекеры рабочие и проблем с ними нет.
Следовательно, должен существовать механизм включения/выключения контроля этой квоты.

"Если вы не можете объяснить это своей бабушке, вы сами этого не понимаете."  А.Эйнштейн
752

Teltonika FM5300

(edited by qwerty16 02/03/2016 09:22:30)

Re: Teltonika FM5300

....он срабатывает только при достижении лимита. т.е. самого факта. С 1 числа он начинает считать и если лимит выберется - вырубил,   и так циклично каждый месяц. Лимит (предел для срабатывания) на вкладке задается.

753

Teltonika FM5300

(edited by SAT 02/03/2016 09:31:05)

Re: Teltonika FM5300

qwerty16 wrote:

....он срабатывает только при достижении лимита. т.е. самого факта. С 1 числа он начинает считать и если лимит выберется - вырубил, не  и так циклично каждый месяц. Димит на вкладке задается.


Возможно, но какая же это страховка от сбесившегося трекера?
Вот у меня только навскидку 6 трекеров из 20 просмотренных  не сбросили счетчики 1 марта
У меня квота установлена 100 мБ (например).В этом месяце трекер съест 45мБ - счетчик не сбросится Тогда в следующем месяце еще +45 м - итого 90 мБ. А на третий месяц числа 5-10 все станет... в неприличную позу?
И это защита от перерасхода трафика?  )

"Если вы не можете объяснить это своей бабушке, вы сами этого не понимаете."  А.Эйнштейн
754

Teltonika FM5300

Re: Teltonika FM5300

...он считает с первого по первое....меньше 100 - ок, больше - стоп.

755

Teltonika FM5300

Re: Teltonika FM5300

qwerty16 wrote:

...он считает с первого по первое....меньше 100 - ок, больше - стоп.

Извиняюсь за въедливость,  "меньше 100 - ок" - это что? Счетчики уже потраченного трафика должны были сброситься, чтобы трафик следующего месяца корректно оценивался? У меня на трекерах массово не сбросился, оставшись в пределах квоты.
А тогда в следующем месяце счетчик будет увеличиваться или  замрет  (раз не сбросился)? Наверное расти, иначе - абсурд.

Еще пара рассуждений и понятно, что Ваш счетчик мог сработать доведя трафик до 100 мБ за три месяца, полгода или год. Тоже -абсурдно.
Значит, существует способ этот контроль трафика включать и выключать.  И на моих трекерах этот контроль отключен.
А у Вас был включен.  И если мы не доверяем совпадениям - контроль включился после Ваших манипуляций с конфигуратором. Вот только каких манипуляций?
Но эти манипуляции в мануале в явном виде не описываются.
Как-то так...

"Если вы не можете объяснить это своей бабушке, вы сами этого не понимаете."  А.Эйнштейн
756

Teltonika FM5300

(edited by qwerty16 02/03/2016 11:49:01)

Re: Teltonika FM5300

....трафик не копится...просто с 1 числа идет отсчет...срабатывает если до 1 числа следующего месяца будет превышен лимит. типа ===если с 1числа/н месяца по 1число/н+1месяца  трафик больше 100мб (заданного) стоп машина. Если сработал стоп, тогда старт с 1числан+1месяца или по команде делитлимит====

757

Teltonika FM5300

(edited by SAT 02/03/2016 12:51:07)

Re: Teltonika FM5300

qwerty16 wrote:

....трафик не копится...просто с 1 числа идет отсчет...срабатывает если до 1 числа следующего месяца будет превышен лимит. типа ===если с 1числа/н месяца по 1число/н+1месяца  трафик больше 100мб (заданного) стоп машина. Если сработал стоп, тогда старт с 1числан+1месяца или по команде делитлимит====

Вы рассказываете, как ведет себя трекер при превышении квоты.
Но кроме команды resetlimits есть команда getlimits. Эта команда показывает, кроме пороговых квот, и текущее состояние трафика - сколько трекер уже передал с начала чего-то.

".трафик не копится...просто с 1 числа идет отсчет..." Не очень понимаю,что такое -"просто с 1 числа идет отсчет"
Если предположить алгоритм проверки превышения квоты (вариантов немного и все они похожи) ...
1) Есть счетчик трафика (его состояние вы можете видеть через  getlimits.
2)При передаче какого-то объема трафика этот счетчик увеличивается на эту величину.
3) ПО трекера регулярно (возможно,перед  каждой передачей данных) сравнивает значение этого счетчика с максимально допустимым.
4) Если текущее значение счетчика:
- превышает максимальную квоту(или равно ей)  - трекер перестает передавать информацию с Low priority, т.е. текущие координаты (кстати, события  Panic или High -будут передаваться);
- не превышает - трекер передает данные с любым приоритетом.

И вот здесь вилка  к первому числу месяца (пусть по вашему)
6 ) если превышение в течение предыдущего месяца было - Вы все расписали...
7) если превышения не было- как по Вашему, счетчик трафика(который проверяется на превышение квоты) должен сбрасываться для корректного контроля трафика следующего месяца или нет?

Ответьте на этот вопрос...

"Если вы не можете объяснить это своей бабушке, вы сами этого не понимаете."  А.Эйнштейн
758

Teltonika FM5300

Re: Teltonika FM5300

====7) если превышения не было- как по Вашему, счетчик трафика(который проверяется на превышение квоты) должен сбрасываться для корректного контроля трафика следующего месяца или нет?====

....ничего не сбрасывается

...типа (предположу) такого происходит.....сегодня первое число? НЕТ - пох..........сегодня первое число? ДА  трекер стопанул? ДА- запускаем НЕТ - пох
....Параллельно  идет программа подсчета трафика с своей задачей.

....примитивненько так получается. Я не программист.

759

Teltonika FM5300

(edited by SAT 02/03/2016 13:16:04)

Re: Teltonika FM5300

qwerty16 wrote:

====7) если превышения не было- как по Вашему, счетчик трафика(который проверяется на превышение квоты) должен сбрасываться для корректного контроля трафика следующего месяца или нет?====

....ничего не сбрасывается

...типа (предположу) такого происходит.....сегодня первое число? НЕТ - пох..........сегодня первое число? ДА  трекер стопанул? ДА- запускаем НЕТ - пох
....Параллельно  идет программа подсчета трафика с своей задачей.

....примитивненько так получается. Я не программист.

Итого: сегодня 1 число - ДА. Трекер стопанул - НЕТ.  И счетчик трафика -по... , т.е. не сбрасывается? ДА или НЕТ.? Программирование здесь не причем. Простая логика - выбор действия
Вот если НЕТ - не сбрасывается -  в результате и получается Ваш случай с отсутствием передачи после передачи хоть 2-х байт через сколько-то месяцев лежания на полке не подключенным. Мало ли когда начался отчет трафика и сколько трафика насчитало за непонятно какой период...
Гипотетически...))

PS А вот это  "НЕТ - не сбрасывается"  и демонстрируют 6 моих трекеров из 20 наугад выбранных

"Если вы не можете объяснить это своей бабушке, вы сами этого не понимаете."  А.Эйнштейн
760

Teltonika FM5300

Re: Teltonika FM5300

....ничего не сбрасывается , тупо 1 числа начинается цикл заново ...====т.е. проверяется не привышается ли лимит, нет-пох, да- стоп.....он не копиться. ===

761

Teltonika FM5300

Re: Teltonika FM5300

....это отголосок дорогого интернета и роуминга.

762

Teltonika FM5300

Re: Teltonika FM5300

qwerty16 wrote:

....ничего не сбрасывается , тупо 1 числа начинается цикл заново ...====т.е. проверяется не привышается ли лимит, нет-пох, да- стоп.....он не копиться. ===

Аминь )

"Если вы не можете объяснить это своей бабушке, вы сами этого не понимаете."  А.Эйнштейн
763

Teltonika FM5300

Re: Teltonika FM5300

...уффф smile

764

Teltonika FM5300

Re: Teltonika FM5300

Подскажите, как сбросить пароль на Teltonike 5300

765

Teltonika FM5300

Re: Teltonika FM5300

bit wrote:

Подскажите, как сбросить пароль на Teltonike 5300

Подключиться по USB конфигуратором

"Если вы не можете объяснить это своей бабушке, вы сами этого не понимаете."  А.Эйнштейн
766

Teltonika FM5300

Re: Teltonika FM5300

Господа, здравствуйте!
Пожалуйста! Скиньте актуальную прошивку и "Updater" для 5300 на ks@intellect4g.ru?

767

Teltonika FM5300

Re: Teltonika FM5300

Скиньте пожалуйста прошивки актуальные, желательно на все что есть.

768

Teltonika FM5300

Re: Teltonika FM5300

omnicomm wrote:

Скиньте пожалуйста прошивки актуальные, желательно на все что есть.

http://teltonika.lt/download/

"Если вы не можете объяснить это своей бабушке, вы сами этого не понимаете."  А.Эйнштейн
769

Teltonika FM5300

(edited by nbush 04/04/2016 14:10:27)

Re: Teltonika FM5300

Поделитесь, пожалуйста, прошивкой стабильной для FM5300
nbushkov@gpskurs.ru

Выше постом только конфигураторы

770

Teltonika FM5300

Re: Teltonika FM5300

Коллеги, кто-нибудь использует eco drive на данных блоках? Как результат и достоверность?

Если хочешь чтобы мир изменился - стань сам этим изменением.
771

Teltonika FM5300

Re: Teltonika FM5300

В руки попал терминал Телтоника 5300... В настройках указал сервер 193,193,165,165 порт 20445, в виалоне выставил телтоника 5300..... не идут данные от терминала. Почитал данную тему, по ссылкам обновления прошивки прошел, нет там аплодера и прошивки в папке 53. И в конфигураторе не смог понять как определить версию прошивки, может в конфигураторе какие то спец настройки делать надо? Провод зажигания задействовать надо? Или можно обойтись без него? Что делать?

772

Teltonika FM5300

Re: Teltonika FM5300

Дайте пожалуйста актуальную прошивку и програмку для прошивки.... dnzol@mail.ru

773

Teltonika FM5300

Re: Teltonika FM5300

VladWialon wrote:

Дайте пожалуйста актуальную прошивку и програмку для прошивки.... dnzol@mail.ru

Берите ...

Post's attachments

Attachment icon FM5300.zip 1.8 mb, 621 downloads since 2016-04-21 

"Если вы не можете объяснить это своей бабушке, вы сами этого не понимаете."  А.Эйнштейн
774

Teltonika FM5300

Re: Teltonika FM5300

Здравствуйте!
помогите с подключением
imei 356307040857699 port 20445
ни с одной симкой МТС на id.wialon.net не проявляется,
подключили yota - прибор определяется на id.wialon.net,
но на смс не отвечает (пакет смс подключен),
на GPS-TRACE ORANGE с 193.193.165.166 не видит ни с симкой мтс ни с yota.
Индикаторы работают в нормальном режиме.
Подскажите, в чем может быть проблема?
спасибо

775

Teltonika FM5300

Re: Teltonika FM5300

Все что угодно может быть. От проблем с модемом, до не правильно прописанной PLMN симки. Вы бы конфиг выложили, прощу было бы проанализировать.

Если хочешь чтобы мир изменился - стань сам этим изменением.
776

Teltonika FM5300

Re: Teltonika FM5300

последнюю прошивку для 5300
скиньте пожалуйста
maxum373@mail.ru

777

Teltonika FM5300

Re: Teltonika FM5300

Добрый день.
терминал teltonika 5300 к нему подключен 1 ДУТ. параметр (param201) во время настройки терминала все данные были, все работало.
и однажды он просто перестал передавать этот параметр, можно ли как то дистанционно решить эту проблему?

778

Teltonika FM5300

(edited by SAT 19/05/2016 15:58:40)

Re: Teltonika FM5300

DimaTam wrote:

Добрый день.
терминал teltonika 5300 к нему подключен 1 ДУТ. параметр (param201) во время настройки терминала все данные были, все работало.
и однажды он просто перестал передавать этот параметр, можно ли как то дистанционно решить эту проблему?

Проверяйте глобальные параметры 119 -COM1 Baudrate , 120 - COM1 Mode . 
Скорость передачи д.б. 19200, mode - 97 (LLS)
Скорее всего, они сбросились при уровне бортового питания 7-8 вольт. Также проверьте (затем), что в I/O включен параметр   "Fuel level meter 1"

"Если вы не можете объяснить это своей бабушке, вы сами этого не понимаете."  А.Эйнштейн
779

Teltonika FM5300

Re: Teltonika FM5300

SAT wrote:
DimaTam wrote:

Добрый день.
терминал teltonika 5300 к нему подключен 1 ДУТ. параметр (param201) во время настройки терминала все данные были, все работало.
и однажды он просто перестал передавать этот параметр, можно ли как то дистанционно решить эту проблему?

Проверяйте глобальные параметры 119 -COM1 Baudrate , 120 - COM1 Mode . Скорее всего, они сбросились при уровнек бортового питания 7-8 вольт. Также проверьте (затем), что в I/O включен параметр   "Fuel level meter 1"

"Fuel level meter 1 включено.

780

Teltonika FM5300

Re: Teltonika FM5300

SAT wrote:
DimaTam wrote:

Добрый день.
терминал teltonika 5300 к нему подключен 1 ДУТ. параметр (param201) во время настройки терминала все данные были, все работало.
и однажды он просто перестал передавать этот параметр, можно ли как то дистанционно решить эту проблему?

Проверяйте глобальные параметры 119 -COM1 Baudrate , 120 - COM1 Mode .
Скорость передачи д.б. 19200, mode - 97 (LLS)
Скорее всего, они сбросились при уровнек бортового питания 7-8 вольт. Также проверьте (затем), что в I/O включен параметр   "Fuel level meter 1"

(Проверяйте глобальные параметры 119 -COM1 Baudrate , 120 - COM1 Mode .
Скорость передачи д.б. 19200, mode - 97 (LLS)
Скорее всего, они сбросились при уровне бортового питания 7-8 вольт.)
хотелось бы про это поподробнее.

781

Teltonika FM5300

(edited by SAT 19/05/2016 16:00:18)

Re: Teltonika FM5300

DimaTam wrote:
SAT wrote:
DimaTam wrote:

Добрый день.
терминал teltonika 5300 к нему подключен 1 ДУТ. параметр (param201) во время настройки терминала все данные были, все работало.
и однажды он просто перестал передавать этот параметр, можно ли как то дистанционно решить эту проблему?

Проверяйте глобальные параметры 119 -COM1 Baudrate , 120 - COM1 Mode . Скорее всего, они сбросились при уровнек бортового питания 7-8 вольт. Также проверьте (затем), что в I/O включен параметр   "Fuel level meter 1"

"Fuel level meter 1 включено.

getparam 0119
getparam 0120 ?
трекер в машине или на столе?

"Если вы не можете объяснить это своей бабушке, вы сами этого не понимаете."  А.Эйнштейн
782

Teltonika FM5300

(edited by SAT 19/05/2016 16:09:53)

Re: Teltonika FM5300

DimaTam wrote:

...
хотелось бы про это поподробнее.

В определенных случаях в некотором диапазоне напряжений для некоторых версий прошивок сбрасываются настройки COM-порта.
проверить можно командой: login password getparam 0119 и login password getparam 0120. При отправке команд через Виалон login password подставляются автоматически

"Если вы не можете объяснить это своей бабушке, вы сами этого не понимаете."  А.Эйнштейн
783

Teltonika FM5300

Re: Teltonika FM5300

трекер в машине

784

Teltonika FM5300

Re: Teltonika FM5300

после отправки этих команд, перезагружать или еще что-нибудь нужно сделать?

785

Teltonika FM5300

Re: Teltonika FM5300

text=Param ID:119 Val:115200
   
text=Param ID:120 Val:239

786

Teltonika FM5300

Re: Teltonika FM5300

как настроить на 97 и 19200

787

Teltonika FM5300

Re: Teltonika FM5300

как отправить команду чтобы настроить
Скорость передачи д.б. 19200, mode - 97 (LLS)

788

Teltonika FM5300

Re: Teltonika FM5300

DimaTam wrote:

как отправить команду чтобы настроить
Скорость передачи д.б. 19200, mode - 97 (LLS)

login password setparam 0119 19200

login password setparam 0120 97

Руководство Вам в помощь

"Если вы не можете объяснить это своей бабушке, вы сами этого не понимаете."  А.Эйнштейн
789

Teltonika FM5300

Re: Teltonika FM5300

подскажите если кто знает.
какая версия прошивки актуальна, чтобы избежать этого в дальнейшем?

790

Teltonika FM5300

Re: Teltonika FM5300

SAT wrote:
DimaTam wrote:

как отправить команду чтобы настроить
Скорость передачи д.б. 19200, mode - 97 (LLS)

login password setparam 0119 19200

login password setparam 0120 97

Руководство Вам в помощь

спасибо.

791

Teltonika FM5300

Re: Teltonika FM5300

и есть ли возможность удаленно обновить прошивку?

792

Teltonika FM5300

Re: Teltonika FM5300

DimaTam wrote:

и есть ли возможность удаленно обновить прошивку?

Есть, либо через дилера, либо покупаете софтину и перешиваете сами.

Если хочешь чтобы мир изменился - стань сам этим изменением.
793

Teltonika FM5300

Re: Teltonika FM5300

а с помощью обычного конфигуратора я так понимаю не получится?

794

Teltonika FM5300

(edited by SAT 20/05/2016 13:01:47)

Re: Teltonika FM5300

DimaTam wrote:

а с помощью обычного конфигуратора я так понимаю не получится?

как правило, конфигуратор и программа прошивки с текущей версией идут одним архивом - хотя бы у Евромобайл.
Другое дело, что прошить самому-только через шнурок

"Если вы не можете объяснить это своей бабушке, вы сами этого не понимаете."  А.Эйнштейн
795

Teltonika FM5300

Re: Teltonika FM5300

DimaTam wrote:

и есть ли возможность удаленно обновить прошивку?

Поделиться адекватной версией от Евромобайл?

"Если вы не можете объяснить это своей бабушке, вы сами этого не понимаете."  А.Эйнштейн
796

Teltonika FM5300

Re: Teltonika FM5300

да, если можно

797

Teltonika FM5300

Re: Teltonika FM5300

почта

89601233510@tsmonitoring.ru

798

Teltonika FM5300

Re: Teltonika FM5300

отправил

Если хочешь чтобы мир изменился - стань сам этим изменением.
799

Teltonika FM5300

Re: Teltonika FM5300

спасибо.

800

Teltonika FM5300

Re: Teltonika FM5300

после обновления на эту прошивку, по ДУТу значения какие то не такие.
настроено 19200 и lls mode.
до прошивки значение было 500 например, а стало 9
вопрос почему?

801

Teltonika FM5300

Re: Teltonika FM5300

anzi1331
после обновления на эту прошивку, по ДУТу значения какие то не такие.
настроено 19200 и lls mode.
до прошивки значение было 500 например, а стало 9
вопрос почему?

802

Teltonika FM5300

Re: Teltonika FM5300

никто с этим  не сталкивался?

803

Teltonika FM5300

Re: Teltonika FM5300

Здравствуйте.
Устал бороться с проблемой: периодически у двух приборов FM5300 "зависают" координаты. Происходит это из-за включения static navigation. Отключали этот параметр и через sms и прямым подключением, рано или поздно он снова сам включается. Причем все остальные настройки не меняются, сбрасывается во включенное состояние только static navigation. Возможно есть стабильная версия прошивки, пожалуйста, поделитесь стабильной проверенной прошивкой.

804

Teltonika FM5300

Re: Teltonika FM5300

DimaTam wrote:

после обновления на эту прошивку, по ДУТу значения какие то не такие.
настроено 19200 и lls mode.
до прошивки значение было 500 например, а стало 9
вопрос почему?

если еще актуально, скорее всего еще надо выключить Polynom

805

Teltonika FM5300

Re: Teltonika FM5300

PavV wrote:
DimaTam wrote:

после обновления на эту прошивку, по ДУТу значения какие то не такие.
настроено 19200 и lls mode.
до прошивки значение было 500 например, а стало 9
вопрос почему?

если еще актуально, скорее всего еще надо выключить Polynom


спасибо

806

Teltonika FM5300

Re: Teltonika FM5300

awarron wrote:

Здравствуйте.
Устал бороться с проблемой: периодически у двух приборов FM5300 "зависают" координаты. Происходит это из-за включения static navigation. Отключали этот параметр и через sms и прямым подключением, рано или поздно он снова сам включается. Причем все остальные настройки не меняются, сбрасывается во включенное состояние только static navigation. Возможно есть стабильная версия прошивки, пожалуйста, поделитесь стабильной проверенной прошивкой.

Если не жалко, стабильную прошивку пришлите на awarron@mail.ru
Спасибо.

807

Teltonika FM5300

Re: Teltonika FM5300

Здравствуйте. Есть проблема с 53-й Из за неаккуратной перепрошивки теперь выдаёт cccccccc По опыту работы с 42-й такую беду можно исправить гипертерминалом, но для этого нужна прошивка без буквы "е" в названии. Так ли это ? Или можно FM53010708r00.e.CFW заливать и не бояться убить прибор совсем? И где бы взять такую прошивку, которая не оканчивается на "....e.CFW" ?

808

Teltonika FM5300

Re: Teltonika FM5300

Здравствуйте еще раз.
Я уже писал выше про проблему с FM5300 (видимо с прошивкой), к сожалению никто не откликнулся. У поставщика получить прошивку не получается, так как его уже не существует(покупали модули давно, спросом не пользовались), но проблему решить надо. Помогите стабильной прошивкой на адрес awarron@mail.ru пожалуйста.

809

Teltonika FM5300

Re: Teltonika FM5300

Прошивку получил. Огромное спасибо!
Будем тестировать.

810

Teltonika FM5300

Re: Teltonika FM5300

В начале июня тельтоника выпустила прошивку 5300 с исправленной работой акселерометра (ранее были завышены показания ускорений раза в 2).

Viktor Yarovenko
Business Analyst
Wialon
811

Teltonika FM5300

(edited by anzi1331 04/07/2016 09:37:45)

Re: Teltonika FM5300

yavi wrote:

В начале июня тельтоника выпустила прошивку 5300 с исправленной работой акселерометра (ранее были завышены показания ускорений раза в 2).

О как. Спасибо за информацию. Только вот интересно почему телтоника не информирует о таких багфисках сама....

Кстати, по сей день не подтвердили что был баг с акселерометром и вышла новая прошивка.....

Если хочешь чтобы мир изменился - стань сам этим изменением.
812

Teltonika FM5300

Re: Teltonika FM5300

Здравствуйте.
Столкнулся с такой ситуацией на 5300: цифровой ДУТ AutoSat был подключен через порт 1, но данные с него странные (точнее, практически никаких)  в сообщениях param201 выдает постоянно -4. Попытки проверить через команду getparam (уровень топлива 1, уровень топлива 2 (по мануалу параметры 410, 430) получаю ответ: "обнаружен неподдерживаемый id". Трекер на машине, машина в дороге, добраться до прибора пока возможности нет. Подскажите, пожалуйста, куда копать и как?

813

Teltonika FM5300

Re: Teltonika FM5300

Wanderer wrote:

Здравствуйте.
Столкнулся с такой ситуацией на 5300: цифровой ДУТ AutoSat был подключен через порт 1, но данные с него странные (точнее, практически никаких)  в сообщениях param201 выдает постоянно -4. Попытки проверить через команду getparam (уровень топлива 1, уровень топлива 2 (по мануалу параметры 410, 430) получаю ответ: "обнаружен неподдерживаемый id". Трекер на машине, машина в дороге, добраться до прибора пока возможности нет. Подскажите, пожалуйста, куда копать и как?

Копайте подключение питания к трекеру, разъемы. Только как вы это дистанционно проверите ? (

"Если вы не можете объяснить это своей бабушке, вы сами этого не понимаете."  А.Эйнштейн
814

Teltonika FM5300

Re: Teltonika FM5300

SAT wrote:
Wanderer wrote:

Здравствуйте.
Столкнулся с такой ситуацией на 5300: цифровой ДУТ AutoSat был подключен через порт 1, но данные с него странные (точнее, практически никаких)  в сообщениях param201 выдает постоянно -4. Попытки проверить через команду getparam (уровень топлива 1, уровень топлива 2 (по мануалу параметры 410, 430) получаю ответ: "обнаружен неподдерживаемый id". Трекер на машине, машина в дороге, добраться до прибора пока возможности нет. Подскажите, пожалуйста, куда копать и как?

Копайте подключение питания к трекеру, разъемы. Только как вы это дистанционно проверите ? (

Если дело только в этом, то, увы, никак - придется ждать, когда машина придет на базу.

815

Teltonika FM5300

(edited by SAT 03/08/2016 14:25:10)

Re: Teltonika FM5300

Wanderer wrote:

Если дело только в этом, то, увы, никак - придется ждать, когда машина придет на базу.

Возможно, можно запросить у водителя серию снимков головы ДУТ с разъемом? Попросить проверить подключение разъема ДУТ на баке, проверить целостность видимой части кабеля? Подобные запросы порой дисциплинируют шаловливые ручки )

Я стабильно вижу "-4" от ДУТ в случае, когда отключается "масса"на автомобиле. Трекер работает от встроенного аккумулятора, а  ДУТ -... "-4"

"Если вы не можете объяснить это своей бабушке, вы сами этого не понимаете."  А.Эйнштейн
816

Teltonika FM5300

Re: Teltonika FM5300

-4, если не изменяет память, обрыв цепи.

817

Teltonika FM5300

Re: Teltonika FM5300

Sat, woolen спасибо за подсказку - буду проверять.

818

Teltonika FM5300

Re: Teltonika FM5300

Сигнал -4 означает, что либо нет фишки в разъеме, либо то, что подключено к разъему, не имеет электрических связей отличных от висящих в воздухе (как пример, разъем дут разомкнут).
Если ДУТ подключен, но обесточен, будет 0.

819

Teltonika FM5300

Re: Teltonika FM5300

Wanderer wrote:

Здравствуйте.
Столкнулся с такой ситуацией на 5300: цифровой ДУТ AutoSat был подключен через порт 1, но данные с него странные (точнее, практически никаких)  в сообщениях param201 выдает постоянно -4. Попытки проверить через команду getparam (уровень топлива 1, уровень топлива 2 (по мануалу параметры 410, 430) получаю ответ: "обнаружен неподдерживаемый id". Трекер на машине, машина в дороге, добраться до прибора пока возможности нет. Подскажите, пожалуйста, куда копать и как?

что идет по параметру 202( для первого LLS), 204 (для второго)? если там -128, тогда точно нет данных от ДУТ, придется смотреть по приезду.

820

Teltonika FM5300

Re: Teltonika FM5300

Народ, кстати, кто-нибудь нашел стабильную прошивку на которой не сбрасываются настройки ДУТ в глобал параметрах?

821

Teltonika FM5300

Re: Teltonika FM5300

Здравствуйте.
Сбросьте, пожалуйста, на почту (saturn.tech@yandex.ru) последнюю стабильную прошивку для 5300.

822

Teltonika FM5300

Re: Teltonika FM5300

Здравствуйте. Столкнулся с проблемой: FM5300 не отправляет данные на сервер.
в логе пишет: Data Limit Hit. Sending not allowed.
Гляньте специалисты, просветите невежду.
Спасибо.

823

Teltonika FM5300

Re: Teltonika FM5300

Здравствуйте. Столкнулся с проблемой: FM5300 не отправляет данные на сервер.
в логе пишет: Data Limit Hit. Sending not allowed.
Гляньте специалисты, просветите невежду.
Спасибо.
ЛОГ-Файл во вложении

Post's attachments

Attachment icon 20160906141819.log 42.22 kb, 993 downloads since 2016-09-06 

824

Teltonika FM5300

Re: Teltonika FM5300

Где-то выше в теме было. Можно попробовать отключить лимит сообщении командой resetlimits.

825

Teltonika FM5300

Re: Teltonika FM5300

resetlimits-команду нужно подавать через Терминал или СМС сообщением? Могу только через Терминал, симка работает только на GPRS.

826

Teltonika FM5300

(edited by woollen 06/09/2016 13:41:27)

Re: Teltonika FM5300

5300 вроде и по GPRS команды принимает. С терминала не пробовал, попробуй.

Если можно к нему шнурком подключиться, так, наверно, конфигуратором лимиты изменить можно.

827

Teltonika FM5300

Re: Teltonika FM5300

query-q wrote:

resetlimits-команду нужно подавать через Терминал или СМС сообщением? Могу только через Терминал, симка работает только на GPRS.

Можете через Terminal, можете СМС, можете GPRS, можете конфигуратором - в GPRS параметрах - Max upload...

"Если вы не можете объяснить это своей бабушке, вы сами этого не понимаете."  А.Эйнштейн
828

Teltonika FM5300

Re: Teltonika FM5300

Добрый день! Скиньте пожалуйста мне на почту свежую прошивку, немогу отконфигурировать - конфигуратор ругается... tehnik1983@mail.ru

829

Teltonika FM5300

Re: Teltonika FM5300

Можно и мне тоже лучшую прошивку

830

Teltonika FM5300

Re: Teltonika FM5300

Если есть прошивка на FM 5500 и FM 5300? скиньте на query-q@mail.ru

831

Teltonika FM5300

Re: Teltonika FM5300

Здравствуйте. Возможно ли удаленно сбросить пароль на FM5300?

832

Teltonika FM5300

Re: Teltonika FM5300

Здравствуйте, скиньте пожалуйста на 88@tsc-service.ru актуальную прошивку.

833

Teltonika FM5300

Re: Teltonika FM5300

Если у кого нибудь есть последняя прошивка на 5300, отправьте её пожалуйста на почту master@glonass.tv

834

Teltonika FM5300

(edited by jak2525 13/12/2016 10:24:45)

Re: Teltonika FM5300

Пришлите и мне пожалуйста последнюю "нормальную" прошивку(и какой версией конфигуратора ее лучше настраивать) - jak.2525@yandex.ru
И еще такой вопрос - я правильно понял по мануалу, что если не делать каких-либо доп настроек для смс(логин, пароль и тд), то терминал будет отвечать на любую команду/запрос с любого номера?

835

Teltonika FM5300

(edited by ptlg007 19/12/2016 16:32:47)

Re: Teltonika FM5300

Всем привет. возможно ли подключить к данному трекеру устройство по типу навигатора гармин или др. устройств для текстовой переписки с водителем?. Я сам понимаю, чтоу него только выходы для гарнитуры?

836

Teltonika FM5300

Re: Teltonika FM5300

ptlg007 Garmin можно подключить по RS232  с помощью специального переходника Garmin FMI15 (заказывается у Garmin)
http://www.teltonika.lt/main/wp-content … 5300-1.jpg

Viktor Yarovenko
Business Analyst
Wialon
837

Teltonika FM5300

Re: Teltonika FM5300

Здравствуйте! Есть терминал, телтоника 5500. В один прекрасный день перестал слать данные, при подключении через конфигуратор, отклонений в настройках не увидел. Снял лог, по ним вроде видно, что идет ошибка в чтение памяти. Так ли это? Прошу глянуть лог и дать свои комментарии по этому поводу.

Post's attachments

Attachment icon 636.log 56.26 kb, 898 downloads since 2016-12-20 

838

Teltonika FM5300

Re: Teltonika FM5300

Optim wrote:

Здравствуйте! Есть терминал, телтоника 5500. В один прекрасный день перестал слать данные, при подключении через конфигуратор, отклонений в настройках не увидел. Снял лог, по ним вроде видно, что идет ошибка в чтение памяти. Так ли это? Прошу глянуть лог и дать свои комментарии по этому поводу.

Data Limit Hit. Sending not allowed
Если я правильно понял, превышен установленный лимит данных, поэтому отправки нет.
Попробуй сбросить лимит - resetlimits

839

Teltonika FM5300

Re: Teltonika FM5300

woollen wrote:
Optim wrote:

Здравствуйте! Есть терминал, телтоника 5500. В один прекрасный день перестал слать данные, при подключении через конфигуратор, отклонений в настройках не увидел. Снял лог, по ним вроде видно, что идет ошибка в чтение памяти. Так ли это? Прошу глянуть лог и дать свои комментарии по этому поводу.

Data Limit Hit. Sending not allowed
Если я правильно понял, превышен установленный лимит данных, поэтому отправки нет.
Попробуй сбросить лимит - resetlimits

resetlimits - это смс команда?

840

Teltonika FM5300

Re: Teltonika FM5300

Optim
User can reset data limits using SMS: ‘resetlimits’.
Если не получится просто resetlimits, то
Command structure: <login><space><password><space><command>

Viktor Yarovenko
Business Analyst
Wialon
841

Teltonika FM5300

Re: Teltonika FM5300

yavi wrote:

Command structure: <login><space><password><space><command>

Да, все верно
логин пароль resetlimits

842

Teltonika FM5300

Re: Teltonika FM5300

Здравствуйте, скиньте пожалуйста на star-dmit@mail.ru актуальную прошивку и конфигуратор последней версией.Спасибо

843

Teltonika FM5300

Re: Teltonika FM5300

Здравствуйте. Телтоника 5300,не шлет данные. При просмотре лога видно: "modem is OFF". Подскажите как побороть данную проблему?

844

Teltonika FM5300

Re: Teltonika FM5300

Optim wrote:

Здравствуйте. Телтоника 5300,не шлет данные. При просмотре лога видно: "modem is OFF". Подскажите как побороть данную проблему?

Мы в таких случаях отправляли устройство дилеру. Перепрошивка (но их, дилерским ПО) или замена (если гарантия)

"Если вы не можете объяснить это своей бабушке, вы сами этого не понимаете."  А.Эйнштейн
845

Teltonika FM5300

Re: Teltonika FM5300

Добрый день.
От 5300 приходят I/O параметры, которых нет в документации.
Может кто-нибудь подсказать значение по ID?

id: 90
id: 100
id: 103
id: 104
id: 105
id: 106
id: 107
id: 113
id: 127
id: 128
id: 141
id: 142
id: 143
id: 144
id: 179
id: 239
id: 253
id: 254

846

Teltonika FM5300

Re: Teltonika FM5300

253 - eco drive, тип сработавшего уведомления;
254 - eco drive значение ускорения

Если хочешь чтобы мир изменился - стань сам этим изменением.
847

Teltonika FM5300

Re: Teltonika FM5300

Спасибо. Может, подскажете и список типов для "253 - eco drive, тип сработавшего уведомления"?

848

Teltonika FM5300

Re: Teltonika FM5300

Добрый день!
Совместим ли терминал Teltonika FM5300 со Скаут? Есть у кого опыт внедрения?

849

Teltonika FM5300

Re: Teltonika FM5300

shnur.rub wrote:

Добрый день.
От 5300 приходят I/O параметры, которых нет в документации.
Может кто-нибудь подсказать значение по ID?

id: 90
id: 100
id: 103
id: 104
id: 105
id: 106
id: 107
id: 113
id: 127
id: 128
id: 141
id: 142
id: 143
id: 144
id: 179
id: 239
id: 253
id: 254


id с 89 по 103 - Axel weight
id: 104 - Engine total hours of Operation X
id с 105 по 108 - vehicle identification number X
id: 113 - Service distance
id: 127 - engine coolant tempereture X
id: 128 - Ambient Air Temperature X
id 141-142 - Dallas temp Sensor 1,2 ID
id 179 - DOUT
id 239 - ignition
id 253 - Green Driving Type
id 254 - Green Driving Value
id: 143-144 - lls1_poly_a0, lls1_poly_a1

850

Teltonika FM5300

Re: Teltonika FM5300

shnur.rub wrote:

Спасибо. Может, подскажете и список типов для "253 - eco drive, тип сработавшего уведомления"?

1 - резкое ускорение;
2 - резкое торможение;
3 - резкое движение в поворотах.

Если хочешь чтобы мир изменился - стань сам этим изменением.
851

Teltonika FM5300

Re: Teltonika FM5300

Доброго времени суток!
Подскажите как получить данные с CAN об уровне топлива в МАНах? В мануале есть пример по абсолютному расходу(X18FEE9018FFFFFFFFF23840300)... Никто не в курсе, какой ID CAN уровня топлива и с каких битов забирать данные? Заранее спасибо!

852

Teltonika FM5300

Re: Teltonika FM5300

Уровень на МАНе -  18FEFC21 - второй бит
18FEFC21
Интервал
повторения
передачи
Длина данных Формат
единицы
данных
протокола
(PDU format)
Определенная
единица данных
протокола
(PDU specifi c)
Приоритет по
умолчанию
Порядковый
номер группы
параметров
Идентификатор
1 с 8 байт 254 252 6 FEFC 18FEFC21
1 --- XX
2 --- Уровень топлива [fuel_level] (3.2.5.71)
0,4 % на бит Начало отсчета [%] = 0 Диапазон [%] = 0 ... 1

853

Teltonika FM5300

Re: Teltonika FM5300

Большое спасибо! Я так понимаю это выдержка из мануала? В своем я такого не нашел. Если не сложно, можно его получить на почту mch@getgps.ru

854

Teltonika FM5300

(edited by 79002410122 20/01/2017 07:44:56)

Re: Teltonika FM5300

Да пользуйтесь.

855

Teltonika FM5300

(edited by Rombovik 20/01/2017 15:25:59)

Re: Teltonika FM5300

Господа, опять нужна помощь...
С ID и масками по CAN большое разобрался -  спасибо коллеге 79002410122 из Краснодара!

Ситуация следующая, достались машины(МАНы) с уже установленными fm5300. Блоки были запаролены, бывший провайдер сделал сброс к дефолтным настройкам. В результате получили оборудование по факту подключенное к каншине, но данных от нее нет. Машины катаются по разным населенным пунктам и в одном месте для перенастройки собрать их нельзя... Вопрос, как заставить блоки видеть данные?

Отправлялись следующие команды(взят пример для параметра - Уровень топлива в баке)::

setparam 3760 250 - обмен информацией с шиной 250 кбит/сек
setparam 3780 1 - ID type 29 бит
setparam 3781 11110000 - читаем данные с 1-го по 4-й байт(пробовали и 00001111 в случае, если нумерация начинается со старшего байта-тишина...)
setparam 3782 18FEFC21 - ID CAN уровня топлива

Возможно забыли какую-то еще команду?  Подскажите!
С 5300 работали очень мало и давно (((, а по каншине вообще никогда.

Заранее спасибо всем откликнувшимся!

856

Teltonika FM5300

Re: Teltonika FM5300

Доброго времени суток. Нужна прошивка на Teltonika FM5300 нигде не могу найти. Буду благодарен если скинете на почту support@viatec.md.

857

Teltonika FM5300

Re: Teltonika FM5300

отправил.

Если хочешь чтобы мир изменился - стань сам этим изменением.
858

Teltonika FM5300

Re: Teltonika FM5300

anzi1331 wrote:

отправил.

Получил. Спасибо.

859

Teltonika FM5300

(edited by Rombovik 23/01/2017 19:16:39)

Re: Teltonika FM5300

Не знаю, насколько она последняя - 1.1.0.14... В архиве прошивка и конфигуратор.

Post's attachments

Attachment icon FM5300.zip 1.85 mb, 1236 downloads since 2017-01-23 

860

Teltonika FM5300

Re: Teltonika FM5300

Добрый день. Прошу выслать актуальную прошивку на телтонику 5300. Taira1990@ya.ru. спасибо

861

Teltonika FM5300

Re: Teltonika FM5300

Добрый день. Где найти после прошивку на 5300?

862

Teltonika FM5300

Re: Teltonika FM5300

Spares@bk.ru

863

Teltonika FM5300

Re: Teltonika FM5300

Добрый день!  А подскажите, данный трекер может отсылать смс, например о превышении скорости ?

864

Teltonika FM5300

Re: Teltonika FM5300

Может кто то может скинуть новое ПО на spares@bk.ru

865

Teltonika FM5300

Re: Teltonika FM5300

Добрый вечер,прошу Вас скинуть актуальную прошивку для FM5300,почту igor_dis@mail.ru, буду благодарен.

866

Teltonika FM5300

Re: Teltonika FM5300

Доброго времени суток. Скиньте, пожалуйста, актуальную стабильную версию прошивки с конфигуратором на saturn.tech@yandex.ru

Спасибо

867

Teltonika FM5300

Re: Teltonika FM5300

Скинул

Если хочешь чтобы мир изменился - стань сам этим изменением.
868

Teltonika FM5300

Re: Teltonika FM5300

добрый день
скажите а если трекер ездить только в городе, но уже два трекеры единожды перешли в режим Roaming и исчерпали лимит, из-за чего это может происходить и как с этим бороться кроме повышения Roaming лимита?

869

Teltonika FM5300

Re: Teltonika FM5300

....на МТС в настройках сим карты запрет как вариант поставить роуминга.

870

Teltonika FM5300

Re: Teltonika FM5300

Вы хотите сказать, что если роуминг у оператора отключить, то этого не будет происходить?
просто трекер ездит только по городу и врятли где-то нет покрытия..

871

Teltonika FM5300

Re: Teltonika FM5300

Коллеги, скиньте у кого есть конфигуратор  x.1.11.у.  на почту. Спасибо!

872

Teltonika FM5300

Re: Teltonika FM5300

Здравствуйте коллеги. Кто нибудь сталкивался с ситуацией:
после обновления прошивки на FM5300, конфигуратор не видит IMEI прибора. Подключается к FM5300 и пишет ошибку: can not get IMEI on COM18, please wait 10 sec. ....
Версия конфигуратора 1.1.11.0, прошивки v1.1.0.18..
Прошу помочь. С двумя приборами уже подобная проблема.

873

Teltonika FM5300

Re: Teltonika FM5300

SMUGGLER wrote:

Коллеги, скиньте у кого есть конфигуратор  x.1.11.у.  на почту. Спасибо!

скинул!

Работа стоит ровно столько, за сколько ее готов отнять у тебя конкурент.

ООО "Смарт-сервис"
+7(906)346-47-00 (icq: 163 63 5, skype: smrservice)
874

Teltonika FM5300

Re: Teltonika FM5300

avtograv wrote:

Здравствуйте коллеги. Кто нибудь сталкивался с ситуацией:
после обновления прошивки на FM5300, конфигуратор не видит IMEI прибора. Подключается к FM5300 и пишет ошибку: can not get IMEI on COM18, please wait 10 sec. ....
Версия конфигуратора 1.1.11.0, прошивки v1.1.0.18..
Прошу помочь. С двумя приборами уже подобная проблема.

пробуйте подключение с другой версией конфигуратора https://yadi.sk/d/m5rVZlrH3GfbDk

Работа стоит ровно столько, за сколько ее готов отнять у тебя конкурент.

ООО "Смарт-сервис"
+7(906)346-47-00 (icq: 163 63 5, skype: smrservice)
875

Teltonika FM5300

Re: Teltonika FM5300

С другими конфигураторами пишет несоответствие версии конфиг. и версии прошивки. При подключении к программе обновления ПО версию прошивки видит, а IMEI тоже не видит.

876

Teltonika FM5300

Re: Teltonika FM5300

avtograv wrote:

С другими конфигураторами пишет несоответствие версии конфиг. и версии прошивки. При подключении к программе обновления ПО версию прошивки видит, а IMEI тоже не видит.

а зачем прошивали трекер? Есть возможность откатить на прежнюю прошивку.

Если IMEI не отображается и там и тут, то может дело в прошивке?! Хм.

Работа стоит ровно столько, за сколько ее готов отнять у тебя конкурент.

ООО "Смарт-сервис"
+7(906)346-47-00 (icq: 163 63 5, skype: smrservice)
877

Teltonika FM5300

(edited by SAT 05/04/2017 16:07:22)

Re: Teltonika FM5300

voroges wrote:

...
а зачем прошивали трекер?

Я из тех, кто перешивает 5300 достаточно часто и вполне осознано, поэтому готов ответить.

А зачем производитель регулярно меняет прошивку?
Зачем производитель за вполне себе приличные деньги предлагает своим дилерам ПО для прошивки удаленно, "на лету"
Я. вижу 3 причины изменения прошивки производителем:
1) устранение "багов";
2) улучшение алгоритмов работы трекера;
3)  включение в поддержку новой элементной базы.

Поскольку  элементная база не меняется 1 раз в месяц а то и чаще (как прошивка ), то можно предположить , что основными причинами выпуска update прошивки являются причины 1 и 2.

Безусловно, я не буду носиться по клиентам при изменении версии с xx.yy.zz на xx.yy.zz+1.
Но и неумно возить с собой десяток-два конфигураторов на все случаи жизни для всех трекеров установленных в течение последних 3-5 лет. Да и не хочу я держать в голове список "хороших" и "дефективнвых" версий прошивок.

Также такой подход избавляет от необходимости искать на форуме конфигуратор под какую-либо экзотическую прошивку выпуска XVII  века.   )

PS Случаи выхода из строя трекеров при перепрошивке могу посчитать на пальцах одной руки, и не факт что прошивка была тому виной -  "кривой" драйвер RS-232 и других трекеров (у меня это был Автограф), сбой питания и пр.

"Если вы не можете объяснить это своей бабушке, вы сами этого не понимаете."  А.Эйнштейн
878

Teltonika FM5300

Re: Teltonika FM5300

SAT wrote:
voroges wrote:

...
а зачем прошивали трекер?

Я из тех, кто перешивает 5300 достаточно часто и вполне осознано, поэтому готов ответить.

А зачем производитель регулярно меняет прошивку?
Зачем производитель за вполне себе приличные деньги предлагает своим дилерам ПО для прошивки удаленно, "на лету"
Я. вижу 3 причины изменения прошивки производителем:
1) устранение "багов";
2) улучшение алгоритмов работы трекера;
3)  включение в поддержку новой элементной базы.

Поскольку  элементная база не меняется 1 раз в месяц а то и чаще (как прошивка ), то можно предположить , что основными причинами выпуска update прошивки являются причины 1 и 2.

Безусловно, я не буду носиться по клиентам при изменении версии с xx.yy.zz на xx.yy.zz+1.
Но и неумно возить с собой десяток-два конфигураторов на все случаи жизни для всех трекеров установленных в течение последних 3-5 лет. Да и не хочу я держать в голове список "хороших" и "дефективнвых" версий прошивок.

Также такой подход избавляет от необходимости искать на форуме конфигуратор под какую-либо экзотическую прошивку выпуска XVII  века.   )

PS Случаи выхода из строя трекеров при перепрошиве могу посчитать на пальцах одной руки, и не факт что прошивка была тому виной -  "кривой" драйвер RS-232 и других трекеров (у меня это был Автограф), сбой питания и пр.

"Если вы не можете объяснить это своей бабушке, вы сами этого не понимаете."  А.Эйнштейн
879

Teltonika FM5300

Re: Teltonika FM5300

....тяжело что то с телтоникой....слетают настройки ....какой то психологический порог по созданию проблем превысили.

880

Teltonika FM5300

(edited by SAT 05/04/2017 18:16:54)

Re: Teltonika FM5300

qwerty16 wrote:

....тяжело что то с телтоникой....слетают настройки ....какой то психологический порог по созданию проблем превысили.

Увы, да...  FM5300 в новом конфигураторе 1.1.11..  сохранился параметр  Backup seting/Manual mode, который дилер рекомендовал для борьбы со сбросами настроек. Не убрали или проблема осталась?

Что интересно-в 5500 этого параметра нет. Не слетают?
PS На 1.7.47 сбросов не видел. Повезло?

"Если вы не можете объяснить это своей бабушке, вы сами этого не понимаете."  А.Эйнштейн
881

Teltonika FM5300

Re: Teltonika FM5300

Перепрошивал потому что на старой прошивке прибор перестал выходить на связь. А как можно откатиться к предыдущей прошивке?

882

Teltonika FM5300

Re: Teltonika FM5300

в папку с апдейтером закиньте старую прошивку и удалите новую (файл с расширением CFW).

Если хочешь чтобы мир изменился - стань сам этим изменением.
883

Teltonika FM5300

Re: Teltonika FM5300

Здравствуйте, подскажите как через команды wilaon включить can, пароль на смс не установлен

884

Teltonika FM5300

Re: Teltonika FM5300

cr1m Произвольной командой  setparam вводить текст команды согласно описанию в мануале (если пароль не установлен и не задан в свойствах объекта, пробелы подставлять не нужно).
Мануал можно скачать на сайте производителя http://teltonika.lt/product/fm5300-rs23 … ended-ios/
Описание CAN настроек пункт - 6.3.1.5
Там много настроек  и универсальная команда вкл/выкл не поможет.

Viktor Yarovenko
Business Analyst
Wialon
885

Teltonika FM5300

Re: Teltonika FM5300

Здравствуйте,

Скажите пожалуйста каким образом можно обновили конфигурацию или прошивку прибора FM5300 кроме СМС команд или приложение FOTA от Teltonika?
Через GPRS команды с Wialon можно обновить список операторов?

886

Teltonika FM5300

Re: Teltonika FM5300

да. либо просто отправляете команды из мануала но по GPRS (TCP), либо делаете файл с настройками, отправляете с виалона бинарную смс на загрузку конфигурации и заливаете файл (это сам не пробовал, подробнее информация есть в шапке раздела teltonika. Там описание для 4200, но для 11хх, 53хх, 55хх должно работать так же).

Если хочешь чтобы мир изменился - стань сам этим изменением.
887

Teltonika FM5300

Re: Teltonika FM5300

Это для конфигурации, а для прошивки?

888

Teltonika FM5300

Re: Teltonika FM5300

Это для конфигурации, а для прошивки?

1. USB
2. FOTA
3. Дилер

889

Teltonika FM5300

Re: Teltonika FM5300

GlobalSoft Механизм прошивки через Wialon пока не реализован.
Работа над подобным сервисом ведется, но есть некоторые проблемы. Получится ли реализовать и сроки пока неизвестны.

Viktor Yarovenko
Business Analyst
Wialon
890

Teltonika FM5300

Re: Teltonika FM5300

Ищу  последнюю прошивку и апдейтер для fm5300, скиньте пожалуйста на bulanov@infopac.ru

891

Teltonika FM5300

Re: Teltonika FM5300

Здраствуйте . помогите новичку, трекер FM5300 не сбрасывает уже 61 день. залил прошивку 01.11.01  толку нет . в чем может быть трабл?

892

Teltonika FM5300

Re: Teltonika FM5300

Приветствую всех.
После прошивки часто мигает индикатор status. Устройство не определяется, т.е. повторная прошивка невозможна. Что делать?

Мониторинг-КМВ
893

Teltonika FM5300

Re: Teltonika FM5300

Monitoring-kmv wrote:

Приветствую всех.
После прошивки часто мигает индикатор status. Устройство не определяется, т.е. повторная прошивка невозможна. Что делать?

пробуй гипер терминалом .в диспетчере  устройств проверь как определяется.Прошивку точно от 5300 залили?

894

Teltonika FM5300

(edited by Monitoring-kmv 05/07/2017 18:44:54)

Re: Teltonika FM5300

Bender0711 wrote:
Monitoring-kmv wrote:

Приветствую всех.
После прошивки часто мигает индикатор status. Устройство не определяется, т.е. повторная прошивка невозможна. Что делать?

пробуй гипер терминалом .в диспетчере  устройств проверь как определяется.Прошивку точно от 5300 залили?

На трекере была установлена прошивка 1.06.06.  Попытались заменить на 01.07.48 (прошивка с этого форума). Процесс дошел до конца, после перезагрузки ушел в вышеописанное состояние. В диспетчере устройств не определяется. Как можно вернуть к жизни?

Мониторинг-КМВ
895

Teltonika FM5300

Re: Teltonika FM5300

Monitoring-kmv wrote:
Bender0711 wrote:
Monitoring-kmv wrote:

Приветствую всех.
После прошивки часто мигает индикатор status. Устройство не определяется, т.е. повторная прошивка невозможна. Что делать?

пробуй гипер терминалом .в диспетчере  устройств проверь как определяется.Прошивку точно от 5300 залили?

На трекере была установлена прошивка 1.06.06.  Попытались заменить на 01.07.48 (прошивка с этого форума). Процесс дошел до конца, после перезагрузки ушел в вышеописанное состояние. В диспетчере устройств не определяется. Как можно вернуть к жизни?

Дилеру на перепрошивку...(

"Если вы не можете объяснить это своей бабушке, вы сами этого не понимаете."  А.Эйнштейн
896

Teltonika FM5300

Re: Teltonika FM5300

Monitoring-kmv wrote:

На трекере была установлена прошивка 1.06.06.  Попытались заменить на 01.07.48 (прошивка с этого форума). Процесс дошел до конца, после перезагрузки ушел в вышеописанное состояние. В диспетчере устройств не определяется. Как можно вернуть к жизни?

пОИЩИТЕ В ИНЕТЕ  где то была инструкция по восстановлению через гипер терминал

897

Teltonika FM5300

Re: Teltonika FM5300

Bender0711 wrote:

пОИЩИТЕ В ИНЕТЕ  где то была инструкция по восстановлению через гипер терминал

Алгоритма прошивки через гипер терминал не нашел. Есть только упоминание этой возможности. Подключаться нужно через порт 1/2 или через usb?

Мониторинг-КМВ
898

Teltonika FM5300

Re: Teltonika FM5300

Monitoring-kmv wrote:

Алгоритма прошивки через гипер терминал не нашел. Есть только упоминание этой возможности. Подключаться нужно через порт 1/2 или через usb?

Попробуйте примерно так во вложении я так шил автолинк(который стал кирпич)
Шил через СОМ  на телтонике попробуй как 4200 конфигурировать СОМ -ЮСБ переходник .
Инструкцию в ЛС кину почту напиште.

  • Teltonika FM5300
899

Teltonika FM5300

Re: Teltonika FM5300

Bender0711 wrote:
Monitoring-kmv wrote:

Алгоритма прошивки через гипер терминал не нашел. Есть только упоминание этой возможности. Подключаться нужно через порт 1/2 или через usb?

Попробуйте примерно так во вложении я так шил автолинк(который стал кирпич)
Шил через СОМ  на телтонике попробуй как 4200 конфигурировать СОМ -ЮСБ переходник .
Инструкцию в ЛС кину почту напиште.

monitoring-kmv@yandex.ru

Мониторинг-КМВ
900

Teltonika FM5300

Re: Teltonika FM5300

Добрый день. Вышлите пожалуйста инструкцию на FM5300.

901

Teltonika FM5300

Re: Teltonika FM5300

CJlABOH wrote:

Добрый день. Вышлите пожалуйста инструкцию на FM5300.

куда выслать то?

902

Teltonika FM5300

Re: Teltonika FM5300

Добрый день!  Подскажите пожалуйста, прибор перестал видеть сим.карту, в телефоне она работает, другую ставлю, тоже нет связи. Слетела прошивка? Скиньте пожалуйста актуальную прошивку и конфигуратор к ней. Заранее благодарю. o.lakirev@gmail.com

903

Teltonika FM5300

(edited by madmaximka 29/09/2017 13:19:44)

Re: Teltonika FM5300

o.lakirev wrote:

o.lakirev@gmail.com

Привет.
Отправил последнюю прошивку - FM53.Ver.01.07.73.Rev.00
Переименуйте расширение на *.7z
Плюсы в карму приветствуются. smile

904

Teltonika FM5300

Re: Teltonika FM5300

Добрый день.
Перенастроили клиенту прибор. Через некоторое время он перестал выходить на свзяь. При подключении к конфигуратору появилось сообщение что прибор залочен и нужен код разблокировки. Как могла произвольно произоити залочка прибора?

Мониторинг-КМВ
905

Teltonika FM5300

Re: Teltonika FM5300

Ну к примеру кто-то мог подключиться и залочить.

Если хочешь чтобы мир изменился - стань сам этим изменением.
906

Teltonika FM5300

(edited by SAT 17/10/2017 14:49:47)

Re: Teltonika FM5300

anzi1331 wrote:

Ну к примеру кто-то мог подключиться и залочить.

Есть такая функция/команда?

PS teltonika_support, подскажите пожалуйста, есть возможность удаленно "залочить" FM5300 ?

Monitoring-kmv wrote:

Добрый день.
Перенастроили клиенту прибор. Через некоторое время он перестал выходить на свзяь. При подключении к конфигуратору появилось сообщение что прибор залочен и нужен код разблокировки. Как могла произвольно произоити залочка прибора?

"Если вы не можете объяснить это своей бабушке, вы сами этого не понимаете."  А.Эйнштейн
907

Teltonika FM5300

Re: Teltonika FM5300

В конфигураторе 5300 такой функции не видел.

Мониторинг-КМВ
908

Teltonika FM5300

Re: Teltonika FM5300

Проблема решилась. Перепрошили на обновленную прошивку, запрос пароля пропал.

Мониторинг-КМВ
909

Teltonika FM5300

Re: Teltonika FM5300

Кнопка addKeyword (версия конфигуратора 1.1.7.15, в других не проверял). Появляется только при подключенном терминале.В мануале про это написанно. По крайней мере я имел виду этот вид блокировки.
Думаю если прикрепите скрин, что пишет конфигуратор, будет проще.

Если хочешь чтобы мир изменился - стань сам этим изменением.
910

Teltonika FM5300

Re: Teltonika FM5300

Monitoring-kmv wrote:

Проблема решилась. Перепрошили на обновленную прошивку, запрос пароля пропал.

на какую прошили?

911

Teltonika FM5300

Re: Teltonika FM5300

madmaximka wrote:
Monitoring-kmv wrote:

Проблема решилась. Перепрошили на обновленную прошивку, запрос пароля пропал.

на какую прошили?

Была 1.1.6, прошили 1.1.7

Мониторинг-КМВ
912

Teltonika FM5300

Re: Teltonika FM5300

Люди, как вы справляетесь с рисованием звезд на стоянке FM? Генерит данные как потерпевший, бывает раз в секунду, кучу ненужных точек.
Прошивки разные, толку почти 0.

913

Teltonika FM5300

(edited by Rombovik 26/10/2017 07:17:29)

Re: Teltonika FM5300

PavV wrote:

Люди, как вы справляетесь с рисованием звезд на стоянке FM? Генерит данные как потерпевший, бывает раз в секунду, кучу ненужных точек.
Прошивки разные, толку почти 0.

Включите статическую навигацию и проверьте настройку входов, возможно у какого-то/каких-то стоит приоритет High, отсюда и бешеная генерация сообщений на стоянке...

914

Teltonika FM5300

Re: Teltonika FM5300

Rombovik wrote:

Включите статическую навигацию и проверьте настройку входов, возможно у какого-то/каких-то стоит приоритет High, отсюда и бешеная генерация сообщений на стоянке...

генерит  так понимаю по изменению угла, IO все настроены в мониторинг кроме зажигания. SN чет боязно включать, помню как на них зависали приборы, или эти косяки в новых прошивках пофиксили? Кто пользуется SN на этих именно FM, отпишите.

915

Teltonika FM5300

(edited by SAT 26/10/2017 10:22:15)

Re: Teltonika FM5300

PavV wrote:
Rombovik wrote:

Включите статическую навигацию и проверьте настройку входов, возможно у какого-то/каких-то стоит приоритет High, отсюда и бешеная генерация сообщений на стоянке...

генерит  так понимаю по изменению угла, IO все настроены в мониторинг кроме зажигания. SN чет боязно включать, помню как на них зависали приборы, или эти косяки в новых прошивках пофиксили? Кто пользуется SN на этих именно FM, отпишите.

SN действительно включать боязно, т.к. в РЭ указано достаточно жесткое положение установки трекера (по наклону и пр.).

High, кажется, в параметрах влияет не на частоту порождения событий, а на скорость доставки параметра- с текущей координатой или досрочно.
Имеет значение, если в параметрах параметра (смешно) вместо monitoring стоит что-нибудь другое.

Если машина ночует в ж/б или металлическом укрытии - гараж, навес, под 10-метровым металлическим плакатом, возе ж.д . и пр. - из-за переотражения или помех спутникового сигнала "звездение" неизбежно. Кроме настройки параметров сна, конечно. (

"Если вы не можете объяснить это своей бабушке, вы сами этого не понимаете."  А.Эйнштейн
916

Teltonika FM5300

Re: Teltonika FM5300

SAT wrote:

High, кажется, в параметрах влияет не на частоту порождения событий, а на скорость доставки параметра- с текущей координатой или досрочно.
Имеет значение, если в параметрах параметра (смешно) вместо monitoring стоит что-нибудь другое.
Если машина ночует в ж/б или металлическом укрытии - гараж, навес, под 10-метровым металлическим плакатом, возе ж.д . и пр. - из-за переотражения или помех спутникового сигнала "звездение" неизбежно. Кроме настройки параметров сна, конечно. (

да, какраз в ангаре, точки шлет как потерпевший.
Насчет High, эт событие сгенерит и вышлет сразу
Low - просто сгенерит
Monitoring - будет только добавлено  к сообщению во время создания точки от какого-либо другого события

короче, выставил Static Navigation, посмотрим. А вот толкового описания как эта функция работает и ее особенности чет не нашел

917

Teltonika FM5300

Re: Teltonika FM5300

Впервые сталкиваемся с подобным за все время, возможно идеи новые будут. Такая ситуация уже со вторым прибором на данном ТС.

Есть ТС Mitsu Fuga, с установленным какое-то время назад 5300. Абсолютно работоспособный прибор, хорошие треки, выбросов и пр. нет.
Быстрая реакция на СМС, быстрые ответы. Типовое сообщение:
param202=128, param204=128, param71=3, gsm=2, pwr_int=4.434, param201=-4, param203=-4, param182=6, hdop=0.6, pwr_ext=28.33, param24=58, param241=25099, mcc=250, mnc=99, param70=506, param72=45, battery_charge=1, I/O=1/0

Раз в несколько дней, раз в неделю, в среднем, в произвольный момент времени, преимущественно в движении, прибор пропадает со связи. В это время СМС прибор получает, питание есть. Ответа либо реакции на стандартные СМС (getstatus, getgps, getinfo, cpureset) нет.
Никакие параметры перед пропаданием не позволяют судить о возможных причинах (питание, gsm, hdop и пр. в норме, соответственно моменту и месту).

После шаманских действий прибор принимает cpureset, отрабатывает и выгружает сообщения за "пропавший период". Вид сообщений:
param202=128, param204=128, param250=0, param201=-4, param203=-4, battery_charge=0, I/O=0/0
Т.е. совершенно искаженные, не соответствующие параметрам настройки, произвольные параметры. При этом координаты и спутники есть.

Далее прибор совершенно нормально работает, параметры в сообщениях соответствуют верхнему варианту, до следующего раза.
На ТС выезжали, визуально с прежним и нынешним приборами нормально все. В офисе на снятом приборе сбоя нет. Т.е. проблема конкретного ТС.

У меня только 2 предположения:
- либо использование экзотической "глушилки", но не радиодиапазона, а электроники, бесконтактным способом. Из-за чего прибор дуреет.
- либо проблемы с питанием на конкретном ТС (генератор и переменка), которые периодически проявляются кратковременно, из-за чего возникает описанное.

Какие-то еще варианты есть?
Мне интересно в первую очередь не как исправить или что делать - это понятно. А вот каким образом можно на прибор так воздействовать. Есть идеи?

918

Teltonika FM5300

Re: Teltonika FM5300

А профили как настроены? Похожая картина если перескочит на не настроенный профиль при отсутствии gsm.

Вячеслав Байталов
М2Макс Навигация
info@m2max.ru
919

Teltonika FM5300

Re: Teltonika FM5300

ТС выполняет регулярные рейсы по одному и тому же, либо по схожим маршрутам? Географию мест пропажи не анализировали? Пропадает не в одном и том же месте (местах)?

Ни что человеческое нам не чуждо!...терминал ГЛОНАСС/GPS знал, что его сегодня опять будут бить электрошокером и с нетерпением ждал, когда появиться возможность снова "потеряться" в координатах и времени...
920

Teltonika FM5300

Re: Teltonika FM5300

M2Max wrote:

А профили как настроены? Похожая картина если перескочит на не настроенный профиль при отсутствии gsm.

Идентично все четыре. Т.е. не важно, на каком оно работает.

921

Teltonika FM5300

Re: Teltonika FM5300

WC wrote:

ТС выполняет регулярные рейсы по одному и тому же, либо по схожим маршрутам? Географию мест пропажи не анализировали? Пропадает не в одном и том же месте (местах)?

ТС ездит Москва и область преимущественно. Это разные маршруты, пропадания в разных местах, и в городе, и в области.

922

Teltonika FM5300

Re: Teltonika FM5300

SanderAMC wrote:
M2Max wrote:

А профили как настроены? Похожая картина если перескочит на не настроенный профиль при отсутствии gsm.

Идентично все четыре. Т.е. не важно, на каком оно работает.

Всё таки похоже, что проблема в переключении на другой профиль. Запретите переключаться на другой профиль при событии (setparam 100 0)

923

Teltonika FM5300

Re: Teltonika FM5300

Запрещено изначально. Профили идентичны, специально проверили, все базовые параметры совпадают, препятствий в виде кривых настроек для работы прибора нет.

924

Teltonika FM5300

Re: Teltonika FM5300

Честно, я не понял модератора. Вместо отдельной темы по конкретной проблеме и ситуации перенести !вдруг!, не ставя в известность автора, в общую тему по 5300 вообще.

Уважаемый модератор, вы зачем так поступаете? В этом бреде на 37 страниц все и погрязнет...

925

Teltonika FM5300

Re: Teltonika FM5300

SanderAMC wrote:

Запрещено изначально. Профили идентичны, специально проверили, все базовые параметры совпадают, препятствий в виде кривых настроек для работы прибора нет.

Какая прошивка?

926

Teltonika FM5300

Re: Teltonika FM5300

Code Ver:01.11.01 Rev:0 Modem Ver:TM11Q_R_01.04.07.00_00

927

Teltonika FM5300

Re: Teltonika FM5300

SanderAMC wrote:

Code Ver:01.11.01 Rev:0 Modem Ver:TM11Q_R_01.04.07.00_00

Поставь эту версию 01.07.59
01.11.01 свежее, но у телтоники новое не значит лучше.

928

Teltonika FM5300

Re: Teltonika FM5300

SanderAMC wrote:

Code Ver:01.11.01 Rev:0 Modem Ver:TM11Q_R_01.04.07.00_00

Вообще-то прошивка 1.11 не стала официальным релизом,хотя и появлялась у дистрибьюторов.Представитель Телтоники когда-то отвечал на мой вопрос так:

"Прошивка 01.11.01 не вышла в релиз. Вероятно возможность скачать была включенна по ошибке.
...
01.11.01 Функционал стандартный. Добавленны синхронизация по NTP и обнаружение холостого хода двигателя. Но в релиз версия не вышло. Если вам эти функции не нужны, рекоменуем использовать 1.7.5.
"

И кстати, разный набор параметров(param...)  все-таки заставляет думать о переключении разных профилей
Вытащите в выдачу номер текущего профиля )

"Профили идентичны, специально проверили, все базовые параметры совпадают" - все базовые совпадают или все совпадают?

"Если вы не можете объяснить это своей бабушке, вы сами этого не понимаете."  А.Эйнштейн
929

Teltonika FM5300

Re: Teltonika FM5300

Прошивка 01.11.01 установлена нами на множестве 5300, стоящих на различных ТС. Проблема только на этом. Поэтому не в прошивке дело.
Для каждой прошивки нами готовится типовая конфигурация, с идентичным набором параметров в профилях, которая и заливается в устройства.

Совпадают-ли все параметры в данном приборе сейчас или нет, я не могу однозначно утверждать.
Однако такие, как APN, логин и пароль, адрес и порт сервера, список сетей ОПСоС совпадают. Что однозначно не мешает прибору выходить на сервер при переходе на любой другой профиль и присылать хоть что-то.
При условии, что диагностика сим (это джаспер, поэтому все сразу диагностируется) проходит корректно и сим зарегистрирована в сети, ничего не мешает прибору отвечать на типовые СМС.

В описанной-же выше ситуации прибор на сервер не выходит и не отвечает на СМС.

930

Teltonika FM5300

Re: Teltonika FM5300

SanderAMC wrote:

Прошивка 01.11.01 установлена нами на множестве 5300, стоящих на различных ТС. Проблема только на этом. Поэтому не в прошивке дело.
Для каждой прошивки нами готовится типовая конфигурация, с идентичным набором параметров в профилях, которая и заливается в устройства.

Совпадают-ли все параметры в данном приборе сейчас или нет, я не могу однозначно утверждать.
Однако такие, как APN, логин и пароль, адрес и порт сервера, список сетей ОПСоС совпадают. Что однозначно не мешает прибору выходить на сервер при переходе на любой другой профиль и присылать хоть что-то.
При условии, что диагностика сим (это джаспер, поэтому все сразу диагностируется) проходит корректно и сим зарегистрирована в сети, ничего не мешает прибору отвечать на типовые СМС.

В описанной-же выше ситуации прибор на сервер не выходит и не отвечает на СМС.

Включи в каждом из профилей передачу  текущего профиля (setparam 1380 1 и тд.).

931

Teltonika FM5300

(edited by SAT 22/11/2017 09:53:13)

Re: Teltonika FM5300

SanderAMC wrote:

Прошивка 01.11.01 установлена нами на множестве 5300, стоящих на различных ТС. Проблема только на этом. Поэтому не в прошивке дело.
Для каждой прошивки нами готовится типовая конфигурация, с идентичным набором параметров в профилях, которая и заливается в устройства.

Совпадают-ли все параметры в данном приборе сейчас или нет, я не могу однозначно утверждать.
Однако такие, как APN, логин и пароль, адрес и порт сервера, список сетей ОПСоС совпадают. Что однозначно не мешает прибору выходить на сервер при переходе на любой другой профиль и присылать хоть что-то.
При условии, что диагностика сим (это джаспер, поэтому все сразу диагностируется) проходит корректно и сим зарегистрирована в сети, ничего не мешает прибору отвечать на типовые СМС.

В описанной-же выше ситуации прибор на сервер не выходит и не отвечает на СМС.

Если посмотреть на выдачу параметров Вашего трекера, то можно увидеть что в первом случае присутствует gsm=2, pwr_int=4.434,hdop=0.6, pwr_ext=28.33.  Во втором случае эти параметры отсутствуют.
Поскольку все эти param не относятся к параметрам которые то есть. то нет  (как ДУТ) - скорее всего работают разные профили.
Если профили изначально были идентичными, значит кто-то ковырялся ручками. Если профили не были идентичными (вопреки Вашему утверждению) -в них может быть что угодно, гадать бессмыслено. Профили могут переключаться как по принадлежности к сети (Home, Unknown, Roaminh)? так и по событиям.
Я использовал переключение профилей по событию для какой-то отладки проблемы. Скажем, GSM сигнал падает до неприличия и идет запрограммированное переключение на другой профиль с расширенной выдачей параметров - и наоборот.
Возможно, на этой машине происходит контролируемое событие, отсутствующее на других.

Поставьте по  всем 4-м профилям выдачу текущего профиля - выше была команда для 1 профиля.
Обсуждать вывих мозгов трекера не продуктивно, можно дообсуждаться до маленьких человечков, вручную запихивющих биты в провод )
))


Кстати, Джаспер всегда адекватен только в рекламе Билайн и их представителей.
При обращении в ТП Билайн с вопросами по Джасперу, получали ответ о том. что  прожектор не всегда адекватно или оперативно отображает информацию о наличии объекта в сети и пр. Вопрос был связан с "непонятками" поведения трекера в роуминге.
И да, операторы ТП не могут видеть больше,чем Вы в своем прожекторе.

"Если вы не можете объяснить это своей бабушке, вы сами этого не понимаете."  А.Эйнштейн
932

Teltonika FM5300

Re: Teltonika FM5300

На приборе запрещено менять профиль по событию.
В любом случае, на прибор была отправлена еще раз полная, идентичная для 4 профилей, наша типовая конфигурация. Пока наблюдаем.

933

Teltonika FM5300

Re: Teltonika FM5300

SanderAMC wrote:

На приборе запрещено менять профиль по событию.
В любом случае, на прибор была отправлена еще раз полная, идентичная для 4 профилей, наша типовая конфигурация. Пока наблюдаем.

Надо ожидать, что и передаваемый список параметров будет одинаков. )

"Если вы не можете объяснить это своей бабушке, вы сами этого не понимаете."  А.Эйнштейн
934

Teltonika FM5300

Re: Teltonika FM5300

Логично. Поскольку для любого другого нашего 5300 это так и есть, вне зависимости от профиля.

935

Teltonika FM5300

Re: Teltonika FM5300

Доброго дня. Не поделитесь новой живучей прошивочкой для 5300 на query-q@mail.ru ?

936

Teltonika FM5300

Re: Teltonika FM5300

query-q wrote:

Доброго дня. Не поделитесь новой живучей прошивочкой для 5300 на query-q@mail.ru ?

Привет. Отправил.

937

Teltonika FM5300

Re: Teltonika FM5300

query-q wrote:

Доброго дня. Не поделитесь новой живучей прошивочкой для 5300 на query-q@mail.ru ?

Отправил.

938

Teltonika FM5300

Re: Teltonika FM5300

Кто Может подсказать, что значит эта запись:

-[2017.12.13 04:48:36]-[APP.GSM.STATUS]->PMR
[NMEA]->ERR TimeDiff 107 != 1
[NMEA]->ERR TimeDiff 108 != 1
[NMEA]->ERR TimeDiff 109 != 1

-[2017.12.13 04:48:39]-[APP.SND.D]->573 seconds before periodic data Send
[NMEA]->ERR TimeDiff 110 != 1
[NMEA]->ERR TimeDiff 111 != 1
[NMEA]->ERR TimeDiff 112 != 1

-[2017.12.13 04:48:42]-[GPRS.CHK]->GPRS is Active
[NMEA]->ERR TimeDiff 113 != 1

-[2017.12.13 04:48:43]-[GPRS.CHK]->Repeating Task after delay...

-[2017.12.13 04:48:43]-[APP.GPS]->Available

-[2017.12.13 04:48:43]-[APP DATA SAVING]->547 sec before periodic Rec save
[NMEA]->ERR TimeDiff 114 != 1
[NMEA]->ERR TimeDiff 115 != 1
[NMEA]->ERR TimeDiff 116 != 1
[NMEA]->ERR TimeDiff 117 != 1
[NMEA]->ERR TimeDiff 118 != 1
[NMEA]->ERR TimeDiff 119 != 1

Какие-то ошибки?
В Wialon-е его видно.

939

Teltonika FM5300

Re: Teltonika FM5300

Доброго времени суток, подскажите сталкивался ли кто-то с отвалом GPS модуля, сняли трекер с клиента, всё время горит индикатор GPS замена на новую антену, перепрошивка или переконфигурация  ничего не дела.

940

Teltonika FM5300

(edited by SAT 22/12/2017 10:37:43)

Re: Teltonika FM5300

Meliodas wrote:

Доброго времени суток, подскажите сталкивался ли кто-то с отвалом GPS модуля, сняли трекер с клиента, всё время горит индикатор GPS замена на новую антену, перепрошивка или переконфигурация  ничего не дела.

Было. Либо повреждение контакта в месте соединения разъема с платой, либо перепрошивка у дилера. Гарантия на Teltonika 2 года - у правильного дистрибьютора.

Посмотрите лог через Terminal - сообщения от трекера могут многое прояснить

"Если вы не можете объяснить это своей бабушке, вы сами этого не понимаете."  А.Эйнштейн
941

Teltonika FM5300

Re: Teltonika FM5300

SAT wrote:
Meliodas wrote:

Доброго времени суток, подскажите сталкивался ли кто-то с отвалом GPS модуля, сняли трекер с клиента, всё время горит индикатор GPS замена на новую антену, перепрошивка или переконфигурация  ничего не дела.

Было. Либо повреждение контакта в месте соединения разъема с платой, либо перепрошивка у дилера. Гарантия на Teltonika 2 года - у правильного дистрибьютора.

Посмотрите лог через Terminal - сообщения от трекера могут многое прояснить

не успел ответить. подтверждаю. была такая партия именно FM5300. Повреждение контакта в месте соединения разъема с платой.
Словно отклеивались.

942

Teltonika FM5300

(edited by Meliodas 22/12/2017 12:09:43)

Re: Teltonika FM5300

Спасибо за такой оперативный ответ, в логаг с терминала говорит якобы о том что как я понимаю gps не стартует и он пытается его перезапустить, но это не точно) Гарантии увы уже нет, так как ставились они ещё в 2014
Логи приложил может более точно подскажете) А и осмотрел зрительно плату в месте разъёма антенны ничего по крайней мере на глаз не видно
И ещё вопрос это может быть внешним вмешательством и если да, то как можно это выявить?

Post's attachments

Attachment icon 20171222105155.log 11.32 kb, 1166 downloads since 2017-12-22 

943

Teltonika FM5300

(edited by SAT 22/12/2017 12:13:45)

Re: Teltonika FM5300

Meliodas wrote:

Спасибо за такой оперативный ответ, в логаг с терминала говорит якобы о том что как я понимаю gps не стартует и он пытается его перезапустить, но это не точно) Гарантии увы уже нет, так как ставились они ещё в 2014
Логи приложил может более точно подскажете) А и осмотрел зрительно плату в месте разъёма антенны ничего по крайней мере на глаз не видно

https://www.euromobile.ru/tech/      - тех.поддержка хорошего дистрибьютора. Отошлите им лог минут за 15.
При создании обращения поинтересуйтесь возможностью ремонта (перепрошивки) и стоимостью. Нам прошивали.
Они, естественно,шьют не на уровне замены  текущей версии прошивки,а поглубже

PS Если, конечно, тестировали с заведомо исправной антенной GPS ))

"Если вы не можете объяснить это своей бабушке, вы сами этого не понимаете."  А.Эйнштейн
944

Teltonika FM5300

Re: Teltonika FM5300

SAT wrote:
Meliodas wrote:

Спасибо за такой оперативный ответ, в логаг с терминала говорит якобы о том что как я понимаю gps не стартует и он пытается его перезапустить, но это не точно) Гарантии увы уже нет, так как ставились они ещё в 2014
Логи приложил может более точно подскажете) А и осмотрел зрительно плату в месте разъёма антенны ничего по крайней мере на глаз не видно

https://www.euromobile.ru/tech/      - тех.поддержка хорошего дистрибьютора. Отошлите им лог минут за 15.
При создании обращения поинтересуйтесь возможностью ремонта (перепрошивки) и стоимостью. Нам прошивали.
Они, естественно,шьют не на уровне замены  текущей версии прошивки,а поглубже

PS Если, конечно, тестировали с заведомо исправной антенной GPS ))

Да, антенну подкинули новую, на других трекерах проверялась, просто вышла со строя 53я та которая сейчас на столе, и заменили его на 55ю , спустя пару недель сообщают что ТС опять не отчитывается, пока что выехать на него нет возможности, но совпадения какие-то странные.

945

Teltonika FM5300

(edited by SAT 22/12/2017 12:25:54)

Re: Teltonika FM5300

Meliodas wrote:
SAT wrote:
Meliodas wrote:

Спасибо за такой оперативный ответ, в логаг с терминала говорит якобы о том что как я понимаю gps не стартует и он пытается его перезапустить, но это не точно) Гарантии увы уже нет, так как ставились они ещё в 2014
Логи приложил может более точно подскажете) А и осмотрел зрительно плату в месте разъёма антенны ничего по крайней мере на глаз не видно

https://www.euromobile.ru/tech/      - тех.поддержка хорошего дистрибьютора. Отошлите им лог минут за 15.
При создании обращения поинтересуйтесь возможностью ремонта (перепрошивки) и стоимостью. Нам прошивали.
Они, естественно,шьют не на уровне замены  текущей версии прошивки,а поглубже

PS Если, конечно, тестировали с заведомо исправной антенной GPS ))

Да, антенну подкинули новую, на других трекерах проверялась, просто вышла со строя 53я та которая сейчас на столе, и заменили его на 55ю , спустя пару недель сообщают что ТС опять не отчитывается, пока что выехать на него нет возможности, но совпадения какие-то странные.

У нас пару раз водители ломали умышленно или по неаккуратности хорошо затянутые разъемы. Разъемы паяли сами.
При порче аппаратной прошивки высылали в гарантийный срок. Судя по IMEI прибора - действительно восстанавливали своей технической перепрошивой. Диагностируют "по фотографии" - по логу ))

"Если вы не можете объяснить это своей бабушке, вы сами этого не понимаете."  А.Эйнштейн
946

Teltonika FM5300

Re: Teltonika FM5300

SAT Спасибо за ответы, сейчас попробую написать на эвромобаил

947

Teltonika FM5300

Re: Teltonika FM5300

SAT wrote:

При порче аппаратной прошивки высылали в гарантийный срок.

Обычно на 53 при плохом питание может слетать IMEI прибора, его можно восстановить путем прошивки  версии самого модема. С прошивкой GPS-модуля не сталкивался. Отправьте в терминале команду .info, и проследите за ответом, там будет версии всех модулей.

948

Teltonika FM5300

Re: Teltonika FM5300

PavV wrote:
SAT wrote:

При порче аппаратной прошивки высылали в гарантийный срок.

Обычно на 53 при плохом питание может слетать IMEI прибора, его можно восстановить путем прошивки  версии самого модема. С прошивкой GPS-модуля не сталкивался. Отправьте в терминале команду .info, и проследите за ответом, там будет версии всех модулей.

Может быть, getinfo  ?


Я не утверждал, что шили именно GPS-модуль )

"Если вы не можете объяснить это своей бабушке, вы сами этого не понимаете."  А.Эйнштейн
949

Teltonika FM5300

Re: Teltonika FM5300

SAT wrote:

Может быть, getinfo  ?

для terminal именно .info
также можно глянуть точку со всеми параметрами которые будет высылать фм .records

950

Teltonika FM5300

Re: Teltonika FM5300

Скиньте пожалуйста новую прошивку на fm 5300, support.glonassug@yandex.ru

Станислав Георгиевич
Глонасс-Юг
www.glonass-ug.ru
951

Teltonika FM5300

Re: Teltonika FM5300

Поделитесь конфигуратором на 5300 не можем подключиться, просит X.1.11.Y
на support@bashmonitor.ru

Wialon Host  - 120 руб за объект в месяц (WH + сим-карта без абон. платы + 50 мБ + 90 коп/смс)
952

Teltonika FM5300

Re: Teltonika FM5300

Vadim3105 wrote:

Поделитесь конфигуратором на 5300 не можем подключиться, просит X.1.11.Y
на support@bashmonitor.ru

Отправил.

953

Teltonika FM5300

Re: Teltonika FM5300

Доброго времени суток. товарищи!
На одном из приборов с прошивкой FM5300.01.07.28.Rev.0.e появилась странная особенность: шлёт данные с запозданием в 1 минуту. Причем, явно, сбито время у gps-приемника. проверял так: настроил отправку сообщения по событию изменения статуса зажигания, включаю зажигание - 5 секунд и на сервер приходит сообщение с включенным зажиганием, но время этой точки 1 минута и 5 секунд назад, а не 5 секунд назад. Откуда берется эта минута - ума не приложу
Кто-нибудь сталкивался с подобным?

Теперь всё ясно. Кроме сути вопроса...
954

Teltonika FM5300

(edited by Bender0711 26/02/2018 08:55:46)

Re: Teltonika FM5300

berestovoid wrote:

Кто-нибудь сталкивался с подобным?

сбрось в заводские и профиль перезалей.Минута не страшно,этому прибору спасибо только за то что он вообще передаёт lol
прошивку обнови у телтоники   глюки с GPS после  нового года

955

Teltonika FM5300

Re: Teltonika FM5300

Bender0711 wrote:
berestovoid wrote:

Кто-нибудь сталкивался с подобным?

сбрось в заводские и профиль перезалей.Минута не страшно,этому прибору спасибо только за то что он вообще передаёт lol
прошивку обнови у телтоники   глюки с GPS после  нового года

Прошивка последняя (по версии евромобайла), настройки были редактирования от дефолта.  Залиты в 2 одинаковых прибора. Один нормально шлёт, второй с опозданием в минуту.

Теперь всё ясно. Кроме сути вопроса...
956

Teltonika FM5300

Re: Teltonika FM5300

Доброго времени суток! ПОделитесь  прошивкой и Updaterом для teltonika FM5300, можно на почту obraz_2009@mail.ru

957

Teltonika FM5300

Re: Teltonika FM5300

obraz_2009 wrote:

Доброго времени суток! ПОделитесь  прошивкой и Updaterом для teltonika FM5300, можно на почту obraz_2009@mail.ru

Отправил

Теперь всё ясно. Кроме сути вопроса...
958

Teltonika FM5300

Re: Teltonika FM5300

Здравствуйте. На 5300 сбиваются настройки дут (точнее вообще отключаются). Включаешь и через некоторое время опять отключается. Возможность стороннего вмешательства отсутствут. Была у кого такая проблема? методы устранения есть?

959

Teltonika FM5300

Re: Teltonika FM5300

Хех, да постоянно))). Прошейте последней прошивкой. И еще проследите за питанием авто. Обычно сбрасывает если питание на ФМ снижается ниже 5В.

960

Teltonika FM5300

Re: Teltonika FM5300

PavV wrote:

...Обычно сбрасывает если питание на ФМ снижается ниже 5В.

Я бы лишь попытался уточнить слегка - при падении уровня напряжения заметно ниже минимально допустимого  (10 в) - а будет это 5В или 7В - как повезет.)

"Если вы не можете объяснить это своей бабушке, вы сами этого не понимаете."  А.Эйнштейн
961

Teltonika FM5300

Re: Teltonika FM5300

PavV wrote:

Хех, да постоянно))). Прошейте последней прошивкой. И еще проследите за питанием авто. Обычно сбрасывает если питание на ФМ снижается ниже 5В.

Будем благодарны, если вышлете актуальную прошивку.

962

Teltonika FM5300

(edited by lightsaber 16/03/2018 16:39:41)

Re: Teltonika FM5300

Optim wrote:
PavV wrote:

Хех, да постоянно))). Прошейте последней прошивкой. И еще проследите за питанием авто. Обычно сбрасывает если питание на ФМ снижается ниже 5В.

Будем благодарны, если вышлете актуальную прошивку.

Post's attachments

Attachment icon FM5300.zip 1.61 mb, 720 downloads since 2018-03-16 

963

Teltonika FM5300

(edited by 7_slov 05/04/2018 08:52:09)

Re: Teltonika FM5300

всем привет. что за глюк до прошивки трекера 5300 все работало видел ДУТ итд после обновление прошивки пропали показания ДУТА (Неизвестно)  и параметр в смс исходных данных нет параметра хотя все активиравно.

Цифра по 232

964

Teltonika FM5300

Re: Teltonika FM5300

у кого есть прошивка под конфиг FM5XXX_Configurator_1.1.2.11? скиньте на мыло 7_slov@майл.ру

965

Teltonika FM5300

Re: Teltonika FM5300

Здравствуйте, есть ли где описания параметров приходящих с fm5300? Интересует как бы получить пробег, может есть какой-то paramX, или через can как настроить

966

Teltonika FM5300

Re: Teltonika FM5300

cr1m LVCAN должен читать одометр и передавать его. Правда для 5300 в протоколе не описаны параметры с LVCAN.
Для разных приборов номера параметров LVCAN отличаются. Вроде как LVCAN Total vehicle distance нужный и в Wialon уже сможете найти нечто похожее, передается в метрах.

Viktor Yarovenko
Business Analyst
Wialon
967

Teltonika FM5300

(edited by SAT 12/04/2018 16:12:14)

Re: Teltonika FM5300

cr1m wrote:

Здравствуйте, есть ли где описания параметров приходящих с fm5300? Интересует как бы получить пробег, может есть какой-то paramX, или через can как настроить

Описание параметров, приходящих от FM5300 есть в user manual FM5300.Там же есть целая глава (страниц 10), какие параметры по какому стандарту можно получить от CAN. У Вас есть мануал на 5300?

UPD    На разъеме FM5300 есть контакты CAN-H и CAN-L Необходимость в LVCAN отсутствует.,К CAN лучше подключаться бесконтактными считывателями

"Если вы не можете объяснить это своей бабушке, вы сами этого не понимаете."  А.Эйнштейн
968

Teltonika FM5300

Re: Teltonika FM5300

SAT wrote:

Необходимость в LVCAN отсутствует.

Спорный вопрос. Если надо подключить легковую ТС и у Вас нет расшифровки параметров, то без LV-CAN будет трудновато....

Если хочешь чтобы мир изменился - стань сам этим изменением.
969

Teltonika FM5300

Re: Teltonika FM5300

anzi1331 wrote:
SAT wrote:

Необходимость в LVCAN отсутствует.

Спорный вопрос. Если надо подключить легковую ТС и у Вас нет расшифровки параметров, то без LV-CAN будет трудновато....

Не буду спорить, не сталкивался с легковыми.
Всегда казалось, что LVCAN выпускается Телтоникой как костыли  к старым или упрощенным моделям типа FM1100,
а в "богатых" моделях  -типа  FM5XXX - LVCAN адаптер встроен (о чем говорит и наличие CAN контактов в разъеме).

Из интереса сравнил мануалы LVCAN-2000 и FM5XXX

Список P,arameters ID доступных через LVCAN гораздо беднее, чем список таких же доступных параметров из CAN в FM5XXX ( 7 кодов против двух десятков) - я говорю о доступных параметрах в режиме AutoCAN для FM5XXX. Совпадающие параметры совпадают и по кодам.
Весь мануал LVCAN со списком изменений такой же, как глава о CAN в мануале FM5XXX.

В мануале на FM5XXX есть и  работающая ссыдка  на FMS стандарт  (http://www.fms-standard.com/) и упоминание SAE J1939, чего нет в мануале LVCAN/
Так что в итоге получается, что спорю, не вижу преимуществ LVCAN

"Если вы не можете объяснить это своей бабушке, вы сами этого не понимаете."  А.Эйнштейн
970

Teltonika FM5300

Re: Teltonika FM5300

lvcan поддерживает большое кол-во техники. А как посмотреть список техники для 5xxx?

971

Teltonika FM5300

(edited by SAT 13/04/2018 12:02:31)

Re: Teltonika FM5300

RP24telecom wrote:

lvcan поддерживает большое кол-во техники. А как посмотреть список техники для 5xxx?

Могу предположить,что LVCAN поддерживает большое кол-во техники прежде всего не по моделям, а по стандартам CAN шины.
И встречный вопрос,  где посмотреть поддерживаемые стандарты (протоколы) для LVCAN ?
Стандарт/протокол CAN можно узнать у дилера/производителя, это не есть закрытая информация.
Сложнее понять, будет ли работать с CAN Ваш LVCAN купленный год назад с авто, купленным вчера.

Да и вряд ли производителю имело смысл реализовывать в более поздних (навороченных) трекерах меньше протоколов,
чем в LVCAN.

Возможно, teltonika_support сможет оперативно прояснить, есть смысл и преимущества подключения LVCAN к FM5XXX?
Ответ-то сводится к одному, двум предложениям.

"Если вы не можете объяснить это своей бабушке, вы сами этого не понимаете."  А.Эйнштейн
972

Teltonika FM5300

Re: Teltonika FM5300

SAT Каждое обращение к дилеру/производителю, по поводу PGN с кан шины в лучшем случает затянется на месяцы, а наиболее вероятный вариант ответа "вы что с ума сошли, подключаться к компьютеру автомобиля? снимем с гарантии"
Как писали выше, если грузовые автомобили хоть как то похожи, всякие стандарты J1939 и др, то легковые кто во что горазд.

При использовании считывателей типа LVCAN и аналогов весь головняк описанный выше ложится на плечи разработчиков считывателей, и перед приобретением можно уточнить конкретный модельный ряд и список параметров, который возможно считать. Обновление списка поддержанных автомобилей в таких устройствах как LVCan и аналогах осуществляется обновлением прошивок. Насколько часто расширяется данный список конкретно для LVcan у нас информации нет.

Viktor Yarovenko
Business Analyst
Wialon
973

Teltonika FM5300

(edited by SAT 13/04/2018 12:59:31)

Re: Teltonika FM5300

yavi wrote:

SAT Каждое обращение к дилеру/производителю, по поводу PGN с кан шины в лучшем случает затянется на месяцы, а наиболее вероятный вариант ответа "вы что с ума сошли, подключаться к компьютеру автомобиля? снимем с гарантии"
Как писали выше, если грузовые автомобили хоть как то похожи, всякие стандарты J1939 и др, то легковые кто во что горазд.

При использовании считывателей типа LVCAN и аналогов весь головняк описанный выше ложится на плечи разработчиков считывателей, и перед приобретением можно уточнить конкретный модельный ряд и список параметров, который возможно считать. Обновление списка поддержанных автомобилей в таких устройствах как LVCan и аналогах осуществляется обновлением прошивок. Насколько часто расширяется данный список конкретно для LVcan у нас информации нет.

Совершенно согласен с Вами в общем виде.
Но я обсуждал конкретный вопрос о функциональной взаимозаменяемости (совместимости) двух устройств одного производителя -Teltonika.
Или - я обсуждал возможность наличия у Teltonika FM5XXX встроенного LVCAN, аналогичного выпускаемому автономно.
И даже краем не трогал богатую тему "считывателей типа LVCAN и аналогов"

"Если вы не можете объяснить это своей бабушке, вы сами этого не понимаете."  А.Эйнштейн
974

Teltonika FM5300

(edited by teltofan53 18/04/2018 16:44:35)

Re: Teltonika FM5300

Доброго времени суток. У кого-нибудь есть список всех передаваемых прибором параметров?
А конкретнее, меня интересует уровень топлива в баке. Пытаюсь найти нужный, перебрал всё, не могу найти.
Плюс, param 138, кто-нибудь знает что за зверь?
Заранее спасибо за ответ или участие!

975

Teltonika FM5300

Re: Teltonika FM5300

teltofan53 wrote:

Доброго времени суток. У кого-нибудь есть список всех передаваемых прибором параметров?
А конкретнее, меня интересует уровень топлива в баке. Пытаюсь найти нужный, перебрал всё, не могу найти.
Плюс, param 138, кто-нибудь знает что за зверь?
Заранее спасибо за ответ или участие!

Добрый день!

Прикрепил документы с описанием параметров

  • Teltonika FM5300
  • Teltonika FM5300
  • Teltonika FM5300
  • Teltonika FM5300
976

Teltonika FM5300

Re: Teltonika FM5300

albu wrote:
teltofan53 wrote:

Доброго времени суток. У кого-нибудь есть список всех передаваемых прибором параметров?
А конкретнее, меня интересует уровень топлива в баке. Пытаюсь найти нужный, перебрал всё, не могу найти.
Плюс, param 138, кто-нибудь знает что за зверь?
Заранее спасибо за ответ или участие!

Добрый день!

Прикрепил документы с описанием параметров

Большое спасибо! А источником не поделитесь?

977

Teltonika FM5300

Re: Teltonika FM5300

teltofan53 wrote:
albu wrote:
teltofan53 wrote:

Доброго времени суток. У кого-нибудь есть список всех передаваемых прибором параметров?
А конкретнее, меня интересует уровень топлива в баке. Пытаюсь найти нужный, перебрал всё, не могу найти.
Плюс, param 138, кто-нибудь знает что за зверь?
Заранее спасибо за ответ или участие!

Добрый день!

Прикрепил документы с описанием параметров

Большое спасибо! А источником не поделитесь?

Источником поделиться не могу, к сожалению

978

Teltonika FM5300

Re: Teltonika FM5300

Добрый день. Может кто-нибудь сталкивался с такой проблемой? Связь с машиной в определенный момент езды по Европы пропадает. СМС доходит. Подозрение падает на оператора, к которому прибор подключен в этот момент. Позиционирование по сотовым вышкам не помогает.
Как удаленно сменить GSM-оператора(operator code) и есть ли такая возможность?
Пробовал этот параметр записывать в нужный профиль командой setpatam 3271, где 3 - профиль, 271 - код оператора.
Но судя по-всему, просто внёс его в некий список, т.к. до команды все значения были нулевые, прикрепляю скриншоты.
Заранее спасибо за ответ, буду рад любой информации.

  • Teltonika FM5300
979

Teltonika FM5300

Re: Teltonika FM5300

want2knowmore wrote:

Добрый день. Может кто-нибудь сталкивался с такой проблемой? Связь с машиной в определенный момент езды по Европы пропадает. СМС доходит. Подозрение падает на оператора, к которому прибор подключен в этот момент. Позиционирование по сотовым вышкам не помогает.
Как удаленно сменить GSM-оператора(operator code) и есть ли такая возможность?
Пробовал этот параметр записывать в нужный профиль командой setpatam 3271, где 3 - профиль, 271 - код оператора.
Но судя по-всему, просто внёс его в некий список, т.к. до команды все значения были нулевые, прикрепляю скриншоты.
Заранее спасибо за ответ, буду рад любой информации.

Была похожая проблема с FMB920. Устройство перестало работать после пересечения границы. Устройство уходило в оффлайн, но после команды flush отдавало все накопленные сообщения и снова отключалась. Производитель посоветовал обновить прошивку до новейшей. Временно вопрос решили полным сбросом настроек и повторным конфигурированием по СМС после чего прибор, вроде, работает адекватно

980

Teltonika FM5300

(edited by want2knowmore 08/05/2018 10:59:54)

Re: Teltonika FM5300

albu wrote:
want2knowmore wrote:

Добрый день. Может кто-нибудь сталкивался с такой проблемой? Связь с машиной в определенный момент езды по Европы пропадает. СМС доходит. Подозрение падает на оператора, к которому прибор подключен в этот момент. Позиционирование по сотовым вышкам не помогает.
Как удаленно сменить GSM-оператора(operator code) и есть ли такая возможность?
Пробовал этот параметр записывать в нужный профиль командой setpatam 3271, где 3 - профиль, 271 - код оператора.
Но судя по-всему, просто внёс его в некий список, т.к. до команды все значения были нулевые, прикрепляю скриншоты.
Заранее спасибо за ответ, буду рад любой информации.

Была похожая проблема с FMB920. Устройство перестало работать после пересечения границы. Устройство уходило в оффлайн, но после команды flush отдавало все накопленные сообщения и снова отключалась. Производитель посоветовал обновить прошивку до новейшей. Временно вопрос решили полным сбросом настроек и повторным конфигурированием по СМС после чего прибор, вроде, работает адекватно

Последней прошивкой и конфигуратором не поделитесь? А то раздел официального сайта https://teltonika.lt/download/ не очень хочет работать.

981

Teltonika FM5300

Re: Teltonika FM5300

want2knowmore wrote:
albu wrote:
want2knowmore wrote:

Добрый день. Может кто-нибудь сталкивался с такой проблемой? Связь с машиной в определенный момент езды по Европы пропадает. СМС доходит. Подозрение падает на оператора, к которому прибор подключен в этот момент. Позиционирование по сотовым вышкам не помогает.
Как удаленно сменить GSM-оператора(operator code) и есть ли такая возможность?
Пробовал этот параметр записывать в нужный профиль командой setpatam 3271, где 3 - профиль, 271 - код оператора.
Но судя по-всему, просто внёс его в некий список, т.к. до команды все значения были нулевые, прикрепляю скриншоты.
Заранее спасибо за ответ, буду рад любой информации.

Была похожая проблема с FMB920. Устройство перестало работать после пересечения границы. Устройство уходило в оффлайн, но после команды flush отдавало все накопленные сообщения и снова отключалась. Производитель посоветовал обновить прошивку до новейшей. Временно вопрос решили полным сбросом настроек и повторным конфигурированием по СМС после чего прибор, вроде, работает адекватно

Последней прошивкой и конфигуратором не поделитесь? А то раздел официального сайта https://teltonika.lt/download/ не очень хочет работать.

http://92.61.34.6/client/
gurtamf
fmArt2254

982

Teltonika FM5300

Re: Teltonika FM5300

maxgandreevich wrote:

http://92.61.34.6/client/
gurtamf
fmArt2254

что, интересно, там нет для 5300

983

Teltonika FM5300

(edited by SAT 08/05/2018 15:42:53)

Re: Teltonika FM5300

PavV wrote:
maxgandreevich wrote:

http://92.61.34.6/client/
gurtamf
fmArt2254


что, интересно, там нет для 5300

want2knowmore

Post's attachments

Attachment icon FM5300(5).zip 1.61 mb, 722 downloads since 2018-05-08 

"Если вы не можете объяснить это своей бабушке, вы сами этого не понимаете."  А.Эйнштейн
984

Teltonika FM5300

(edited by PavV 08/05/2018 15:50:16)

Re: Teltonika FM5300

есть такая, вроде нормально работает
FM5300.01.07.76.Rev.00
пароль 1234

Post's attachments

Attachment icon FM5300.01.07.76.Rev.00.7z 1.56 mb, 946 downloads since 2018-05-08 

985

Teltonika FM5300

(edited by SAT 08/05/2018 15:55:04)

Re: Teltonika FM5300

want2knowmore wrote:

...
Как удаленно сменить GSM-оператора(operator code) и есть ли такая возможность?

Вы так хорошо разбираетесь в ньюансах взаимодействия Вашего оперетора с зарубежными, их договоров и с условиями взамодействия?

Подобные ситуации были с Билайном в Польше. Оператор ни разу не решил проблему. Предполагаю, что при первом подключении к сети чужого оператора идет запрос к базе данных родного оператора. Если ваш оператор не передал по запросу разрешение на роуминг, или это разрешение не получил текущий оператор - ничего не поделать.

Попробуйте просто по СМС перезагузить трекер.
Билайн предлагал сменить тариф туда/обратно - только не попадите на деньки при этом
Проверьте доступность GPRS в международном роуминге -не путать с международным доступом.
Уверенно выносите мозг оператору - у Вас все работает, как заставить чужого оператора перезагрузить Ваши права и т..п.

"Если вы не можете объяснить это своей бабушке, вы сами этого не понимаете."  А.Эйнштейн
986

Teltonika FM5300

(edited by want2knowmore 23/05/2018 10:16:08)

Re: Teltonika FM5300

Перепрошили, поменяли настройки. Один из профилей был настроен под другого оператора, возможно, в этом была причина.
Пока полёт нормальный.

987

Teltonika FM5300

Re: Teltonika FM5300

Интересно, есть тут живые? Прошил апдейтером на 0.5.12, не могу теперь найти подходящий конфигуратор sad

988

Teltonika FM5300

(edited by SAT 30/05/2018 09:35:04)

Re: Teltonika FM5300

ural wrote:

Интересно, есть тут живые? Прошил апдейтером на 0.5.12, не могу теперь найти подходящий конфигуратор sad

Как это Вас угораздило -обычно Updater и Configurator ходят парами. На несколько постов раньше выкладывали комплект - последний или почти последний. И его версия с Вашей мало совпадает - FM5300.01.07.76.Rev.00. Проще перешить, чем искать

"Если вы не можете объяснить это своей бабушке, вы сами этого не понимаете."  А.Эйнштейн
989

Teltonika FM5300

Re: Teltonika FM5300

SAT wrote:
ural wrote:

Интересно, есть тут живые? Прошил апдейтером на 0.5.12, не могу теперь найти подходящий конфигуратор sad

Как это Вас угораздило -обычно Updater и Configurator ходят парами. На несколько постов раньше выкладывали комплект - последний или почти последний. И его версия с Вашей мало совпадает - FM5300.01.07.76.Rev.00. Проще перешить, чем искать


Спасибо, добрый человек!!! Затупил я немного smile

990

Teltonika FM5300

Re: Teltonika FM5300

Приветствую, уважаемые форумчане!
Вышлите пожалуйста на почту ltlaygwtmrwq@mail.ru конфигуратор для трекера FM5300 с прошивкой 01.11.01 и свежую прошивку для него с подходящим конфигуратором.
Заранее благодарен!

  • Teltonika FM5300
991

Teltonika FM5300

Re: Teltonika FM5300

ПОМОГИТЕ
FM5300   ПРОШИВКА 30.2.1
Конфигуратор подключаться не хочет, пишет  configurator version does not correspond to fm firmware version, пробовал разные конфигураторы
пробовал Firmware updater 1.1.0.12, устройство видит определяет IMEI и версию прошивки, но шить не хочет пиши TIME OUT

992

Teltonika FM5300

(edited by SAT 17/06/2018 11:57:54)

Re: Teltonika FM5300

svano wrote:

ПОМОГИТЕ
FM5300   ПРОШИВКА 30.2.1
Конфигуратор подключаться не хочет, пишет  configurator version does not correspond to fm firmware version, пробовал разные конфигураторы
пробовал Firmware updater 1.1.0.12, устройство видит определяет IMEI и версию прошивки, но шить не хочет пиши TIME OUT

Попробуйте  перепрошить  updater'ом, парным конфигуратору. Версии посвежее есть выше в этой теме Версии прошивок, выставленные выше, радикально отличаются от Вашей.
Номер версии самого конфигуратора и updater''а малоинформативны

"Если вы не можете объяснить это своей бабушке, вы сами этого не понимаете."  А.Эйнштейн
993

Teltonika FM5300

Re: Teltonika FM5300

Добрый день. FM5300 прошили на FM5300.01.07.76.Rev.0.e
В конфигураторе настроили отдачу для 2-х датчиков температуры ds18b20 (param72 и param73) Заранее сказали что они уже прошиты под разные ID
Пришлось без теста собрать все на выезде: датчики параллельно к трекеру - 1(GND),  3(IW.PWR),  13(IW.data)
Результат:  param72=3000, param73=3000
Может подскажете, пожалуйста, где может быть проблема.. при сборке, или сам трекер донастроить надо (удаленно)
Во вложении скрин настройки IO.

  • Teltonika FM5300
994

Teltonika FM5300

Re: Teltonika FM5300

Makci Значение 3000 это по протоколу dallas error. Т.е. похоже на  проблему физического подключения или совместимости датчика и трекера.

Viktor Yarovenko
Business Analyst
Wialon
995

Teltonika FM5300

Re: Teltonika FM5300

Здравствуйте!
Как заставить Teltonika FM53xx передавать состояние DOUT1 на сервер в параметре, а не текстом? Другими словами, хочу создать цифровой датчик, который будет менять состояния 0 и 1 в зависимости от состояния dout1. Сейчас отправляю команду активации выхода, а в ответ приходит текстовая строка. Как преобразовать в цифру? Может сам блок умеет выставлять какой-то из параметров в 0 или 1 ? Необходимо для WialonPro

996

Teltonika FM5300

Re: Teltonika FM5300

Bum wrote:

Здравствуйте!
Как заставить Teltonika FM53xx передавать состояние DOUT1 на сервер в параметре, а не текстом? Другими словами, хочу создать цифровой датчик, который будет менять состояния 0 и 1 в зависимости от состояния dout1. Сейчас отправляю команду активации выхода, а в ответ приходит текстовая строка. Как преобразовать в цифру? Может сам блок умеет выставлять какой-то из параметров в 0 или 1 ? Необходимо для WialonPro

i/o dout1 настрой так: когда генерировать событие/on change и приоритет сделай/high и включи передачу состояния этого выхода в пакете

997

Teltonika FM5300

Re: Teltonika FM5300

maxgandreevich wrote:
Bum wrote:

Здравствуйте!
Как заставить Teltonika FM53xx передавать состояние DOUT1 на сервер в параметре, а не текстом? Другими словами, хочу создать цифровой датчик, который будет менять состояния 0 и 1 в зависимости от состояния dout1. Сейчас отправляю команду активации выхода, а в ответ приходит текстовая строка. Как преобразовать в цифру? Может сам блок умеет выставлять какой-то из параметров в 0 или 1 ? Необходимо для WialonPro

i/o dout1 настрой так: когда генерировать событие/on change и приоритет сделай/high и включи передачу состояния этого выхода в пакете

Проблема в том, что передача состояние DOUT не описано в протоколе 5300. Возможно он и передается, но в протоколе не описано.
По идее состояние выхода должно передаваться в параметре 179 (по крайней мере, на остальных приборах серии FM этот параметр зарезервирован для состояние DOUT1)
Bum  Уточните, пожалуйста, высылается ли param179 и что высылается в последнем параметре сообщения  I/0=
после настроек, описанных maxgandreevich

Viktor Yarovenko
Business Analyst
Wialon
998

Teltonika FM5300

Re: Teltonika FM5300

От блока приходят только Param 22, 24,199 и 240

yavi wrote:
maxgandreevich wrote:
Bum wrote:

Здравствуйте!
Как заставить Teltonika FM53xx передавать состояние DOUT1 на сервер в параметре, а не текстом? Другими словами, хочу создать цифровой датчик, который будет менять состояния 0 и 1 в зависимости от состояния dout1. Сейчас отправляю команду активации выхода, а в ответ приходит текстовая строка. Как преобразовать в цифру? Может сам блок умеет выставлять какой-то из параметров в 0 или 1 ? Необходимо для WialonPro

i/o dout1 настрой так: когда генерировать событие/on change и приоритет сделай/high и включи передачу состояния этого выхода в пакете

Проблема в том, что передача состояние DOUT не описано в протоколе 5300. Возможно он и передается, но в протоколе не описано.
По идее состояние выхода должно передаваться в параметре 179 (по крайней мере, на остальных приборах серии FM этот параметр зарезервирован для состояние DOUT1)
Bum  Уточните, пожалуйста, высылается ли param179 и что высылается в последнем параметре сообщения  I/0=
после настроек, описанных maxgandreevich

999

Teltonika FM5300

(edited by Bum 17/07/2018 10:24:28)

Re: Teltonika FM5300

maxgandreevich wrote:

i/o dout1 настрой так: когда генерировать событие/on change и приоритет сделай/high и включи передачу состояния этого выхода в пакете

Прямой такой настройки у FM53xx нет. прикрепляю скрин. Но можно выбрать только сценарий на эти выхода. Выставляя таким образом, активируется сценарий, по которому блок мониторит манеру езды водителя и в случае превышения определенных значений, активирует этот выход, предполагая, что к нему подключен некий информатор, предупреждающий водителя о том, что к примеру нужно снизить скорость или перестать резко разгоняться и тормозить.

  • Teltonika FM5300
1,000

Teltonika FM5300

(edited by maxgandreevich 18/07/2018 13:34:52)

Re: Teltonika FM5300

Bum wrote:
maxgandreevich wrote:

i/o dout1 настрой так: когда генерировать событие/on change и приоритет сделай/high и включи передачу состояния этого выхода в пакете

Прямой такой настройки у FM53xx нет. прикрепляю скрин. Но можно выбрать только сценарий на эти выхода. Выставляя таким образом, активируется сценарий, по которому блок мониторит манеру езды водителя и в случае превышения определенных значений, активирует этот выход, предполагая, что к нему подключен некий информатор, предупреждающий водителя о том, что к примеру нужно снизить скорость или перестать резко разгоняться и тормозить.

Если на fm5300 в i/o передача dout не реализована, то задумка с датчиком не получится.

1,001

Teltonika FM5300

Re: Teltonika FM5300

В мануале на fm53 нашел такую строку: 179 Digital Output Status 1 1 Logic: 0 / 1
Но в таблице I/O элементов нет "выходов".
Исходя из этого, я предполагаю вот что - возможно, чтобы появился параметр 179 нужно включить первый выход по одному из сценариев.
Я бы попробовал включить сценарий по превышению скорости и поставил бы скорость заведомо большую. Например, 350 км/ч.
Тогда, по идее, параметр 179 должен появиться в сообщениях, но срабатывать по сценарию он не будет, потому что скорость не превысится, но командой этот выход включить можно будет и в параметре 179 это изменение должно будет отразиться.
Но как быть с приоритетом - не знаю: будет ли формироваться сообщение при изменении параметра или терминал будет ждать очередного пакета...
Но, подумалось вот что - при срабатывании out 1 на его проводе что-то появляется. Замкнуть его на неиспользуемый вход, например in3.
Тогда при срабатывании выхода будет срабатывать и вход, который точно можно настроить с высоким приоритетом.

1,002

Teltonika FM5300

Re: Teltonika FM5300

maxgandreevich wrote:

Если на fm5300 в i/o передача dout не реализована, то задумка с датчиком не получится.

по документации я не нашел ничего про dout, но вот к примеру ID параметров, которые описаны идут от 300 до 635. При этом если отправить команду getparam 1300 то блок вернет значение этого параметра, т.е. есть еще масса параметров, которые просто не описаны в документе. Так же это значение можно и поменять setparam 1300 2 (установится значение 2)

1,003

Teltonika FM5300

Re: Teltonika FM5300

woollen wrote:

Но, подумалось вот что - при срабатывании out 1 на его проводе что-то появляется. Замкнуть его на неиспользуемый вход, например in3.
Тогда при срабатывании выхода будет срабатывать и вход, который точно можно настроить с высоким приоритетом.

этот вариант я обдумывал, но появляется там логический 0, который и без того там будет если через реле не приходит 1. Городить схемку с резистором, чтоб подпереть плюсом не хочется. Думаю всетаки просто в документе не описан нужный мне параметр, а он точно есть...

1,004

Teltonika FM5300

Re: Teltonika FM5300

Bum wrote:
woollen wrote:

Но, подумалось вот что - при срабатывании out 1 на его проводе что-то появляется. Замкнуть его на неиспользуемый вход, например in3.
Тогда при срабатывании выхода будет срабатывать и вход, который точно можно настроить с высоким приоритетом.

этот вариант я обдумывал, но появляется там логический 0, который и без того там будет если через реле не приходит 1. Городить схемку с резистором, чтоб подпереть плюсом не хочется. Думаю всетаки просто в документе не описан нужный мне параметр, а он точно есть...

Если передачу dout нельзя включить через конфигуратор, то вариант с включением передачи dout через команды маловероятен.

1,005

Teltonika FM5300

Re: Teltonika FM5300

Bum напоминаю, что параметр не описан не только в мануале, отсутствует в конфигураторе, но и не описан в протоколе FM5300.
Если Вы являетесь клиентом Wialon и у вас нет контактов с техподдержкой Teltonika, пожалуйста, напишите подробности своего аккаунта, IMEI  прибора, версию прошивки на hw@gurtam.com и мы зададим вопрос непосредственно представителям тельтоники. Возможно есть кастомные прошивки.

Viktor Yarovenko
Business Analyst
Wialon
1,006

Teltonika FM5300

Re: Teltonika FM5300

Доброго дня. Попалась 5300, которая не выдает IMEI, пробовал разные прошивки итог один: Конфигуратор пишет что нет данных по IMEI попробуйте через 10 секунд. Через terminal отправив .imei, получаем ответ IMEI:0. Что то можно сделать или на запчасти?

ООО "АвтоТехноКонтроль" РБ. Брест
Мы экономим Ваши деньги!
1,007

Teltonika FM5300

Re: Teltonika FM5300

большая просьба, скиньте пожалуйста последнюю прошивку на FM5300..
почта - antonov.uarendu@gmail.com

1,008

Teltonika FM5300

(edited by Rombovik 19/11/2018 11:40:25)

Re: Teltonika FM5300

tempnew wrote:

большая просьба, скиньте пожалуйста последнюю прошивку на FM5300..
почта - antonov.uarendu@gmail.com

Отправил. Только на эту почту не отправляется, выдает ошибку.

Архив по ссылке:

https://drive.google.com/open?id=1xvFGs … 2nyGWHtOVB

1,009

Teltonika FM5300

Re: Teltonika FM5300

Rombovik wrote:
tempnew wrote:

большая просьба, скиньте пожалуйста последнюю прошивку на FM5300..
почта - antonov.uarendu@gmail.com

Отправил. Только на эту почту не отправляется, выдает ошибку.

Архив по ссылке:

https://drive.google.com/open?id=1xvFGs … 2nyGWHtOVB

cпасибо большое

1,010

Teltonika FM5300

Re: Teltonika FM5300

Воврменя прошивки FM5300.01.07.79.Rev.0.e зависает на 75% и так минут 15. Потом все ок (зеленым фоном пишет что done как обычно)
Но трекер не выходит из бут режима (индикатор статус часто мигает) , и не подключается по юсб как это исправить?

1,011

Teltonika FM5300

Re: Teltonika FM5300

stan_uz wrote:

Воврменя прошивки FM5300.01.07.79.Rev.0.e зависает на 75% и так минут 15. Потом все ок (зеленым фоном пишет что done как обычно)
Но трекер не выходит из бут режима (индикатор статус часто мигает) , и не подключается по юсб как это исправить?

Через вашего поставщика. Recovery

1,012

Teltonika FM5300

Re: Teltonika FM5300

Народ, подскажите, знает ли кто нибудь команду для сброса полином?Знаю что есть, но перерыл все,а найти не могу

1,013

Teltonika FM5300

Re: Teltonika FM5300

Подскажите правильный ID параметров для настройки сервера и пароля, под основной профиль телтоники 5300 ? (насколько я помню там 3 профиля и основной - 3-й)

1,014

Teltonika FM5300

Re: Teltonika FM5300

24Glonass wrote:

Подскажите правильный ID параметров для настройки сервера и пароля, под основной профиль телтоники 5300 ? (насколько я помню там 3 профиля и основной - 3-й)

Прямо в команде указывается номер профиля. Например, параметр настройки 245 (адрес сервера) для 3го профиля это 3245
Порт 3246
Смс пароль 253 номер. Наверно 3253 значит (но вот тут не уверен что надо подставлять номер профиля для смс. Возможно просто 253)

Viktor Yarovenko
Business Analyst
Wialon
1,015

Teltonika FM5300

(edited by nikiforospav 29/09/2019 10:23:58)

Re: Teltonika FM5300

hi there
i am searching for (01.07.46) firmware for fm5300
can someone please upload here or sent to alarmskantia@gmail.com

thank you

1,016

Teltonika FM5300

Re: Teltonika FM5300

Доброго времени суток!
Поделитесь пожалуйста последней версией прошивки на Teltonika FM5300
на почту: support@sm-smart.ru

С уважением, Иван Момот
Технический специалист компании "СМАРТ"
Официальный представитель ГК СКАУТ в г. Краснодар
Tel.: +7 (861) 212-68-35, www.sm-smart.ru
1,017

Teltonika FM5300

Re: Teltonika FM5300

Добрый день. Вы не подскажете, какая модель модема в устройстве Teltonika FM5300? Прошивку поставил, а информации о модеме не вижу. спасибо заранее

1,018

Teltonika FM5300

(edited by teltonika_support 06/05/2020 13:27:39)

Re: Teltonika FM5300

shahter12 wrote:

Добрый день. Вы не подскажете, какая модель модема в устройстве Teltonika FM5300? Прошивку поставил, а информации о модеме не вижу. спасибо заранее

Добрый день,
могли бы подсказать, что имеется в виду?

FM5300 имеет
GSM/GPRS модуль: TM11Q (GSM 850 / 900 / 1800 / 1900 MHz)
и
модуль GNSS GGG303 GPS/GLONASS/GALILEO/QZSS

Вы также более подробно можете ознакомиться с документацией для этой модели, скачав ее по ссылке:

Link: http://teltonika.lt/client/
user: gurtamf
pass: fmArt2254

Хорошего дня!

Ознакомиться с новыми разработками компании Teltonika можно по ссылке: https://teltonika.lt/ru/company/news-room/product-news/
На сайте Wiki, Вы всегда сможете найти информацию о настройке, подключении приборов: https://wiki.teltonika.lt/view/Main_Page
На FTP-сервере найдете новейшие версии прошивок и мануалов для трекеров: http://teltonika.lt/client/ Login: gurtamf Pass: fmArt2254
1,019

Teltonika FM5300

(edited by shahter12 07/05/2020 11:17:24)

Re: Teltonika FM5300

teltonika_support wrote:
shahter12 wrote:

Добрый день. Вы не подскажете, какая модель модема в устройстве Teltonika FM5300? Прошивку поставил, а информации о модеме не вижу. спасибо заранее

Добрый день,
могли бы подсказать, что имеется в виду?

FM5300 имеет
GSM/GPRS модуль: TM11Q (GSM 850 / 900 / 1800 / 1900 MHz)
и
модуль GNSS GGG303 GPS/GLONASS/GALILEO/QZSS
!

Здравствуйте. я имел ввиду какой GSM Module, то есть вижу теперь. А буква Q означает, что есть поддержка Quectel?

1,020

Teltonika FM5300

Re: Teltonika FM5300

shahter12 wrote:
teltonika_support wrote:
shahter12 wrote:

Добрый день. Вы не подскажете, какая модель модема в устройстве Teltonika FM5300? Прошивку поставил, а информации о модеме не вижу. спасибо заранее

Добрый день,
могли бы подсказать, что имеется в виду?

FM5300 имеет
GSM/GPRS модуль: TM11Q (GSM 850 / 900 / 1800 / 1900 MHz)
и
модуль GNSS GGG303 GPS/GLONASS/GALILEO/QZSS
!

Здравствуйте. я имел ввиду какой GSM Module, то есть вижу теперь. А буква Q означает, что есть поддержка Quectel?


Добрый день, да, можно дополнительно припаять Quectel.

Ознакомиться с новыми разработками компании Teltonika можно по ссылке: https://teltonika.lt/ru/company/news-room/product-news/
На сайте Wiki, Вы всегда сможете найти информацию о настройке, подключении приборов: https://wiki.teltonika.lt/view/Main_Page
На FTP-сервере найдете новейшие версии прошивок и мануалов для трекеров: http://teltonika.lt/client/ Login: gurtamf Pass: fmArt2254
1,021

Teltonika FM5300

Re: Teltonika FM5300

3 штуки FM5300, не использовались с апреля, сейчас перестали ловить спутники, индикатор gps при включении один раз загорается и гаснет, к серверу не подключаются, статус симки постоянно "init.." Что случилось с приборами и что можно сделать?

1,022

Teltonika FM5300

Re: Teltonika FM5300

Доброго всем времени суток. Может кто-нибудь помочь с распиновкой навигационного приёмника установленного в teltonika fm5300. Фото прилагаю.

  • Teltonika FM5300
1,023

Teltonika FM5300

Re: Teltonika FM5300

Всем привет. У кого есть конфигуратор x.30.3.y?  Fm5300
Почта pavelosiped(a)gmail.com

1,024

Teltonika FM5300

Re: Teltonika FM5300

pavelosiped wrote:

Всем привет. У кого есть конфигуратор x.30.3.y?  Fm5300
Почта pavelosiped(a)gmail.com

Здравствуйте,

найти последнюю прошивку и конфигуратор к ней, а также средство установки прошивки Вы можете перейдя по ссылке:
Link: https://drive.teltonika.lt/d/52ce10e9db9245588a0c/
Password: cGvAV244QzrCreJ


Всего хорошего!

Ознакомиться с новыми разработками компании Teltonika можно по ссылке: https://teltonika.lt/ru/company/news-room/product-news/
На сайте Wiki, Вы всегда сможете найти информацию о настройке, подключении приборов: https://wiki.teltonika.lt/view/Main_Page
На FTP-сервере найдете новейшие версии прошивок и мануалов для трекеров: http://teltonika.lt/client/ Login: gurtamf Pass: fmArt2254
1,025

Teltonika FM5300

(edited by pavelosiped 30/12/2020 14:17:11)

Re: Teltonika FM5300

Здравствуйте. Подскажите пожалуйста. При прошивке через updater imei и версию видит, но при прошивке не переходит в boot и пишет time out. Прошивка не проходит.

1,026

Teltonika FM5300

Re: Teltonika FM5300

teltonika_support  Не начинается прошивка. Пишет "Keep the device plugged in until flashing is finished
...
Operation timeout"  Режим совместимости с windows 7 не помогает.

1,027

Teltonika FM5300

Re: Teltonika FM5300

Привет всем!

Скажите пожалуйста у всех работают трекеры модели 5300 после нового года?

В общем есть несколько десятков трекеров на мониторинге данной модели.
Заметил, что с 30 декабря 2024 по 3 январь 2025 трекеры начали сбоить.
Наблюдение следующее:
Сообщения трекеры присылают, но координата одна и та же, хотя машины перемещаются по городу.
Координата одна и также, 0м - над уровнем моря, 0 - спутников.
Если отправить команду cpureset через Wialon или sms, то оборудование больше не выходит на связь.
На sms тожеже больше не отвечает.
На тек трекерах, что еще на связи:

На команду getgps, следующий ответ - WARNING! GPS Data not Available. Clock not Synchronized.

На команду getinfo получаю
INI:2011/1/1 0:0
RTC: 2011/1/1 7:10 RST:3
ERR:0 SR:0 BR:0 CF:0 FG:0
FL:0 UT:0 P:3;0;0;0;1;0 SMS:6
NOGPS:6:43 GPS:2 SAT:0
RS:4 RF:0

На команду getversion получаю
Code Ver:01.02.12

Получилась критическая ситуация.
Восстание машин какое-то.

По началу, в первых числах января заменили два трекера на новую 920 модель. Так как большинство объектов на праздниках не использовалась. Мониторились только критичные объекты. Но потом когда праздники прошли, все объекты начали мониториться, тут началось вставать все на свои места.

Но техника должна приносить пользу человечеству, даже не смотря на то какой возраст у нее.
Так как производитель не поддерживает данную модель трекера с 2020 года, было трудно найти прошивку.
Но благодаря этому форуму я скачал и обновил прошивку на одном из трекеров ver. 01.07.79
Проверил настройки.
Старые настройки через новый конфигуратор не открывается.
Но настройки при обновлении прошивки не слетели, кроме  логина и пароля для SMS команд.
Теперь у меня вопрос. Как обновить прошивки на остальных трекерах.
Удаленно через Wialon, я так понимаю уже не вариант.

Итог:
Что-то изменилось в сигналах спутника? Трекер перестал понимать сигнал и определять время.
Нет времени, нет связи по GPRS.
Если перезагрузить, то сессия связи сброситься и тогда вообще устройство не выходит на связь даже по SMS.

Вывод:
Пробежаться по всем объектам, обновить прошивку вручную. Так как 920 модели работают.
Объяснить руководству, что нужно некую сумму инвестировать на трекеры, да еще и в такие сложные времена.
Будем работать.

Кто сталкивался с такой ситуацией?
Как вышли из положения?

1,028

Teltonika FM5300

(edited by zed_taf 12/01/2025 19:41:21)

Re: Teltonika FM5300

Bogazki wrote:

Кто сталкивался с такой ситуацией?

такая же ерунда случилась
teltonika FM1200
такие же ответы на команды GETINFO GETGPS и др.
последний трек 31.12.2024

1,029

Teltonika FM5300

Re: Teltonika FM5300

если кто то решил прошивкой. скиньте апдейт с конфигуратором....

1,030

Teltonika FM5300

Re: Teltonika FM5300

qwerty16 wrote:

если кто то решил прошивкой. скиньте апдейт с конфигуратором....

Привет, на предыдущей странице есть ответ от поддержи Teltonika, за что им большое спасибо.

Link: http://teltonika.lt/client/
user: gurtamf
pass: fmArt2254

Там и прошивки и конфигуратор.

1,031

Teltonika FM5300

Re: Teltonika FM5300

Добрый день,
Хотим Вас проинформировать что некоторые трекеры Телтоника   серий (FM10/FM11FM12/FM21/FMA1/FMA2/FM53) могут имеет проблему с форматом даты GPS из-за старой прошивки.
Обратитесь, пожалуйста, к менеджеру по продажам Teltonika  или напрямую к нам через официальный сайт https://teltonika-gps.com/. Выберите “Контакт”, далее  нажмите на кнопку “связаться с нами”, заполните форму и отправьте.
C уважением,
АА

1,032

Teltonika FM5300

Re: Teltonika FM5300

Всем привет! кто нибудь смог получить поддержку от Телтоники ? не могу найти прошивку для FM1200 ...кто знает - подскажите где взять...

1,033

Teltonika FM5300

Re: Teltonika FM5300

Rvatch wrote:

Всем привет! кто нибудь смог получить поддержку от Телтоники ? не могу найти прошивку для FM1200 ...кто знает - подскажите где взять...

Добрый день,
Для получения прошивки для трекера или для решения любых вопросов по оборудованию Телтоника обратитесь к нам напрямую  через официальный сайт https://teltonika-gps.com/. Выберите “Контакт”, далее  нажмите на кнопку “связаться с нами”, заполните форму и отправьте.
C уважением,
АА

1,034

Teltonika FM5300

Re: Teltonika FM5300

Teltonika Telematics wrote:
Rvatch wrote:

Всем привет! кто нибудь смог получить поддержку от Телтоники ? не могу найти прошивку для FM1200 ...кто знает - подскажите где взять...

Добрый день,
Для получения прошивки для трекера или для решения любых вопросов по оборудованию Телтоника обратитесь к нам напрямую  через официальный сайт https://teltonika-gps.com/. Выберите “Контакт”, далее  нажмите на кнопку “связаться с нами”, заполните форму и отправьте.
C уважением,
АА

в форме нет России....какую страну выбрать?

1,035

Teltonika FM5300

Re: Teltonika FM5300

Перепрошивка на 1.7.79 возвращает к жизни, но трекер перестает принимать команды. В физическом доступе, к сожалению ничего нет, поэтому проверить какие настройки слетают не могу. С пустыми лог/пас смски так же не воспринимает.

Шили через fota.

Если хочешь чтобы мир изменился - стань сам этим изменением.
1,036

Teltonika FM5300

Re: Teltonika FM5300

anzi1331 wrote:

Перепрошивка на 1.7.79 возвращает к жизни, но трекер перестает принимать команды. В физическом доступе, к сожалению ничего нет, поэтому проверить какие настройки слетают не могу. С пустыми лог/пас смски так же не воспринимает.

Шили через fota.

Добрый день,
Для более детального анализа вашего вопроса, попрошу вас связаться с нами, для этого  обратитесь, пожалуйста, к менеджеру по продажам Teltonika  или напрямую к нам через официальный сайт https://teltonika-gps.com/. Выберите “Контакт”, далее  нажмите на кнопку “связаться с нами”, заполните форму и отправьте.
Необходимо предоставить следующие данные:
-количество устройств;
-IMEI устройств;
-файлы конфигураций;
-Отправьте смс/gprs команду getver,  и предоставьте ответ от смс команды;
C уважением,
АА