Re: Электрическая принципиальная схема современного ДУТа
А вот бы производители отписались у кого по частоте, а у кого по скважности ДУТ меряет...
New account creation is currently unavailable. Existing members can continue reading and joining discussions.
А вот бы производители отписались у кого по частоте, а у кого по скважности ДУТ меряет...
А вот бы производители отписались у кого по частоте, а у кого по скважности ДУТ меряет...
Могу сказать одно. На сегодня получил большую популярность первый метод, ибо он проще для цифровых элементов.
Второй метод сложнее для оцифровки. Хотя в до цифровой эпохе эти два метода по сложности были одинаковы. Магнитной рамке было все равно какой сигнал отображать (только откалибруй шкалу правильно).
Про магнитную рамку не знаю, читал про уровнеметр на герконах. Где поплавок ездит вдоль трубки. Не самое худшее в принципе устройство.
Про магнитную рамку не знаю
Поправлюсь, электромагнитную рамку, магнитной её называли во времена моей молодости, сокращали название.
Приделанная к ней стрелка и помещенная в магнитное поле, она превращалась в стрелочный измерительный прибор.
Не самое худшее в принципе устройство.
Я бы сказал лучшее, но с большим минусом. Поплавку все равно в какой среде работать.
Где поплавок ездит вдоль трубки. Не самое худшее в принципе устройство.
- более современный тип - магнитострикционный.
Поплавок тоже ездит по трубке.
Мне от больше всего нравится, но цена ...
.
Я бы сказал лучшее, но с большим минусом. Поплавку все равно в какой среде работать.
Так это наоборот преимущество, не надо объяснять клиенту почему тарировка начала расходится при смене солярки зима-лето. Наверное были-бы такие у отечественных производителей ДУТов раскрученных даже бы купили пару на пробу.
Так это наоборот преимущество, не надо объяснять клиенту почему тарировка начала расходится при смене солярки зима-лето.
Но есть и большой "минус" у этих устройств, это: "вредный" водитель и парафин.
Так это наоборот преимущество, не надо объяснять клиенту почему тарировка начала расходится при смене солярки зима-лето. Наверное были-бы такие у отечественных производителей ДУТов раскрученных даже бы купили пару на пробу.
Вопрос точности при смене солярки (летняя-зимняя-биотопливо) решается и в емкостных датчиках уровня топлива
подробно см https://www.jv-technoton.com/ru/produkty/dut-e-2-bio/
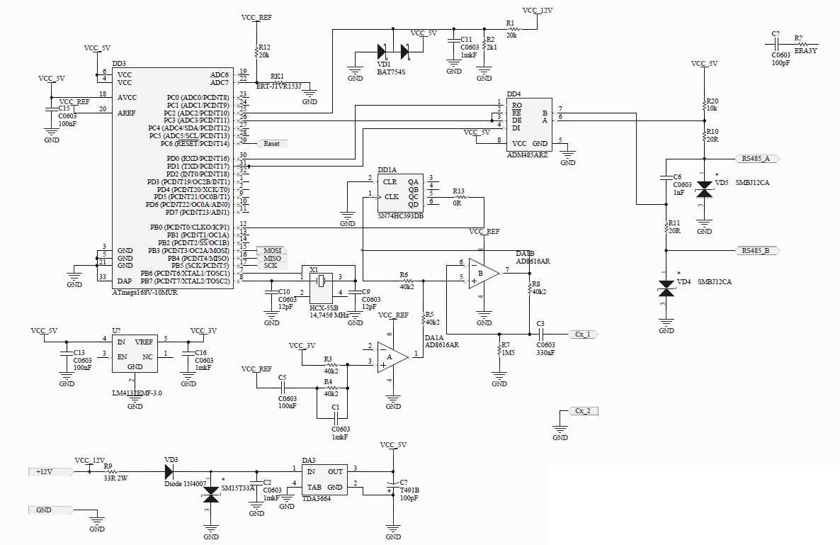
Господа, поделитесь пожалуйста схемой современного ДУТа. Не нужны маркировки микросхем или название бренда, просто нужна общая электрическая схема работы ДУТа для просвещения монтажников.
Держите, просвещайте)) Можете даже собрать датчик и, если есть в штате хорошие программисты, даже заставите его работать)

Совпадения с реальными схемами реальных ДУТов известных брендов абсолютно случайны ![]()
еще
Держите, просвещайте)) Можете даже собрать датчик и, если есть в штате хорошие программисты, даже заставите его работать)
еще
Это неправильные схемы. Там нет 555-х таймеров. ))
HellWood wrote:Держите, просвещайте)) Можете даже собрать датчик и, если есть в штате хорошие программисты, даже заставите его работать)
syncat wrote:еще
Это неправильные схемы. Там нет 555-х таймеров. ))
Хех... Страшно даже представить какую долю рынка занял бы этот датчик, имей он 555-й таймер. Просто производитель давал шансы конкурентам.
Дмитрий Л wrote:HellWood wrote:Держите, просвещайте)) Можете даже собрать датчик и, если есть в штате хорошие программисты, даже заставите его работать)
syncat wrote:еще
Это неправильные схемы. Там нет 555-х таймеров. ))
Хех... Страшно даже представить какую долю рынка занял бы этот датчик, имей он 555-й таймер. Просто производитель давал шансы конкурентам.
пфф, старьё. Нормальные новые ДУТ работают на таймере 666.
HellWood wrote:Дмитрий Л wrote:Это неправильные схемы. Там нет 555-х таймеров. ))
Хех... Страшно даже представить какую долю рынка занял бы этот датчик, имей он 555-й таймер. Просто производитель давал шансы конкурентам.
пфф, старьё. Нормальные новые ДУТ работают на таймере 666.
....изыди. ![]()
Веселая получилась тема )
24Glonass
Мне стало интересно - монтажники, увидев принципиальную схему на самом деле будут просвещены?
Т.е. им не достаточно структурной блок-схемы для понимания принципов работы ДУТ, надо прочитать именно принципиальную схему?
Ещё и листинг прошивки контроллера. Без него никак вообще. Как минимум - дамп прошивки. Выложите кто-нибудь. Тема превратится в "поделитесь КД на ДУТ".
Что ж, если это разрешит все вопросы, то..
Ну всё, посливали сё что можно. Ждём массовую волну выхода на рынок суперновых и оригинальных ДУТов, с названиями а ля Magnitron LLS или Samaratz 20160.
Ждём массовую волну выхода на рынок суперновых и оригинальных ДУТов, с названиями а ля Magnitron LLS или Samaratz 20160.
Не будет ни какого массового выхода. От теории до практики длинный путь. Рынок поделен. Чтобы протиснуться придется по себестоимости продавать, либо ещё и доплачивать, чтоб пробиться сквозь конкуренцию.
Главное - не забывать делать спам-рассылку, желательно каждую неделю
Что ж, если это разрешит все вопросы, то..
И кто-то же его покачал!!!
Помнится, в студенческие годы в каком-то курсовике в качестве дампа контроллера распечатал подборку анекдотов в HEX. Прокатило.
syncat wrote:Что ж, если это разрешит все вопросы, то..
И кто-то же его покачал!!!
Помнится, в студенческие годы в каком-то курсовике в качестве дампа контроллера распечатал подборку анекдотов в HEX. Прокатило.
У Роскосмоса тоже прокатывало шить советские hex-ы. Пока не решили поменять космодром ... ![]()
Веселая получилась тема )
24Glonass
Мне стало интересно - монтажники, увидев принципиальную схему на самом деле будут просвещены?
Т.е. им не достаточно структурной блок-схемы для понимания принципов работы ДУТ, надо прочитать именно принципиальную схему?
Посмотрим с течением времени - будет-ли результат.
По выходу в свет новых ДУТов - несерьезно. Рынок полностью застолблен достаточно качественными продуктами, поэтому вход в такой рынок будет баснословно дорогим и растянутым по времени.
Также время ДУТов все равно подходит к концу. Да на наш рабочий век хватит, но электро-газо-транспорт будет активно атаковать бензиновых собратьев, да и КАН-шина совершенствуется постоянно, для тех то ездит на жидком топливе.
Мне больше нравится это видео, очень доходчиво объясняет, на английском, но по видео всё понятно.
https://youtu.be/0du-QU1Q0T4