1

Погрузчик JCB 531-70. Кто ставил ДУТ?

Topic: Погрузчик JCB 531-70. Кто ставил ДУТ?

Здравствуйте. У кого есть опыт установки ДУТа на Погрузчик JCB 531-70 ?

  • Погрузчик JCB 531-70. Кто ставил ДУТ?
2

Погрузчик JCB 531-70. Кто ставил ДУТ?

(edited by maksimezikov 20/10/2018 02:02:23)

Re: Погрузчик JCB 531-70. Кто ставил ДУТ?

Только демонтировать бак, вырезать лючек там не получится

  • Погрузчик JCB 531-70. Кто ставил ДУТ?
  • Погрузчик JCB 531-70. Кто ставил ДУТ?
Представительство проекта SkyNet в г. Днепр
GPS-мониторинг передвижных и стационарных объектов
https://skynet.gpsonline.pro/
3

Погрузчик JCB 531-70. Кто ставил ДУТ?

Re: Погрузчик JCB 531-70. Кто ставил ДУТ?

Благодарю

4

Погрузчик JCB 531-70. Кто ставил ДУТ?

Re: Погрузчик JCB 531-70. Кто ставил ДУТ?

на катке каком то тоже бак снимал....пластиковый , очень хитрой конфигурации

5

Погрузчик JCB 531-70. Кто ставил ДУТ?

Re: Погрузчик JCB 531-70. Кто ставил ДУТ?

Нормально режется лючок и все.  Ненадо лишних телодвижений.

6

Погрузчик JCB 531-70. Кто ставил ДУТ?

Re: Погрузчик JCB 531-70. Кто ставил ДУТ?

gorar wrote:

Нормально режется лючок и все.  Ненадо лишних телодвижений.

Добрый день.есть у вас фото места реза?
Тоже такая техника маячит

Системы спутникового контроля Траектория-Юг Краснодар
+7 918 068 47 44
+7 988 666 04 51
8350913@bk.ru
7

Погрузчик JCB 531-70. Кто ставил ДУТ?

Re: Погрузчик JCB 531-70. Кто ставил ДУТ?

Вроде на JSB и  штатный дут очень не плохо по кану или по аналогу работает.

Системы мониторинга транспорта, системы оповещения населения ГО и ЧС, видеонаблюдение, охранная и пожарная сигнализация.
8

Погрузчик JCB 531-70. Кто ставил ДУТ?

Re: Погрузчик JCB 531-70. Кто ставил ДУТ?

A.S.Mozerov wrote:
gorar wrote:

Нормально режется лючок и все.  Ненадо лишних телодвижений.

Добрый день.есть у вас фото места реза?
Тоже такая техника маячит

Получилось вырезать лючок?

9

Погрузчик JCB 531-70. Кто ставил ДУТ?

Re: Погрузчик JCB 531-70. Кто ставил ДУТ?

opl wrote:

Вроде на JSB и  штатный дут очень не плохо по кану или по аналогу работает.

Где бы еще найти место подключения к штатному ДУТ...

10

Погрузчик JCB 531-70. Кто ставил ДУТ?

(edited by opl 21/05/2021 12:22:43)

Re: Погрузчик JCB 531-70. Кто ставил ДУТ?

Alex_SSN wrote:
opl wrote:

Вроде на JSB и  штатный дут очень не плохо по кану или по аналогу работает.

Где бы еще найти место подключения к штатному ДУТ...

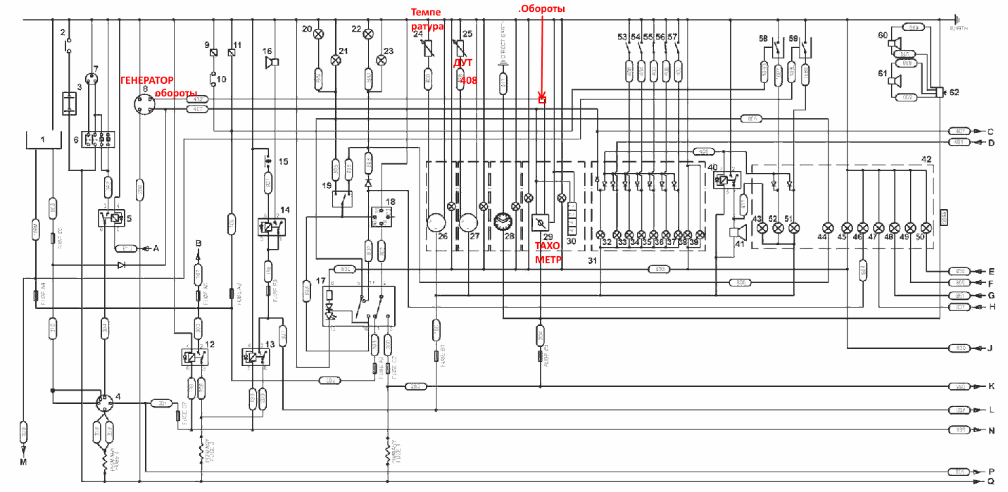
JSB 3CX  Брали как с КАНа  так и по аналогу, все работает, по кану температура топливо и обороты прекрасно идут, бак оттарировали штатный дут показывает достаточно точно, мертвые зоны не большие.

Схему и описание нумерации компонентов на схеме  смотри в приложении

  • Погрузчик JCB 531-70. Кто ставил ДУТ?
  • Погрузчик JCB 531-70. Кто ставил ДУТ?
  • Погрузчик JCB 531-70. Кто ставил ДУТ?
  • Погрузчик JCB 531-70. Кто ставил ДУТ?
Системы мониторинга транспорта, системы оповещения населения ГО и ЧС, видеонаблюдение, охранная и пожарная сигнализация.
11

Погрузчик JCB 531-70. Кто ставил ДУТ?

Re: Погрузчик JCB 531-70. Кто ставил ДУТ?

нормально режется, ставиться. работает без проблем (во вложении схематично отметил).
Есть несколько минусов:
- в данном промежутке между кабиной и баком постоянно очень много грязи и механизаторы редко ее вымывают
- из-за конструктива бака  и длинной горловины имеет место след картина - ТС работает а расхода гсм нет (график во вложении)

  • Погрузчик JCB 531-70. Кто ставил ДУТ?
  • Погрузчик JCB 531-70. Кто ставил ДУТ?
12

Погрузчик JCB 531-70. Кто ставил ДУТ?

Re: Погрузчик JCB 531-70. Кто ставил ДУТ?

Добрый день! Фото не открываются, можете перезалить?